PLC系统模拟输入输出发展趋势及设计挑战
时间:08-07
来源:互联网
点击:
模拟输入的关键:更佳稳定性和高速高性能ADC
与模拟输出相比,模拟输入发展更为强调系统的稳定性以及高速、高性能的ADC内核,其中稳定性包括过压保护和更佳的50 Hz/60 Hz抑制等。
在PLC/DCS模拟输入端,我们通常需要调理和转换两类电压,一类是输入范围包含±10V 的双极性电压,一类是0-10V的单极性电压。在将这些信号送入ADC进行转换前,我们需要至少在信号输入和ADC输入间放置一个运算放大器作为缓冲器。考虑到系统所追求的电压稳定性和可靠性指标,ADI具有过压保护功能的微功耗RRIO(轨到轨输入/输出)运算放大器ADA4096-x非常适合此类应用。
ADA4096-x的特点可以浓缩为几个关键词:32V、RRIO、精密、μPower以及过压保护(OVP)。其内部输入过压保护,最多可以超出供电轨±32V,放大器都不会损坏。此特性对存在电源时序控制问题的应用特别重要,该问题可导致信号源在放大器上电之前加入。
放大器过压保护有不同的方案,其中最为简单的就是内置静态放电(ESD)保护,很多基本的二极管保护电路都采用此方法,但是强壮型较差。此外,差分二极管以及外部二极管保护,由于成本较低也被广泛使用,但存在本身的漏电流和寄生电容对放大器产生影响等问题。
表1:各种内部和外部OVP解决方案对比
从表1中ADI OVP解决方案的电路图中可以看出,ADA4092-x有两个不同的ESD电路,用于增强其过压保护功能。其中一个电路是一个5kΩ的串联电阻,连接至内部输入端和从内部输入端到供电轨的二极管(D1和D2;D5和D6)。另一个保护电路为连接至供电轨的两个DIAC(D3和D4;D7和D8),DIAC可以看作是带传递特性的双向齐纳二极管。对于最差条件设计分析,可考虑两种情况:从内部运算放大器输入端到供电轨,ADA4092-x采用正常的ESD结构;从外部输入端到供电轨,则采用42 V DIAC。
除上述集成式OVP解决方案外,ADA4096-x还具有轨到轨输入/输出摆幅的特性。此外,该产品功耗很低,每个运算放大器的典型值只有60μA,只要保证在其电压工作范围3V至30V之间,这也使得它非常适合于电池供电或监控电池供电情况。其单位增益带宽为800kHz(Vsy = ±15V时的典型值),会随着电压下降而有所降低。低失调电压的典型值也只有35μV。与同类产品相比,ADA4096-x具有竞争产品的2倍带宽、1/2 Vos、1/3TcVos及1/2Vn。该器件提供业内最高水平的过压保护,可以在要求严苛的工业与仪器仪表应用中稳定工作。
图4:连接到SDP板的EVAL-CN0241-SDPZ评估板
图4为ADI公司针对ADA4096-x输入过压保护的高端电流检测实验。
具有灵活滤波器选项的24位Σ-Δ型ADC
在工业应用中,当测量来自热电偶、应变计以及桥式压力传感器的低电平信号时,通常需要差分输入信号,以抑制来自电机、交流电力线,或其他的噪声源(这些噪声源将噪声引入模数转换器的模拟输入端)的共模干扰信号。
对于输入模块而言,Σ-Δ型ADC是最受欢迎的选择,因为它们能提供高精度及分辨率。此外,其内置的可编程增益放大器(PFG)可以精确测量小的输入信号。AD7176-2是ADI今年最新发布的24位Σ-Δ型ADC,在其内部滤波器设计方面,采用了最新的方法和思路。
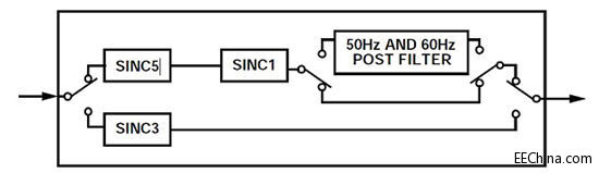
图5:AD7176数字滤波器功能框图
如图5所示,AD7176-2有三个灵活的滤波器选项,支持对噪声、建立时间和抑制性能进行优化。最新的Sinc5+Sinc1滤波器部分,主要用于快速切换多路复用应用,可实现建立时间最快的快速通道切换,使通道扫描速率达到最大。Sinc5模块输出固定在250kSPS的最大速率,Sinc1模块的输出数据速率可变,从而控制最终ADC输出数据速率。
Sinc3滤波器在较低速率时可实现最佳单通道噪声性能,因此最适合单通道应用,可以使单通道、低速应用的分辨率达到最高。
增强型50 Hz和60 Hz抑制滤波器,旨在提供50 Hz和60 Hz同时抑制,并且允许以牺牲通道开关速率的代价换取抑制性能。这些滤波器是市面上最快的50 Hz/60 Hz抑制产品,可以最高27.27SPS的速率工作,或者可以抑制最高90 dB的50 Hz ± 1 Hz和60 Hz ± 1 Hz干扰。这些滤波器是通过对Sinc5 + Sinc1滤波器输出进行后滤波实现的。因此,使用增强型滤波器时,必须选择Sinc5 + Sinc1滤波器。
AD7176-2的可编程功能通过SPI串行接口执行,具有校验和模式,可用来提高接口的鲁棒性。CRC校验和在读写操作下都可工作,除了能够有效防止SPI通信错误外,还可以在内部对ADC配置进行校验,从而增强其稳定性。
这里值得一提的是:AD7176-2前端集成交叉点多路复用器,可以通过选择不同输入引脚来配置伪差分或全差分输入对,从而将任何模拟输入组合作为要转换的输入信号,并将其路由至调制器正或负输入。这样一来,AD7176-2就可以实现通道间的差分,从而大大提高其灵活性,这也是AD717x系列优于较早前的AD719x和AD779x产品的一个地方。
除此之外,AD7176-2还包括很多其他的优势:可以灵活设置输出速率,最高速率可高达250KSPS;在最高速率下,拥有17.2位的无噪声分辨率;最大通道扫描数据速率为50kSPS,建立时间为20μs,而且在此扫描速率下,仍可以得到17位无噪声分辨率;INL仅为全量程的2.5ppm;内部集成2.5V基准和振荡器,减少了外部元件数;系统失调和增益误差,可针对各个通道进行校正,这种各通道可配置能力,适用于每一通道所用的滤波器类型和输出数据速率。
ADI采用AD7176-2设计了一款实验室电路——CN0310,用于工业级信号的24位、250kSPSΣ-Δ ADC系统,为工业级信号采集提供了快速、高精度的转换结果,具体的设计资源,可以在ADI的官网上获取(详情参考:http://www.analog.com/cn0310)。AD7176-2同时还提供了评估板套件,用户只需通过PC上的评估板软件,即可直接控制AD7176-2,评估板需要与SDP系统验证平台联合使用。
图6:CN0310——用于工业信号电平的精密24位、250 kSPS,单电源∑-△型ADC系统
除上述介绍的产品和解决方案外,ADI针对PLC/DCS应用最新推出了一些产品参考设计,其中包括适用于电压、电流、温度(热电偶+RTD)输入的隔离式单通道通用模拟输入模块CN0325,以及支持HART且适合通道间隔离系统的单通道模拟输出演示板CN0321。两款演示板均以面世,用户可通过www.analog.com/DC13-hardware查询具体价格信息。
与模拟输出相比,模拟输入发展更为强调系统的稳定性以及高速、高性能的ADC内核,其中稳定性包括过压保护和更佳的50 Hz/60 Hz抑制等。
在PLC/DCS模拟输入端,我们通常需要调理和转换两类电压,一类是输入范围包含±10V 的双极性电压,一类是0-10V的单极性电压。在将这些信号送入ADC进行转换前,我们需要至少在信号输入和ADC输入间放置一个运算放大器作为缓冲器。考虑到系统所追求的电压稳定性和可靠性指标,ADI具有过压保护功能的微功耗RRIO(轨到轨输入/输出)运算放大器ADA4096-x非常适合此类应用。
ADA4096-x的特点可以浓缩为几个关键词:32V、RRIO、精密、μPower以及过压保护(OVP)。其内部输入过压保护,最多可以超出供电轨±32V,放大器都不会损坏。此特性对存在电源时序控制问题的应用特别重要,该问题可导致信号源在放大器上电之前加入。
放大器过压保护有不同的方案,其中最为简单的就是内置静态放电(ESD)保护,很多基本的二极管保护电路都采用此方法,但是强壮型较差。此外,差分二极管以及外部二极管保护,由于成本较低也被广泛使用,但存在本身的漏电流和寄生电容对放大器产生影响等问题。
表1:各种内部和外部OVP解决方案对比
从表1中ADI OVP解决方案的电路图中可以看出,ADA4092-x有两个不同的ESD电路,用于增强其过压保护功能。其中一个电路是一个5kΩ的串联电阻,连接至内部输入端和从内部输入端到供电轨的二极管(D1和D2;D5和D6)。另一个保护电路为连接至供电轨的两个DIAC(D3和D4;D7和D8),DIAC可以看作是带传递特性的双向齐纳二极管。对于最差条件设计分析,可考虑两种情况:从内部运算放大器输入端到供电轨,ADA4092-x采用正常的ESD结构;从外部输入端到供电轨,则采用42 V DIAC。
除上述集成式OVP解决方案外,ADA4096-x还具有轨到轨输入/输出摆幅的特性。此外,该产品功耗很低,每个运算放大器的典型值只有60μA,只要保证在其电压工作范围3V至30V之间,这也使得它非常适合于电池供电或监控电池供电情况。其单位增益带宽为800kHz(Vsy = ±15V时的典型值),会随着电压下降而有所降低。低失调电压的典型值也只有35μV。与同类产品相比,ADA4096-x具有竞争产品的2倍带宽、1/2 Vos、1/3TcVos及1/2Vn。该器件提供业内最高水平的过压保护,可以在要求严苛的工业与仪器仪表应用中稳定工作。
图4:连接到SDP板的EVAL-CN0241-SDPZ评估板
图4为ADI公司针对ADA4096-x输入过压保护的高端电流检测实验。
具有灵活滤波器选项的24位Σ-Δ型ADC
在工业应用中,当测量来自热电偶、应变计以及桥式压力传感器的低电平信号时,通常需要差分输入信号,以抑制来自电机、交流电力线,或其他的噪声源(这些噪声源将噪声引入模数转换器的模拟输入端)的共模干扰信号。
对于输入模块而言,Σ-Δ型ADC是最受欢迎的选择,因为它们能提供高精度及分辨率。此外,其内置的可编程增益放大器(PFG)可以精确测量小的输入信号。AD7176-2是ADI今年最新发布的24位Σ-Δ型ADC,在其内部滤波器设计方面,采用了最新的方法和思路。
图5:AD7176数字滤波器功能框图
如图5所示,AD7176-2有三个灵活的滤波器选项,支持对噪声、建立时间和抑制性能进行优化。最新的Sinc5+Sinc1滤波器部分,主要用于快速切换多路复用应用,可实现建立时间最快的快速通道切换,使通道扫描速率达到最大。Sinc5模块输出固定在250kSPS的最大速率,Sinc1模块的输出数据速率可变,从而控制最终ADC输出数据速率。
Sinc3滤波器在较低速率时可实现最佳单通道噪声性能,因此最适合单通道应用,可以使单通道、低速应用的分辨率达到最高。
增强型50 Hz和60 Hz抑制滤波器,旨在提供50 Hz和60 Hz同时抑制,并且允许以牺牲通道开关速率的代价换取抑制性能。这些滤波器是市面上最快的50 Hz/60 Hz抑制产品,可以最高27.27SPS的速率工作,或者可以抑制最高90 dB的50 Hz ± 1 Hz和60 Hz ± 1 Hz干扰。这些滤波器是通过对Sinc5 + Sinc1滤波器输出进行后滤波实现的。因此,使用增强型滤波器时,必须选择Sinc5 + Sinc1滤波器。
AD7176-2的可编程功能通过SPI串行接口执行,具有校验和模式,可用来提高接口的鲁棒性。CRC校验和在读写操作下都可工作,除了能够有效防止SPI通信错误外,还可以在内部对ADC配置进行校验,从而增强其稳定性。
这里值得一提的是:AD7176-2前端集成交叉点多路复用器,可以通过选择不同输入引脚来配置伪差分或全差分输入对,从而将任何模拟输入组合作为要转换的输入信号,并将其路由至调制器正或负输入。这样一来,AD7176-2就可以实现通道间的差分,从而大大提高其灵活性,这也是AD717x系列优于较早前的AD719x和AD779x产品的一个地方。
除此之外,AD7176-2还包括很多其他的优势:可以灵活设置输出速率,最高速率可高达250KSPS;在最高速率下,拥有17.2位的无噪声分辨率;最大通道扫描数据速率为50kSPS,建立时间为20μs,而且在此扫描速率下,仍可以得到17位无噪声分辨率;INL仅为全量程的2.5ppm;内部集成2.5V基准和振荡器,减少了外部元件数;系统失调和增益误差,可针对各个通道进行校正,这种各通道可配置能力,适用于每一通道所用的滤波器类型和输出数据速率。
ADI采用AD7176-2设计了一款实验室电路——CN0310,用于工业级信号的24位、250kSPSΣ-Δ ADC系统,为工业级信号采集提供了快速、高精度的转换结果,具体的设计资源,可以在ADI的官网上获取(详情参考:http://www.analog.com/cn0310)。AD7176-2同时还提供了评估板套件,用户只需通过PC上的评估板软件,即可直接控制AD7176-2,评估板需要与SDP系统验证平台联合使用。
图6:CN0310——用于工业信号电平的精密24位、250 kSPS,单电源∑-△型ADC系统
除上述介绍的产品和解决方案外,ADI针对PLC/DCS应用最新推出了一些产品参考设计,其中包括适用于电压、电流、温度(热电偶+RTD)输入的隔离式单通道通用模拟输入模块CN0325,以及支持HART且适合通道间隔离系统的单通道模拟输出演示板CN0321。两款演示板均以面世,用户可通过www.analog.com/DC13-hardware查询具体价格信息。
PLC 电路 ADI 电阻 电容 电流 自动化 DAC 放大器 电压 ADC 开关电源 LDO 滤波器 运算放大器 二极管 电路图 传感器 振荡器 相关文章:
- 家居安防无线监控报警系统(04-02)
- 提高实时系统数据采集质量的研究(04-09)
- 基于MSP430及PROFIBUS的监测子站设计(06-12)
- LED开始成为街道照明应用的最佳选择(07-13)
- 一种变频调速系统的SVPWM控制设计(02-03)
- 智能路灯控制系统设计与应用研究(03-24)
