CY3280-22x45:通用CapSense控制器开发方案
时间:05-10
来源:互联网
点击:
Cypress公司的CY3280-22x45汽车级PSoC 可编程片上系统。包含多个可配置的模拟和数字逻辑模块,以及可编程互连。PSoC 采用功能强大的哈佛架构处理器,M8C处理器速度高达24MHz,8×8乘法器,32位累加器,可使用户能够根据每个应用的要求,来创建定制的外设配置,具有广泛的应用。
PSoC可编程片上系统系列产品包含许多器件。 这些器件旨在使用一个低成本的单芯片可编程组件取代多个基于MCU的传统系统组件。 PSoC器件包含多个可配置的模拟和数字逻辑模块,以及可编程互连。这种架构使得用户能够根据每个应用的要求,来创建定制的外设配置。此外,在一系列方便易用的引脚布局和封装中还包含快速 CPU、闪速程序存储器、SRAM 数据存储器和可配置的 I/O。
图1 CY3280-22x45方框图
CY3280-22x45主要特性
•符合汽车电子设备委员会 (AEC) Q100认证
•强大的硬件架构处理器
– M8C处理器,速度最高达24 MHz
– 8×8乘数,32位加法器
–高速度下的低功耗
–自动A级: 3.0 V~5.25 V工作电压,–40 ℃~+85 ℃的工作温度范围
–自动E级: 4.75 V~5.25 V工作电压,–40 ℃~+85 ℃的工作温度范围
•先进的外设 (PSoC模块)
–六个模拟类 ‘E’ PSoC模块提供了:最多四个比较器,具有数模转器(DAC)参考最高10位的单或双模数转器(ADC)
最高8个数字 PSoC模块提供了:
8位~32位计时器,计数器和脉宽调制器 (PWM)
计时器和PWM中的单冲和多冲模式
在一个数字模式中具有无感带的PWM
位移寄存器,循环冗余校验(CRC)和伪随机系列(PRS)模块
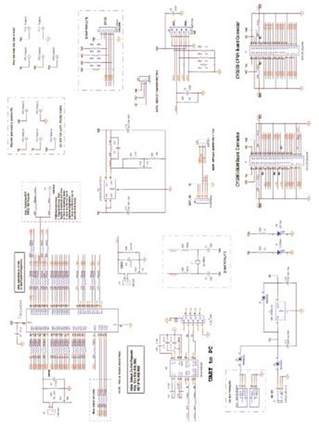
图2 CapSense控制器开发板电路图
全双工或半双工UART
SPI主模式或从模式,可采用8位至12位数据长度
可连接到所有的通用I/O(GPIO)引脚
–整合了模块的复杂外设
–强大的同支持功能和模拟模块操作功能可以通过数字模块或外部信号进行行同步
•高速 10位逐次接近寄存器(SAR)ADC,具有采样保持功能,适合用于嵌入式控制
•高精度,可编程的时钟计时
–最高 24MHz的内部振荡器
–高精度24MHz,带有可选的32kHz晶体和相位锁定环(PLL)
–可选的外部振荡器,最高达24MHz
–可实现看门狗和休眠功能的内部低速、低功耗振荡器
•灵活的片上存储器
–最高16kB的闪存程序存储,1000次擦/写循环
–最高1kB SRAM的数据存储
–在系统串行编程(ISSP)
–部分闪存更新
–灵活的保护模式
–闪存中的EEPROM仿真
•优化的CapSense资源
–支持两个带有同步扫描功能的CapSense通道
–在固件中的两个同步DAC提供可编程的感应器调谐
–针对CapSense特性的两个门用时钟资源
图3 CapSense控制器开发板外形图
CY3280-22x45开发套件
CY3280-22X45系列PSoC包括下列器件:CY8C21345-24SXI、CY8C22345-24SXI和CY8C22545-24AXI。56引脚OCD部件组装在CY3280-22X45通用apSense控制器板上。这一部件只用于在电路调试的情况。
CY8C22X45的CapSense特性可以通过CY3280-SLM通用CapSense线性滑动模块来执行。两个板通过一个44引脚连接器进行连接。CY3280-22X45的其它特性可以通过CY3280-CPM1通用CapSense Plus控制器模块来实现。两个板通一个40引脚的连接器来连接。CY3280-SLM通用CapSense线性滑动模块和CY3280-CPM1通用CapSense Plus控制器模块可以同时由CY3280-22X45通用CapSens控制器板进行连接。
通用CapSense控制器板
CapSense控制器开发套件包括:
• CY3280-22X45通用 CapSense控制器板
•印刷文件
• CY3280-22X45通用CapSense控制器板CD
• CY3240-I2CUSB板
• CY3210-MiniProg编程器
详情请见:
http://www.eechina.com/thread-87228-1-1.html
来源:网络
PSoC可编程片上系统系列产品包含许多器件。 这些器件旨在使用一个低成本的单芯片可编程组件取代多个基于MCU的传统系统组件。 PSoC器件包含多个可配置的模拟和数字逻辑模块,以及可编程互连。这种架构使得用户能够根据每个应用的要求,来创建定制的外设配置。此外,在一系列方便易用的引脚布局和封装中还包含快速 CPU、闪速程序存储器、SRAM 数据存储器和可配置的 I/O。
图1 CY3280-22x45方框图
CY3280-22x45主要特性
•符合汽车电子设备委员会 (AEC) Q100认证
•强大的硬件架构处理器
– M8C处理器,速度最高达24 MHz
– 8×8乘数,32位加法器
–高速度下的低功耗
–自动A级: 3.0 V~5.25 V工作电压,–40 ℃~+85 ℃的工作温度范围
–自动E级: 4.75 V~5.25 V工作电压,–40 ℃~+85 ℃的工作温度范围
•先进的外设 (PSoC模块)
–六个模拟类 ‘E’ PSoC模块提供了:最多四个比较器,具有数模转器(DAC)参考最高10位的单或双模数转器(ADC)
最高8个数字 PSoC模块提供了:
8位~32位计时器,计数器和脉宽调制器 (PWM)
计时器和PWM中的单冲和多冲模式
在一个数字模式中具有无感带的PWM
位移寄存器,循环冗余校验(CRC)和伪随机系列(PRS)模块
图2 CapSense控制器开发板电路图
全双工或半双工UART
SPI主模式或从模式,可采用8位至12位数据长度
可连接到所有的通用I/O(GPIO)引脚
–整合了模块的复杂外设
–强大的同支持功能和模拟模块操作功能可以通过数字模块或外部信号进行行同步
•高速 10位逐次接近寄存器(SAR)ADC,具有采样保持功能,适合用于嵌入式控制
•高精度,可编程的时钟计时
–最高 24MHz的内部振荡器
–高精度24MHz,带有可选的32kHz晶体和相位锁定环(PLL)
–可选的外部振荡器,最高达24MHz
–可实现看门狗和休眠功能的内部低速、低功耗振荡器
•灵活的片上存储器
–最高16kB的闪存程序存储,1000次擦/写循环
–最高1kB SRAM的数据存储
–在系统串行编程(ISSP)
–部分闪存更新
–灵活的保护模式
–闪存中的EEPROM仿真
•优化的CapSense资源
–支持两个带有同步扫描功能的CapSense通道
–在固件中的两个同步DAC提供可编程的感应器调谐
–针对CapSense特性的两个门用时钟资源
图3 CapSense控制器开发板外形图
CY3280-22x45开发套件
CY3280-22X45系列PSoC包括下列器件:CY8C21345-24SXI、CY8C22345-24SXI和CY8C22545-24AXI。56引脚OCD部件组装在CY3280-22X45通用apSense控制器板上。这一部件只用于在电路调试的情况。
CY8C22X45的CapSense特性可以通过CY3280-SLM通用CapSense线性滑动模块来执行。两个板通过一个44引脚连接器进行连接。CY3280-22X45的其它特性可以通过CY3280-CPM1通用CapSense Plus控制器模块来实现。两个板通一个40引脚的连接器来连接。CY3280-SLM通用CapSense线性滑动模块和CY3280-CPM1通用CapSense Plus控制器模块可以同时由CY3280-22X45通用CapSens控制器板进行连接。
通用CapSense控制器板
CapSense控制器开发套件包括:
• CY3280-22X45通用 CapSense控制器板
•印刷文件
• CY3280-22X45通用CapSense控制器板CD
• CY3240-I2CUSB板
• CY3210-MiniProg编程器
详情请见:
http://www.eechina.com/thread-87228-1-1.html
来源:网络
Cypress SoC PSoC MCU 汽车电子 电压 比较器 DAC ADC PWM 电路图 嵌入式 振荡器 看门狗 仿真 电路 连接器 USB 相关文章:
- 基于FPGA和USB2.0的高速数据采集系统(01-13)
- EZ-USB FX2的数据采集和传输系统设计(02-26)
- 基于USB2.0技术的高速双路数据采集系统(03-07)
- EZ-USB接口设备的软配置技术(04-04)
- 优化光伏系统(06-13)
- 嵌入式智能化传感器的设计(07-22)
