优化光伏系统
时间:06-13
来源:互联网
点击:
太阳能作为一个可再生能源正在持续发展,对其的持续关注促进了太阳能板的价格降低和效率提升。同时,逆变器、充电器和能量优化器之类的平衡系统(BOS)器件已经取得了重大进展。本文将介绍影响太阳能BOS效能的新架构和元件。
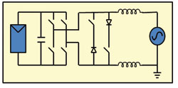
无变压器的DC/AC逆变器在欧洲广泛应用,但是在美国,这种产品只是最近才在某些地区被使用。无变压器的逆变器拓扑结构有很多种,而 Fraunhofer研究所开发的HERIC拓扑表现出了很高的效率。传统的全桥逆变器的结构如图1所示,HERIC拓扑如图2所示,此图中还显示了两种新的开关/二极管对。这种拓扑利用独有的续流路径来减小开关和导通损耗,使效率提升到98%以上。
图1 用在无变压器逆变器上的全H桥
图2 用在无变压器逆变器上的HERIC拓扑
无变压器逆变器的优势
无变压器逆变器有几种优势。传统逆变器的变压器级,要提供电流隔离,因此重量大、价格高且损耗大。即使是带有超小变压器的高频逆变器也有很大的能量损耗,最高能到1%~2%。在持续减少光伏系统安装费用的过程中,每一小份能量都很关键。因此,向无变压器逆变器的过渡会继续。
无变压器逆变器的缺点
无变压器逆变器也有一些缺点。如前文所说,这种逆变器不包含由变压器提供的电流隔离,这是一个很重要的安全隐患。然而,集成了完整的安全机制,例如隔离电阻测试和残余电流检测,会使得无变压器逆变器如同变压器一样安全。此外,有证据表明这种逆变器的接地问题会导致薄膜面板,尤其是一些CIGS太阳能面板受到永久的伤害。
逆变器拓扑中常见的是H桥中的开关。如像上文所提,逆变器设计正朝着以越来越高的功率来减少电感/电容和变压器的体积和成本方向发展。高压 /高频开关在太阳能逆变器中是必需的。但是,在高压/高频条件下运行MOSFET会导致严重的传导损失。IGBT经常被使用是因为它们的传导损失比 MOSFET要低。然而,它们会在关断期间会产生尾电流——增加了开关损耗。
ESBT
ST公司的射极开关式双极型二极管(ESBT)提供了很好的解决方案。如图3所示,ESBT的共基极放大器结构中包含了一个高压 BJT和一个功率MOSFET,整个器件有非常低的导通电压降。
图3 带MOSFET驱动器的ESBT
当一个ESBT同外置MOSFET和二极管/电阻配对的时候,整个电路看起来像一个3端器件,经驱动后能达类似IGBT或功率MOSFET 的工作状态。ESBT的关断能量比IGBT低很多,能实现高效设计,并非常适合高频率、高压逆变器设计。
传统结构的屋顶太阳能系统安装过程也在减少BOS成本,并提高性能。在这种结构中,太阳能板以串联/并联阵列形式连接在一起,对阴影和错配非常敏感。举例来说,如果一个串行阵列中的面板,其性能受阴影或尘土的影响,整串的输出就会受到严重的影响。对这个问题的一个解决方案就是在面板或串联级增加一个DC/DC变换器和一个极大的功率点追踪器。
优化
面板级的能量优化是一个非常重要的能量转换和控制任务。这些功能要优化太阳能面板采集的能量,然后转换为连续的电压或电流,同时将工作状态发送至中央控制器。这需要一个微控制器或状态机、模拟感应电路、DC/DC电流转换,以及有线或无线通信。
这些具体功能都是易于理解的,并适合集成在一个模块中。这样做能提供成本、可靠性和性能优势。优化的MPPT输出可增加系统的性能,并导致效率增加,有助于降低系统成本。
一个典型的MPPT集成方案就是ST公司的SPV1020。它包含了一个集成式升压变换器,一个MPPT有线状态机,模拟感应电路和一个 PLM。变换器使用了一个高频率交错结构,可接纳更小的电感和电容。这个高集成度的方案将在2010年晚些时候推出。
太阳能适合大部分的工业应用,如离网的太阳能供电路灯、标识、碰撞指示灯、安全系统、数据获取和远程通信。通常情况,在电网不能接入的地方会使用太阳能。然而,在这些地方,太阳能的使用会因为成本因素而受限。不过,同屋顶的太阳能一样,离网的工业太阳能供电系统会随着成本和效率方面的改进而增加应用。
离网发电系统需要很大的能量采集器,尤其是电池。这些电路需要安全和高效的充电,以不断完善完备性和集成性。例如,Cypress半导体推出了使用PowerPSoC处理器的集成太阳充电器参考设计。它用12V太阳能板供电,来慢充12V铅酸电池,这个参考设计包括了MPPT优化和一个铅酸电池充电器。
该产品的架构使用了一个电流控制的降压整流器来进行MPPT和电池充电(见图4)。嵌入在PowerPSoC中的MPPT和电池充电器使用了电压和电流回馈,使面板工作在峰值功率,通过控制降压控制器的开关来使面板工作在峰值功率中。
图4 MPPT/充电器控制器结构框图
在另一个实例中,ST微电子开发了一个高度集成的HBLED太阳能MPPT充电器/驱动器。这个全集成的方案带有MPPT优化的电池充电器和集成的HBLED驱动器。这个产品将在2010年晚期发布,非常适合于HBLED街灯照明应用。
作者:Avnet公司 Heather Robertso
无变压器的DC/AC逆变器在欧洲广泛应用,但是在美国,这种产品只是最近才在某些地区被使用。无变压器的逆变器拓扑结构有很多种,而 Fraunhofer研究所开发的HERIC拓扑表现出了很高的效率。传统的全桥逆变器的结构如图1所示,HERIC拓扑如图2所示,此图中还显示了两种新的开关/二极管对。这种拓扑利用独有的续流路径来减小开关和导通损耗,使效率提升到98%以上。
图1 用在无变压器逆变器上的全H桥
图2 用在无变压器逆变器上的HERIC拓扑
无变压器逆变器的优势
无变压器逆变器有几种优势。传统逆变器的变压器级,要提供电流隔离,因此重量大、价格高且损耗大。即使是带有超小变压器的高频逆变器也有很大的能量损耗,最高能到1%~2%。在持续减少光伏系统安装费用的过程中,每一小份能量都很关键。因此,向无变压器逆变器的过渡会继续。
无变压器逆变器的缺点
无变压器逆变器也有一些缺点。如前文所说,这种逆变器不包含由变压器提供的电流隔离,这是一个很重要的安全隐患。然而,集成了完整的安全机制,例如隔离电阻测试和残余电流检测,会使得无变压器逆变器如同变压器一样安全。此外,有证据表明这种逆变器的接地问题会导致薄膜面板,尤其是一些CIGS太阳能面板受到永久的伤害。
逆变器拓扑中常见的是H桥中的开关。如像上文所提,逆变器设计正朝着以越来越高的功率来减少电感/电容和变压器的体积和成本方向发展。高压 /高频开关在太阳能逆变器中是必需的。但是,在高压/高频条件下运行MOSFET会导致严重的传导损失。IGBT经常被使用是因为它们的传导损失比 MOSFET要低。然而,它们会在关断期间会产生尾电流——增加了开关损耗。
ESBT
ST公司的射极开关式双极型二极管(ESBT)提供了很好的解决方案。如图3所示,ESBT的共基极放大器结构中包含了一个高压 BJT和一个功率MOSFET,整个器件有非常低的导通电压降。
图3 带MOSFET驱动器的ESBT
当一个ESBT同外置MOSFET和二极管/电阻配对的时候,整个电路看起来像一个3端器件,经驱动后能达类似IGBT或功率MOSFET 的工作状态。ESBT的关断能量比IGBT低很多,能实现高效设计,并非常适合高频率、高压逆变器设计。
传统结构的屋顶太阳能系统安装过程也在减少BOS成本,并提高性能。在这种结构中,太阳能板以串联/并联阵列形式连接在一起,对阴影和错配非常敏感。举例来说,如果一个串行阵列中的面板,其性能受阴影或尘土的影响,整串的输出就会受到严重的影响。对这个问题的一个解决方案就是在面板或串联级增加一个DC/DC变换器和一个极大的功率点追踪器。
优化
面板级的能量优化是一个非常重要的能量转换和控制任务。这些功能要优化太阳能面板采集的能量,然后转换为连续的电压或电流,同时将工作状态发送至中央控制器。这需要一个微控制器或状态机、模拟感应电路、DC/DC电流转换,以及有线或无线通信。
这些具体功能都是易于理解的,并适合集成在一个模块中。这样做能提供成本、可靠性和性能优势。优化的MPPT输出可增加系统的性能,并导致效率增加,有助于降低系统成本。
一个典型的MPPT集成方案就是ST公司的SPV1020。它包含了一个集成式升压变换器,一个MPPT有线状态机,模拟感应电路和一个 PLM。变换器使用了一个高频率交错结构,可接纳更小的电感和电容。这个高集成度的方案将在2010年晚些时候推出。
太阳能适合大部分的工业应用,如离网的太阳能供电路灯、标识、碰撞指示灯、安全系统、数据获取和远程通信。通常情况,在电网不能接入的地方会使用太阳能。然而,在这些地方,太阳能的使用会因为成本因素而受限。不过,同屋顶的太阳能一样,离网的工业太阳能供电系统会随着成本和效率方面的改进而增加应用。
离网发电系统需要很大的能量采集器,尤其是电池。这些电路需要安全和高效的充电,以不断完善完备性和集成性。例如,Cypress半导体推出了使用PowerPSoC处理器的集成太阳充电器参考设计。它用12V太阳能板供电,来慢充12V铅酸电池,这个参考设计包括了MPPT优化和一个铅酸电池充电器。
该产品的架构使用了一个电流控制的降压整流器来进行MPPT和电池充电(见图4)。嵌入在PowerPSoC中的MPPT和电池充电器使用了电压和电流回馈,使面板工作在峰值功率,通过控制降压控制器的开关来使面板工作在峰值功率中。
图4 MPPT/充电器控制器结构框图
在另一个实例中,ST微电子开发了一个高度集成的HBLED太阳能MPPT充电器/驱动器。这个全集成的方案带有MPPT优化的电池充电器和集成的HBLED驱动器。这个产品将在2010年晚期发布,非常适合于HBLED街灯照明应用。
作者:Avnet公司 Heather Robertso
逆变器 变压器 二极管 电流 电阻 电感 电容 MOSFET IGBT 放大器 电压 电路 Cypress 半导体 SoC PSoC 电子 LED 相关文章:
- 基于DSP的工业缝纫机控制系统设计(09-23)
- 高效的500W太阳能逆变器设计(12-22)
- 直面风力发电设计挑战(12-22)
- 一种变频调速系统的SVPWM控制设计(02-03)
- 基于FPGA的SPWM变频系统设计(03-05)
- 永磁同步直线电机硬件在环实时仿真平台(05-11)
