PLC 数字量输入模块电路的形式
时间:04-01
来源:互联网
点击:
图8 NPN集电极开路输出 图9 PNP集电极开路输出
从图8和图9可以看出,NPN集电极开路输出电路的输出OUT端通过开关管和0V连接,当传感器动作时,开关管饱和导通,OUT端和0V相通,输出0V低电平信号;PNP集电极开路输出电路的输出OUT端通过开关管和+V连接,当传感器动作时,开关管饱和导通,OUT端和+V相通,输出+V高电平信号。
3.2 NPN和PNP输出电路和PLC输入模块的连接
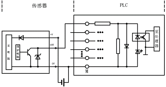
3.2.1 NPN集电极开路输出
由以上分析可知,NPN集电极开路输出为0V,当输出OUT端和PLC输入相连时,电流从PLC的输入端流出,从PLC的公共端流入,此即为PLC的漏型电路的形式,即:NPN集电极开路输出只能接漏型或混合式输入电路形式的PLC,连接图如图10所示:
图10 NPN集电极开路输出和PLC的连接
3.2.2 PNP集电极开路输出
PNP集电极开路输出为+V高电平,当输出OUT端和PLC输入相连时,电流从PLC的输入端流入,从PLC的公共端流出,此即为PLC的源型电路的形式,即:PNP集电极开路输出只能接源型或混合型输入电路形式的PLC,连接图如图11所示:
图11 PNP集电极开路输出和PLC的连接
4 结束语
正是由于PLC输入模块电路形式和外接传感器输出信号的多样性,我们在PLC输入模块接线前要充分了解PLC输入电路的类型和传感器输出信号的形式,只有这样,才能确保PLC输入模块接线正确无误,为后续的PLC编程和调试工作打下一个良好的基础。
来源:网络
PLC 电路 电压 电流 二极管 发光二极管 三极管 电阻 电容 传感器 相关文章:
- 家居安防无线监控报警系统(04-02)
- 提高实时系统数据采集质量的研究(04-09)
- 基于MSP430及PROFIBUS的监测子站设计(06-12)
- LED开始成为街道照明应用的最佳选择(07-13)
- 一种变频调速系统的SVPWM控制设计(02-03)
- 智能路灯控制系统设计与应用研究(03-24)
