基于ATmega128的16路遥控单元设计及应用
时间:02-10
来源:互联网
点击:
性能 | 指 |
输出回路 | 16路继电器输出(脉冲或保持方式) |
输出容量 | AC 5A/220V或DC 5A/30V |
总线方式 | 二线制半双工RS485(ModBus—RTU)建议采用三芯屏蔽线 |
总线容量 | ≤32 |
操控准确率 | 100% |
事件顺序记录(SOE)容量 | 1600组 |
外壳防护等级 | IP20 |
电源 | DC24V或AC/DC200V |
电源功耗 | <5W |
4 应用案例
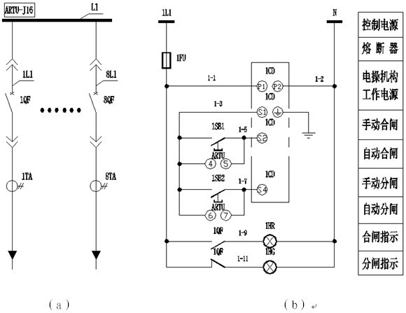
以某配电系统为例,1台ARTU-J16控制8路低压馈线,CM1断路器配电动机操作机构,一次方案见图8(a),控制方式见图8(b)。启停按钮现场手动控制各回路断路器的合、分闸,遥控单元通过通讯接口集中控制8路断路器的工作状态,实现断路器就地与远程两地控制的工作模式。

图8
5 结束语
ARTU-J16遥控单元于2007年12月在国家继电保护及自动化设备质量监督检验中心测试,符合相关标准要求。该产品已在某油田供水供电公司、苏州某税务大厦、内蒙某煤矿等工程配电监控系统中得到应用,降低了投资成本,产生了较好的社会和经济效益。
自动化 PLC 总线 继电器 GPS 电路 看门狗 电源模块 单片机 MIPS 电阻 振荡器 电源管理 二极管 电流 开关电源 电动机 相关文章:
- 基于ARM与DSP的嵌入式运动控制器设计(04-25)
- 多核及虚拟化技术在工业和安全领域的应用(05-23)
- 基于nRF2401智能小区无线抄表系统集中器设计(04-30)
- 解密波音747飞机中的Sperry垂直陀螺仪(05-06)
- lns构架智能小区安防及关键技术应用研究(06-09)
- 基于MSP430及PROFIBUS的监测子站设计(06-12)
