关于IGBT保护电路设计必知问题
时间:10-18
来源:互联网
点击:
图4 吸收回路
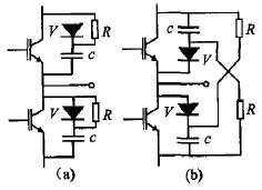
除了上述减少c、e之间的过电压之外,为防止栅极电荷积累、栅源电压出现尖峰损坏IGBT,可在g、e之间设置一些保护元件,电路如图5所示。电阻R的作用是使栅极积累电荷泄放,其阻值可取4.7kΩ;两个反向串联的稳压二极管V1、V2。是为了防止栅源电压尖峰损坏IGBT。
图5 防栅极电荷积累与栅源电压尖峰的保护
4 过热保护IGBT 的损耗功率主要包括开关损耗和导通损耗,前者随开关频率的增高而增大,占整个损耗的主要部分;后者是IGBT控制的平均电流与电源电压的乘积。由于IGBT是大功率半导体器件,损耗功率使其发热较多(尤其是Rg选择偏大时),加之IGBT的结温不能超过125℃,不宜长期工作在较高温度下,因此要采取恰当的散热措施进行过热保护。
散热一般是采用散热器(包括普通散热器与热管散热器),并可进行强迫风冷。散热器的结构设计应满足:Tj=P△(Rjc+Rcs+Rsa)《Tjm 式中Tj-IGBT的工作结温
P△-损耗功率
Rjc-结-壳热阻vkZ电子资料网
Rcs-壳-散热器热阻
Rsa-散热器-环境热阻
Tjm-IGBT的最高结温
在实际工作中,我们采用普通散热器与强迫风冷相结合的措施,并在散热器上安装温度开关。当温度达到75℃~80℃时,通过SG3525的关闭信号停止PMW 发送控制信号,从而使驱动器封锁IGBT的开关输出,并予以关断保护。
其它内容参见:IGBT 系统设计攻略
IGBT 电力电子 电压 电流 电阻 电路 二极管 传感器 集成电路 电感 电容 半导体 电子 相关文章:
- 基于DSP的工业缝纫机控制系统设计(09-23)
- 高效的500W太阳能逆变器设计(12-22)
- 直面风力发电设计挑战(12-22)
- 低压配电系统中的静止无功发生器设计(03-26)
- 永磁同步直线电机硬件在环实时仿真平台(05-11)
- 单电源供电IGBT驱动电路铁路辅助电源系统(06-11)
