超声波测距仪的制作
时间:09-15
来源:互联网
点击:
这里介绍一款国外的不使用单片机的超声波测距仪。本超声波测距仪通过测量超声波发射到反射回来的时间差来测量与被测物体的距离。可以测量0.35-10m的距离。实物图如下:

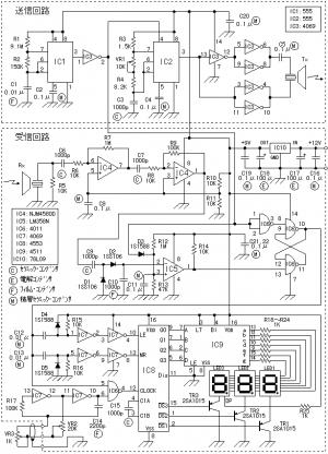
原理图如下:

一、电路原理
1 超声波发射电路
由两块555集成电路组成。IC1(555)组成超声波脉冲信号发生器,工作周期计算公式如下,实际电路中由于元器件等误差,会有一些差别。

条件: RA =9.1MΩ、 RB=150KΩ、 C=0.01μF
TL = 0.69 x RB x C
= 0.69 x 150 x 103 x 0.01 x 10-6= 1 msec
TH = 0.69 x (RA + RB) x C
= 0.69 x 9250 x 103 x 0.01 x 10-6= 64 msec
IC2组成超声波载波信号发生器。由IC1输出的脉冲信号控制,输出1ms频率40kHz,占空比50%的脉冲,停止64ms。计算公式如下:

条件: RA =1.5KΩ、 RB=15KΩ、 C=1000pF
TL = 0.69 x RB x C
= 0.69 x 15 x 103 x 1000 x 10-12= 10μsec
TH = 0.69 x (RA + RB) x C
= 0.69 x 16.5 x 103 x 1000 x 10-12= 11μsec
f = 1/(TL + TH)
= 1/((10.35 + 11.39) x 10-6)= 46.0 KHz
IC3(CD4069)组成超声波发射头驱动电路。

2 超声波接收电路

超声波接收头和IC4组成超声波信号的检测和放大。反射回来的超声波信号经IC4的2级放大1000倍(60dB),第1级放大100倍(40dB),第2级放大10倍(20dB)。 由于一般的运算放大器需要正、负对称电源,而该装置电源用的是单电源(9V)供电,为保证其可靠工作,这里用R10和R11进行分压,这时在IC4的同相端有4.5V的中点电压,这样可以保证放大的交流信号的质量,不至于产生信号失真。

C9、D1、D2、C10组成的倍压检波电路取出反射回来的检测脉冲信号送至IC5进行处理。
IC5、IC6、IC7、IC8、IC9组成信号比较、测量、计数和显示电路,即比较和测量从发出的检测脉冲和该脉冲被反射回来的时间差。它是超声波测距电路的核心,下面分析其工作原理。

由Ra、Rb、IC5组成信号比较器。其中
Vrf = (Rb x Vcc)/(Ra + Rb)= (47KΩ x 9V)/(1MΩ + 47KΩ)= 0.4V
所以当A点(IC5的反相端)过来的脉冲信号电压高于0.4V时,B点电压将由高电平"1"到低电平"0"。同时注意到在IC5的同相端接有电容C11和二极管D3,这是用来防止误检测而设置的。在实际测量时,在测距仪的周围会有部分发出的超声波直接进入接收头而形成误检测。为避免这种情况发生,这里用D3直接引入检测脉冲来适当提高IC5比较器的门限转换电压,并且这个电压由C11保持一段时间,这样在超声波发射器发出检测脉冲时,由于D3的作用使IC5的门限转换电压也随之被提高,并且由于C11的放电保持作用,可防止这时由于检测脉冲自身的干扰而形成的误检测。由以上可知,当测量距离小到一定程度时,由于D3及C11的防误检测作用,其近距离测量会受到影响。图示参数的最小测量距离在40cm左右。减小C11的容量,在环境温度为20 时可做到30cm测量最短距离。此时其放电时间为1.75ms。

IC6组成R-S触发器构成时间测量电路。可以看出,在发出检测脉冲时(A端为高电平),D端输出高电平,当收到反射回来的检测脉冲时,C端由高变低,此时D端变为低电平,故输出端D的高电平时间即为测试脉冲往返时间。

计数和显示电路由IC6、IC7、IC8、IC9组成,IC7组成计数电路脉冲发生器,原理图如下。

其工作频率f = 1/(2.2 x C x R)。电路频率设计在17.2kHz左右。这个频率是根据声波在环境温度为20℃ 时的传播速度为343.5m/s确定的。我们知道在不同的环境温度下,声波的传播速度会有所改变,其关系为v=331.5+0.6×t,其中v的单位为m/s,t为环境温度,单位为℃。
有关计算如下:
测量距离为1m的物体时,声波的往返时间为:2m/343.5(m/s)=5.82ms。这时计数器显示应为100,即1m,此时计数电路脉冲发生器的频率f=100/(5.82×10-3)=17.18(kHz)。如电容C(即C14)为2200pF,此时电阻
R = 1/(2.2 x C x f)= 1/(2.2 x 2200 x 10-12 x 17.18 x 103)= 12KΩ
由于在不同的环境温度下,声波的传播速度会不同,为适应不同环境温度下测量的需要,我们要求电阻R具有一定的调节范围,这里用VR2,VR3进行调节,其中VR2为粗调电阻,VR3为精调电阻。同样我们可以算出在不同温度下的计数脉冲频率值,如:温度为46.5℃ 时,
f = 1/(2.2 x C x R)= 1/(2.2 x 2200 x 10-12 x 11.5 x 103)=17.97KHz
环境温度为1.5 ℃时f = 1/(2.2 x C x R)) = 1/(2.2 x 2200 x 10-12 x 12.5 x 103)= 16.53KHz
实际上,在不同环境温度下时,我们只要测试标准距离1m,调节计数电路脉冲发生器的频率(VR2和VR3),使其显示为100即可。

这里简单介绍一下计数器的清零及数据锁存过程。A点波形即表现测试脉冲往返的时间,当A点电位由低变高时,由于C1电压不能突变,故B点会产生一个复位脉冲信号使计数器清零,同时IC6内与非门被打开,IC8开始通过CLOCK脚计数;同样当A点电位由高变低时,由于C2电压不能突变,故C点会产生一个锁存脉冲信号使计数器数据被锁存,同时IC6的有关与非门被关闭,IC8开始停止计数,完成计数过程。

C15用于控制显示部分的刷新频率,当C15为1000pF时,刷新频率为1100Hz,由IC9、LED1-LED3、TR1-TR3组成显示电路。

原理图如下:

一、电路原理
1 超声波发射电路
由两块555集成电路组成。IC1(555)组成超声波脉冲信号发生器,工作周期计算公式如下,实际电路中由于元器件等误差,会有一些差别。

条件: RA =9.1MΩ、 RB=150KΩ、 C=0.01μF
TL = 0.69 x RB x C
= 0.69 x 150 x 103 x 0.01 x 10-6= 1 msec
TH = 0.69 x (RA + RB) x C
= 0.69 x 9250 x 103 x 0.01 x 10-6= 64 msec
IC2组成超声波载波信号发生器。由IC1输出的脉冲信号控制,输出1ms频率40kHz,占空比50%的脉冲,停止64ms。计算公式如下:

条件: RA =1.5KΩ、 RB=15KΩ、 C=1000pF
TL = 0.69 x RB x C
= 0.69 x 15 x 103 x 1000 x 10-12= 10μsec
TH = 0.69 x (RA + RB) x C
= 0.69 x 16.5 x 103 x 1000 x 10-12= 11μsec
f = 1/(TL + TH)
= 1/((10.35 + 11.39) x 10-6)= 46.0 KHz
IC3(CD4069)组成超声波发射头驱动电路。

2 超声波接收电路

超声波接收头和IC4组成超声波信号的检测和放大。反射回来的超声波信号经IC4的2级放大1000倍(60dB),第1级放大100倍(40dB),第2级放大10倍(20dB)。 由于一般的运算放大器需要正、负对称电源,而该装置电源用的是单电源(9V)供电,为保证其可靠工作,这里用R10和R11进行分压,这时在IC4的同相端有4.5V的中点电压,这样可以保证放大的交流信号的质量,不至于产生信号失真。

C9、D1、D2、C10组成的倍压检波电路取出反射回来的检测脉冲信号送至IC5进行处理。
IC5、IC6、IC7、IC8、IC9组成信号比较、测量、计数和显示电路,即比较和测量从发出的检测脉冲和该脉冲被反射回来的时间差。它是超声波测距电路的核心,下面分析其工作原理。

由Ra、Rb、IC5组成信号比较器。其中
Vrf = (Rb x Vcc)/(Ra + Rb)= (47KΩ x 9V)/(1MΩ + 47KΩ)= 0.4V
所以当A点(IC5的反相端)过来的脉冲信号电压高于0.4V时,B点电压将由高电平"1"到低电平"0"。同时注意到在IC5的同相端接有电容C11和二极管D3,这是用来防止误检测而设置的。在实际测量时,在测距仪的周围会有部分发出的超声波直接进入接收头而形成误检测。为避免这种情况发生,这里用D3直接引入检测脉冲来适当提高IC5比较器的门限转换电压,并且这个电压由C11保持一段时间,这样在超声波发射器发出检测脉冲时,由于D3的作用使IC5的门限转换电压也随之被提高,并且由于C11的放电保持作用,可防止这时由于检测脉冲自身的干扰而形成的误检测。由以上可知,当测量距离小到一定程度时,由于D3及C11的防误检测作用,其近距离测量会受到影响。图示参数的最小测量距离在40cm左右。减小C11的容量,在环境温度为20 时可做到30cm测量最短距离。此时其放电时间为1.75ms。

IC6组成R-S触发器构成时间测量电路。可以看出,在发出检测脉冲时(A端为高电平),D端输出高电平,当收到反射回来的检测脉冲时,C端由高变低,此时D端变为低电平,故输出端D的高电平时间即为测试脉冲往返时间。

计数和显示电路由IC6、IC7、IC8、IC9组成,IC7组成计数电路脉冲发生器,原理图如下。

其工作频率f = 1/(2.2 x C x R)。电路频率设计在17.2kHz左右。这个频率是根据声波在环境温度为20℃ 时的传播速度为343.5m/s确定的。我们知道在不同的环境温度下,声波的传播速度会有所改变,其关系为v=331.5+0.6×t,其中v的单位为m/s,t为环境温度,单位为℃。
| Temperature (℃) | Speed of sound (m/sec) |
| -10 | 325.5 |
| 0 | 331.5 |
| 10 | 337.5 |
| 20 | 343.5 |
| 30 | 349.5 |
| 40 | 355.5 |
| 50 | 361.5 |
有关计算如下:
测量距离为1m的物体时,声波的往返时间为:2m/343.5(m/s)=5.82ms。这时计数器显示应为100,即1m,此时计数电路脉冲发生器的频率f=100/(5.82×10-3)=17.18(kHz)。如电容C(即C14)为2200pF,此时电阻
R = 1/(2.2 x C x f)= 1/(2.2 x 2200 x 10-12 x 17.18 x 103)= 12KΩ
由于在不同的环境温度下,声波的传播速度会不同,为适应不同环境温度下测量的需要,我们要求电阻R具有一定的调节范围,这里用VR2,VR3进行调节,其中VR2为粗调电阻,VR3为精调电阻。同样我们可以算出在不同温度下的计数脉冲频率值,如:温度为46.5℃ 时,
f = 1/(2.2 x C x R)= 1/(2.2 x 2200 x 10-12 x 11.5 x 103)=17.97KHz
环境温度为1.5 ℃时f = 1/(2.2 x C x R)) = 1/(2.2 x 2200 x 10-12 x 12.5 x 103)= 16.53KHz
实际上,在不同环境温度下时,我们只要测试标准距离1m,调节计数电路脉冲发生器的频率(VR2和VR3),使其显示为100即可。

这里简单介绍一下计数器的清零及数据锁存过程。A点波形即表现测试脉冲往返的时间,当A点电位由低变高时,由于C1电压不能突变,故B点会产生一个复位脉冲信号使计数器清零,同时IC6内与非门被打开,IC8开始通过CLOCK脚计数;同样当A点电位由高变低时,由于C2电压不能突变,故C点会产生一个锁存脉冲信号使计数器数据被锁存,同时IC6的有关与非门被关闭,IC8开始停止计数,完成计数过程。

C15用于控制显示部分的刷新频率,当C15为1000pF时,刷新频率为1100Hz,由IC9、LED1-LED3、TR1-TR3组成显示电路。
单片机 电路 555 集成电路 信号发生器 放大器 电压 比较器 电容 二极管 电阻 LED 相关文章:
- 基于nRF2401智能无线火灾监控系统设计(04-01)
- 家居安防无线监控报警系统(04-02)
- 高精度压力测控系统的试验研究(04-08)
- 提高实时系统数据采集质量的研究(04-09)
- 基于MSP430的低功耗便携式测温仪设计(06-18)
- 以超低功耗微处理器MSP430为核心的热计量表设计(06-18)
