自制恒温电烙铁
时间:09-16
来源:互联网
点击:
市面上销售的简易恒温电烙铁,其恒温控制部分由市电直接供电去驱动双向可控硅的电路,一旦出问题往往使元器件烧黑或炸裂,损坏器件的颜色、标记就无法辨认,给维修带来困难。
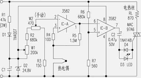
这里,我们以有代表性的广州黄花电子电器厂905C型恒温电烙铁为例,对恒温烙铁的工作原理加以介绍。
该电烙铁控温范围是100℃~400℃,调温标志标明低、中、高位,控温精度标称±5%,采用了热电偶传感器。控制电路采用了交流市电直接降压、滤波、稳压供电方案。
工作原理见下图
市电AC220V经R1降压、D1半波整流、D2削波稳压、C1滤波后作为比较器件IC的电源电压及调温设定电压源。IC-A③脚为热电偶检测电压输入端(与温度值对应);②脚为调温设定电压。在②、③脚两端电压比较后,由①脚输出。其中R5的作用是将输入的很少一部分反馈至同相输入端③脚,以使在小信号波动时输出锁定不变。当热电偶检到温度偏低时;③脚电平相对②脚低,使输出①脚也低。进而使IC-B放大器⑥脚相对于固定偏置的⑤脚偏低,使输出⑦脚为高。由于IC-B⑤脚电压是由AC220V经R6、R7分压而得,因而,频率、相位完全与AC220V相同。与⑥脚直流比较后在⑦脚输出交流电压。该交流电压经C2、D4、D3和D4反向并联(作用同双向二极管)触发双向可控硅,使相应的电压加到烙铁电热丝上,以达到恒温的目的。
这里,我们以有代表性的广州黄花电子电器厂905C型恒温电烙铁为例,对恒温烙铁的工作原理加以介绍。
该电烙铁控温范围是100℃~400℃,调温标志标明低、中、高位,控温精度标称±5%,采用了热电偶传感器。控制电路采用了交流市电直接降压、滤波、稳压供电方案。
工作原理见下图
市电AC220V经R1降压、D1半波整流、D2削波稳压、C1滤波后作为比较器件IC的电源电压及调温设定电压源。IC-A③脚为热电偶检测电压输入端(与温度值对应);②脚为调温设定电压。在②、③脚两端电压比较后,由①脚输出。其中R5的作用是将输入的很少一部分反馈至同相输入端③脚,以使在小信号波动时输出锁定不变。当热电偶检到温度偏低时;③脚电平相对②脚低,使输出①脚也低。进而使IC-B放大器⑥脚相对于固定偏置的⑤脚偏低,使输出⑦脚为高。由于IC-B⑤脚电压是由AC220V经R6、R7分压而得,因而,频率、相位完全与AC220V相同。与⑥脚直流比较后在⑦脚输出交流电压。该交流电压经C2、D4、D3和D4反向并联(作用同双向二极管)触发双向可控硅,使相应的电压加到烙铁电热丝上,以达到恒温的目的。
可控硅 电路 电子 传感器 比较器 电压 放大器 二极管 相关文章:
- 高精度压力测控系统的试验研究(04-08)
- 用CMOS-NAND门控制水泵(08-10)
- 基于Fuzzy-PID的陀螺仪温度控制系统设计(06-08)
- PIC16F877单片机在直流电机闭环调速系统中的应用(06-13)
- 基于DSP的远程监控系统的设计与实现(06-23)
- 一种多功能电子教室智能中央控制系统(06-24)
