基于CAN总线的大容量汉字火灾楼层显示器设计
时间:12-27
来源:互联网
点击:
1 引言
火灾楼层显示器作为火灾自动报警系统的重要组成部分,是一种安装在楼层或独立防火区中的数字式火灾报警显示装置。它通过报警总线与火灾报警控制器相连,处理并显示报警总线上的数据。火灾楼层显示器中的内置单片机将接收到的总线信息进行判断、分析和处理,将报警的探测器地址编号转换成相应的火警地点信息(例如房间号和房间类型等),连同火警类型一道通过液晶显示出来,同时发出声光报警信号,通知失火区域的人员。
目前国内现有的火灾楼层显示器大都以51单片机作为MCU。因为ROM寻址空间所限,火灾楼层显示器大都只能显示火警所在楼层号和地址号,无法以直观的汉字信息提示情况各异的具体火警地点。如果将汉字信息通过总线分发到各个楼层显示器,巨大的通讯量又会给火警系统总线带来沉重负荷,导致整个火警系统效率低下,延误火警上报时机。本文提出了一种基于CAN总线的大容量汉字火灾楼层显示器,很好的解决了上述问题。
2 火灾报警系统总体功能描述
火灾报警控制系统中,中央火警控制器通过CAN总线和各个单元进行实时通讯并完成各项控制和报警功能。单元是火灾探测器、手动报警按钮、输入输出模块、楼层显示器等设备的总称。它们是系统终端,直接探测火灾信号,并通过通道上报给控制器,同时接收由各种通道转发控制器给单元的联动信息(启动输入输出模块控制的灭火装置)、显示信息(楼层显示器显示火灾信息)等。通道是回路模块、转接模块和总线控制盘等设备的总称。它们是控制设备和终端的通道,是拓扑网络构成的中继设备。火灾报警控制系统的总体结构和楼层显示器在系统的中的位置如图1所示。

图1火灾报警控制系统结构及楼层显示器所在位置显示
3 系统功能及硬件描述
3.1 汉字楼层显示器硬件设计方案
如图2所示,汉字楼层显示器包括单片机及其外围电路,CAN总线模块,FLASH存储器,汉字液晶模块,UART接口,以及灯和按键,蜂鸣器。单片机可通过UART接收PC上传下来的汉字信息,存储到FLASH中作为地址信息的查询数据库。通过CAN控制器MCP2510和CAN总线驱动器PCA82C250组成的CAN通信模块和火灾报警控制器进行CAN总线通信。如果有火警发生,单片机将记录火警信息,查询FLASH得到火警发生的汉字地址信息,并在汉字液晶上滚动显示火警和信息查询结果。同时,发生火警时还可通过查询键快速查询火警信息,通过蜂鸣器报警,通过消音键消音,并点亮发光二极管报警。未发生火警时,通过自检键自检可以检查各个功能是否能正常工作。

图2汉字楼层显示器结构框图
3.2FLASH存储器电路设计
FLASH选用的SST29SF040是SST公司推出的高速可编程闪存。它符合JEDEC标准,具有512K×8Bits的存储结构;芯片擦除及写入的时间快,整片擦除只需70毫秒,段擦除只需18毫秒,字编程写入时间仅为14微秒;可靠性高,能够重复写100,000次,数据可以保存100年不丢失。
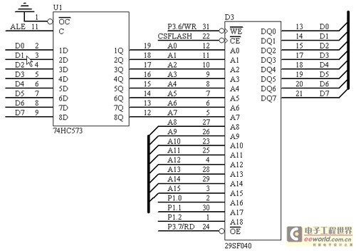
SST29SF040的容量是512KBytes,而51系列单片机的ROM直接寻址范围是64KBytes,如果不加以处理而直接使用,将会浪费大量的存储空间。我们使用了一种分页存储方式,使得FLASH存储空间得以充分利用,大大扩充了单片机ROM寻址范围。按照每条汉字信息占用32个Bytes计算,理论上可以最大存储16384条火警地址信息,足以应付绝大多数复杂的工程环境。图3为存储器电路,最高位地址线A16-A18接单片机的P1.0-P1.2,因而FLASH存储器实现了8页,每页64K的外部存储结构。在每次读写FLASH时,将P1.0-P1.2赋不同的值即可实现不同的页选。假设page为待选取的页号变量(0-7),在KeilCx51中通过下列语句即可实现读写前的选页操作:P1=(P1&0xf8)|page;

图3FLASH存储器分页存储电路
3.3 汉字液晶显示模块设计
我们选用金鹏电子公司的OJM2*8A汉字液晶模块作为显示设备。OJM2*8A中文液晶显示模块内含GB2312的15*15点阵国标一、二级简体汉字和8*8点阵及8*16点阵ASCII字符,用户输入GB2312区位码或ASCII码即可实现文本显示。每个汉字的区位码只占用两个字节,是原来汉字点阵所需存储单元的1/16。
汉字液晶模块接口协议为请求/应答(REQ/BUSY)握手方式。应答BUSY高电平(BUSY=1)表示液晶模块忙于内部处理,不能接收用户命令;BUSY低电平(BUSY=0)表示液晶模块空闲,等待接收用户命令。发送命令到液晶模块可在BUSY=0后的任意时刻开始,先把用户命令的当前字节放到数据线上,接着发高电平REQ信号(REQ=1)通知液晶模块处理当前数据线上的命令或数据。液晶模块在收到外部REQ高电平信号后立即读取数据线上的命令或数据,同时将应答线BUSY变为高电平,表明模块已收到数据并正在忙于对此数据的内部处理。此时用户对模块的写操作已经完成,用户可以撤消数据线上的信号并可作模块显示以外的其他工作,也可不断地查询应答线BUSY是否为低(BUSY=0?),如果BUSY=0,表明模块对用户的写操作已经执行完毕,可以再送下一个数据。如向模块发出一个完整的显示汉字的命令,包括坐标及汉字代码在内共需5个字节。模块在接收到最后一个字节后才开始执行整个命令的内部操作,因此最后一个字节的应答BUSY高电平(BUSY=1)持续时间较长。对液晶模块写汉字时序图如图4所示。

图4对液晶模块写汉字时序图
火灾楼层显示器作为火灾自动报警系统的重要组成部分,是一种安装在楼层或独立防火区中的数字式火灾报警显示装置。它通过报警总线与火灾报警控制器相连,处理并显示报警总线上的数据。火灾楼层显示器中的内置单片机将接收到的总线信息进行判断、分析和处理,将报警的探测器地址编号转换成相应的火警地点信息(例如房间号和房间类型等),连同火警类型一道通过液晶显示出来,同时发出声光报警信号,通知失火区域的人员。
目前国内现有的火灾楼层显示器大都以51单片机作为MCU。因为ROM寻址空间所限,火灾楼层显示器大都只能显示火警所在楼层号和地址号,无法以直观的汉字信息提示情况各异的具体火警地点。如果将汉字信息通过总线分发到各个楼层显示器,巨大的通讯量又会给火警系统总线带来沉重负荷,导致整个火警系统效率低下,延误火警上报时机。本文提出了一种基于CAN总线的大容量汉字火灾楼层显示器,很好的解决了上述问题。
2 火灾报警系统总体功能描述
火灾报警控制系统中,中央火警控制器通过CAN总线和各个单元进行实时通讯并完成各项控制和报警功能。单元是火灾探测器、手动报警按钮、输入输出模块、楼层显示器等设备的总称。它们是系统终端,直接探测火灾信号,并通过通道上报给控制器,同时接收由各种通道转发控制器给单元的联动信息(启动输入输出模块控制的灭火装置)、显示信息(楼层显示器显示火灾信息)等。通道是回路模块、转接模块和总线控制盘等设备的总称。它们是控制设备和终端的通道,是拓扑网络构成的中继设备。火灾报警控制系统的总体结构和楼层显示器在系统的中的位置如图1所示。

图1火灾报警控制系统结构及楼层显示器所在位置显示
3 系统功能及硬件描述
3.1 汉字楼层显示器硬件设计方案
如图2所示,汉字楼层显示器包括单片机及其外围电路,CAN总线模块,FLASH存储器,汉字液晶模块,UART接口,以及灯和按键,蜂鸣器。单片机可通过UART接收PC上传下来的汉字信息,存储到FLASH中作为地址信息的查询数据库。通过CAN控制器MCP2510和CAN总线驱动器PCA82C250组成的CAN通信模块和火灾报警控制器进行CAN总线通信。如果有火警发生,单片机将记录火警信息,查询FLASH得到火警发生的汉字地址信息,并在汉字液晶上滚动显示火警和信息查询结果。同时,发生火警时还可通过查询键快速查询火警信息,通过蜂鸣器报警,通过消音键消音,并点亮发光二极管报警。未发生火警时,通过自检键自检可以检查各个功能是否能正常工作。

图2汉字楼层显示器结构框图
3.2FLASH存储器电路设计
FLASH选用的SST29SF040是SST公司推出的高速可编程闪存。它符合JEDEC标准,具有512K×8Bits的存储结构;芯片擦除及写入的时间快,整片擦除只需70毫秒,段擦除只需18毫秒,字编程写入时间仅为14微秒;可靠性高,能够重复写100,000次,数据可以保存100年不丢失。
SST29SF040的容量是512KBytes,而51系列单片机的ROM直接寻址范围是64KBytes,如果不加以处理而直接使用,将会浪费大量的存储空间。我们使用了一种分页存储方式,使得FLASH存储空间得以充分利用,大大扩充了单片机ROM寻址范围。按照每条汉字信息占用32个Bytes计算,理论上可以最大存储16384条火警地址信息,足以应付绝大多数复杂的工程环境。图3为存储器电路,最高位地址线A16-A18接单片机的P1.0-P1.2,因而FLASH存储器实现了8页,每页64K的外部存储结构。在每次读写FLASH时,将P1.0-P1.2赋不同的值即可实现不同的页选。假设page为待选取的页号变量(0-7),在KeilCx51中通过下列语句即可实现读写前的选页操作:P1=(P1&0xf8)|page;

图3FLASH存储器分页存储电路
3.3 汉字液晶显示模块设计
我们选用金鹏电子公司的OJM2*8A汉字液晶模块作为显示设备。OJM2*8A中文液晶显示模块内含GB2312的15*15点阵国标一、二级简体汉字和8*8点阵及8*16点阵ASCII字符,用户输入GB2312区位码或ASCII码即可实现文本显示。每个汉字的区位码只占用两个字节,是原来汉字点阵所需存储单元的1/16。
汉字液晶模块接口协议为请求/应答(REQ/BUSY)握手方式。应答BUSY高电平(BUSY=1)表示液晶模块忙于内部处理,不能接收用户命令;BUSY低电平(BUSY=0)表示液晶模块空闲,等待接收用户命令。发送命令到液晶模块可在BUSY=0后的任意时刻开始,先把用户命令的当前字节放到数据线上,接着发高电平REQ信号(REQ=1)通知液晶模块处理当前数据线上的命令或数据。液晶模块在收到外部REQ高电平信号后立即读取数据线上的命令或数据,同时将应答线BUSY变为高电平,表明模块已收到数据并正在忙于对此数据的内部处理。此时用户对模块的写操作已经完成,用户可以撤消数据线上的信号并可作模块显示以外的其他工作,也可不断地查询应答线BUSY是否为低(BUSY=0?),如果BUSY=0,表明模块对用户的写操作已经执行完毕,可以再送下一个数据。如向模块发出一个完整的显示汉字的命令,包括坐标及汉字代码在内共需5个字节。模块在接收到最后一个字节后才开始执行整个命令的内部操作,因此最后一个字节的应答BUSY高电平(BUSY=1)持续时间较长。对液晶模块写汉字时序图如图4所示。

图4对液晶模块写汉字时序图
显示器 总线 单片机 51单片机 MCU CAN总线 电路 二极管 Keil 电子 Microchip 收发器 相关文章:
- 提高实时系统数据采集质量的研究(04-09)
- 基于MSP430的低功耗便携式测温仪设计(06-18)
- 以超低功耗微处理器MSP430为核心的热计量表设计(06-18)
- 用MSP430单片机实现微波成像系统的扫描控制与数据采集(06-20)
- 硬盘录像机死机原因分析处理(06-12)
- MSP430在大量程浮子式液位计中的应用(06-20)
