智能型光电采样器的设计
时间:12-14
来源:互联网
点击:
各代光电采样器的比较
第一代模拟式光电采样器,是一种简单的光电发射、接收电路,几乎不具备抗外界干扰能力。第二代模拟式光电采样器,具有一定的抗外界干扰性能,但是需电位器调节。在电表转速发生变化时,往往不能正常采样,需多次调节,大大降低了工作效率;另外,电位器使用一久,机械件的松动和电位器的磨损,使有些光电采样器根本无法正常采样。第三代数控式光电采样器的出现,使光电采样器的发展产生了质的飞跃,该产品对好光后,即可正常采样,且具有一定的抗干扰性能,但该产品在外界光线变化较大时,往往不能正常采样。而且大多数数控光电采样器要么不能校电子式电度表,要么不能校机械式电度表。另外,以上产品普遍存在安装不方便、不易对光、采样范围小、抗干扰能力差等缺点,影响了整个校验装置的使用。
针对以上缺点,设计了一种智能型光电采样器。该光电采样器在校验电子式电度表时对光线变化的适应能力很强。因此,设计的关键是解决机械式电度表的校验问题,机械式电度表校验时的效果越好,电子式电度表的校验效果相对越好。
智能式光电样器的特点
该光电采样器除具有自动适应外界光线变化的特点外,还有优点:
(1) 安装方便。电路板往镜头相应插槽一装,发射管、接收管即定位。
(2) 对光范围宽。该光电采样器的对光范同为距表盘10mm~50mm。
(3) 对光速度快。只要将光电头放在可调范围内,且发光管大致对准表盘,即可正常采样。
(4) 抗干扰能力强。 可抗除电度表圆盘上宽度不小于3mm的毛刺和斑点。
(5) 自动调节灵敏度自动复位。根据外界环境光的变化,自动调节光电采样器的灵敏度,当外界光线变化超过一定范围时,自动对光电采样器进行复位。
(6) 机械式和电子式电度表均可校验。通过复用按键即可实现两种电度表的校验。
智能式光电样器的设计结构设计
该光电采样器采用一体化镜头,不会出现镜头脱落的情况,也不会出现镜头被污染的问题,安装比以前的分体式光电采样器方便得多,大大提高了工作效率。 光学系统设计
如图1(a)所示,它是由两只发光管F1、F2和光敏接收管S1组成;接收管S1采用光敏三极管,接收灵敏度高。S1、S2采用了发光强度大于800mcd的进口超高亮度发光管,该管发光角度为±25°,使用寿命长。另外,发光管与接收管间的角度约为25°。通过设计,就可保证光电采样器在距表盘10mm~60mm的范围内均有大于8mm的光线经返射后照射到接收管上,照射到表盘上的光线如图1(b)所示。

这样,电度表圆盘上不同宽度的干扰斑点吸收了不同程度的光线强度,致使反射到光敏接收管上的光线强度不一样,从而使光敏接收管的电流随光斑的大小而改变。
光学系统设计的合理性
要区分开电度表圆盘上的黑色标记和较宽的干扰斑,采用传统的小光源是无法实现的。采用小光源时,黑色标记吸收的光线强度与一定程度的干扰斑吸收的光线强度基本相同,光敏接收管的输出电流也基本相同,无法区分是黑色标记还是干扰斑。只有照射到电度表圆盘上的光点大于干扰斑一定程度时,通过合理的接收处理电路,才有可能对干扰斑点进行识别。本智能光电采样器的光点设计为不小于8mm,可以轻而易举地去除电度表网盘上的各种干扰斑。
接收管与发射管间的角度选择
发射管与接收管间的距离和角度设计是否合理,直接影响了光电采样器的性能。如果距离和角度设计不合理,电度表表壳玻璃的反射光会直接影响光电采样器的采样效果。当光电采样器的前后距离发生变化时,易使两个发射管照射到电度表表盘上的光点不重合,或者照射到表盘黑色标记上的光线较少,致使采样效果不好。所以我们采用了如图1(a)的方式进行设计。因为如果发射管与接收管之间的角度较大,根据光的人射角等于出射角的原理可知,稍微改变光电采样器的前后距离,就会使照射到电度表表盘上的两光点发生较大的变化;如果发射管与发射管之间的角度太小,就会使光电采样器距电度表表盘一定距离时,两发射管发出的光发散,即两发射管发出的光同时照射到表盘黑色标记上的光较少。 自动跟踪电路的设计
要实现光电采样器真正意义上的的自动跟踪,就必须使光电采样器做到如下两点:即它不但能在不同的环境光亮度下对电度表进行校验,而且必须具有判断外境环境光突变的能力。不管外界环境光如何突变,光电采样器都必须能对电度表进行正常校验。
针对以上要求,光电采样器在刚开始工作时,首先要对光电采样器的自身工作状态进行调整,使其能识别电度表圆盘上的标记信号,并能对其他干扰信号进行有效地抑制。否则,不是不能识别电度表圆盘上的标记信号,就是连其他干扰信号一起识别。 为此,在进行电路设计时,需要对电度表圆盘上的黑色标记信号进行记忆,由于其他干扰斑小于黑色标记,所以可对电度表圆盘上的干扰斑进行有效地抑制。
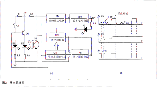
另外,必须在电路上对外界环境光进行跟踪,捕捉外界环境光的突变。否则的话,就可能使光电采样器无法正常工作。例如,当外界环境光的变化使黑色标记的信号值为小于原来的值时,光电采样器就无法对黑色标记进行识别。这时光电采样器需自动复位,并调整灵敏度至相应值,才可使光电采样器正常工作。 根据以上要求,设计的光电采样器的基本原理如图2所示。

该电路南主要由M1、M2、M3三个专用模块和IC1、IC2构成。M1主要是完成对外界环境光的跟随,并可以对IC1进行调节,对M3进行复位,对Q1进行控制;M2在电路中对信号进行比较、放大;M3主要是对信号进行跟踪。IC1可调节比较电压,IC2对比较、放大的信号进行反相、整形。主要工作原理如下。
光电采样器的发射管发出的光照射到电度表圆盘上,光线通过圆盘反射后,照射到光敏接收管上,使光敏接收管的内阻发生变化。照射到光敏接收管上的光线越强,光敏接收管的内阻越小。
由于电度表圆盘上各点凸凹不平,且光洁度不同,致使圆盘上各点对光的吸收和反射效果不同,从而反射到光电采样器光敏接收管上的光强不同,光敏管的内阻也就不同。尤其是黑色对光有吸收作用,因此当光照射到黑色标记时,光敏接收管上的内阻最大,此时对应的电压值Ua最高。
在环境光没有变化的情况下,接通电源时,Ua>0V,M3的脚4上的电压为0V,此时
Ub=Uc=0V,Ud为低电平,光电采样器的输出电压Uout为高电平,光电采样器的输出指示灯变亮;与此同时,M3对Ua的电压值进行跟踪,使M3的脚4上的电压等于Ua(即Uc=Ua);当此点一过,若无更大的干扰斑,Ua变低,而Ub、Uc不变,故Ua
当环境光变晴时,光敏管的内阻变大,Ua升高△Ua,为有效滤除干扰斑,M3调节IC1使b点电压保持为Ub+△ua。
当环境光变亮时,光敏管的内阻变小,Ua降低△ua,为使圆盘的黑色标记到来时光电采样器仍能正常工作,M3凋节IC1使b点电压保持为Ub-△ua;若环境光的变化较大,致使表盘上黑色标记的电压变化幅度超过IC1的调节范围时,M3立即对M2进行复位,使M2重新对黑色标记进行跟踪。
当光敏管接收到的光线变化符合电子表的校验要求时,M1通过判断将三极管01调节为电子表校验状态,当然也可通过按键开头将光电采样器切换为电子表状态。
由上可见,不管环境光线如何变化,也不管校验的是械机式电度表,还是电子式电度表。光电采样器在无人工干预的情况下均可正常工作,从而真正实现了光电采样器的智能化。
第一代模拟式光电采样器,是一种简单的光电发射、接收电路,几乎不具备抗外界干扰能力。第二代模拟式光电采样器,具有一定的抗外界干扰性能,但是需电位器调节。在电表转速发生变化时,往往不能正常采样,需多次调节,大大降低了工作效率;另外,电位器使用一久,机械件的松动和电位器的磨损,使有些光电采样器根本无法正常采样。第三代数控式光电采样器的出现,使光电采样器的发展产生了质的飞跃,该产品对好光后,即可正常采样,且具有一定的抗干扰性能,但该产品在外界光线变化较大时,往往不能正常采样。而且大多数数控光电采样器要么不能校电子式电度表,要么不能校机械式电度表。另外,以上产品普遍存在安装不方便、不易对光、采样范围小、抗干扰能力差等缺点,影响了整个校验装置的使用。
针对以上缺点,设计了一种智能型光电采样器。该光电采样器在校验电子式电度表时对光线变化的适应能力很强。因此,设计的关键是解决机械式电度表的校验问题,机械式电度表校验时的效果越好,电子式电度表的校验效果相对越好。
智能式光电样器的特点
该光电采样器除具有自动适应外界光线变化的特点外,还有优点:
(1) 安装方便。电路板往镜头相应插槽一装,发射管、接收管即定位。
(2) 对光范围宽。该光电采样器的对光范同为距表盘10mm~50mm。
(3) 对光速度快。只要将光电头放在可调范围内,且发光管大致对准表盘,即可正常采样。
(4) 抗干扰能力强。 可抗除电度表圆盘上宽度不小于3mm的毛刺和斑点。
(5) 自动调节灵敏度自动复位。根据外界环境光的变化,自动调节光电采样器的灵敏度,当外界光线变化超过一定范围时,自动对光电采样器进行复位。
(6) 机械式和电子式电度表均可校验。通过复用按键即可实现两种电度表的校验。
智能式光电样器的设计结构设计
该光电采样器采用一体化镜头,不会出现镜头脱落的情况,也不会出现镜头被污染的问题,安装比以前的分体式光电采样器方便得多,大大提高了工作效率。 光学系统设计
如图1(a)所示,它是由两只发光管F1、F2和光敏接收管S1组成;接收管S1采用光敏三极管,接收灵敏度高。S1、S2采用了发光强度大于800mcd的进口超高亮度发光管,该管发光角度为±25°,使用寿命长。另外,发光管与接收管间的角度约为25°。通过设计,就可保证光电采样器在距表盘10mm~60mm的范围内均有大于8mm的光线经返射后照射到接收管上,照射到表盘上的光线如图1(b)所示。

这样,电度表圆盘上不同宽度的干扰斑点吸收了不同程度的光线强度,致使反射到光敏接收管上的光线强度不一样,从而使光敏接收管的电流随光斑的大小而改变。
光学系统设计的合理性
要区分开电度表圆盘上的黑色标记和较宽的干扰斑,采用传统的小光源是无法实现的。采用小光源时,黑色标记吸收的光线强度与一定程度的干扰斑吸收的光线强度基本相同,光敏接收管的输出电流也基本相同,无法区分是黑色标记还是干扰斑。只有照射到电度表圆盘上的光点大于干扰斑一定程度时,通过合理的接收处理电路,才有可能对干扰斑点进行识别。本智能光电采样器的光点设计为不小于8mm,可以轻而易举地去除电度表网盘上的各种干扰斑。
接收管与发射管间的角度选择
发射管与接收管间的距离和角度设计是否合理,直接影响了光电采样器的性能。如果距离和角度设计不合理,电度表表壳玻璃的反射光会直接影响光电采样器的采样效果。当光电采样器的前后距离发生变化时,易使两个发射管照射到电度表表盘上的光点不重合,或者照射到表盘黑色标记上的光线较少,致使采样效果不好。所以我们采用了如图1(a)的方式进行设计。因为如果发射管与接收管之间的角度较大,根据光的人射角等于出射角的原理可知,稍微改变光电采样器的前后距离,就会使照射到电度表表盘上的两光点发生较大的变化;如果发射管与发射管之间的角度太小,就会使光电采样器距电度表表盘一定距离时,两发射管发出的光发散,即两发射管发出的光同时照射到表盘黑色标记上的光较少。 自动跟踪电路的设计
要实现光电采样器真正意义上的的自动跟踪,就必须使光电采样器做到如下两点:即它不但能在不同的环境光亮度下对电度表进行校验,而且必须具有判断外境环境光突变的能力。不管外界环境光如何突变,光电采样器都必须能对电度表进行正常校验。
针对以上要求,光电采样器在刚开始工作时,首先要对光电采样器的自身工作状态进行调整,使其能识别电度表圆盘上的标记信号,并能对其他干扰信号进行有效地抑制。否则,不是不能识别电度表圆盘上的标记信号,就是连其他干扰信号一起识别。 为此,在进行电路设计时,需要对电度表圆盘上的黑色标记信号进行记忆,由于其他干扰斑小于黑色标记,所以可对电度表圆盘上的干扰斑进行有效地抑制。
另外,必须在电路上对外界环境光进行跟踪,捕捉外界环境光的突变。否则的话,就可能使光电采样器无法正常工作。例如,当外界环境光的变化使黑色标记的信号值为小于原来的值时,光电采样器就无法对黑色标记进行识别。这时光电采样器需自动复位,并调整灵敏度至相应值,才可使光电采样器正常工作。 根据以上要求,设计的光电采样器的基本原理如图2所示。

该电路南主要由M1、M2、M3三个专用模块和IC1、IC2构成。M1主要是完成对外界环境光的跟随,并可以对IC1进行调节,对M3进行复位,对Q1进行控制;M2在电路中对信号进行比较、放大;M3主要是对信号进行跟踪。IC1可调节比较电压,IC2对比较、放大的信号进行反相、整形。主要工作原理如下。
光电采样器的发射管发出的光照射到电度表圆盘上,光线通过圆盘反射后,照射到光敏接收管上,使光敏接收管的内阻发生变化。照射到光敏接收管上的光线越强,光敏接收管的内阻越小。
由于电度表圆盘上各点凸凹不平,且光洁度不同,致使圆盘上各点对光的吸收和反射效果不同,从而反射到光电采样器光敏接收管上的光强不同,光敏管的内阻也就不同。尤其是黑色对光有吸收作用,因此当光照射到黑色标记时,光敏接收管上的内阻最大,此时对应的电压值Ua最高。
在环境光没有变化的情况下,接通电源时,Ua>0V,M3的脚4上的电压为0V,此时
Ub=Uc=0V,Ud为低电平,光电采样器的输出电压Uout为高电平,光电采样器的输出指示灯变亮;与此同时,M3对Ua的电压值进行跟踪,使M3的脚4上的电压等于Ua(即Uc=Ua);当此点一过,若无更大的干扰斑,Ua变低,而Ub、Uc不变,故Ua
当环境光变晴时,光敏管的内阻变大,Ua升高△Ua,为有效滤除干扰斑,M3调节IC1使b点电压保持为Ub+△ua。
当环境光变亮时,光敏管的内阻变小,Ua降低△ua,为使圆盘的黑色标记到来时光电采样器仍能正常工作,M3凋节IC1使b点电压保持为Ub-△ua;若环境光的变化较大,致使表盘上黑色标记的电压变化幅度超过IC1的调节范围时,M3立即对M2进行复位,使M2重新对黑色标记进行跟踪。
当光敏管接收到的光线变化符合电子表的校验要求时,M1通过判断将三极管01调节为电子表校验状态,当然也可通过按键开头将光电采样器切换为电子表状态。
由上可见,不管环境光线如何变化,也不管校验的是械机式电度表,还是电子式电度表。光电采样器在无人工干预的情况下均可正常工作,从而真正实现了光电采样器的智能化。
- 一种新型防伪读码器的设计(01-01)
- 基于ARM与DSP的嵌入式运动控制器设计(04-25)
- 航天器DC/DC变换器的可靠性设计(02-12)
- 基于ARM核的AT75C220及其在指纹识别系统中的应用(05-24)
- 基于nRF2401智能小区无线抄表系统集中器设计(04-30)
- 卫星电源分系统可靠性设计与研究(02-12)
