工频机全桥逆变器UPS输出变压器的功能
时间:12-08
来源:互联网
点击:
2.UPS变压器不具备抗(抑制)干扰和缓冲短路的功能
那么,上述变压器是否有抗干扰的功能呢?回答是否定的,而且也不允许其抗干扰。这里所谓的干扰只能来自负载,UPS的逆变器是不产生干扰的。负载对电压 源的要求是:输出端动态性能一定要好,即动态内阻一定要小,这样电源的输出才能适应负载的变化,不允许有惯性。只有惯性环节才有抗干扰能力,变压器不是电 抗器,在正常工作时是线性的,不失真地传递信号,所以不具备抗干扰能力。那么从结构原理上又如何解释呢?图9示出了这种变压器的结构原理图。从图9(a) 的变压器原理图可以看出,普通电源变压器都有初级和次级,而且都是一层层用漆包线绕成的,如图9(b)的变压器结构剖面图所示。就是说,变压器是由绕在铁 芯上的一层层铜漆包线构成,初级和次级也是这样,两层漆包线之间都垫有绝缘层,这样一来,每层绕组就构成一个导体平板,两层绕组之间就构成了一个平板电容 器,进而在初次级绕组之间就形成了一个等效电容器C,如图9(b)所示。在初次级绕组之间也就形成了一个容抗XC,其数值的大小为:

(1)

(a)变压器原理图 (b)变压器结构剖面图
图9 变压器结构原理图
式中:Xc是等效电容的容抗,单位是欧姆()
C是等效电容的容量,单位是法拉(F)
f是干扰信号频率,单位是赫兹(Hz)
从式(1)中可以看出,电容的容抗和干扰信号的频率成反比,而一般干扰信号的频率很高,可以从几千赫兹到几十兆赫兹,尤其是各种形式的噪声、尖峰等。但 这些干扰到来时可以很顺利地由初级通过电容C传到次级。但浪涌到来时,由于其能量很大且频率很低(可以到数个工频周波),这时候变压器就可以按照固有的变 比将其传导过去。
有人说这个变压器可以缓冲负载的短路,这也是没有根据的。因为变压器不是智能环节,根本无法判断负载是短路还是短期的大负荷工作。图10给出了 IEC发布的PC机典型工作电流波形,从图10(a)中可以看出,当机房中所有设备正常工作时,它们向UPS索取的最大电流值是分散的,所以从电源的电表 上看负载不大,比如平时的负载也就是60%左右,但有时也会切换到旁路上去,有时是几秒钟,有时是几分钟。UPS所以会转旁路,在正常情况下是因为过载, 但过载时间超过设定值时就会转旁路,过载消失后又切换回来。这是什么原因呢?从图10(b)可以看出,但机房中所有或大部分计算机正巧在某一刻都工作在最 大电流值时,负载量会变得很大。比如原来每台负载的最大电流峰值是100A,正常时由于分散,负载变得很平和;一旦同步取最大值时比如500A,如果时间 超过UPS允许的界限就会转旁路。假如变压器可以抗干扰和缓冲负载的突然变化,试问此时应当认为是干扰给抗掉呢还是当成短路给缓冲呢?要知道低于单机电流 峰值的的干扰由于被负载淹没是不需要抑制的,只有抑制那些高于峰值电流的干扰才有意义。现在图10(b)的电流峰值数倍于平时,不论是被变压器缓冲还是抑制都会造成用电系统的停机!这样的电源还有人敢用吗!实际上变压器一不能分辨干扰,也不能分辨短路,更没有所谓“缓冲”和“抑制”的功能。

图10 设备系统不同工作状况下的UPS的负载情况
例:北京某电子公司机房采用了150kVAX5台带有输出变压器的工频机UPS,构成了4+1冗余系统。一天外电网停电,UPS工作在电池模式,此时突 然有人合上了输出端300kVA的变压器,负载变压器瞬间的短路启动电流竟导致了一场灾难:70多节100Ah电池被烧毁,如果UPS的输出变压器若能 “缓冲”一下,负载变压器的瞬间短路也就顶过去了!
认为变压器具有上述功能的误区在于把变压器当成了电感,当成了扼流圈,当成了惯性器件。
3.UPS输出变压器没有隔直流的能力
从前面讨论中已经知道在工频机UPS全桥逆变器的结构中必须要变压器,不仅是单相机,三相机更是这样:因为三相桥逆变器输出的是三条火线而没有零线,只 有通过?-Y型变换才能有三相四线制的电源。所以变压器是工频UPS不可分割的部分,考察变压器假如的历史就可知道他不具备其他功能,隔直流之说更没根 据,下面来进行具体分析。
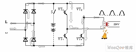
隔直流之说的精髓是说当逆变器功率管故障后又有可能使直流电压加到用户机器的输入端,而输出变压器的初级和次 级绕组是分开的,直流电压只能停留在初级绕组上,于是就产生了隔离效果。是的,但这是其一,其二却不知会带来严重后果。事情完全不是想象中的那样,图11 示出了一般变压器的工作情况。首先承认这种变压器是变换交流电的,如图中正弦波。假如不用来变换交流电而是施加直流,如图11中将电池组开关S闭合,由于 变压器绕组内阻相当小(近似于短路)就会在电池组和变压器初级绕组之间形成相当大的短路电流,一直到将电池组或导线或绕组烧断为止。换言之,这种电源变压 器根本不能加直流。这是电工上人人皆知的常识。

图11 全桥逆变器UPS输出变压器原理图
下面再来讨论逆变器功率管损坏情况下的变压器状态。逆变器功率管的损坏有两种情况:断开或穿通(短路)。图12示出了UPS全桥逆变器一个功率管(比如VT2) 开路(断开)的情况。从图中可以看出,在此情况下的电流路径只能是一个方向的,就是说只能输出一个极性的半波,如图中所示。一个极性就意味着逆变器此时只 能输出半波电压,而半波饱含直流成分,直流电流分量在变压器初级绕组中的积累会使绕组达到饱和状态,就类似于绕组短路,形成很大的电流,以致将变压器和电 池这个回路烧断为结束。这个直流电流倒是没有进到负载端,但UPS本身烧了。

图12 全桥逆变器UPS一个功率管开路情况原理图
再看逆变器一支功率管(比如VT2)穿通(短路)的情况。只要VT3和VT4一工作就形成引发出巨大的隐患:管子截止时原来有两个串联功率管承受的高压现在都加在了一个管子上,压力增加了一倍,一旦它们承受不了这种高压就会被击穿而形成短路,如图13所示。强大的电流可将VT3或VT4瞬 间炸毁,否则就会导致全系统跳闸保护。某石油公司的兆瓦级机房就是因为这个原因而造成3+1并联冗余的4X300kVA供电系统跳闸停机。在这里的变压器 根本没有任何作为。当然如果不是断路器及时跳闸就会导致变压器起火。在这种情况下虽然也是隔断了直流,但同样是把自己烧毁了,这样的隔直流功能没给用户带 来任何好处。
以上两种情况都是用烧毁UPS本身的代价而保护了IT设备,这对IT设备用户是不是就算是一种福音呢?当然不是,因为不论是烧毁UPS还是IT设备都会使系统崩溃而无法继续工作。
如果UPS供电设备在逆变器功率管损坏的情况下不但保护了IT设备,同时也保证了本身的安然无恙,这样的隔直流功能才有实际意义,这才是用户真正需要的。

图13 全桥逆变器UPS一个功率管穿通情况原理图
持此种说法的误区在于没有搞清楚变压器不能加直流电压和电流的道理。
那么,上述变压器是否有抗干扰的功能呢?回答是否定的,而且也不允许其抗干扰。这里所谓的干扰只能来自负载,UPS的逆变器是不产生干扰的。负载对电压 源的要求是:输出端动态性能一定要好,即动态内阻一定要小,这样电源的输出才能适应负载的变化,不允许有惯性。只有惯性环节才有抗干扰能力,变压器不是电 抗器,在正常工作时是线性的,不失真地传递信号,所以不具备抗干扰能力。那么从结构原理上又如何解释呢?图9示出了这种变压器的结构原理图。从图9(a) 的变压器原理图可以看出,普通电源变压器都有初级和次级,而且都是一层层用漆包线绕成的,如图9(b)的变压器结构剖面图所示。就是说,变压器是由绕在铁 芯上的一层层铜漆包线构成,初级和次级也是这样,两层漆包线之间都垫有绝缘层,这样一来,每层绕组就构成一个导体平板,两层绕组之间就构成了一个平板电容 器,进而在初次级绕组之间就形成了一个等效电容器C,如图9(b)所示。在初次级绕组之间也就形成了一个容抗XC,其数值的大小为:

(1)

(a)变压器原理图 (b)变压器结构剖面图
图9 变压器结构原理图
式中:Xc是等效电容的容抗,单位是欧姆()
C是等效电容的容量,单位是法拉(F)
f是干扰信号频率,单位是赫兹(Hz)
从式(1)中可以看出,电容的容抗和干扰信号的频率成反比,而一般干扰信号的频率很高,可以从几千赫兹到几十兆赫兹,尤其是各种形式的噪声、尖峰等。但 这些干扰到来时可以很顺利地由初级通过电容C传到次级。但浪涌到来时,由于其能量很大且频率很低(可以到数个工频周波),这时候变压器就可以按照固有的变 比将其传导过去。
有人说这个变压器可以缓冲负载的短路,这也是没有根据的。因为变压器不是智能环节,根本无法判断负载是短路还是短期的大负荷工作。图10给出了 IEC发布的PC机典型工作电流波形,从图10(a)中可以看出,当机房中所有设备正常工作时,它们向UPS索取的最大电流值是分散的,所以从电源的电表 上看负载不大,比如平时的负载也就是60%左右,但有时也会切换到旁路上去,有时是几秒钟,有时是几分钟。UPS所以会转旁路,在正常情况下是因为过载, 但过载时间超过设定值时就会转旁路,过载消失后又切换回来。这是什么原因呢?从图10(b)可以看出,但机房中所有或大部分计算机正巧在某一刻都工作在最 大电流值时,负载量会变得很大。比如原来每台负载的最大电流峰值是100A,正常时由于分散,负载变得很平和;一旦同步取最大值时比如500A,如果时间 超过UPS允许的界限就会转旁路。假如变压器可以抗干扰和缓冲负载的突然变化,试问此时应当认为是干扰给抗掉呢还是当成短路给缓冲呢?要知道低于单机电流 峰值的的干扰由于被负载淹没是不需要抑制的,只有抑制那些高于峰值电流的干扰才有意义。现在图10(b)的电流峰值数倍于平时,不论是被变压器缓冲还是抑制都会造成用电系统的停机!这样的电源还有人敢用吗!实际上变压器一不能分辨干扰,也不能分辨短路,更没有所谓“缓冲”和“抑制”的功能。

图10 设备系统不同工作状况下的UPS的负载情况
例:北京某电子公司机房采用了150kVAX5台带有输出变压器的工频机UPS,构成了4+1冗余系统。一天外电网停电,UPS工作在电池模式,此时突 然有人合上了输出端300kVA的变压器,负载变压器瞬间的短路启动电流竟导致了一场灾难:70多节100Ah电池被烧毁,如果UPS的输出变压器若能 “缓冲”一下,负载变压器的瞬间短路也就顶过去了!
认为变压器具有上述功能的误区在于把变压器当成了电感,当成了扼流圈,当成了惯性器件。
3.UPS输出变压器没有隔直流的能力
从前面讨论中已经知道在工频机UPS全桥逆变器的结构中必须要变压器,不仅是单相机,三相机更是这样:因为三相桥逆变器输出的是三条火线而没有零线,只 有通过?-Y型变换才能有三相四线制的电源。所以变压器是工频UPS不可分割的部分,考察变压器假如的历史就可知道他不具备其他功能,隔直流之说更没根 据,下面来进行具体分析。
隔直流之说的精髓是说当逆变器功率管故障后又有可能使直流电压加到用户机器的输入端,而输出变压器的初级和次 级绕组是分开的,直流电压只能停留在初级绕组上,于是就产生了隔离效果。是的,但这是其一,其二却不知会带来严重后果。事情完全不是想象中的那样,图11 示出了一般变压器的工作情况。首先承认这种变压器是变换交流电的,如图中正弦波。假如不用来变换交流电而是施加直流,如图11中将电池组开关S闭合,由于 变压器绕组内阻相当小(近似于短路)就会在电池组和变压器初级绕组之间形成相当大的短路电流,一直到将电池组或导线或绕组烧断为止。换言之,这种电源变压 器根本不能加直流。这是电工上人人皆知的常识。

图11 全桥逆变器UPS输出变压器原理图
下面再来讨论逆变器功率管损坏情况下的变压器状态。逆变器功率管的损坏有两种情况:断开或穿通(短路)。图12示出了UPS全桥逆变器一个功率管(比如VT2) 开路(断开)的情况。从图中可以看出,在此情况下的电流路径只能是一个方向的,就是说只能输出一个极性的半波,如图中所示。一个极性就意味着逆变器此时只 能输出半波电压,而半波饱含直流成分,直流电流分量在变压器初级绕组中的积累会使绕组达到饱和状态,就类似于绕组短路,形成很大的电流,以致将变压器和电 池这个回路烧断为结束。这个直流电流倒是没有进到负载端,但UPS本身烧了。

图12 全桥逆变器UPS一个功率管开路情况原理图
再看逆变器一支功率管(比如VT2)穿通(短路)的情况。只要VT3和VT4一工作就形成引发出巨大的隐患:管子截止时原来有两个串联功率管承受的高压现在都加在了一个管子上,压力增加了一倍,一旦它们承受不了这种高压就会被击穿而形成短路,如图13所示。强大的电流可将VT3或VT4瞬 间炸毁,否则就会导致全系统跳闸保护。某石油公司的兆瓦级机房就是因为这个原因而造成3+1并联冗余的4X300kVA供电系统跳闸停机。在这里的变压器 根本没有任何作为。当然如果不是断路器及时跳闸就会导致变压器起火。在这种情况下虽然也是隔断了直流,但同样是把自己烧毁了,这样的隔直流功能没给用户带 来任何好处。
以上两种情况都是用烧毁UPS本身的代价而保护了IT设备,这对IT设备用户是不是就算是一种福音呢?当然不是,因为不论是烧毁UPS还是IT设备都会使系统崩溃而无法继续工作。
如果UPS供电设备在逆变器功率管损坏的情况下不但保护了IT设备,同时也保证了本身的安然无恙,这样的隔直流功能才有实际意义,这才是用户真正需要的。

图13 全桥逆变器UPS一个功率管穿通情况原理图
持此种说法的误区在于没有搞清楚变压器不能加直流电压和电流的道理。
电压 变压器 逆变器 半导体 二极管 电路 PWM 开关电源 电路图 IGBT 电流 电子 电阻 电容 电容器 电感 相关文章:
- 航天器DC/DC变换器的可靠性设计(02-12)
- 基于nRF2401智能小区无线抄表系统集中器设计(04-30)
- 卫星电源分系统可靠性设计与研究(02-12)
- 安全标准61010标准解析(05-05)
- 采用信号调理IC驱动应变片电桥传感器(05-26)
- 解密波音747飞机中的Sperry垂直陀螺仪(05-06)
