基于CB3LP在温度控制系统中的设计应用
时间:12-08
来源:互联网
点击:
CB3LP芯片是北京泛析智能控制技术有限公司依据自主知识产权的科研成果“直觉智能控制技术”(Sensorial Intelligence Control,简称“SIC”),而研制成功的一种芯片产品。该产品采用提高难控被控对象闭环自动控制性能的平台技术,使工程师能够简便迅捷地设计各种全智能模糊控制器。
CB3LP具有本质抗干扰能力,任何用单片机构造的模糊控制器都不能与之比拟。对于时变参数、时变大纯滞后难控被控对象,CB3LP控制波动小于0.2%;对于易控被控对象,CB3LP控制波动小于0.1‰。CB3LP外接一只电容和两只二极管与内电路构造智能积分运算,实现控制无静差;在线自动调整(嵌入单片机实施)或离线人工调整CB3LP外接电阻,使控制响应动态性能最优化;CB3LP动、静态控制品质优于模糊控制;在线(或离线)调整控制性能简单;抗干扰能力强。由于有这么多明显的技术优势,其应用范围很广,普遍应用于高精度控制时变参数、时变大纯滞后等难控对象;也可以替代PID控制器高精度控制易控被控对象。
CB3LP是函数型模糊控制芯片,它集成了一个函数化模糊推理,即直觉智能控制函数,一个运算放大器和一个PWM发生器,用于构造智能控制器。CB3LP的控制给定输入和反馈输入均为模拟电压信号;控制输出分为模拟和PWM两路输出,客户自选;通过改变外电路器件,可以加入双模态控制和智能积分运算。其引脚功能参见图1。

图1 CB3LP内部原理框图
CB3LP芯片在荧光定量PCR温度控制系统中的设计思路
荧光定量PCR系统由基本PCR、荧光检测和上位机等部分组成。基本PCR是此仪器的基础,包括半导体制冷片、温度采集与处理等部分,必须具有精确控温、快速升降温、温度均匀一致等PCR仪的基本要求,保证PCR过程的顺利完成。荧光检测部分包括激励光源、光电倍增管、信号采集与处理等部分。上位机部分包括数据采集和系统分析软件,主要负责从下位机采集数据,形成实时图形,并进行数据处理和图形分析,得到目标DNA片段的含量和其他检测报告信息等;同时,在上位机里,根据所测样品的PCR反应条件,设置相应的温度参数、控温时间以及循环次数等,然后使系统进入快速升温、恒温、快速降温、恒温等PCR循环过程,直至所有的循环结束。
图2所示是CB3LP芯片在温度控制系统中的原理框图。上位机通过串口发出给定温度信号给单片机,经DAC芯片(AD667)转换成模拟信号,由双运放LM358放大后,加到CB3LP芯片的控制给定输入端;同时,测温电桥将PT100铂电阻转变成微弱的电压信号,经过三运放INA118和两级单运放3140放大后,分两路输出,一路到CB3LP芯片,另一路到ADC芯片AD574,转换成数字信号后送至单片机和设定温度进行比较,控制单片机输出加热、制冷控制信号。最后,再通过光耦和CB3LP芯片输出的PID控制信号混合输出已经PID调节好的加热、制冷控制信号给半导体制冷片的电源换向电路,实现制冷片的加热和制冷精确控温。

图2 CB3LP芯片在温度控制系统中的原理框图
CB3LP芯片在温度控制系统中的具体应用设计
1.测温电桥及信号放大电路
测温电桥及信号放大电路如图3所示,由R5、R7、R8、R9、PT1铂电阻组成测温电桥,将PT100铂电阻转变成微弱的电压信号。PT100在0℃的时候电阻值为100Ω,然后温度每升高一度,电阻值增加0.385Ω。在0℃条件下,使PT1电阻为100Ω,调节R9,使桥的B、D两端电势相等,这时电桥达到平衡。当外界温度改变时,传感器PT100阻值会有相应变化,B、D两端电势不再相等,这时电桥处于非平衡状态。B、D之间有负载电阻R10、R11,其输出电压为VBD。如果使R5、R7和R8保持不变,那么PT1变化时VBD也会发生变化。
根据PT1与VBD的函数关系,通过检测桥路的非平衡电压VBD,能反应出桥臂电阻PT1的微小变化,这就是非平衡电桥工作的基本原理。为使测温更准确,没有使用外接电源的+5V供电,而是使用了稳压器TL431,其VOUT=(1+R3/R4)·Vref=2×2.5V=5V。

图3 测温电桥及信号放大电路
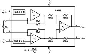
由PT100铂电阻转变成得微弱的电压信号,经三运放集成电路INA118放大10倍左右。INA118内部原理框图如图4所示。放大倍数G=1+50kΩ/R12=1+50/5.1=10.8。经过三运放放大后的电压信号再经两个3140单运放放大加到CB3LP芯片的放大器同名输入端1脚,同时也加到AD转换芯片U11(AD574)的13脚,转换成数字信号后送给单片机89C52,和设定温度进行比较,控制单片机P13、P14输出加热、制冷控制信号。

图4 INA118内部原理框图
传感器使用PT100铂电阻,由于铂电阻通过微小电压进行温度测量,容易受干扰,而且铂电阻非常小,容易折断顺坏,因此安装时要仔细,并尽量远离干扰源。信号放大电路使用运放电路,要仔细调节运放的调零电阻,使运放调零。
CB3LP具有本质抗干扰能力,任何用单片机构造的模糊控制器都不能与之比拟。对于时变参数、时变大纯滞后难控被控对象,CB3LP控制波动小于0.2%;对于易控被控对象,CB3LP控制波动小于0.1‰。CB3LP外接一只电容和两只二极管与内电路构造智能积分运算,实现控制无静差;在线自动调整(嵌入单片机实施)或离线人工调整CB3LP外接电阻,使控制响应动态性能最优化;CB3LP动、静态控制品质优于模糊控制;在线(或离线)调整控制性能简单;抗干扰能力强。由于有这么多明显的技术优势,其应用范围很广,普遍应用于高精度控制时变参数、时变大纯滞后等难控对象;也可以替代PID控制器高精度控制易控被控对象。
CB3LP是函数型模糊控制芯片,它集成了一个函数化模糊推理,即直觉智能控制函数,一个运算放大器和一个PWM发生器,用于构造智能控制器。CB3LP的控制给定输入和反馈输入均为模拟电压信号;控制输出分为模拟和PWM两路输出,客户自选;通过改变外电路器件,可以加入双模态控制和智能积分运算。其引脚功能参见图1。

图1 CB3LP内部原理框图
CB3LP芯片在荧光定量PCR温度控制系统中的设计思路
荧光定量PCR系统由基本PCR、荧光检测和上位机等部分组成。基本PCR是此仪器的基础,包括半导体制冷片、温度采集与处理等部分,必须具有精确控温、快速升降温、温度均匀一致等PCR仪的基本要求,保证PCR过程的顺利完成。荧光检测部分包括激励光源、光电倍增管、信号采集与处理等部分。上位机部分包括数据采集和系统分析软件,主要负责从下位机采集数据,形成实时图形,并进行数据处理和图形分析,得到目标DNA片段的含量和其他检测报告信息等;同时,在上位机里,根据所测样品的PCR反应条件,设置相应的温度参数、控温时间以及循环次数等,然后使系统进入快速升温、恒温、快速降温、恒温等PCR循环过程,直至所有的循环结束。
图2所示是CB3LP芯片在温度控制系统中的原理框图。上位机通过串口发出给定温度信号给单片机,经DAC芯片(AD667)转换成模拟信号,由双运放LM358放大后,加到CB3LP芯片的控制给定输入端;同时,测温电桥将PT100铂电阻转变成微弱的电压信号,经过三运放INA118和两级单运放3140放大后,分两路输出,一路到CB3LP芯片,另一路到ADC芯片AD574,转换成数字信号后送至单片机和设定温度进行比较,控制单片机输出加热、制冷控制信号。最后,再通过光耦和CB3LP芯片输出的PID控制信号混合输出已经PID调节好的加热、制冷控制信号给半导体制冷片的电源换向电路,实现制冷片的加热和制冷精确控温。

图2 CB3LP芯片在温度控制系统中的原理框图
CB3LP芯片在温度控制系统中的具体应用设计
1.测温电桥及信号放大电路
测温电桥及信号放大电路如图3所示,由R5、R7、R8、R9、PT1铂电阻组成测温电桥,将PT100铂电阻转变成微弱的电压信号。PT100在0℃的时候电阻值为100Ω,然后温度每升高一度,电阻值增加0.385Ω。在0℃条件下,使PT1电阻为100Ω,调节R9,使桥的B、D两端电势相等,这时电桥达到平衡。当外界温度改变时,传感器PT100阻值会有相应变化,B、D两端电势不再相等,这时电桥处于非平衡状态。B、D之间有负载电阻R10、R11,其输出电压为VBD。如果使R5、R7和R8保持不变,那么PT1变化时VBD也会发生变化。
根据PT1与VBD的函数关系,通过检测桥路的非平衡电压VBD,能反应出桥臂电阻PT1的微小变化,这就是非平衡电桥工作的基本原理。为使测温更准确,没有使用外接电源的+5V供电,而是使用了稳压器TL431,其VOUT=(1+R3/R4)·Vref=2×2.5V=5V。

图3 测温电桥及信号放大电路
由PT100铂电阻转变成得微弱的电压信号,经三运放集成电路INA118放大10倍左右。INA118内部原理框图如图4所示。放大倍数G=1+50kΩ/R12=1+50/5.1=10.8。经过三运放放大后的电压信号再经两个3140单运放放大加到CB3LP芯片的放大器同名输入端1脚,同时也加到AD转换芯片U11(AD574)的13脚,转换成数字信号后送给单片机89C52,和设定温度进行比较,控制单片机P13、P14输出加热、制冷控制信号。

图4 INA118内部原理框图
传感器使用PT100铂电阻,由于铂电阻通过微小电压进行温度测量,容易受干扰,而且铂电阻非常小,容易折断顺坏,因此安装时要仔细,并尽量远离干扰源。信号放大电路使用运放电路,要仔细调节运放的调零电阻,使运放调零。
单片机 电容 二极管 电路 电阻 放大器 PWM 电压 半导体 DAC ADC 传感器 集成电路 电路图 三极管 相关文章:
- 基于nRF2401智能无线火灾监控系统设计(04-01)
- 家居安防无线监控报警系统(04-02)
- 高精度压力测控系统的试验研究(04-08)
- 提高实时系统数据采集质量的研究(04-09)
- 基于MSP430的低功耗便携式测温仪设计(06-18)
- 以超低功耗微处理器MSP430为核心的热计量表设计(06-18)
