一种安全可靠的IC卡读写器系统
时间:12-06
来源:互联网
点击:
人们日常生活中经常接触到磁卡和IC卡,它们是根据卡片上的信息载体的不同而划分的。卡片及其读写器都属于人机接口的输入输出设备。磁卡是在卡片上贴一条窄窄的磁带来记录信息的,它主要用于车船票 、信用卡、电话磁卡、旅馆门钥匙等。IC卡则为近几年才出现的新型卡片,在卡片上嵌有IC(E2PROM,有的还有CPU)。由于它保存的信息比较可靠安全、可以高达几万次的读写,所以大量应用于公交车票 、饭票 、保健卡、收费系统等。下面介绍一种以XICOR公司的X76F100为卡片的、用于存取款的IC卡读写器方案。
1 硬件组成
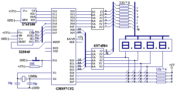
图1为IC卡及其读写器硬件电路图。其中读写器由单片机、键盘、显示、监控电路等部分组成。IC卡采用XICOR公司的X76F100Y。

图1 IC卡读写器系统电路图
1.1 IC卡及卡座
X76F100为1288位的保密串行FLASH E2PROM,其中读密码和写密码分别为64位。图2为其智能卡Smart Card封装的引脚图。把芯片封装在一个卡片上,将卡片插入IC卡读写器的卡座中,读写器就可以对它进行读写,实现加密、查询、存款、取款等功能。
IC卡座有8个引脚,当X76F100Y插入时,正好同这几个引脚相连。另外还有两个固定端,其中一个固定端同卡座上一个弹簧片相连,两个触点和簧片就相当于一个常闭开关。当卡未插入时,簧片闭合,P3.2脚保持低电平;当卡插入时,簧片被顶开,P3.2脚变为高电平。当单片机检测到P3.2脚变高,通过P1.3 使X76F100的RST引脚变高,使其复位。
1.2 单片机
单片机采用LG公司的GMS97C52。它有8K字节的ROM,256个字节的RAM以及32个I/O口,P1口与串行器件X25045和X76F100连接,P0、P2口用于键盘和显示,P3口中P3.2用于检测IC卡是否插入,其余7个口,可作其它功能扩充。

图2 X76F100Y引脚
1.3 监控电路
监控电路采用X25045芯片,它包括看门狗定时器、电压监控电路和E2PROM存贮器。其功能是:上掉电时对GMS97C52产生RESET信号;看门狗对系统进行监控,防止死机。
1.4 键盘电路
为了方便,键盘接口电路用I/O口实现,它为44结构,16个键。其中数字键11个,功能键4个,回车键1个。
数字键:0、1、2、3、4、5、6、7、8、9、←(退格)。
功能键:查询?、存储+、取款-、改密码* 。
查询?:用户通过读密码可以查询卡中所存的款额。
存款+ :用户通过写密码可以将款存入卡中。
取款-:用户通过写密码可以从卡中取款。
改密码*:分为修改读密码和写密码。为方便起见,令读密码和写密码一致,按此键将同时修改读密码和写密码。
回车键:8位密码或存取款数输入完确认,以及新密码输入完确认。
1.5 显示电路
显示部份采用LED显示器,也用I/O口实现。用于显示系统状态、输入的密码或所要存取的款额以及出错信息等。
由于GMS97C52的驱动电流有限,在P0、P2口加反向器SN74F04,增加驱动能力。它的吸入电流为64mA,输出电流为15mA,可以保证位选所需的吸入电流。
2 程序设计
2.1 主程序流程图
主程序流程图如图3所示。

开机后,系统处于待机状态,不断查询P3.2脚电平,当X76F100插入读写器卡座时,P3.2脚电平变高,单片机检测到P3.2高电平信号时,使P1.3脚电平变高,如果此时为低电平,X76F100复位,输出32位固定的“同步复位响应”数据。然后循环扫描键盘显示程序,进行存款、取款、查询或改密码。一次操作完成后返回,然后不断循环。
2.2 循环键盘显示程序
循环扫描键盘显示程序如图4所示,它采用程控扫描方式。键盘实际操作的顺序是:先按功能键,然后依次输入8位(十进制)密码,按回车键确认。当存取款时,随后输入所存取的款额;当修改密码时,随后输入8位新密码,输完后按回车键确认。若输入密码正确,显示IC卡内存款的余额或改密码成功信息(SUCCESS)。若密码不正确,提示重新输入,允许输入密码4次。
为了记录操作中正在进行的状态,在键盘程序中设置了多个指针。
(1)KEY 有否按键按下标志。00H表示无键按下,01H表示有键按下。此标志用于判断按键是否已松开,防止误操作。
(2)FUN为功能键指针,00H表示无功能键按下,01H表示存款(ADD),02H表示取款(SUB),03H表示查询(IQUIRE),04H表示改密码(CHANGE PASSWORD)。
(3)DIG为允许数字键输入标志,00H表示不允许,01H表示允许。此标志主要是防止输入多余的密码,或输入的款数超出限额。
(4) NUM表示输入第几个数字,00H表示无数字输入,01H~08H表示输入密码,09H~10H表示输入款数或新密码,若NUM为11H,显示出错信息。
2.3 X76F100读程序举例

图4 循环键盘显示程序流程图
X76F100为I2C总线E2PROM。SCL为时钟输入,SDA为双向数据输入输出线。通过片输入来控制对器件的访问。下面以页写为例,先结合时序说明X76F100的工作过程,然后给出程序。页写时序如图5所示。在该系统中,GMS97C52为主机,X76F100为从机。首先主机向从机发一个START命令,产生开始条件,然后发写命令字。当从机接到命令后,向主机发一个应答信号NACK。然后跟随8字节密码,随后进入一个写周期,写周期结束后进行密码应答轮询ACK Polling。X76F100要求主机用专用的应答命令55H进行应答轮询。如果输入的密码正确,将返回一个“ACK”。如果密码不正确,将返回“no-ACK”,重试计数器加1,返回到启始位置,提示重新送入写命令字和8字节密码。若密码正确,主机接着送入8个字节的数据,ACK响应成功后,主机发出STOP命令完成写操作。下面是用写密码进行页写的程序。

图5 页写时序图(需要密码)
WRITE_USING_WRITE_PASS: ;用写密码进行写操作
ACALL START;调开始命令
MOVA,#SECTOR_WR;调页写命令
ACALL OUTBYTE;调输出字节命令
ACALL NACK;X76F100发应答信号
ACALL WR_WR_PASS;调写密码命令
ACALL T10ms;10ms延时开始写密码周期
ACALL ACK_POLLING;调密码应答轮询子程序
ACALL WR_DATA;调页写数据子程序
ACALL STOP;调停止命令
ACALL T10ms;延时10ms写密码周期
RET
WR_WR_PASS: ;将写密码写入X76F100
MOVR0,#WR_PASS7;将密码首址送入R0
MOV R1,#08H;写密码为8个字节
WP:MOV A,@R0 ;将R0中的数据送入A中
ACALL OUTBYTE;输出字节子程序
ACALL NACK
INC R0
DJNZ R1,WP
RET
WR_DATA: ;将数据写到X76F100中
MOV R0,#DATA0;将数据首地址送入R0
MOV R1,#08H;一页有8个数据
WB: MOV A,@R0 ;将R0中数据送入A
ACALL OUTBYTE;调输出字节子程序
ACALL NACK;从机发应答信号
INC R0;下一个字节
DJNZ R1,WB;循环直到R1为0
RET
OUTBYTE: ;主机向X76F100发字节
MOV R2,#08H;一个字节有8位
LOOPO:
CLR SCL_76
RLC A;移位
MOV SDA_76,C;将进位送入数据线
SETB CL_76
DJNZ R2,LOOP;循环直到R2为0
RET
START:
SETB SDA_76;开始子程序
SETB SCL_76
CLR SDA_76
CLR SCL_76
RET
STOP:
CLR SDA_76;停止子程序
SETB SCL_76
SETB SDA_76
RET
ACK_POLLING: ;密码应答轮询子程序
ACALL START
MOV A,#55H;主机发固定应答命令
ACALL OUTBYTE
ACALL NACK;调从机发应答信号
JC PASS_ERROR;若有进位则密码错误
RET
PASS_ERROR: ;密码错误
ACALL STOP
RET
ACK:
CLRSDA_76;主机执行一个应答
ACALLCLOCK
RET
NACK:
SETB SDA_76
从机执行一个应答
ACALL CLOCK
RET
CLOCK:
SETBSCL_76;第9个脉冲
MOV C,SDA-76;读SDA状态以判断是否有应答
CLR SCL_76
RET
T10ms:
MOVR7,#064H
10ms延时
T10A:
MOVR6,#032H
T10B:
DJNZR6,T10B
DJNZR7,T10A
RET
1 硬件组成
图1为IC卡及其读写器硬件电路图。其中读写器由单片机、键盘、显示、监控电路等部分组成。IC卡采用XICOR公司的X76F100Y。

图1 IC卡读写器系统电路图
1.1 IC卡及卡座
X76F100为1288位的保密串行FLASH E2PROM,其中读密码和写密码分别为64位。图2为其智能卡Smart Card封装的引脚图。把芯片封装在一个卡片上,将卡片插入IC卡读写器的卡座中,读写器就可以对它进行读写,实现加密、查询、存款、取款等功能。
IC卡座有8个引脚,当X76F100Y插入时,正好同这几个引脚相连。另外还有两个固定端,其中一个固定端同卡座上一个弹簧片相连,两个触点和簧片就相当于一个常闭开关。当卡未插入时,簧片闭合,P3.2脚保持低电平;当卡插入时,簧片被顶开,P3.2脚变为高电平。当单片机检测到P3.2脚变高,通过P1.3 使X76F100的RST引脚变高,使其复位。
1.2 单片机
单片机采用LG公司的GMS97C52。它有8K字节的ROM,256个字节的RAM以及32个I/O口,P1口与串行器件X25045和X76F100连接,P0、P2口用于键盘和显示,P3口中P3.2用于检测IC卡是否插入,其余7个口,可作其它功能扩充。

图2 X76F100Y引脚
1.3 监控电路
监控电路采用X25045芯片,它包括看门狗定时器、电压监控电路和E2PROM存贮器。其功能是:上掉电时对GMS97C52产生RESET信号;看门狗对系统进行监控,防止死机。
1.4 键盘电路
为了方便,键盘接口电路用I/O口实现,它为44结构,16个键。其中数字键11个,功能键4个,回车键1个。
数字键:0、1、2、3、4、5、6、7、8、9、←(退格)。
功能键:查询?、存储+、取款-、改密码* 。
查询?:用户通过读密码可以查询卡中所存的款额。
存款+ :用户通过写密码可以将款存入卡中。
取款-:用户通过写密码可以从卡中取款。
改密码*:分为修改读密码和写密码。为方便起见,令读密码和写密码一致,按此键将同时修改读密码和写密码。
回车键:8位密码或存取款数输入完确认,以及新密码输入完确认。
1.5 显示电路
显示部份采用LED显示器,也用I/O口实现。用于显示系统状态、输入的密码或所要存取的款额以及出错信息等。
由于GMS97C52的驱动电流有限,在P0、P2口加反向器SN74F04,增加驱动能力。它的吸入电流为64mA,输出电流为15mA,可以保证位选所需的吸入电流。
2 程序设计
2.1 主程序流程图
主程序流程图如图3所示。

开机后,系统处于待机状态,不断查询P3.2脚电平,当X76F100插入读写器卡座时,P3.2脚电平变高,单片机检测到P3.2高电平信号时,使P1.3脚电平变高,如果此时为低电平,X76F100复位,输出32位固定的“同步复位响应”数据。然后循环扫描键盘显示程序,进行存款、取款、查询或改密码。一次操作完成后返回,然后不断循环。
2.2 循环键盘显示程序
循环扫描键盘显示程序如图4所示,它采用程控扫描方式。键盘实际操作的顺序是:先按功能键,然后依次输入8位(十进制)密码,按回车键确认。当存取款时,随后输入所存取的款额;当修改密码时,随后输入8位新密码,输完后按回车键确认。若输入密码正确,显示IC卡内存款的余额或改密码成功信息(SUCCESS)。若密码不正确,提示重新输入,允许输入密码4次。
为了记录操作中正在进行的状态,在键盘程序中设置了多个指针。
(1)KEY 有否按键按下标志。00H表示无键按下,01H表示有键按下。此标志用于判断按键是否已松开,防止误操作。
(2)FUN为功能键指针,00H表示无功能键按下,01H表示存款(ADD),02H表示取款(SUB),03H表示查询(IQUIRE),04H表示改密码(CHANGE PASSWORD)。
(3)DIG为允许数字键输入标志,00H表示不允许,01H表示允许。此标志主要是防止输入多余的密码,或输入的款数超出限额。
(4) NUM表示输入第几个数字,00H表示无数字输入,01H~08H表示输入密码,09H~10H表示输入款数或新密码,若NUM为11H,显示出错信息。
2.3 X76F100读程序举例

图4 循环键盘显示程序流程图
X76F100为I2C总线E2PROM。SCL为时钟输入,SDA为双向数据输入输出线。通过片输入来控制对器件的访问。下面以页写为例,先结合时序说明X76F100的工作过程,然后给出程序。页写时序如图5所示。在该系统中,GMS97C52为主机,X76F100为从机。首先主机向从机发一个START命令,产生开始条件,然后发写命令字。当从机接到命令后,向主机发一个应答信号NACK。然后跟随8字节密码,随后进入一个写周期,写周期结束后进行密码应答轮询ACK Polling。X76F100要求主机用专用的应答命令55H进行应答轮询。如果输入的密码正确,将返回一个“ACK”。如果密码不正确,将返回“no-ACK”,重试计数器加1,返回到启始位置,提示重新送入写命令字和8字节密码。若密码正确,主机接着送入8个字节的数据,ACK响应成功后,主机发出STOP命令完成写操作。下面是用写密码进行页写的程序。

图5 页写时序图(需要密码)
WRITE_USING_WRITE_PASS: ;用写密码进行写操作
ACALL START;调开始命令
MOVA,#SECTOR_WR;调页写命令
ACALL OUTBYTE;调输出字节命令
ACALL NACK;X76F100发应答信号
ACALL WR_WR_PASS;调写密码命令
ACALL T10ms;10ms延时开始写密码周期
ACALL ACK_POLLING;调密码应答轮询子程序
ACALL WR_DATA;调页写数据子程序
ACALL STOP;调停止命令
ACALL T10ms;延时10ms写密码周期
RET
WR_WR_PASS: ;将写密码写入X76F100
MOVR0,#WR_PASS7;将密码首址送入R0
MOV R1,#08H;写密码为8个字节
WP:MOV A,@R0 ;将R0中的数据送入A中
ACALL OUTBYTE;输出字节子程序
ACALL NACK
INC R0
DJNZ R1,WP
RET
WR_DATA: ;将数据写到X76F100中
MOV R0,#DATA0;将数据首地址送入R0
MOV R1,#08H;一页有8个数据
WB: MOV A,@R0 ;将R0中数据送入A
ACALL OUTBYTE;调输出字节子程序
ACALL NACK;从机发应答信号
INC R0;下一个字节
DJNZ R1,WB;循环直到R1为0
RET
OUTBYTE: ;主机向X76F100发字节
MOV R2,#08H;一个字节有8位
LOOPO:
CLR SCL_76
RLC A;移位
MOV SDA_76,C;将进位送入数据线
SETB CL_76
DJNZ R2,LOOP;循环直到R2为0
RET
START:
SETB SDA_76;开始子程序
SETB SCL_76
CLR SDA_76
CLR SCL_76
RET
STOP:
CLR SDA_76;停止子程序
SETB SCL_76
SETB SDA_76
RET
ACK_POLLING: ;密码应答轮询子程序
ACALL START
MOV A,#55H;主机发固定应答命令
ACALL OUTBYTE
ACALL NACK;调从机发应答信号
JC PASS_ERROR;若有进位则密码错误
RET
PASS_ERROR: ;密码错误
ACALL STOP
RET
ACK:
CLRSDA_76;主机执行一个应答
ACALLCLOCK
RET
NACK:
SETB SDA_76
从机执行一个应答
ACALL CLOCK
RET
CLOCK:
SETBSCL_76;第9个脉冲
MOV C,SDA-76;读SDA状态以判断是否有应答
CLR SCL_76
RET
T10ms:
MOVR7,#064H
10ms延时
T10A:
MOVR6,#032H
T10B:
DJNZR6,T10B
DJNZR7,T10A
RET
电路图 单片机 电路 看门狗 电压 LED 显示器 电流 总线 相关文章:
- 采用信号调理IC驱动应变片电桥传感器(05-26)
- 家居安防无线监控报警系统(04-02)
- 基于MSP430及PROFIBUS的监测子站设计(06-12)
- MSP430在大量程浮子式液位计中的应用(06-20)
- 基于MSP430的新型自报式水文遥测终端机设计(06-20)
- 基于I2C总线的MSP430单片机应用系统设计(06-20)
