RGB LED组合光源的色彩管理
时间:12-03
来源:互联网
点击:
结合红、绿、蓝光(RGB)发光二极管(LED)的多重色彩光源,可以产生多样化色彩输出,同时LED本身也具备相当的稳定度和高效率,不过在要运用RGB LED产出多重色彩光源并维持高品质,仍有些挑战必须克服,本文将介绍能够处理这些挑战的技术。
採用RGB LED
最简单的多重色彩LED光源包含三组LED,分别为红光、绿光及蓝光,每一组都由独立的驱动模组来推动。因此,所得到的光源色彩就受到红、绿与蓝光LED之间相对的发光强度所影响。LED的发光强度可以透过驱动电流改变,或采用脉宽调变(Pulse Width Modulation;PWM)的改变来推动LED信号,和有效週期率来加以控制。其中PWM的做法较为普遍,因为週周期系数对发光强度间的关系要比电流与发光强度间的关系更加线性化。

(图一) CIE1931色彩空间
这类LED光源的简单开迴路架构方式有个潜在的问题,由于LED的光学特性会受到运作条件的影响,因此组合后的RGB光源输出的亮度以及色度都会变化。同时,每颗LED元件也不尽相同,因此造成RGB光源的输出产生更多变化,(图二)与(图三)就描述了几个LED变动的范例。

(图二) RGB LED输出光谱受温度影响偏移的范例

(图三) LED相对强度受到温度影响造成偏移的范例,以25oC为标准
一个解决方式是使用光学反馈来产生一个闭回路系统,其基本的设置包含一个记录LED光源亮度的光感测器,以及依光感测器测量结果来调整光源输出的控制方法,这将可以让LED光源的亮度在每颗LED变化时维持稳定,也就是虽然各个零件各有变化,但总合维持不变。
在(图四)中,标记为22的积分电路可以输出一个受到光二极管(11a)上光量控制的电压,这个电压与VSET比较,比较器的输出能控制计数器数值的增加或减少,计数器的输出则是用来推动一个数字模拟转换器(37),进而控制LED的驱动电流。
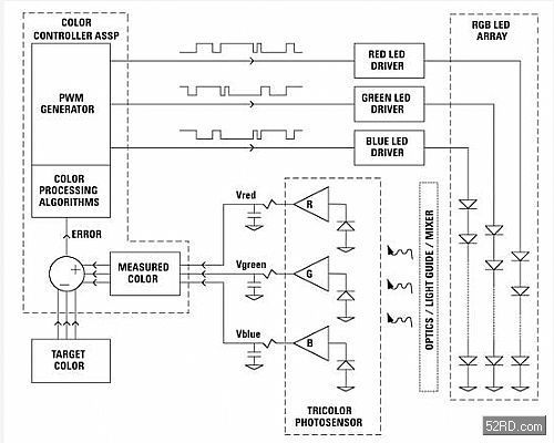
另一个更先进的光学反馈方式则是采用三色光感测器,通常包含三个独立的光感测器以及上方的三色滤镜,让这类光感测器能够记录色彩资讯而不只是亮度,这将可以进一步控制红、绿与蓝光LED的发光强度比,这个功能相当关键,因为它让RGB光源的亮度与色度得以控制,而ASSP则在三色光学反馈设计上扮演了重要的角色。

(图四) 实现光学回馈的电路
三色光学回馈系统
基本上来说,三色光感测器会产生一个三维色彩规格系统,因此称为RGB感测器色彩空间,这个系统可以让特定色彩由感测器的输出电压来指定,例如具备特定亮度的D65白光可以记录为:(Vred, Vgreen, Vblue)=(2.0, 2.2, 1.9)volts。
如(图五)所示,假设以上范例所使用的D65做为目标色,回馈系统会持续定期测量红、绿与蓝光感测器,统称为三色光感测器,并将所测量的色彩值与目标色比较。回馈系统的目的是将测得的色彩与目标色间的误差调整到0。

(图五) 三色光学回馈系统
(图六)以不同的方式描述这个概念,所有可能的目标色设定点透过由红、绿与蓝光感测器所形成的RGB感测器色彩空间内座标值来指定,当LED的特性改变时,所测得的色彩就会偏离目标,ASSP将会侦测到这个改变并随时依情况调整LED的PWM信号输出。
另一点相当重要,同时必须注意的是,当LED使用时间越久,光输出强度就会降低,因此经过一段时间后,RGB LED系统的最大可输出亮度将会下降,虽然在大部分的应用事实上都可以接受逐渐且稳定的亮度衰减,但有时无法接受的是RGB发光系统色度的变化,ASSP拥有能够稳定控制RGB发光系统光度衰减的功能,例如维持色度的稳定在一定的容忍度内,甚至当最高可输出亮度下降时。
而在系统亮度必须在整个应用的使用寿命内维持不变的情况,使用者必须确保最高可选用亮度低于整体要求寿命内的最高可达成亮度,如(图七)所示。
虽然RGB发光系统相当具有吸引力,但也面临了这项技术广泛使用的挑战限制,因此就引起了能够将三色光学回馈这类复杂情况隐藏在一个简单使用介面背后的需求,以下将介绍ASSP如何达成这个要求。

(图六) RGB感测器色彩空间的三线式座标系统

(图七) ASSP会将RGB光源的色度(在此为1931x,y座标)稳定维持在一定容忍范围内,甚至是在最高可达成亮度随时间降低时
无需外部处理
ASSP整合了一系列可以分析三色光感测器色彩资讯,并计算达成目标色的设定点及PWM驱动信号大小的一系列演算法。ASSP以大约每秒一百次的速度对光感测器进行取样,以确保PWM信号的持续定期调整不会被人眼察觉,如前面所提,ASSP同时也包含一个可以避免LED老化而造成RGB光源输出色度改变的演算法。
因此在达成与维持目标色上完全不需其他的计算。
色彩空间的标准化
这与选择目标色设定点的设备相关性有关,RGB感测器色彩空间会依照光感测器输出、光感测器位置、LED、LED驱动电路以及其他因素而产生变化,(图九)描述了这个问题,每个系统都在RGB感测器色彩空间上有些微差距,因此对系统A中所订定的D65规格可能会与系统B不同。
例如:
系统A(Vred, Vgreen, Vblue)=(2.0, 2.2, 1.9)volts;
系统B(Vred, Vgreen, Vblue)=(2.1, 2.4, 2.3)volts。
系统A中的三色光感测器在达成D65光输出时,会产生以上的电压位准,但对系统B的光感测器,虽然达到和A系统一样的D65光输出,却会产生不同的电压位准组合。换句话来说,由RGB感测器色彩空间所定义的色彩规格系统在每个系统都不一样。
ASSP整合了调校程序,让每个系统都能够使用标准的色彩规格系统,CIE1931 xyY与CIE RGB为ASSP内建的两个系统,透过标准的色彩空间输入,使用者可以将相同的目标色送给不同系统,并可安心确保每个系统都能产生相同误差容忍范围内的色彩输出。

(图八) ASSP直接由三色光感测器取样并将结果转换成所需的LED PWM信号

(图九) RGB感测器色彩空间的变动可以利用ASSP进行调校加以解决,将RGB感测器色彩空间对应到标准色彩系统,
例如1931 CIE xyY能够让每个系统使用标准色彩系统来选择目标色。
简易地设计导入
在普通情况下,ASSP只需支援被动元件以及一个外部PROM来储存调校资料。在大部分情况下,存储器空间可以和系统及周边共用,因为调校资料仅需31bytes。
这款ASSP拥有标准的两线式100 kHz I2C介面,同时所有的主要功能都对应到8-bit的定址空间上。例如要执行调校运算,只要将0x01写入CTRL2暂存器即可,有关其他设计的细节请参考元件的资料规格书。
在生产阶段,系统可以透过使用标准的CIE相机进行调校,调校资料必须储存在一个外部的短暂的记忆体中,而系统在导入到应用后并不需要进行调校程序。在应用上,使用者首先对设备进行组态,接着将先前储存的调校资料写入调校暂存器,这是一个简单的读出然后写入的程序,完成后,系统就可以接受目标色的输入。
颜色的选择相当简单,以上述的例子为例,?
标色D65以感测器电压的方式指定,在实际应用上,目标色可以CIE 1931xyY系统的座标指定,当然也可採用如CIE uvY与CIE RGB等其他色彩系统。例如,要选择照度E做为目标色,只要将(x, y, Y)=(330, 330, 200)的值送到ASSP中适当的暂存器即可完成。
●照度E CIE x,y座标为0.33, 0.33;
●将它们乘以1000得到330, 330;
●选择相对亮度大小Y = 250;
●将250写入暂存器位址237与236来设定亮度(Y值);
●将330写入暂存器位址235与234来设定x轴色度座标;
●将330写入暂存器位址233与232来设定y轴色度座标;
●将0x12写入暂存器位址1(CTRL1)来更新到新的目标色。
ASSP将在更新暂存器中的相对位元被设定后立即改变RGB光输出。

(图十) 三色管理系统的典型组态
(註:由于启动了内部参考电路与振盪器选择,因此,只需搭配被动元件即可支援这颗元件。如果系统已经可以提供记忆空间,那么就不需要EEPROM。)

(图十一) ASSP的部分暂存器空间范例,每个位元都对应到一项功能

(图十二) 典型的设计流程
实验结果
(图十三)显示了开回路与闭回路RGB光源系统的效能差别,实验采9000K白色目标色进行并使用duv做为评比指标。

(公式一)
其中
(U25, v25)=1976 CIE u, v在25oC时的色度座标;
(uT, vT)=1976 CIE u, v在温度T时的色度座标。
对效能进行判别的一个基本法,则是使用duv = 0.005做为人眼能够察觉变化前的色度的最小变化。

(图十三) 色度因温度变化的测量值
(图十四)描述了温度上升时对LED光谱的重大影响,这项资料由9000K白光目标色的闭回路系统取得,虽然光谱曲线出现大幅度的偏移,但duv依然维持在0.005以下。

(图十四) 光谱因温度造成的偏移,色度的偏移duv < 0.005
结语
RGB LED光源可以说是一个相当具有吸引力的照明解决方案,但由于LED特性的变化造成RGB光源输出偏移目标色,三色式光学回馈虽然是一个经实良好的解决方案,但是在运作上却有些复杂,必须透过良好的回授控制器设计才能够简化这类系统的实现动作。
採用RGB LED
最简单的多重色彩LED光源包含三组LED,分别为红光、绿光及蓝光,每一组都由独立的驱动模组来推动。因此,所得到的光源色彩就受到红、绿与蓝光LED之间相对的发光强度所影响。LED的发光强度可以透过驱动电流改变,或采用脉宽调变(Pulse Width Modulation;PWM)的改变来推动LED信号,和有效週期率来加以控制。其中PWM的做法较为普遍,因为週周期系数对发光强度间的关系要比电流与发光强度间的关系更加线性化。

(图一) CIE1931色彩空间
这类LED光源的简单开迴路架构方式有个潜在的问题,由于LED的光学特性会受到运作条件的影响,因此组合后的RGB光源输出的亮度以及色度都会变化。同时,每颗LED元件也不尽相同,因此造成RGB光源的输出产生更多变化,(图二)与(图三)就描述了几个LED变动的范例。

(图二) RGB LED输出光谱受温度影响偏移的范例

(图三) LED相对强度受到温度影响造成偏移的范例,以25oC为标准
一个解决方式是使用光学反馈来产生一个闭回路系统,其基本的设置包含一个记录LED光源亮度的光感测器,以及依光感测器测量结果来调整光源输出的控制方法,这将可以让LED光源的亮度在每颗LED变化时维持稳定,也就是虽然各个零件各有变化,但总合维持不变。
在(图四)中,标记为22的积分电路可以输出一个受到光二极管(11a)上光量控制的电压,这个电压与VSET比较,比较器的输出能控制计数器数值的增加或减少,计数器的输出则是用来推动一个数字模拟转换器(37),进而控制LED的驱动电流。
另一个更先进的光学反馈方式则是采用三色光感测器,通常包含三个独立的光感测器以及上方的三色滤镜,让这类光感测器能够记录色彩资讯而不只是亮度,这将可以进一步控制红、绿与蓝光LED的发光强度比,这个功能相当关键,因为它让RGB光源的亮度与色度得以控制,而ASSP则在三色光学反馈设计上扮演了重要的角色。

(图四) 实现光学回馈的电路
三色光学回馈系统
基本上来说,三色光感测器会产生一个三维色彩规格系统,因此称为RGB感测器色彩空间,这个系统可以让特定色彩由感测器的输出电压来指定,例如具备特定亮度的D65白光可以记录为:(Vred, Vgreen, Vblue)=(2.0, 2.2, 1.9)volts。
如(图五)所示,假设以上范例所使用的D65做为目标色,回馈系统会持续定期测量红、绿与蓝光感测器,统称为三色光感测器,并将所测量的色彩值与目标色比较。回馈系统的目的是将测得的色彩与目标色间的误差调整到0。

(图五) 三色光学回馈系统
(图六)以不同的方式描述这个概念,所有可能的目标色设定点透过由红、绿与蓝光感测器所形成的RGB感测器色彩空间内座标值来指定,当LED的特性改变时,所测得的色彩就会偏离目标,ASSP将会侦测到这个改变并随时依情况调整LED的PWM信号输出。
另一点相当重要,同时必须注意的是,当LED使用时间越久,光输出强度就会降低,因此经过一段时间后,RGB LED系统的最大可输出亮度将会下降,虽然在大部分的应用事实上都可以接受逐渐且稳定的亮度衰减,但有时无法接受的是RGB发光系统色度的变化,ASSP拥有能够稳定控制RGB发光系统光度衰减的功能,例如维持色度的稳定在一定的容忍度内,甚至当最高可输出亮度下降时。
而在系统亮度必须在整个应用的使用寿命内维持不变的情况,使用者必须确保最高可选用亮度低于整体要求寿命内的最高可达成亮度,如(图七)所示。
虽然RGB发光系统相当具有吸引力,但也面临了这项技术广泛使用的挑战限制,因此就引起了能够将三色光学回馈这类复杂情况隐藏在一个简单使用介面背后的需求,以下将介绍ASSP如何达成这个要求。

(图六) RGB感测器色彩空间的三线式座标系统

(图七) ASSP会将RGB光源的色度(在此为1931x,y座标)稳定维持在一定容忍范围内,甚至是在最高可达成亮度随时间降低时
无需外部处理
ASSP整合了一系列可以分析三色光感测器色彩资讯,并计算达成目标色的设定点及PWM驱动信号大小的一系列演算法。ASSP以大约每秒一百次的速度对光感测器进行取样,以确保PWM信号的持续定期调整不会被人眼察觉,如前面所提,ASSP同时也包含一个可以避免LED老化而造成RGB光源输出色度改变的演算法。
因此在达成与维持目标色上完全不需其他的计算。
色彩空间的标准化
这与选择目标色设定点的设备相关性有关,RGB感测器色彩空间会依照光感测器输出、光感测器位置、LED、LED驱动电路以及其他因素而产生变化,(图九)描述了这个问题,每个系统都在RGB感测器色彩空间上有些微差距,因此对系统A中所订定的D65规格可能会与系统B不同。
例如:
系统A(Vred, Vgreen, Vblue)=(2.0, 2.2, 1.9)volts;
系统B(Vred, Vgreen, Vblue)=(2.1, 2.4, 2.3)volts。
系统A中的三色光感测器在达成D65光输出时,会产生以上的电压位准,但对系统B的光感测器,虽然达到和A系统一样的D65光输出,却会产生不同的电压位准组合。换句话来说,由RGB感测器色彩空间所定义的色彩规格系统在每个系统都不一样。
ASSP整合了调校程序,让每个系统都能够使用标准的色彩规格系统,CIE1931 xyY与CIE RGB为ASSP内建的两个系统,透过标准的色彩空间输入,使用者可以将相同的目标色送给不同系统,并可安心确保每个系统都能产生相同误差容忍范围内的色彩输出。

(图八) ASSP直接由三色光感测器取样并将结果转换成所需的LED PWM信号

(图九) RGB感测器色彩空间的变动可以利用ASSP进行调校加以解决,将RGB感测器色彩空间对应到标准色彩系统,
例如1931 CIE xyY能够让每个系统使用标准色彩系统来选择目标色。
简易地设计导入
在普通情况下,ASSP只需支援被动元件以及一个外部PROM来储存调校资料。在大部分情况下,存储器空间可以和系统及周边共用,因为调校资料仅需31bytes。
这款ASSP拥有标准的两线式100 kHz I2C介面,同时所有的主要功能都对应到8-bit的定址空间上。例如要执行调校运算,只要将0x01写入CTRL2暂存器即可,有关其他设计的细节请参考元件的资料规格书。
在生产阶段,系统可以透过使用标准的CIE相机进行调校,调校资料必须储存在一个外部的短暂的记忆体中,而系统在导入到应用后并不需要进行调校程序。在应用上,使用者首先对设备进行组态,接着将先前储存的调校资料写入调校暂存器,这是一个简单的读出然后写入的程序,完成后,系统就可以接受目标色的输入。
颜色的选择相当简单,以上述的例子为例,?
标色D65以感测器电压的方式指定,在实际应用上,目标色可以CIE 1931xyY系统的座标指定,当然也可採用如CIE uvY与CIE RGB等其他色彩系统。例如,要选择照度E做为目标色,只要将(x, y, Y)=(330, 330, 200)的值送到ASSP中适当的暂存器即可完成。
●照度E CIE x,y座标为0.33, 0.33;
●将它们乘以1000得到330, 330;
●选择相对亮度大小Y = 250;
●将250写入暂存器位址237与236来设定亮度(Y值);
●将330写入暂存器位址235与234来设定x轴色度座标;
●将330写入暂存器位址233与232来设定y轴色度座标;
●将0x12写入暂存器位址1(CTRL1)来更新到新的目标色。
ASSP将在更新暂存器中的相对位元被设定后立即改变RGB光输出。

(图十) 三色管理系统的典型组态
(註:由于启动了内部参考电路与振盪器选择,因此,只需搭配被动元件即可支援这颗元件。如果系统已经可以提供记忆空间,那么就不需要EEPROM。)

(图十一) ASSP的部分暂存器空间范例,每个位元都对应到一项功能

(图十二) 典型的设计流程
实验结果
(图十三)显示了开回路与闭回路RGB光源系统的效能差别,实验采9000K白色目标色进行并使用duv做为评比指标。

(公式一)
其中
(U25, v25)=1976 CIE u, v在25oC时的色度座标;
(uT, vT)=1976 CIE u, v在温度T时的色度座标。
对效能进行判别的一个基本法,则是使用duv = 0.005做为人眼能够察觉变化前的色度的最小变化。

(图十三) 色度因温度变化的测量值
(图十四)描述了温度上升时对LED光谱的重大影响,这项资料由9000K白光目标色的闭回路系统取得,虽然光谱曲线出现大幅度的偏移,但duv依然维持在0.005以下。

(图十四) 光谱因温度造成的偏移,色度的偏移duv < 0.005
结语
RGB LED光源可以说是一个相当具有吸引力的照明解决方案,但由于LED特性的变化造成RGB光源输出偏移目标色,三色式光学回馈虽然是一个经实良好的解决方案,但是在运作上却有些复杂,必须透过良好的回授控制器设计才能够简化这类系统的实现动作。
二极管 LED 电流 PWM 电路 电压 比较器 相关文章:
- 航天器DC/DC变换器的可靠性设计(02-12)
- 基于nRF2401智能小区无线抄表系统集中器设计(04-30)
- 卫星电源分系统可靠性设计与研究(02-12)
- 基于令牌存储技术的采集器设计与实现(03-18)
- 安森美90W太阳能LED街灯高能效解决方案(05-18)
- 用电子技术最大化太阳能电池板输出功率(05-18)
