新一代工业包装的按需喷印系统设计
时间:11-11
来源:互联网
点击:
随着社会的不断发展,标识技术在各行各业得到了广泛的应用。食品、饮料、烟酒、药品及化妆品等包装印刷企业需要频繁或高速地将数字、条形码、图案或文字喷印于外包装纸箱或其他物品上。小型喷码设备移动性强,能安装在流水线的不同位置上,喷印时不接触物体,并且能根据用户的要求编辑、设置改变喷印的内容。这使得小型的喷码设备得到越来越广泛的应用。
目前,非接触式小型喷码机分为两种:连续喷墨和按需喷墨。连续喷墨技术喷印速度快,但喷印质量低;按需喷墨技术能喷印质量和分辨率高得多的画面。英国XAAR公司生产的XJ128喷头是一款典型的按需喷印喷头,这种喷头能以200 dpi的分辨率在诸如纸箱和管筒这类多孔渗透和非多孔渗透性底基上进行印刷,并可以使用油基、溶剂和紫外线固化等印墨。使用这种喷头,将能以更快的速度喷印高质量的图形和文本。现在国内喷码机市场上,自主生产的只有连续式喷码机,而按需喷印的喷码机均是国外品牌,价格昂贵。自主开发研制按需喷印喷码机已成当务之急。本文介绍按需喷印系统的一种实现方案。
表1 喷印系统的技术规格说明
表2 PC机与从机的功能描述
1 整体设计
工业包装喷印系统基本的功能要求如表1所列。
根据上述需求,系统分为主机PC和从机两部分。各部分的主要功能如表2所列。
由表2可知,采用一块单片机作为从机的主控制芯片足以满足上述要求,而且价格低廉,可降低系统硬件成本。需要进行大量运算的图像编辑和点阵数据生成的运算,放在功能强大的PC机上操作,这样不仅能快速进行大量的数据处理,降低从机的成本,而且便于软件的维护和升级。采用USB接口,使从机和PC机能方便的进行通信,可大幅度提高使用操作的便利性。
2 硬件设计
从机的硬件结构如图1所示。
图1 喷码系统从机的系统硬件结构
采用UPSD3254单片机作为系统的主控制芯片,液晶显示和键盘实现了人机对话的功能。EEPROM存储喷印信息,时钟芯片提供系统实时时钟,包括年、月、日、时、分、秒,通过USB接口与PC机进行数据传输。检测器和旋转编码器用于检测生产线上物体到来和测量物体位移。
UPSD3254是ST公司一款8051核的8位单片机,其内部带有PSD模块,外部有丰富的I/O资源,内部带有大容量的Flash和RAM,能满足系统对硬件资源的要求。此外,该芯片中带有PSD模块,可扩展输出以及实现简单的逻辑运算,并且它自带了USB1.1模块,可大大简化硬件电路上的设计,提高系统的可靠性,降低生产成本。LCD采用128%26;#215;64的LCD模块。EEPROM使用Atmel公司的AT24C1024,容量为1 Mb。采用I2C接口EEPROM能节省I/O资源。时钟芯片使用DS1302。采用这些常用芯片既能减少开支,又可保证货源充足。喷头则采用XAAR公司的XJ128。
UPSD3254与EEPROM的接口连接如图2所示。
图2 EEPROM与UPSD3254的电路连接
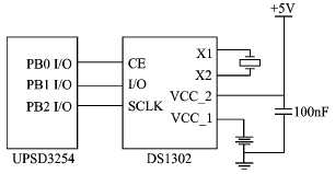
UPSD3254与DS1302的硬件连接如图3所示。
图3 UPSD3254与时钟芯片DS1302的电路连接
喷头XJ128的硬件连接如图4所示,74LS244用于提高UPSD3254的驱动能力。
图4 喷头XJ128与UPSD3254的电路连接图
3 软件设计
软件分为两部分:PC上位机程序和设备程序,如图5所示。
图5 软件框架 PC主要完成用户对喷印图像的编辑、管理以及传输。图像的编辑包括编辑和修改由中文、英文和数字组成的文本;选择字体的大小;编辑时间和货物批号。图像的管理包括保存编辑的图像、调用已有的图像。 PC与设备的通信由USB接口实现。
设备程序完成喷印参数设置、喷印图像数据、图像的管理以及与PC机的通信。参数的设置包括喷印触发源、图像喷印起始位置、图像数据行之间的喷印延时、喷印的方式、系统时钟和喷印号码链。图像的管理包括接收喷印图像的存储和删除。软件结构如图6所示。
图6 设备系统的状态转换示意图
设备系统分成3个状态:操作状态、喷印状态和通信状态。
(1) 操作状态
响应键盘操作,实现人机对话,包括设备参数的设置,图像数据的删除,图像数据的调用和喷印,设备与PC通信启动按键。选择“设备与PC通信启动”按键,系统进入通信状态。选择“喷印”按键,系统进入喷印状态。
(2) 喷印状态
将图像数据输出到喷头喷印。根据设备的参数设置,系统将选中的图像数据按固定的格式送给XJ128喷头输出。在此状态下,系统完成数据从RAM到喷头的传送;“停止喷印按键”将使系统返回操作状态,系统不响应其他按键操作。喷印结束后返回操作状态。在喷印过程中,如果检测到喷头温度过高,系统将停止喷印操作,返回操作状态。
(3) 通信状态
与主机进行数据交换,系统不响应按键操作,通信成功则返回操作状态。通信失败,设置错误标志,返回操作状态。图7给出了通信的程序流程。
图7 通信主流程示意图
目前,非接触式小型喷码机分为两种:连续喷墨和按需喷墨。连续喷墨技术喷印速度快,但喷印质量低;按需喷墨技术能喷印质量和分辨率高得多的画面。英国XAAR公司生产的XJ128喷头是一款典型的按需喷印喷头,这种喷头能以200 dpi的分辨率在诸如纸箱和管筒这类多孔渗透和非多孔渗透性底基上进行印刷,并可以使用油基、溶剂和紫外线固化等印墨。使用这种喷头,将能以更快的速度喷印高质量的图形和文本。现在国内喷码机市场上,自主生产的只有连续式喷码机,而按需喷印的喷码机均是国外品牌,价格昂贵。自主开发研制按需喷印喷码机已成当务之急。本文介绍按需喷印系统的一种实现方案。
表1 喷印系统的技术规格说明
表2 PC机与从机的功能描述
1 整体设计
工业包装喷印系统基本的功能要求如表1所列。
根据上述需求,系统分为主机PC和从机两部分。各部分的主要功能如表2所列。
由表2可知,采用一块单片机作为从机的主控制芯片足以满足上述要求,而且价格低廉,可降低系统硬件成本。需要进行大量运算的图像编辑和点阵数据生成的运算,放在功能强大的PC机上操作,这样不仅能快速进行大量的数据处理,降低从机的成本,而且便于软件的维护和升级。采用USB接口,使从机和PC机能方便的进行通信,可大幅度提高使用操作的便利性。
2 硬件设计
从机的硬件结构如图1所示。
图1 喷码系统从机的系统硬件结构
采用UPSD3254单片机作为系统的主控制芯片,液晶显示和键盘实现了人机对话的功能。EEPROM存储喷印信息,时钟芯片提供系统实时时钟,包括年、月、日、时、分、秒,通过USB接口与PC机进行数据传输。检测器和旋转编码器用于检测生产线上物体到来和测量物体位移。
UPSD3254是ST公司一款8051核的8位单片机,其内部带有PSD模块,外部有丰富的I/O资源,内部带有大容量的Flash和RAM,能满足系统对硬件资源的要求。此外,该芯片中带有PSD模块,可扩展输出以及实现简单的逻辑运算,并且它自带了USB1.1模块,可大大简化硬件电路上的设计,提高系统的可靠性,降低生产成本。LCD采用128%26;#215;64的LCD模块。EEPROM使用Atmel公司的AT24C1024,容量为1 Mb。采用I2C接口EEPROM能节省I/O资源。时钟芯片使用DS1302。采用这些常用芯片既能减少开支,又可保证货源充足。喷头则采用XAAR公司的XJ128。
UPSD3254与EEPROM的接口连接如图2所示。
图2 EEPROM与UPSD3254的电路连接
UPSD3254与DS1302的硬件连接如图3所示。
图3 UPSD3254与时钟芯片DS1302的电路连接
喷头XJ128的硬件连接如图4所示,74LS244用于提高UPSD3254的驱动能力。
图4 喷头XJ128与UPSD3254的电路连接图
3 软件设计
软件分为两部分:PC上位机程序和设备程序,如图5所示。
图5 软件框架 PC主要完成用户对喷印图像的编辑、管理以及传输。图像的编辑包括编辑和修改由中文、英文和数字组成的文本;选择字体的大小;编辑时间和货物批号。图像的管理包括保存编辑的图像、调用已有的图像。 PC与设备的通信由USB接口实现。
设备程序完成喷印参数设置、喷印图像数据、图像的管理以及与PC机的通信。参数的设置包括喷印触发源、图像喷印起始位置、图像数据行之间的喷印延时、喷印的方式、系统时钟和喷印号码链。图像的管理包括接收喷印图像的存储和删除。软件结构如图6所示。
图6 设备系统的状态转换示意图
设备系统分成3个状态:操作状态、喷印状态和通信状态。
(1) 操作状态
响应键盘操作,实现人机对话,包括设备参数的设置,图像数据的删除,图像数据的调用和喷印,设备与PC通信启动按键。选择“设备与PC通信启动”按键,系统进入通信状态。选择“喷印”按键,系统进入喷印状态。
(2) 喷印状态
将图像数据输出到喷头喷印。根据设备的参数设置,系统将选中的图像数据按固定的格式送给XJ128喷头输出。在此状态下,系统完成数据从RAM到喷头的传送;“停止喷印按键”将使系统返回操作状态,系统不响应其他按键操作。喷印结束后返回操作状态。在喷印过程中,如果检测到喷头温度过高,系统将停止喷印操作,返回操作状态。
(3) 通信状态
与主机进行数据交换,系统不响应按键操作,通信成功则返回操作状态。通信失败,设置错误标志,返回操作状态。图7给出了通信的程序流程。
图7 通信主流程示意图
单片机 USB 编码器 电路 LCD Atmel 总线 CPLD 相关文章:
- 基于nRF2401智能无线火灾监控系统设计(04-01)
- 家居安防无线监控报警系统(04-02)
- 高精度压力测控系统的试验研究(04-08)
- 提高实时系统数据采集质量的研究(04-09)
- 基于MSP430的低功耗便携式测温仪设计(06-18)
- 以超低功耗微处理器MSP430为核心的热计量表设计(06-18)
