LSD-2C智能开口闪点测定仪
时间:09-13
来源:互联网
点击:
“闪点”是表征石油产品储运安全性的一项指标,单位是摄氏度,它表明石油产品在此温度时如遇到明火将会引起“爆鸣”,危及设备及人身安全。因此,石油产品出厂前和用户进货入库前都要先测试闪点,以确保安全。
手动仪表最大不足是升温特性不佳,很难按国家标准及国际标准线性升温。实测时温度变动太大,得出的闪点值重复性很差。而我们根据标准要求,新开发的LSD-2C智能开口闪点测定仪,整机运行完全由微电脑控制,操作者一次键入预闪点后,测试过程即完全自动进行。如果操作者预置不当还会发出声音报警拒绝执行,并能对测试结果进行判断。其主要特点如下:
测温系统采用4位半A/D转换芯片ICL7135作为模数转换器,传感器输出的模拟信号直接变成BCD码输出;火焰扫划系统实现了自动化;闪火点检测采用新型材料、特殊结构的传感器件;为了有效地控制温升,使之满足国家标准和国际标准的要求,采用了模糊逻辑算法控制温升;闪点值除可以用LED显示外,尚可以用所配的微型打印机,自动打印出测试时间、油号、气压、预闪点、闪点值,并给出诊断结果。测试过程完全符合国家标准和国际标准,具有完善的气压校正功能。其总体框图如图1所示。

图1 整机方框图

图2 测温电路
单元电路设计
测温部分
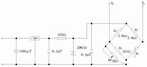
测温部分电路如图2所示,其中测温传感器采用BA2铂电阻,0℃时电阻为100W,温度为100℃时为138.5W,平均每度变化0.385W,流过铂电阻的电流平均为2.37mA,即每度变化为0.915mv,近似的可以看作温度变化1℃电桥输出电压1 mv。
控温系统
控温过程的调节方式由软件编程决定,其流程图如图4所示。控温采用模糊逻辑算法的脉宽调制方式,由8031的P1.3输出调宽脉冲经7407隔离后,再经光控可控硅MOC3020隔离控制加热器,炉丝功率为600W。应当指出,加热系统采用炉盘加热,惰性很大,这给控温带来困难。
闪火检测系统
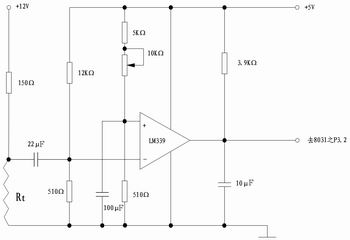
本系统可分为火焰检测器,高通滤波器,阈值设定及比较器等部分。闪火信号(低电平有效)经8031的P3.2口送往单片机。为了鉴别闪火,在程序中设有选票表决程序,只有经过一定次数的低电平后才认为有效。
火焰检测器采用了200W白炽灯的钨丝(已制成螺旋状),阻值大约在200Ω左右,并制成网状,置于油杯上方。这样无论闪火点在油杯上方的何处,都能有效地检测闪火。既使传感器的十分之一受热,也足以使比较器LM339翻转。
闪点检测电路如图3。闪火信号经隔离、限幅之后送入LM339的反相端。当V+-V-大于2mv,输出即为高电平,但如确切为高电平(4.5V),V+须比V-高7mv。为了抗干扰,我们设置V+-V-=30mv,这样既可以对干扰信号进行幅度鉴别,又可防止LM339失调电压温漂导致的输入电平摆动。
阈值不可降的太低,因为在油杯温度超过200℃时,绝缘材料电导增加,会使V+下降,严重时会产生虚报闪点现象。

图3 闪火检测电路图

图4 控温流程图
几个待解决的问题
1、闪火检测传感器虽然灵敏度高,检测可靠,但长期使用骨架易变形,今后应考虑用特制陶瓷骨架。
2、打印机的抗干扰问题,打印机无硬件控制电路,在受到干扰的时候,会连续走纸打印。在无人值守的情况下,会浪费打印纸并降低打印机的寿命,应当增加一个定时继电器,强行限定打印机的一次运行时间,避免在故障时,盲目长期运转。
结语
LSD-2C智能开口闪点测定仪,经过设计,试制改进再试制几个循环制成样机。一年多来的试用表明:本机确可以按国家标准和国际标准进行测试,为废止现行的落后的国家标准,代之以较先进的国际标准提供了物质基础。
手动仪表最大不足是升温特性不佳,很难按国家标准及国际标准线性升温。实测时温度变动太大,得出的闪点值重复性很差。而我们根据标准要求,新开发的LSD-2C智能开口闪点测定仪,整机运行完全由微电脑控制,操作者一次键入预闪点后,测试过程即完全自动进行。如果操作者预置不当还会发出声音报警拒绝执行,并能对测试结果进行判断。其主要特点如下:
测温系统采用4位半A/D转换芯片ICL7135作为模数转换器,传感器输出的模拟信号直接变成BCD码输出;火焰扫划系统实现了自动化;闪火点检测采用新型材料、特殊结构的传感器件;为了有效地控制温升,使之满足国家标准和国际标准的要求,采用了模糊逻辑算法控制温升;闪点值除可以用LED显示外,尚可以用所配的微型打印机,自动打印出测试时间、油号、气压、预闪点、闪点值,并给出诊断结果。测试过程完全符合国家标准和国际标准,具有完善的气压校正功能。其总体框图如图1所示。

图1 整机方框图

图2 测温电路
单元电路设计
测温部分
测温部分电路如图2所示,其中测温传感器采用BA2铂电阻,0℃时电阻为100W,温度为100℃时为138.5W,平均每度变化0.385W,流过铂电阻的电流平均为2.37mA,即每度变化为0.915mv,近似的可以看作温度变化1℃电桥输出电压1 mv。
控温系统
控温过程的调节方式由软件编程决定,其流程图如图4所示。控温采用模糊逻辑算法的脉宽调制方式,由8031的P1.3输出调宽脉冲经7407隔离后,再经光控可控硅MOC3020隔离控制加热器,炉丝功率为600W。应当指出,加热系统采用炉盘加热,惰性很大,这给控温带来困难。
闪火检测系统
本系统可分为火焰检测器,高通滤波器,阈值设定及比较器等部分。闪火信号(低电平有效)经8031的P3.2口送往单片机。为了鉴别闪火,在程序中设有选票表决程序,只有经过一定次数的低电平后才认为有效。
火焰检测器采用了200W白炽灯的钨丝(已制成螺旋状),阻值大约在200Ω左右,并制成网状,置于油杯上方。这样无论闪火点在油杯上方的何处,都能有效地检测闪火。既使传感器的十分之一受热,也足以使比较器LM339翻转。
闪点检测电路如图3。闪火信号经隔离、限幅之后送入LM339的反相端。当V+-V-大于2mv,输出即为高电平,但如确切为高电平(4.5V),V+须比V-高7mv。为了抗干扰,我们设置V+-V-=30mv,这样既可以对干扰信号进行幅度鉴别,又可防止LM339失调电压温漂导致的输入电平摆动。
阈值不可降的太低,因为在油杯温度超过200℃时,绝缘材料电导增加,会使V+下降,严重时会产生虚报闪点现象。

图3 闪火检测电路图

图4 控温流程图
几个待解决的问题
1、闪火检测传感器虽然灵敏度高,检测可靠,但长期使用骨架易变形,今后应考虑用特制陶瓷骨架。
2、打印机的抗干扰问题,打印机无硬件控制电路,在受到干扰的时候,会连续走纸打印。在无人值守的情况下,会浪费打印纸并降低打印机的寿命,应当增加一个定时继电器,强行限定打印机的一次运行时间,避免在故障时,盲目长期运转。
结语
LSD-2C智能开口闪点测定仪,经过设计,试制改进再试制几个循环制成样机。一年多来的试用表明:本机确可以按国家标准和国际标准进行测试,为废止现行的落后的国家标准,代之以较先进的国际标准提供了物质基础。
传感器 自动化 LED 电路 电阻 电流 电压 可控硅 滤波器 比较器 单片机 电路图 继电器 相关文章:
- 多核及虚拟化技术在工业和安全领域的应用(05-23)
- 基于ARM核的AT75C220及其在指纹识别系统中的应用(05-24)
- 基于音频信号的轴承故障诊断方法(03-17)
- 采用信号调理IC驱动应变片电桥传感器(05-26)
- 基于nRF2401智能无线火灾监控系统设计(04-01)
- 家居安防无线监控报警系统(04-02)
