一种高性能指纹锁硬件平台的设计
时间:08-20
来源:互联网
点击:
1 指纹锁的基础构件
设计一款指纹锁的基础构件:传感器、传感器的驱动、底层的接口、电源的设计以及软件算法的设计。
1)指纹传感器用于采集指纹图像。选择成像合适的、数据接口通用的指纹传感器,便于采集和读取清晰的指纹图像,进行指纹识别,提高识别的效率。用在指纹锁上的指纹传感器,要兼顾体积小、功耗低、采集图像速度快和清晰等特点。
2)指纹算法模块将采集的图像数据进行存储、运算、处理等工作。选择合适的嵌入式CPU,将提高采集图像的速度,快速提取所需的信息,准确的进行比对和判断工作。指纹识别上层构件——指纹锁,根据其特点,指纹算法模块采用当前高性能的嵌入式系统CPU设计,具有体积较小、功耗极低的特点。
3)底层电机驱动门锁。指纹锁的设计,就是将电控技术和传统的机械技术相结合。通过MCU来驱动电机开关机械门锁,是指纹锁的一个基础构件。指纹识别模块处理认证工作做出的最终判断,即是否要执行*的操作,必须通过电机驱动门锁来完成。简洁、高性能、低功耗、稳定的MCU驱动,保证了指纹锁整体的性能。
4)成熟的指纹识别算法。指纹锁的灵魂部分是指纹算法,准确、高效、快速处理指纹的算法,是指纹锁性能决定性因素。实现这一算法,采用在PC机上进行验证测试,不断进行修改调整,直到成熟可靠,再移植到嵌入式系统。
2 系统组成方案
经过全面的考虑和详细分析,结合嵌入式硬件、算法软件的特点,对指纹锁的整体布局进行具体规划设计,系统由算法处理核心,指纹采集,电源管理,底层控制驱动以及存储器等5个模块组成。各个模块之间的相互关系如图1所示。

1)算法处理模块用于移植上位机验证通过的可靠指纹识别算法,其主要功能:通过CPLD存取传感器采集的指纹图像;并对图像数据进行处理,作出图像识别的最终结论;管理外部存储器SDRAM和DATA Flash;与控制驱动模块通讯等。
2)指纹采集模块集合了指纹传感器和采集控制电路,按照预先设定的采集参数,负责实时采集指纹图像,并通过相应的接口将图像数据传输至算法处理核心模块。
3)电源管理模块为整体系统供电,该系统设计的硬件平台有3组供电电压:外围机械电机驱动为5 V,底层控制模块的电压和DSP的外核电压同为3.3 V,DSP的内核电压为1.8 V。
4)底层控制模块包括控制器MCU、LED指示灯、指纹锁键盘、电机和逻辑控制器CPLD等外同电路,与指纹产品的中间构件相配套,设计上层构件——指纹锁。
5)存储器模块包括外部SDRAM和外扩DATA Flash,前者用于存储临时比对的图像和一些变量,后者用于保存指纹特征库和DSP的BootLoa-der启动程序。
3 硬件设计
3.1 采集图像传感器
指纹传感器是通过光学扫描、晶体热敏、晶体电容等3种主要传感原理采集指纹图像。衡量一个传感器的质量主要有:成像质量、手指适应能力、采集速度、电气特性、硬件接口能力、SDK能力、附加功能。根据成像原理不同。广泛使用的指纹传感器类型有光学、电感式、电容式以及压感式等。其中,CMOS光学传感器具有无畸变、指纹图像清晰、对比度高的特点,对质量较差指纹具有良好的校正和容错性能,在使用寿命上百万次无变化。指纹图像读取过程中,采用自适应参数调节机制,使干、湿手指都有较好的成像质量,适用人群更广泛,所以这里采用CMOS光学传感器作为嵌入式指纹锁的图像采集设备。而其他类型的传感器虽具有体积小、重量轻等优势,但其自身的缺陷注定了这些类型的传感器不适合作为门禁锁产品。经过比较,该系统选择了OmniVision公司的0V7620型指纹传感器。该器件功耗很低,非常适合作指纹采集传感器。
3.2 图像处理模块
指纹锁既要求稳定性好、识别速度快、准确率高,还要求体积小、功耗低,采集速度快。为了将PC机验证的指纹算法较好地移植到嵌入式系统中,选择合适的算法模块CPU至关重要。目前国内大多数采用“DSP+MCU”,“ARM+MCU”,或“FPGA+MCU”方式实现。在设计算法处理模块CPU时,分别对ARM、DSP和FPGA进行了比较:性能较强的FPGA,但价格都较高,与该设计“民用”指纹锁低成本要求不符。而对于当今比较流行的嵌入式系统ARM和DSP,两者各有优点,应用的针对场合不同。结合该系统设计的技术要求和特点,考虑到器件性能高、功耗低。同时兼顾价格因素,该系统选用TI公司的TMS320C5509A作为处理器,实现指纹算法的移植。
3.3 底层控制模块及其他模块
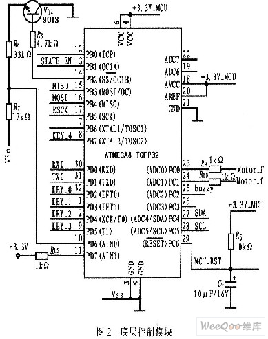
设计指纹锁,除了要有完整的中间构件——指纹识别模块,还需要配套的底层控制模块等基础构件。该系统选用高性能低功耗的MEGA8单片机作为底层控制模块的CPU处理器。该器件所实现的功能有:循环扫描键盘并进行相应处理;控制LED灯指示系统当前工作状态;驱动电机执行开关门锁动作;与DSP通讯交互信息等。如图2所示,单片机作为底层控制模块,其IO引脚控制其他器件,采用I2C与DSP进行信息交换。

软件设计时,MEGA8单片机上电后CPU启动进入复位状态,进行寄存器初始化,读取存储参数,设置外围传感器参数等工作。启动完毕,即进入工作状态,处理相应的各类底层驱动。进入休眠态前,存储好各项参数,保存现场,然后进入省电模式。
电源管理模块如图3所示,包括电源和电源管理器件。电源部分,该设计由4节1.5 V串联的干电池供电,此电压实际最高时为7 V左右,最低时为5 V,足以满足整体体统的电压要求。电源管理器件,选用手持设备中常用的低功耗高性能稳压器R1111N331B、XC62068152MR、XC6-206P332MR,输出33 V的整体电压和DSP 1.8 V的核心电压,这类器件的特点是它具有控制关断引引脚,在系统处于睡眠时,可以通过置位使能端,关断整个系统板的供电,从而达到低功耗节能的目的。

4 硬件调试
在硬件调试方面,规划和设计好指纹锁的电路原理图,对电路图进行PCB制版,要做的准备工作比较多。首先需要对PCB的设计经验丰富,包括元件封装库的选择、尺寸大小的设计,线路的布线、高速信号线的隔离以及并行走线等,都要非常注意。
例如:由于DSP的数据线是频率上百兆的信号,特别注意布线问题,否则将会影响工作的状态。系统第一次制版时,忽略了DSP数据线布局走线原则,在系统调试时,DSP全速运作,系统常出现“死机”现象。经校验发现:原理布局并没问题,问题集中在了走线规则上;第二制版改进了设计方案,根据高速数据线平行原则进行布线,最后整体硬件工作运行比较流畅。
另外,指纹识别脱机产品,一般要求体积尽量小,供电方便,这就对系统的硬件设计提出了几个要求:PCB板要尽量的小;定位孔设计合理方便安装;所选元件采用最小的封装;布线要细,但必须保证一定间距,不会产生互相干扰。经调试和多次测试,系统最后设计PCB电路板如图4所示。

5 结论
系统采用基于DSP的嵌入式技术,CMOS光学指纹传感器作为采集仪,综合应用CPLD和单片机技术,设计一个完整的、独立运行的指纹锁系统。经过对元器件的比较选择,功耗、采集速度、运行速度、设计布局的综合考虑,设计指纹锁硬件平台,经过指纹算法的测试,系统能稳定可靠的工作。它具有体积小、功耗低、使用安装方便的特点,非常适合于现代家庭的防盗门锁安装,能满足普通用户的需求。
设计一款指纹锁的基础构件:传感器、传感器的驱动、底层的接口、电源的设计以及软件算法的设计。
1)指纹传感器用于采集指纹图像。选择成像合适的、数据接口通用的指纹传感器,便于采集和读取清晰的指纹图像,进行指纹识别,提高识别的效率。用在指纹锁上的指纹传感器,要兼顾体积小、功耗低、采集图像速度快和清晰等特点。
2)指纹算法模块将采集的图像数据进行存储、运算、处理等工作。选择合适的嵌入式CPU,将提高采集图像的速度,快速提取所需的信息,准确的进行比对和判断工作。指纹识别上层构件——指纹锁,根据其特点,指纹算法模块采用当前高性能的嵌入式系统CPU设计,具有体积较小、功耗极低的特点。
3)底层电机驱动门锁。指纹锁的设计,就是将电控技术和传统的机械技术相结合。通过MCU来驱动电机开关机械门锁,是指纹锁的一个基础构件。指纹识别模块处理认证工作做出的最终判断,即是否要执行*的操作,必须通过电机驱动门锁来完成。简洁、高性能、低功耗、稳定的MCU驱动,保证了指纹锁整体的性能。
4)成熟的指纹识别算法。指纹锁的灵魂部分是指纹算法,准确、高效、快速处理指纹的算法,是指纹锁性能决定性因素。实现这一算法,采用在PC机上进行验证测试,不断进行修改调整,直到成熟可靠,再移植到嵌入式系统。
2 系统组成方案
经过全面的考虑和详细分析,结合嵌入式硬件、算法软件的特点,对指纹锁的整体布局进行具体规划设计,系统由算法处理核心,指纹采集,电源管理,底层控制驱动以及存储器等5个模块组成。各个模块之间的相互关系如图1所示。

1)算法处理模块用于移植上位机验证通过的可靠指纹识别算法,其主要功能:通过CPLD存取传感器采集的指纹图像;并对图像数据进行处理,作出图像识别的最终结论;管理外部存储器SDRAM和DATA Flash;与控制驱动模块通讯等。
2)指纹采集模块集合了指纹传感器和采集控制电路,按照预先设定的采集参数,负责实时采集指纹图像,并通过相应的接口将图像数据传输至算法处理核心模块。
3)电源管理模块为整体系统供电,该系统设计的硬件平台有3组供电电压:外围机械电机驱动为5 V,底层控制模块的电压和DSP的外核电压同为3.3 V,DSP的内核电压为1.8 V。
4)底层控制模块包括控制器MCU、LED指示灯、指纹锁键盘、电机和逻辑控制器CPLD等外同电路,与指纹产品的中间构件相配套,设计上层构件——指纹锁。
5)存储器模块包括外部SDRAM和外扩DATA Flash,前者用于存储临时比对的图像和一些变量,后者用于保存指纹特征库和DSP的BootLoa-der启动程序。
3 硬件设计
3.1 采集图像传感器
指纹传感器是通过光学扫描、晶体热敏、晶体电容等3种主要传感原理采集指纹图像。衡量一个传感器的质量主要有:成像质量、手指适应能力、采集速度、电气特性、硬件接口能力、SDK能力、附加功能。根据成像原理不同。广泛使用的指纹传感器类型有光学、电感式、电容式以及压感式等。其中,CMOS光学传感器具有无畸变、指纹图像清晰、对比度高的特点,对质量较差指纹具有良好的校正和容错性能,在使用寿命上百万次无变化。指纹图像读取过程中,采用自适应参数调节机制,使干、湿手指都有较好的成像质量,适用人群更广泛,所以这里采用CMOS光学传感器作为嵌入式指纹锁的图像采集设备。而其他类型的传感器虽具有体积小、重量轻等优势,但其自身的缺陷注定了这些类型的传感器不适合作为门禁锁产品。经过比较,该系统选择了OmniVision公司的0V7620型指纹传感器。该器件功耗很低,非常适合作指纹采集传感器。
3.2 图像处理模块
指纹锁既要求稳定性好、识别速度快、准确率高,还要求体积小、功耗低,采集速度快。为了将PC机验证的指纹算法较好地移植到嵌入式系统中,选择合适的算法模块CPU至关重要。目前国内大多数采用“DSP+MCU”,“ARM+MCU”,或“FPGA+MCU”方式实现。在设计算法处理模块CPU时,分别对ARM、DSP和FPGA进行了比较:性能较强的FPGA,但价格都较高,与该设计“民用”指纹锁低成本要求不符。而对于当今比较流行的嵌入式系统ARM和DSP,两者各有优点,应用的针对场合不同。结合该系统设计的技术要求和特点,考虑到器件性能高、功耗低。同时兼顾价格因素,该系统选用TI公司的TMS320C5509A作为处理器,实现指纹算法的移植。
3.3 底层控制模块及其他模块
设计指纹锁,除了要有完整的中间构件——指纹识别模块,还需要配套的底层控制模块等基础构件。该系统选用高性能低功耗的MEGA8单片机作为底层控制模块的CPU处理器。该器件所实现的功能有:循环扫描键盘并进行相应处理;控制LED灯指示系统当前工作状态;驱动电机执行开关门锁动作;与DSP通讯交互信息等。如图2所示,单片机作为底层控制模块,其IO引脚控制其他器件,采用I2C与DSP进行信息交换。

软件设计时,MEGA8单片机上电后CPU启动进入复位状态,进行寄存器初始化,读取存储参数,设置外围传感器参数等工作。启动完毕,即进入工作状态,处理相应的各类底层驱动。进入休眠态前,存储好各项参数,保存现场,然后进入省电模式。
电源管理模块如图3所示,包括电源和电源管理器件。电源部分,该设计由4节1.5 V串联的干电池供电,此电压实际最高时为7 V左右,最低时为5 V,足以满足整体体统的电压要求。电源管理器件,选用手持设备中常用的低功耗高性能稳压器R1111N331B、XC62068152MR、XC6-206P332MR,输出33 V的整体电压和DSP 1.8 V的核心电压,这类器件的特点是它具有控制关断引引脚,在系统处于睡眠时,可以通过置位使能端,关断整个系统板的供电,从而达到低功耗节能的目的。

4 硬件调试
在硬件调试方面,规划和设计好指纹锁的电路原理图,对电路图进行PCB制版,要做的准备工作比较多。首先需要对PCB的设计经验丰富,包括元件封装库的选择、尺寸大小的设计,线路的布线、高速信号线的隔离以及并行走线等,都要非常注意。
例如:由于DSP的数据线是频率上百兆的信号,特别注意布线问题,否则将会影响工作的状态。系统第一次制版时,忽略了DSP数据线布局走线原则,在系统调试时,DSP全速运作,系统常出现“死机”现象。经校验发现:原理布局并没问题,问题集中在了走线规则上;第二制版改进了设计方案,根据高速数据线平行原则进行布线,最后整体硬件工作运行比较流畅。
另外,指纹识别脱机产品,一般要求体积尽量小,供电方便,这就对系统的硬件设计提出了几个要求:PCB板要尽量的小;定位孔设计合理方便安装;所选元件采用最小的封装;布线要细,但必须保证一定间距,不会产生互相干扰。经调试和多次测试,系统最后设计PCB电路板如图4所示。

5 结论
系统采用基于DSP的嵌入式技术,CMOS光学指纹传感器作为采集仪,综合应用CPLD和单片机技术,设计一个完整的、独立运行的指纹锁系统。经过对元器件的比较选择,功耗、采集速度、运行速度、设计布局的综合考虑,设计指纹锁硬件平台,经过指纹算法的测试,系统能稳定可靠的工作。它具有体积小、功耗低、使用安装方便的特点,非常适合于现代家庭的防盗门锁安装,能满足普通用户的需求。
传感器 嵌入式 MCU 电源管理 CPLD 电路 电压 DSP LED 电容 电感 CMOS ARM FPGA 单片机 电路图 PCB 相关文章:
- 多核及虚拟化技术在工业和安全领域的应用(05-23)
- 基于ARM核的AT75C220及其在指纹识别系统中的应用(05-24)
- 基于音频信号的轴承故障诊断方法(03-17)
- 采用信号调理IC驱动应变片电桥传感器(05-26)
- 基于nRF2401智能无线火灾监控系统设计(04-01)
- 家居安防无线监控报警系统(04-02)
