高压变频器原理及应用
时间:08-20
来源:互联网
点击:
1.引言
电机是工业生产中主要的耗电设备,高压大功率电动机的应用更为突出,而这些设备大部分都存在很大的节能潜力。所以大力发展高压大功率变频调速技术具有时代的必要性和迫切性。
目前,随着现代电力电子技术和微电子技术的迅猛发展,高压大 功率变频调速装置不断地成熟起来,原来一直难于解决的高压问题,近年来通过器件串联或单元串联得到了很好的解决。其应用领域和范围也越来越为广范,这为工矿企业高效、合理地利用能源(尤其是电能)提供了技术先决条件。
2.几种常用高压变频器的主电路分析
(1)单元串联多重化电压源型高压变频器
单元串联多重化电压源型高压变频器利用低压单相变频器串联,弥补功率器件IGBT的耐压能力的不足。所谓多重化,就是每相由几个低压功率单元串联组成,各功率单元由一个多绕组的移相隔离变压器供电,用高速微处理器实现控制和以光导纤维隔离驱动。但其存在以下缺点:
a)使用的功率单元及功率器件数量太多,6kV系统要使用150只功率器件(90只二极管,60只IGBT),装 置的体积太大,重量大,安装位置和基建投资成问题;
b)所需高压电缆太多,系统的内阻无形中增大,接线太多,故障点相应的增多;
c)一个单元损坏时,单元可旁路,但此时输出电压不平衡中心点的电压是浮动的,造成电压、电流不平衡,从而谐波也相应的增大,勉强运行时终 究会导致电动机的损坏;
d)输出电压波形在额定负载时尚好,低于25Hz以下畸变突出;
d)输出电压波 形在额定负载时尚好,低于25Hz以下畸变突出;
e)由于系统中存在着变压器,系统效率再提高不容易实现;移相变压器中,6kV 三相6绕组×3(10kV时需12绕组×3)延边三角形接法,在三相电压不平衡(实际上三相电压是不可能绝对平衡的)时,产生的内部环流,必将引起内阻的 增加和电流的损耗,也相应的就造成了变压器的铜损增大。此时,再加上变压器的铁芯的固有损耗,变压器的效率就会降低,也就影响了整个高压变频器的效率。这 种情况在越低于额定负荷运行时,越是显著。10kV时,变压器有近400个接头、近百根电缆。在额定负荷时效率可达96%,但在轻负荷时,效率低于90%。
(2)中性点钳位三电平PWM变频器
该系列变频器采用传统的电压型变频器结构。中性点钳位三电平PWM变频器的逆变部 分采用传统的三电平方式,所以输出波形中会不可避免地产生比较大的谐波分量,这是三电平逆变方式所固有的。因此在变频器的输出侧必须配置输出LC滤波器才 能用于普通的鼠笼型电机。同样由于谐波的原因,电动机的功率因数和效率、甚至寿命都会受到一定的影响,只有在额定工况点才能达到最佳的工作状态,但随着转速的下降,功率因数和效率都会相应降低。
多电平+多重化高压变频器。多电平+多重化高压变频器的本意是想解决高压IGBT的耐压有限的问题,但此种方式,不仅增加了系统的复杂性,而且降低了多重化冗余性能好和三电平结构简单的优点。因此此类变频器实际上并不可取。
此类型变频器的性能价格优势并不大,与其同时采用多电平和多重化两种技术,还不如采用前面提到的高压IGBT的多重化变频器或者三电平变频器。
(3)电流源型高压变频器
功率器件直接串联的电流源型高压变频器是在线路中串联大电感,再将SCR(或GTO、 SGCT等)开关速度较慢的功率器件直接串联而构成的。
这种方式虽然使用功率器件少、易于控制电流,但是没有真正解决高压功率器 件的串联问题。因为即使功率器件出现故障,由于大电感的限流作用,di/dt受到限制,功率器件虽不易损坏,但带来的问题是对电网污染严重、功率因数低。并且电流源型高压变频器对电网电压及电机负载的变化敏感,无法做成真正的通用型产品。
电流源型高压变频器是最早的产品,但凡是电压型变频器到达的地方,它都被迫退出,因为在经济上、技术上,它都明显处于劣势。
3.IGBT直接串联的直接高压变频器
3.1 主电路简介

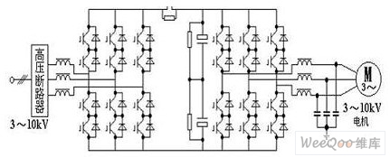
图1.IGBT直接串联高压变频
如图1所示,图中系统由电网高压直接经高压断路器进入变频器,经过高压二极管全桥整流、直流平波电抗器和电容滤波,再通过 逆变器进行逆变,加上正弦波滤波器,简单易行地实现高压变频输出,直接供给高压电动机。
功率器件IGBT直接串联的二电平电压型 高压变频器是采用变频器已有的成熟技术,应用独特而简单的控制技术成功设计出的一种无输入输出变压器、IGBT直接串联逆变、输出效率达98%的高压调速系统。
对于需要快速制动的场合,采用直流放电制动装置,如图2所示:

图2.具有直流放电制动装置的IGBT直接串联高压变频器主电路图
如果需要四象限运行,以及需要能量回馈的场合,或输入电源侧短路容量较小时,也可采用如图3所示的PWM整流电路,使输入 电流也真正实现完美正弦波。

图3.具备能量回馈和四象限运行的IGBT直接串联高压变频器主电路图
3.2 IGBT直接串联高压变频器25Hz、30Hz、40Hz、50Hz电压、电流输出波形及谐波图:


3.3 核心关键技术
(1)高速功率器件的串联技术
根据查新,世界 各国均未生产出IGBT直接串联的高压变频器。原因正如一些权威人士所言:“IGBT是不能串联的。因为开关时间短,微秒级,很难保证所有管子串联同时开关。否则有的早开,所有的电压都来加在晚开的管子上,那么这个1200V的管子加上6000V,只能烧掉,一烧一串,不可能串联。”
(2)正弦波技术
高压电机对变频器的输出电压波形有严格的要求,是业内人士都知道的常识。解决变频器输出电压波形,从两方面着手:一是优化PWM波形;二是研制出特种滤波器。
过去一些人认为:“三电平的电压波形一定优于二电平,今后就是低压变 频器也应采用三电平。”,这种说法可能不太全面。三电平的总谐波含量可能低于二电平,但由于三电平的11次、13次谐波含量特别高,处理起来特别困难,而二电平只要波形优化得好,60次以下的谐波皆可大大降低。而对60次以上的谐波滤波自然容易得多。人们使用三电平是为避免器件串联的困难,不得已而为之。
(3)抗共模电压技术
仅解决IGBT的串联,并不能甩掉输入变压器。原因在于共模电压的存在。在低压变频器领域,近年来发现的电机轴承损坏,共模电压就是影响之一,在高压变频器的领域中,共模电压更是必须解决的关键问题之一。共模电压(也叫零序电压),是指电动机定子绕组的中心点和地之间的电压。
共模电压也是对外产生干扰的原因,特别是长线传输设备。无论是电流源还是电压源变频器产生共模电压是必然的。技术人员根据共模电压产生的机理,采取了“堵和疏”的办法将共模电压消灭在变频器内部。
由于采用了上述三项核心关键技术,使IGBT直接高 压变频器的效率达到98%以上。输出电压正弦化、共模电压最小化。适用于任何异步电机、同步电机,无需降容使用,几km的长线传输也无问题。对于传输距离 太长时应考虑线路电压补偿。如提高电压或增大导线截面等。
4.系统特点:
(1)电压等级为3kV-10kV;
(2)系统自带专门设计的高压开关柜,与本身高压变频器高效安全配套,并含变/工频切换装 置和电子式真空断路器;
(3)全中文操作界面,基于Windows操作平台,彩色液晶触摸屏,便于就地监控、设定参数、选择功能 和调试;
(3)内置PLC可编程控制器,易于改变和扩展控制逻辑关系;
(4)高压主电路与低压控制电路采 用光纤传输,安全隔离,使得系统抗干扰能力强;
(5)控制电路通讯方式采用全数字化通讯;
(6)系统的 整流单元、逆变单元设计,选用组合模块化积木结构,整机占地面积小、重量轻,便于安装、维护;
(7)装置可在本机上操作,也可实 现远距离外控,具备完善、方便的操作功能选择;
(8)系统具有标准的计算机通讯接口RS232或RS422、RS485,可方便 的与用户DCS系统或工控系统组态建立整个系统的工作站,进一步提高系统的自动化控制程度,实现整个工控系统的全闭环监控,从而获得更加完善的、可靠自动化运行;
(10)具备全面的故障监测、可靠的故障报警保护功能;
(11)输入功率因数高,输出电压谐波 含量小,无需功率因数补偿和谐波抑制器;
(12)输出电压为标准正弦波形,对电缆和电动机的绝缘无损害,减轻电动机的轴承和叶片 等机械部分震动和磨损,延长电动机的使用寿命,输出至电动机的线缆长度可达20km;
(13)采用独特的抗共模电压技术,使系统*模电压≤1000V,无需再提高电动机的绝缘等级,无需专用电机;
(14)易于实现能量回馈和四象限运行;并可直接引出直流 进行直流输电;
(15)对用户的高压异步电动机无任何特殊要求。不但适用于新旧异步电动机,也适用于同步电动机。
5.应用实例:IGBT直接串联高压变频器在 炼铁厂冲渣泵上的应用
5.1 应用概况
永峰钢厂是莱钢集团公司的一个主要生产厂,负责公司所需铁水和铁块冶炼。高炉冶炼铁水过程中产生大量的熔渣,通常是用大流量的中压水将其降温并 冲散,同时输送到水渣池回收,作为炼铁生产的副产品。高炉生产是不间断的,一般情况下每天出铁15次,在高炉出铁前、后各放一次渣,两次出渣时间约 30min,在此时间内要求水冲渣系统的水泵满负荷工作,其余时间水泵只需保持约30%水流量防止管道堵塞即可。4#-高炉使用ZGB-300型冲渣泵,原系统运行时,起动前管道进出水阀门关闭,起动后阀门开度约90%,机组全速运行,电网电压6300V,电机运行电流33A,功率因数81.6%,耗电功率294kW。不需冲渣水时通过调节阀门在30%来调节水流量(此时电机电流25A),耗电功率214kW,一方面导致大量的节能损失,另一方面频繁操作阀门,致使其使用寿命大大降低,增加了停产更换阀门的时间,为此公司决定对4#高炉冲渣泵进行改造。
5.2 改造方案
由电机转速公式n=60f×(1-s)/p可知:只要改变电机的频率f,就可以实现电机的转速调节,高电压大功率变频器通过控制IGBT(绝缘栅双极型电力场效应管)的导通和关断,使输出频率连续可调。而且是随着频率的变化,输出电流、电压、功率都将发生变化,即负荷大时转速大, 输出功率大,负荷小时转速小,输出功率也小。
由流体力学::Q′=Q(n′/n) 、H′=H(n′/n)2 、P′=P(n′/n)3 可知: 当泵机低于额定转速时节电为:E=〔1-(n′/n)3〕×P×T(kWh)
可见,通过变频改造,冲渣泵流量Q、压力H及轴功率P都将发生较大的改 变,不但节能而且大大提高了设备运行性能。根据冲渣泵的实际特性对其进行了具体改造,冲渣泵在冲渣时工作在49.5Hz,在不冲渣时工作在25Hz,考虑 到工艺对调速精度要求不是很高,本系统只采用开环控制并在高炉值班室操作,需冲渣时给调节系统一个“1”的信号,电机高速运行,不需冲渣时将此信号取消,电机低速运行,取得了很好的节能效果。
5.3 改造后的系统实际运行状况
根据18个月的运行,经过反复多种测试各运行参数一直正常,变频器质量性能良好,安全可靠,各项指标均达到了设计要求.
(1)谐波抑制效果良好。电压谐波含量小于3%,符合IEEE519-1992和GB/T14549-93标准。
(2)各种保护功能完善。过流、过压、欠压、故障保 护等功能可靠,并且考虑了外部电网的防雷击等多环节保护功能。
(3)各种指示功能完备。具有输入、输出电流和电压、运行频率、故障显示、运行状态指示等功能。
(4)操作简便。同普通的低压变频器的功能操作方式相似,功能设置和调整简单方便。
5.4改造效益
机组49.5Hz运行和无变频器运行相比可节省功率ΔP1=P50-P49.5=80kW;
机组25Hz运行和无变频器运行相比可节省功率ΔP2=214kW-P25=132kW;
年节电量:ΔW= (H1ΔP1+H2ΔP2)=365(7.5×80+16.5×132)=1013970kWh;
(注:每年按365天 计H1:冲渣时间=15×30/60=7.5小时;H2:不冲渣时间=24-7.5=16.5小时);
经济效益:ΔW电价=1013970×0.56=567823元(注:莱钢厂工业电价0.56元/kWh);
实现电机软起动功能,延长了电机寿命,大大减少了冲渣泵故障发生率;
提高了自动化水平,节约了大量工业用水;
由上述可知,综合经济效益每年可达60多万元,一年即可全部收回成本。
5.5 结论
通过对冲渣泵系统的变频调速的技术改造,经过较长时间的运行检验,证明该产品性能可靠、功能齐全、技术先进,说明国内自主开发的高压变频器在技术上已经处于世界先进水平。由于IGBT直接串联高压变频器无输入输出变压器、体积小、性价比高、综合性能好等方面均超过了国内外其它产品,是新一代高性能高 压变频产品的代表,为高压变频调速技术在厂内其它工序的技术改造提供了一条可行的途径,在高压变频改造领域具有极大的推广价值。
电机是工业生产中主要的耗电设备,高压大功率电动机的应用更为突出,而这些设备大部分都存在很大的节能潜力。所以大力发展高压大功率变频调速技术具有时代的必要性和迫切性。
目前,随着现代电力电子技术和微电子技术的迅猛发展,高压大 功率变频调速装置不断地成熟起来,原来一直难于解决的高压问题,近年来通过器件串联或单元串联得到了很好的解决。其应用领域和范围也越来越为广范,这为工矿企业高效、合理地利用能源(尤其是电能)提供了技术先决条件。
2.几种常用高压变频器的主电路分析
(1)单元串联多重化电压源型高压变频器
单元串联多重化电压源型高压变频器利用低压单相变频器串联,弥补功率器件IGBT的耐压能力的不足。所谓多重化,就是每相由几个低压功率单元串联组成,各功率单元由一个多绕组的移相隔离变压器供电,用高速微处理器实现控制和以光导纤维隔离驱动。但其存在以下缺点:
a)使用的功率单元及功率器件数量太多,6kV系统要使用150只功率器件(90只二极管,60只IGBT),装 置的体积太大,重量大,安装位置和基建投资成问题;
b)所需高压电缆太多,系统的内阻无形中增大,接线太多,故障点相应的增多;
c)一个单元损坏时,单元可旁路,但此时输出电压不平衡中心点的电压是浮动的,造成电压、电流不平衡,从而谐波也相应的增大,勉强运行时终 究会导致电动机的损坏;
d)输出电压波形在额定负载时尚好,低于25Hz以下畸变突出;
d)输出电压波 形在额定负载时尚好,低于25Hz以下畸变突出;
e)由于系统中存在着变压器,系统效率再提高不容易实现;移相变压器中,6kV 三相6绕组×3(10kV时需12绕组×3)延边三角形接法,在三相电压不平衡(实际上三相电压是不可能绝对平衡的)时,产生的内部环流,必将引起内阻的 增加和电流的损耗,也相应的就造成了变压器的铜损增大。此时,再加上变压器的铁芯的固有损耗,变压器的效率就会降低,也就影响了整个高压变频器的效率。这 种情况在越低于额定负荷运行时,越是显著。10kV时,变压器有近400个接头、近百根电缆。在额定负荷时效率可达96%,但在轻负荷时,效率低于90%。
(2)中性点钳位三电平PWM变频器
该系列变频器采用传统的电压型变频器结构。中性点钳位三电平PWM变频器的逆变部 分采用传统的三电平方式,所以输出波形中会不可避免地产生比较大的谐波分量,这是三电平逆变方式所固有的。因此在变频器的输出侧必须配置输出LC滤波器才 能用于普通的鼠笼型电机。同样由于谐波的原因,电动机的功率因数和效率、甚至寿命都会受到一定的影响,只有在额定工况点才能达到最佳的工作状态,但随着转速的下降,功率因数和效率都会相应降低。
多电平+多重化高压变频器。多电平+多重化高压变频器的本意是想解决高压IGBT的耐压有限的问题,但此种方式,不仅增加了系统的复杂性,而且降低了多重化冗余性能好和三电平结构简单的优点。因此此类变频器实际上并不可取。
此类型变频器的性能价格优势并不大,与其同时采用多电平和多重化两种技术,还不如采用前面提到的高压IGBT的多重化变频器或者三电平变频器。
(3)电流源型高压变频器
功率器件直接串联的电流源型高压变频器是在线路中串联大电感,再将SCR(或GTO、 SGCT等)开关速度较慢的功率器件直接串联而构成的。
这种方式虽然使用功率器件少、易于控制电流,但是没有真正解决高压功率器 件的串联问题。因为即使功率器件出现故障,由于大电感的限流作用,di/dt受到限制,功率器件虽不易损坏,但带来的问题是对电网污染严重、功率因数低。并且电流源型高压变频器对电网电压及电机负载的变化敏感,无法做成真正的通用型产品。
电流源型高压变频器是最早的产品,但凡是电压型变频器到达的地方,它都被迫退出,因为在经济上、技术上,它都明显处于劣势。
3.IGBT直接串联的直接高压变频器
3.1 主电路简介

图1.IGBT直接串联高压变频
如图1所示,图中系统由电网高压直接经高压断路器进入变频器,经过高压二极管全桥整流、直流平波电抗器和电容滤波,再通过 逆变器进行逆变,加上正弦波滤波器,简单易行地实现高压变频输出,直接供给高压电动机。
功率器件IGBT直接串联的二电平电压型 高压变频器是采用变频器已有的成熟技术,应用独特而简单的控制技术成功设计出的一种无输入输出变压器、IGBT直接串联逆变、输出效率达98%的高压调速系统。
对于需要快速制动的场合,采用直流放电制动装置,如图2所示:

图2.具有直流放电制动装置的IGBT直接串联高压变频器主电路图
如果需要四象限运行,以及需要能量回馈的场合,或输入电源侧短路容量较小时,也可采用如图3所示的PWM整流电路,使输入 电流也真正实现完美正弦波。

图3.具备能量回馈和四象限运行的IGBT直接串联高压变频器主电路图
3.2 IGBT直接串联高压变频器25Hz、30Hz、40Hz、50Hz电压、电流输出波形及谐波图:


3.3 核心关键技术
(1)高速功率器件的串联技术
根据查新,世界 各国均未生产出IGBT直接串联的高压变频器。原因正如一些权威人士所言:“IGBT是不能串联的。因为开关时间短,微秒级,很难保证所有管子串联同时开关。否则有的早开,所有的电压都来加在晚开的管子上,那么这个1200V的管子加上6000V,只能烧掉,一烧一串,不可能串联。”
(2)正弦波技术
高压电机对变频器的输出电压波形有严格的要求,是业内人士都知道的常识。解决变频器输出电压波形,从两方面着手:一是优化PWM波形;二是研制出特种滤波器。
过去一些人认为:“三电平的电压波形一定优于二电平,今后就是低压变 频器也应采用三电平。”,这种说法可能不太全面。三电平的总谐波含量可能低于二电平,但由于三电平的11次、13次谐波含量特别高,处理起来特别困难,而二电平只要波形优化得好,60次以下的谐波皆可大大降低。而对60次以上的谐波滤波自然容易得多。人们使用三电平是为避免器件串联的困难,不得已而为之。
(3)抗共模电压技术
仅解决IGBT的串联,并不能甩掉输入变压器。原因在于共模电压的存在。在低压变频器领域,近年来发现的电机轴承损坏,共模电压就是影响之一,在高压变频器的领域中,共模电压更是必须解决的关键问题之一。共模电压(也叫零序电压),是指电动机定子绕组的中心点和地之间的电压。
共模电压也是对外产生干扰的原因,特别是长线传输设备。无论是电流源还是电压源变频器产生共模电压是必然的。技术人员根据共模电压产生的机理,采取了“堵和疏”的办法将共模电压消灭在变频器内部。
由于采用了上述三项核心关键技术,使IGBT直接高 压变频器的效率达到98%以上。输出电压正弦化、共模电压最小化。适用于任何异步电机、同步电机,无需降容使用,几km的长线传输也无问题。对于传输距离 太长时应考虑线路电压补偿。如提高电压或增大导线截面等。
4.系统特点:
(1)电压等级为3kV-10kV;
(2)系统自带专门设计的高压开关柜,与本身高压变频器高效安全配套,并含变/工频切换装 置和电子式真空断路器;
(3)全中文操作界面,基于Windows操作平台,彩色液晶触摸屏,便于就地监控、设定参数、选择功能 和调试;
(3)内置PLC可编程控制器,易于改变和扩展控制逻辑关系;
(4)高压主电路与低压控制电路采 用光纤传输,安全隔离,使得系统抗干扰能力强;
(5)控制电路通讯方式采用全数字化通讯;
(6)系统的 整流单元、逆变单元设计,选用组合模块化积木结构,整机占地面积小、重量轻,便于安装、维护;
(7)装置可在本机上操作,也可实 现远距离外控,具备完善、方便的操作功能选择;
(8)系统具有标准的计算机通讯接口RS232或RS422、RS485,可方便 的与用户DCS系统或工控系统组态建立整个系统的工作站,进一步提高系统的自动化控制程度,实现整个工控系统的全闭环监控,从而获得更加完善的、可靠自动化运行;
(10)具备全面的故障监测、可靠的故障报警保护功能;
(11)输入功率因数高,输出电压谐波 含量小,无需功率因数补偿和谐波抑制器;
(12)输出电压为标准正弦波形,对电缆和电动机的绝缘无损害,减轻电动机的轴承和叶片 等机械部分震动和磨损,延长电动机的使用寿命,输出至电动机的线缆长度可达20km;
(13)采用独特的抗共模电压技术,使系统*模电压≤1000V,无需再提高电动机的绝缘等级,无需专用电机;
(14)易于实现能量回馈和四象限运行;并可直接引出直流 进行直流输电;
(15)对用户的高压异步电动机无任何特殊要求。不但适用于新旧异步电动机,也适用于同步电动机。
5.应用实例:IGBT直接串联高压变频器在 炼铁厂冲渣泵上的应用
5.1 应用概况
永峰钢厂是莱钢集团公司的一个主要生产厂,负责公司所需铁水和铁块冶炼。高炉冶炼铁水过程中产生大量的熔渣,通常是用大流量的中压水将其降温并 冲散,同时输送到水渣池回收,作为炼铁生产的副产品。高炉生产是不间断的,一般情况下每天出铁15次,在高炉出铁前、后各放一次渣,两次出渣时间约 30min,在此时间内要求水冲渣系统的水泵满负荷工作,其余时间水泵只需保持约30%水流量防止管道堵塞即可。4#-高炉使用ZGB-300型冲渣泵,原系统运行时,起动前管道进出水阀门关闭,起动后阀门开度约90%,机组全速运行,电网电压6300V,电机运行电流33A,功率因数81.6%,耗电功率294kW。不需冲渣水时通过调节阀门在30%来调节水流量(此时电机电流25A),耗电功率214kW,一方面导致大量的节能损失,另一方面频繁操作阀门,致使其使用寿命大大降低,增加了停产更换阀门的时间,为此公司决定对4#高炉冲渣泵进行改造。
5.2 改造方案
由电机转速公式n=60f×(1-s)/p可知:只要改变电机的频率f,就可以实现电机的转速调节,高电压大功率变频器通过控制IGBT(绝缘栅双极型电力场效应管)的导通和关断,使输出频率连续可调。而且是随着频率的变化,输出电流、电压、功率都将发生变化,即负荷大时转速大, 输出功率大,负荷小时转速小,输出功率也小。
由流体力学::Q′=Q(n′/n) 、H′=H(n′/n)2 、P′=P(n′/n)3 可知: 当泵机低于额定转速时节电为:E=〔1-(n′/n)3〕×P×T(kWh)
可见,通过变频改造,冲渣泵流量Q、压力H及轴功率P都将发生较大的改 变,不但节能而且大大提高了设备运行性能。根据冲渣泵的实际特性对其进行了具体改造,冲渣泵在冲渣时工作在49.5Hz,在不冲渣时工作在25Hz,考虑 到工艺对调速精度要求不是很高,本系统只采用开环控制并在高炉值班室操作,需冲渣时给调节系统一个“1”的信号,电机高速运行,不需冲渣时将此信号取消,电机低速运行,取得了很好的节能效果。
5.3 改造后的系统实际运行状况
根据18个月的运行,经过反复多种测试各运行参数一直正常,变频器质量性能良好,安全可靠,各项指标均达到了设计要求.
(1)谐波抑制效果良好。电压谐波含量小于3%,符合IEEE519-1992和GB/T14549-93标准。
(2)各种保护功能完善。过流、过压、欠压、故障保 护等功能可靠,并且考虑了外部电网的防雷击等多环节保护功能。
(3)各种指示功能完备。具有输入、输出电流和电压、运行频率、故障显示、运行状态指示等功能。
(4)操作简便。同普通的低压变频器的功能操作方式相似,功能设置和调整简单方便。
5.4改造效益
机组49.5Hz运行和无变频器运行相比可节省功率ΔP1=P50-P49.5=80kW;
机组25Hz运行和无变频器运行相比可节省功率ΔP2=214kW-P25=132kW;
年节电量:ΔW= (H1ΔP1+H2ΔP2)=365(7.5×80+16.5×132)=1013970kWh;
(注:每年按365天 计H1:冲渣时间=15×30/60=7.5小时;H2:不冲渣时间=24-7.5=16.5小时);
经济效益:ΔW电价=1013970×0.56=567823元(注:莱钢厂工业电价0.56元/kWh);
实现电机软起动功能,延长了电机寿命,大大减少了冲渣泵故障发生率;
提高了自动化水平,节约了大量工业用水;
由上述可知,综合经济效益每年可达60多万元,一年即可全部收回成本。
5.5 结论
通过对冲渣泵系统的变频调速的技术改造,经过较长时间的运行检验,证明该产品性能可靠、功能齐全、技术先进,说明国内自主开发的高压变频器在技术上已经处于世界先进水平。由于IGBT直接串联高压变频器无输入输出变压器、体积小、性价比高、综合性能好等方面均超过了国内外其它产品,是新一代高性能高 压变频产品的代表,为高压变频调速技术在厂内其它工序的技术改造提供了一条可行的途径,在高压变频改造领域具有极大的推广价值。
电动机 电力电子 电子 电路 电压 IGBT 变压器 二极管 电流 PWM 滤波器 电感 电容 逆变器 电路图 触摸屏 PLC 自动化 场效应管 相关文章:
- 基于DSP高精度伺服位置环设计(06-21)
- 基于DSP的工业缝纫机控制系统设计(09-23)
- 无传感器交流电动机控制技术提高了运行效率(10-15)
- 一种变频调速系统的SVPWM控制设计(02-03)
- FPGA在步进电机控制中的应用(03-07)
- 用C8051F构成的采集与控制系统(03-09)
