远程六路遥控编解码收发系统的设计
时间:08-17
来源:互联网
点击:
近年来,遥控技术在工业生产、家用电器、安全保卫以及人们的日常生活中使用越来越广泛。在无线遥控领域,目前常用的遥控方式主要有超声波遥控、红外线遥控、无线电遥控等。由于无线电波是由发射点向四面八方传播,可以穿过阻挡物,而且可以传播到很远的距离,因此,它的控制可以在很大区域和空间内实现,故已成为遥控的主要方式,在国防、军事、生产、建设和日常生活中有着极广泛的应用。远距离遥控编解码发射接收组件是利用数字编码芯片作调制信号的大功率发射机(发射功率2~5 W),再配以高灵敏度接收机(接收灵敏度不劣于1.5μV)和与编码芯片配对的解码电路,可完成远距离的无线遥控、信号传输、报警等。采用该方法设计的遥控开关系统控制方便,适用于含有较多受控电器的场合,并可实现多路多功能控制。
1 系统芯片选型
本系统主要选用的芯片是射频发射芯片MI-CRF102和射频接收芯片MICRF022,同时还有编码芯片PT2262、译码芯片PT2272、主控芯片AT89C2051等。本文主要介绍MICRF102和MCRF022。
1.1 MICRF102芯片的功能特点
芯片MICRF102采用Micrel公司最新的快速无线传输技术,可实现真正的“数据输入,无线输出”功能。MICRF102采用新型结构,将外部天线环路全部调谐到内部UHF合成器中。它的所有调谐都可在IC中自动实现,因此,可以消除手动调谐的麻烦。MICRF102结构简单,仅需极少的外围元器件,使用十分方便。
MICRF102的主要电气参数如下:
◇工作电压4.75"5.25 V:
◇工作电流4.7 mA;
◇频率范围为300~470 MHz;
◇数据传输速率可达20 kbps;
◇待机电流不大于1μA。
MICRF102采用8引脚SOIC封装,图1所示是其引脚排列图。

图2为MOCRF102的内部功能原理框图,它主要由UHF合成器、缓冲器、天线调谐器、功率放大器、TX偏置控制、偏置参考以及调节电路等组成。

1.2 MICRF022芯片的特点功能
射频接收芯片MICRF022是芯片MICRF001的增强型接收器,它在MICRF001的基础上增加了待机和唤醒功能。MICRF022有2种操作方式:固定模式(FIX)和扫描方式(SWP)。固定方式即常规的超外差接收方式,这种方式可以提供较好的选择性和灵敏度;扫描方式使用宽RF频谱专利技术,能够接收低成本、不精确的发射信号。
MICRF022的电气参数如下:
◇工作频率为300~440 MHz;
◇采用ASK/OOK解调方式;
◇接收灵敏度为-95 dBm (433.92 MHz);
◇数据传输速率为10 Kb/s(固定方式);
◇工作电压为4.75~.5.5 V;
◇工作电流为2.2 mA (315 MHz),待机电流为0.9μA。
MICRF022采用8引脚SOIC封装,图3所示为MICRF022的引脚排列图。

2 系统组成及工作原理
整个系统由发射系统和接收控制系统两部分组成。系统的组成及工作原理如图4所示。

系统工作时,首先通过按键编址电路输入所需控制电路的位号,同时启动编码电路,指令编码电路在内部电路的控制下将产生带有地址编码信息和开关状态信息的编码脉冲信号,该信号对无线电发射电路进行调制,再通过无线电发射电路将该信号发射出去。无线电接收电路则可将接(b)接收控制系统收到的编码脉冲信号通过解码电路进行编码地址确认,以确认是否为本遥控开关系统的地址。如果是,则对接收到的信号进行译码,同时指令译码电路输出有效数据信号,并经过信号处理控制电路和控制逻辑发出对应的控制指令。如果不是,解码电路则不解码,指令译码电路也不译码,信号处理控制电路不响应,开关电路无任何动作。
3 系统硬件电路设计
3.1 发射模块电路
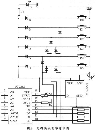
发射系统主要由按键编址电路、编码电路和无线电发射电路组成。发射系统模块电路的原理图如图5所示。发射系统的主要功能首先是对受控电路的开关进行编址,再将编址信息进行编码后得到一编码脉冲信号,由此信号再调制无线电发射电路并发射出去。

按键编码电路采用二极管组合逻辑开关阵列来实现对受控电路开关进行编址,其中指令编码电路采用编译码芯片组PT2262。PT2262的A口是地址码设置口,D口是数据码设置端,分别和二极管组合逻辑开关阵列的逻辑输出相连,数据从000~101有6种状态。发射模块电路中采用的射频芯片为MICRF1020当编码芯片PT2262的数据输出端无信号输出时,MICRF102不工作,发射电流为零,而当PT2262的控制端有效时,输出的串行脉冲信号对MICRF102进行调制发射,通过调制电阻R2可调整发射电流,从而调整发射距离,较小的R2取值可提高发射距离,而增加二极管开关阵列则可将系统扩展成为多路遥控发射模块。
3.2 接收控制电路
接收控制系统主要由无线电接收电路、解码电路、单片机电路、开关电路组成。接收控制系统的电路原理图如图6所示。接收控制系统主要完成的功能是对接收进来的信号进行解调和解码,并将解码后的数据送单片机,由单片机根据此数据去控制相应的开关进行动作。

接收控制电路主要由无线电接收电路、指令译码电路、信号处理与控制电路和开关电路组成。无线电接收电路采用与射频发射模块MI-CRF102相配套的射频接收模块MICRF022来实现,MICRF022具有较宽的接收带宽,功耗极低,可长期处于待机状态。MICRF022的输出端口直接与译码芯片PT2272的数据输入端口相连接,当接收端的地址码和发射端的地址码设置完全相同时,译码芯片输出端才有输出信号,以将输出信号与无线电发射电路相对应的开关信息送给信号处理控制电路,由控制电路控制相应的开关动作,否则,译码芯片不译码,信号处理控制电路不响应,开关电路也无任何开关动作。信号处理控制电路采用AT89C2051单片机来实现对输入信号的处理和对开关电路的控制。
4 系统软件设计
本系统中的单片机主程序流程图如图7所示。系统软件的设计主要是通过编程实现单片机AT89C2051对开关电路状态和控制。单片机采样到有效中断请求信号,便执行中断服务子程序。在中断服务子程序中,单片机将根据I/O口获得的数据执行相应的子程序,从而实现对受控电路的控制。充分利用单片机的软硬件资源,可以实现对受控电路的多种状态的控制,还可以用单键来控制多路电路。

5 结束语
本系统主要是对远程六路遥控编解码收发系统的设计。该系统目前已在实验室全面通过调试,经过数百次操作实验的结果表明,数据传输准确无误,性能稳定。本设计适合开发各种低成本遥控报警器及各种遥控系统,如家用电器遥控、文教娱乐场馆的电器设备遥控和办公场所电器遥控等。此系统的应用不仅可以给人们的工作和生活带来很多便利,同时具有较好的推广应用价值。
1 系统芯片选型
本系统主要选用的芯片是射频发射芯片MI-CRF102和射频接收芯片MICRF022,同时还有编码芯片PT2262、译码芯片PT2272、主控芯片AT89C2051等。本文主要介绍MICRF102和MCRF022。
1.1 MICRF102芯片的功能特点
芯片MICRF102采用Micrel公司最新的快速无线传输技术,可实现真正的“数据输入,无线输出”功能。MICRF102采用新型结构,将外部天线环路全部调谐到内部UHF合成器中。它的所有调谐都可在IC中自动实现,因此,可以消除手动调谐的麻烦。MICRF102结构简单,仅需极少的外围元器件,使用十分方便。
MICRF102的主要电气参数如下:
◇工作电压4.75"5.25 V:
◇工作电流4.7 mA;
◇频率范围为300~470 MHz;
◇数据传输速率可达20 kbps;
◇待机电流不大于1μA。
MICRF102采用8引脚SOIC封装,图1所示是其引脚排列图。

图2为MOCRF102的内部功能原理框图,它主要由UHF合成器、缓冲器、天线调谐器、功率放大器、TX偏置控制、偏置参考以及调节电路等组成。

1.2 MICRF022芯片的特点功能
射频接收芯片MICRF022是芯片MICRF001的增强型接收器,它在MICRF001的基础上增加了待机和唤醒功能。MICRF022有2种操作方式:固定模式(FIX)和扫描方式(SWP)。固定方式即常规的超外差接收方式,这种方式可以提供较好的选择性和灵敏度;扫描方式使用宽RF频谱专利技术,能够接收低成本、不精确的发射信号。
MICRF022的电气参数如下:
◇工作频率为300~440 MHz;
◇采用ASK/OOK解调方式;
◇接收灵敏度为-95 dBm (433.92 MHz);
◇数据传输速率为10 Kb/s(固定方式);
◇工作电压为4.75~.5.5 V;
◇工作电流为2.2 mA (315 MHz),待机电流为0.9μA。
MICRF022采用8引脚SOIC封装,图3所示为MICRF022的引脚排列图。

2 系统组成及工作原理
整个系统由发射系统和接收控制系统两部分组成。系统的组成及工作原理如图4所示。

系统工作时,首先通过按键编址电路输入所需控制电路的位号,同时启动编码电路,指令编码电路在内部电路的控制下将产生带有地址编码信息和开关状态信息的编码脉冲信号,该信号对无线电发射电路进行调制,再通过无线电发射电路将该信号发射出去。无线电接收电路则可将接(b)接收控制系统收到的编码脉冲信号通过解码电路进行编码地址确认,以确认是否为本遥控开关系统的地址。如果是,则对接收到的信号进行译码,同时指令译码电路输出有效数据信号,并经过信号处理控制电路和控制逻辑发出对应的控制指令。如果不是,解码电路则不解码,指令译码电路也不译码,信号处理控制电路不响应,开关电路无任何动作。
3 系统硬件电路设计
3.1 发射模块电路
发射系统主要由按键编址电路、编码电路和无线电发射电路组成。发射系统模块电路的原理图如图5所示。发射系统的主要功能首先是对受控电路的开关进行编址,再将编址信息进行编码后得到一编码脉冲信号,由此信号再调制无线电发射电路并发射出去。

按键编码电路采用二极管组合逻辑开关阵列来实现对受控电路开关进行编址,其中指令编码电路采用编译码芯片组PT2262。PT2262的A口是地址码设置口,D口是数据码设置端,分别和二极管组合逻辑开关阵列的逻辑输出相连,数据从000~101有6种状态。发射模块电路中采用的射频芯片为MICRF1020当编码芯片PT2262的数据输出端无信号输出时,MICRF102不工作,发射电流为零,而当PT2262的控制端有效时,输出的串行脉冲信号对MICRF102进行调制发射,通过调制电阻R2可调整发射电流,从而调整发射距离,较小的R2取值可提高发射距离,而增加二极管开关阵列则可将系统扩展成为多路遥控发射模块。
3.2 接收控制电路
接收控制系统主要由无线电接收电路、解码电路、单片机电路、开关电路组成。接收控制系统的电路原理图如图6所示。接收控制系统主要完成的功能是对接收进来的信号进行解调和解码,并将解码后的数据送单片机,由单片机根据此数据去控制相应的开关进行动作。

接收控制电路主要由无线电接收电路、指令译码电路、信号处理与控制电路和开关电路组成。无线电接收电路采用与射频发射模块MI-CRF102相配套的射频接收模块MICRF022来实现,MICRF022具有较宽的接收带宽,功耗极低,可长期处于待机状态。MICRF022的输出端口直接与译码芯片PT2272的数据输入端口相连接,当接收端的地址码和发射端的地址码设置完全相同时,译码芯片输出端才有输出信号,以将输出信号与无线电发射电路相对应的开关信息送给信号处理控制电路,由控制电路控制相应的开关动作,否则,译码芯片不译码,信号处理控制电路不响应,开关电路也无任何开关动作。信号处理控制电路采用AT89C2051单片机来实现对输入信号的处理和对开关电路的控制。
4 系统软件设计
本系统中的单片机主程序流程图如图7所示。系统软件的设计主要是通过编程实现单片机AT89C2051对开关电路状态和控制。单片机采样到有效中断请求信号,便执行中断服务子程序。在中断服务子程序中,单片机将根据I/O口获得的数据执行相应的子程序,从而实现对受控电路的控制。充分利用单片机的软硬件资源,可以实现对受控电路的多种状态的控制,还可以用单键来控制多路电路。

5 结束语
本系统主要是对远程六路遥控编解码收发系统的设计。该系统目前已在实验室全面通过调试,经过数百次操作实验的结果表明,数据传输准确无误,性能稳定。本设计适合开发各种低成本遥控报警器及各种遥控系统,如家用电器遥控、文教娱乐场馆的电器设备遥控和办公场所电器遥控等。此系统的应用不仅可以给人们的工作和生活带来很多便利,同时具有较好的推广应用价值。
红外 无线电 电路 射频 电压 电流 放大器 二极管 电阻 单片机 51单片机 相关文章:
- 一种新型防伪读码器的设计(01-01)
- 新型锁相环芯片全面提升红外无线麦克风产品性能(05-04)
- 2009视频监控:网络化及其推动的几大趋势(06-03)
- 红外摄像机夜视监控系统的四项问题(06-16)
- lns构架智能小区安防及关键技术应用研究(06-09)
- 英国试图利用路灯建城市监控无线网络(07-27)
