基于单片机的风机温度控制系统的设计
时间:08-17
来源:互联网
点击:
风机为通用机械,它广泛地使用在国民经济的各个部门中。风机广泛用在工厂、矿井、车辆、建筑物、家用电器等的通风、排尘和冷却;谷物的烘干和选送;风洞风源和气垫船的充气和推进等。另外,在一些对环境温度有特殊要求的场所,要求温度变化在1℃以下,这就需要一种可以根据外界环境温度来确定风机的转动与停止的风机温控系统。
本文设计的风机微小温控系统,可使温度检测精度达到0.01℃,并可手动设定温度上下限,且具有自动声光报警功能。
1.设计要求
本系统采用PT1000温度传感器检测环境温度(温度检测精度0.01℃),根据环境温度变化控制风机降温,并具备按键手动设定温度上下限、声光报警等功能。其控制面板示意图如图1所示。

具体技术要求及功能说明如下:
(1)环境温度在设定温度范围内时,绿色LED亮,风机不工作;
(2)当环境温度接近设定温度上限时(5℃之内),$LED亮,风机低速工作,蜂鸣器发出三声500Hz报警声;
(3)环境温度高于设定温度上限时,红色LED亮,风机全速工作,蜂呜器长响。
(4)采用双风机分时工作,便于维护。
2.基于单片机的风机温度控制系统的设计
2.1 系统硬件设计
2.1.1 系统硬件组成
根据设计要求,我们对风机控制系统采用模块式设计方案,把整个风机温控系统分为九个功能模块,即:电源模块、风机控制模块、主控电路模块、显示电路模块、按键模块、报警模块、温度检测模块、EEPROM模块、串口通信模块等。各功能模块之间的关系如图2所示。

2.1.2 系统各功能模块介绍
(1)电源模块
系统供电:外接12V/2A直流电源数字电源:51单片机、AD转换芯片、光电耦合器。采用1片7805三端稳压器。模拟电源:风机直接接12V电源、PT1000传感器采用1片7805三端稳压器供电。器件需求:12V/2A直流电源1个,7805三端稳压器2片,电源指示灯1个,电源开关1个。
(2)风机控制模块(风机控制采用主备方式)该模块使用1个单片机IO口输出PWM信号,通过光耦和MC1413驱动电路控制风机的停开和转速,风机供电采用12V电源直接供电。电路图见图3所示。


器件需求:0.8A风机2个,MC1413驱动控制芯片1个,6N137光耦2个。
(3)主控电路模块
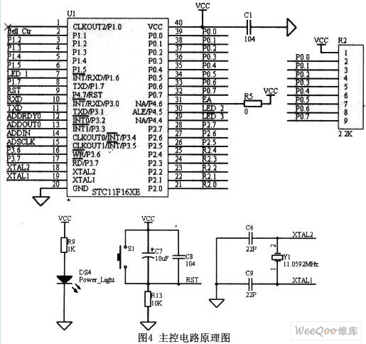
由STC11F16XE组成最小系统。
器件需求:STC1 1F16XE芯片,11.0592MHz晶振,22PF\1OuF\104电容,1K\10K电阻,复位按键1个。原理图如图4所示。


2.2.2 系统软件设计源程序
系统软件开发环境采用Keil uVision3。
以风机控制模块为例,给出系统软件设计源程序:




3.结语
本文设计的一种基于单片机的风机温度控制系统,可根据环境温度的微小变化,通过温度传感器进行采集,经过信号处理后去控制风机的动作。该控制系统采用模块化设计,可靠性高、维修方便,经过实验验证,可以达到预定功能。
本文设计的风机微小温控系统,可使温度检测精度达到0.01℃,并可手动设定温度上下限,且具有自动声光报警功能。
1.设计要求
本系统采用PT1000温度传感器检测环境温度(温度检测精度0.01℃),根据环境温度变化控制风机降温,并具备按键手动设定温度上下限、声光报警等功能。其控制面板示意图如图1所示。

具体技术要求及功能说明如下:
(1)环境温度在设定温度范围内时,绿色LED亮,风机不工作;
(2)当环境温度接近设定温度上限时(5℃之内),$LED亮,风机低速工作,蜂鸣器发出三声500Hz报警声;
(3)环境温度高于设定温度上限时,红色LED亮,风机全速工作,蜂呜器长响。
(4)采用双风机分时工作,便于维护。
2.基于单片机的风机温度控制系统的设计
2.1 系统硬件设计
2.1.1 系统硬件组成
根据设计要求,我们对风机控制系统采用模块式设计方案,把整个风机温控系统分为九个功能模块,即:电源模块、风机控制模块、主控电路模块、显示电路模块、按键模块、报警模块、温度检测模块、EEPROM模块、串口通信模块等。各功能模块之间的关系如图2所示。

2.1.2 系统各功能模块介绍
(1)电源模块
系统供电:外接12V/2A直流电源数字电源:51单片机、AD转换芯片、光电耦合器。采用1片7805三端稳压器。模拟电源:风机直接接12V电源、PT1000传感器采用1片7805三端稳压器供电。器件需求:12V/2A直流电源1个,7805三端稳压器2片,电源指示灯1个,电源开关1个。
(2)风机控制模块(风机控制采用主备方式)该模块使用1个单片机IO口输出PWM信号,通过光耦和MC1413驱动电路控制风机的停开和转速,风机供电采用12V电源直接供电。电路图见图3所示。


器件需求:0.8A风机2个,MC1413驱动控制芯片1个,6N137光耦2个。
(3)主控电路模块
由STC11F16XE组成最小系统。
器件需求:STC1 1F16XE芯片,11.0592MHz晶振,22PF\1OuF\104电容,1K\10K电阻,复位按键1个。原理图如图4所示。


2.2.2 系统软件设计源程序
系统软件开发环境采用Keil uVision3。
以风机控制模块为例,给出系统软件设计源程序:




3.结语
本文设计的一种基于单片机的风机温度控制系统,可根据环境温度的微小变化,通过温度传感器进行采集,经过信号处理后去控制风机的动作。该控制系统采用模块化设计,可靠性高、维修方便,经过实验验证,可以达到预定功能。
传感器 LED 单片机 电源模块 电路 51单片机 PWM 电路图 电容 电阻 Keil 温度传感器 相关文章:
- 多核及虚拟化技术在工业和安全领域的应用(05-23)
- 基于ARM核的AT75C220及其在指纹识别系统中的应用(05-24)
- 基于音频信号的轴承故障诊断方法(03-17)
- 采用信号调理IC驱动应变片电桥传感器(05-26)
- 基于nRF2401智能无线火灾监控系统设计(04-01)
- 家居安防无线监控报警系统(04-02)
