基于DSP的矩阵变换器空间矢量控制
时间:08-02
来源:互联网
点击:
1 引言
矩阵式变换器是一种具有优良的输入输出特性的新型交—交变换器。它允许频率单级变换,无需大容量的贮能元件如大电容,可使输入电流正弦,输入功率因数达到0.99以上,并可自由调节,且与负载的功率因数无关,输出电压正弦,输出频率及电压可调,输出频率可高于、低于输入频率,特别是其功率可双向流动,具有四象限运行能力。本文在矩阵变换器的空间矢量控制基础上,给出了一种基与DSP+PLD的方案,实验证明此方案可以提高高频大电流下换流的可靠性,简化了控制系统。
2 矩阵式变换器的空间矢量调制
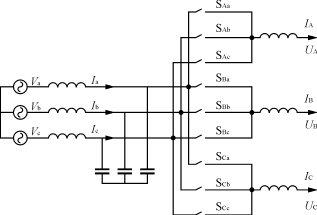
一个用于实现交—交变换的矩阵式变换器如图1所示。它可以用一个虚拟的整流器和一个虚拟的逆变器构成的等效交—直—交结构来代替,如图2所示。采用这样的等效结构可以充分利用已有成熟的交—直—交变换中的PWM控制技术,并 可 通 过 开 关 函 数 分 析 出 实 际 矩 阵 式 变 换 器 的 开 关 控 制 规 律 。
分 析 图1和 图 2时 , 首 先 要 定 义 开 关 函 数 。

图1 矩阵变换器结构

图2 等效交—直—交结构
对于图2的等效交—直—交结构,j∈{a,b,c,A,B,C,},k∈{P,N}。按照输入电压不能被短路,输出电路不能突然开路的原则,虚拟整流器同一直流母线P或N上的开关必须有一个且只能有一个处于导通状态,即
Sak+Sbk+Sck=1,k∈{P,N} (1)
而虚拟逆变器同一输出相A,B或C上必须有一个而且只能有一个开关导通,即
SjP+SjN=1,j∈{A,B,C,} (2)
对于图1的矩阵式变换器实际结构,j∈{A,B,C,},k∈{a,b,c}。按照输入电压不能被短路,输出电路不能突然开路的原则,每一输出相只能连至且必须连至一个输入相,开关函数须满足
Sja+Sjb+Sjc=1,j∈{A,B,C,} (3)
能满足式(3)的开关组合共有27种,但有6种在等效交—直—交结构中找不到对应的开关组合,所以共有21种有效的开关组合和矢量,见表1。
表1 矩阵式变换器有效开关组合表及与等效交—直—交变换器对应关系 21种有效矢量开关组合 开关状态
S SAbSAcSBaSBb
SBcSCaSCbSCc
输出电压 输入电流 UAB UBC UCA Ia Ib Ic 1P 100 010 010 Uab 0 -Uab IA -IA 0 1N 010 100 100 -Uab 0 Uab -IA IA 0 2P 010 001 001 Ubc 0 -Ubc 0 IA -IA 2N 001 010 010 -Ubc 0 Ubc 0 -IA -IA 3P 001 100 100 Uca 0 -Uca -IA 0 IA 3N 100 001 001 -Uca 0 Uca IA 0 -IA 4P 010 100 010 -Uab Uab 0 IB -IB 0 4N 100 010 100 Uab -Uab 0 -IB IB 0 5P 001 010 001 -Ubc Ubc 0 IA IA IC 5N 010 001 010 Ubc -Ubc 0 0 -IB IB 6P 100 001 100 -Uca Uca 0 IB IC IA 6N 001 100 001 Uca -Uca 0 IB 0 -IB 7P 010 010 100 0 -Uab Uab IA -IA 0 7N 100 100 010 0 Uab -Uab -IA IC 0 8P 001 001 010 0 -Ubc Ubc 0 IC -IC 8N 010 010 001 0 Ubc -Ubc 0 -IC IC 9P 100 100 001 0 -Uca Uca -IC 0 IC 9N 001 001 100 0 Uca -Uca IC 0 -IC 0A 100 100 100 0 0 0 0 0 0 0B 010 010 010 0 0 0 0 0 0 0C 001 001 001 0 0 0 0 0 0
经过推导可得到等效交—直—交结构和矩阵变换器的开关函数关系为
Sjk=SjPSkP+SjNSkN, j∈{A,B,C,},k∈{a,b,c} (4)
限定条件为
1≤SGm+SJn+SKI≤2 (5)
式中:G,J,K∈{A,B,C,},m,n,1∈{a,b,c},且G≠J≠K,m≠n≠1。
根据式(4)可以得到矩阵变换器21种有效开关组合形成的矢量与等效交—直—交结构6个输入相电流矢量和6个输出线电压矢量的对应关系,见图3和表1,从而由等效交—直—交结构的双空间矢量调制策略得到矩阵变换器的交—交直接变换空间矢量调制策略。

图3 输入相电流和输出线电压的矢量图
在等效交—直—交结构中,逆变器部分的理想输出线电压基准矢量圆和整流器部分的理想输入相电流基准矢量圆都被划分为6个扇区,从而有36种可能的扇区组合,以虚拟整流器、逆变器均工作在第I扇区为例,可以用于矢量合成的空间电流,电压矢量分别是I6,I1和U6,U1,两个空间矢量的综合调制采用相互嵌套的办法来实现。整个输入相电流和输出线电压矢量合成过程共有I6-U6,I6-U1,I1-U6,I1-U1及零矢量I0-U05种组合。每一矢量组合的作用时间用占空比表示时是该组合内各矢量占空比的乘积。即
I6-U6:
Dxα=Dx·Dα=msin(60°-θi)sin(60°-θv) (6)
I6—U1:
Dxβ=Dx·Dβ=msin(60°-θi)sinθv (7)
I1-U6:
Dyα=Dy·Dα=msinθisin(60°-θv) (8)
I1-U1:
Dyβ=Dy·Dβ=msinθisinθv (9)
I0-U0:
D0=1-Dxα-Dxβ-Dyα-Dyβ (10)
式中:θi是输入相电流的相角;
θv是输出线电压的相角。
以上计算出占空比后,再通过开关函数找到相对应的真实的矩阵变换器的矢量和开关组合。开关组合的选择步骤、原则如下:假设输出线电压矢量和输入相电流都位于第1扇区,则根据图3得到合成和的固定矢量U1,U6,I1,I6,并得到对应的矩阵变换器的8个矢量1P,3P,4P,6P,1N,3N,4N,6N,再按照获得最大电压传输比和单位功率因数的原则从上述8个矢量中选出4个矢量。要获得单位功率因数,则要使输入相电压和输入相电流相角差为0,注意到输入线电压矢量超前输入相电流30°,则输入线电压矢量可能位于第1扇区或第2扇区,所以,输入线电压的最大值为Uab和-Uca,则在上述8个矢量中需要选择4个矢量使输出线电压UOAB等于Uab或-Uca,选出的4个矢量为1P,3N,4N,6P,4个矢量按照开关次数最少的原则确定开关顺序为1P,3N,4N,6P,加上零矢量,5个矢量的占空比由式(6),(7),(8),(9),(10)确定。输出线电压矢量和输入相电流共有36种扇区组合,则对应矩阵变换的36种矢量调制开关组合。
矩阵式变换器是一种具有优良的输入输出特性的新型交—交变换器。它允许频率单级变换,无需大容量的贮能元件如大电容,可使输入电流正弦,输入功率因数达到0.99以上,并可自由调节,且与负载的功率因数无关,输出电压正弦,输出频率及电压可调,输出频率可高于、低于输入频率,特别是其功率可双向流动,具有四象限运行能力。本文在矩阵变换器的空间矢量控制基础上,给出了一种基与DSP+PLD的方案,实验证明此方案可以提高高频大电流下换流的可靠性,简化了控制系统。
2 矩阵式变换器的空间矢量调制
一个用于实现交—交变换的矩阵式变换器如图1所示。它可以用一个虚拟的整流器和一个虚拟的逆变器构成的等效交—直—交结构来代替,如图2所示。采用这样的等效结构可以充分利用已有成熟的交—直—交变换中的PWM控制技术,并 可 通 过 开 关 函 数 分 析 出 实 际 矩 阵 式 变 换 器 的 开 关 控 制 规 律 。
分 析 图1和 图 2时 , 首 先 要 定 义 开 关 函 数 。

图1 矩阵变换器结构

图2 等效交—直—交结构
对于图2的等效交—直—交结构,j∈{a,b,c,A,B,C,},k∈{P,N}。按照输入电压不能被短路,输出电路不能突然开路的原则,虚拟整流器同一直流母线P或N上的开关必须有一个且只能有一个处于导通状态,即
Sak+Sbk+Sck=1,k∈{P,N} (1)
而虚拟逆变器同一输出相A,B或C上必须有一个而且只能有一个开关导通,即
SjP+SjN=1,j∈{A,B,C,} (2)
对于图1的矩阵式变换器实际结构,j∈{A,B,C,},k∈{a,b,c}。按照输入电压不能被短路,输出电路不能突然开路的原则,每一输出相只能连至且必须连至一个输入相,开关函数须满足
Sja+Sjb+Sjc=1,j∈{A,B,C,} (3)
能满足式(3)的开关组合共有27种,但有6种在等效交—直—交结构中找不到对应的开关组合,所以共有21种有效的开关组合和矢量,见表1。
表1 矩阵式变换器有效开关组合表及与等效交—直—交变换器对应关系 21种有效矢量开关组合 开关状态
S SAbSAcSBaSBb
SBcSCaSCbSCc
输出电压 输入电流 UAB UBC UCA Ia Ib Ic 1P 100 010 010 Uab 0 -Uab IA -IA 0 1N 010 100 100 -Uab 0 Uab -IA IA 0 2P 010 001 001 Ubc 0 -Ubc 0 IA -IA 2N 001 010 010 -Ubc 0 Ubc 0 -IA -IA 3P 001 100 100 Uca 0 -Uca -IA 0 IA 3N 100 001 001 -Uca 0 Uca IA 0 -IA 4P 010 100 010 -Uab Uab 0 IB -IB 0 4N 100 010 100 Uab -Uab 0 -IB IB 0 5P 001 010 001 -Ubc Ubc 0 IA IA IC 5N 010 001 010 Ubc -Ubc 0 0 -IB IB 6P 100 001 100 -Uca Uca 0 IB IC IA 6N 001 100 001 Uca -Uca 0 IB 0 -IB 7P 010 010 100 0 -Uab Uab IA -IA 0 7N 100 100 010 0 Uab -Uab -IA IC 0 8P 001 001 010 0 -Ubc Ubc 0 IC -IC 8N 010 010 001 0 Ubc -Ubc 0 -IC IC 9P 100 100 001 0 -Uca Uca -IC 0 IC 9N 001 001 100 0 Uca -Uca IC 0 -IC 0A 100 100 100 0 0 0 0 0 0 0B 010 010 010 0 0 0 0 0 0 0C 001 001 001 0 0 0 0 0 0
经过推导可得到等效交—直—交结构和矩阵变换器的开关函数关系为
Sjk=SjPSkP+SjNSkN, j∈{A,B,C,},k∈{a,b,c} (4)
限定条件为
1≤SGm+SJn+SKI≤2 (5)
式中:G,J,K∈{A,B,C,},m,n,1∈{a,b,c},且G≠J≠K,m≠n≠1。
根据式(4)可以得到矩阵变换器21种有效开关组合形成的矢量与等效交—直—交结构6个输入相电流矢量和6个输出线电压矢量的对应关系,见图3和表1,从而由等效交—直—交结构的双空间矢量调制策略得到矩阵变换器的交—交直接变换空间矢量调制策略。

图3 输入相电流和输出线电压的矢量图
在等效交—直—交结构中,逆变器部分的理想输出线电压基准矢量圆和整流器部分的理想输入相电流基准矢量圆都被划分为6个扇区,从而有36种可能的扇区组合,以虚拟整流器、逆变器均工作在第I扇区为例,可以用于矢量合成的空间电流,电压矢量分别是I6,I1和U6,U1,两个空间矢量的综合调制采用相互嵌套的办法来实现。整个输入相电流和输出线电压矢量合成过程共有I6-U6,I6-U1,I1-U6,I1-U1及零矢量I0-U05种组合。每一矢量组合的作用时间用占空比表示时是该组合内各矢量占空比的乘积。即
I6-U6:
Dxα=Dx·Dα=msin(60°-θi)sin(60°-θv) (6)
I6—U1:
Dxβ=Dx·Dβ=msin(60°-θi)sinθv (7)
I1-U6:
Dyα=Dy·Dα=msinθisin(60°-θv) (8)
I1-U1:
Dyβ=Dy·Dβ=msinθisinθv (9)
I0-U0:
D0=1-Dxα-Dxβ-Dyα-Dyβ (10)
式中:θi是输入相电流的相角;
θv是输出线电压的相角。
以上计算出占空比后,再通过开关函数找到相对应的真实的矩阵变换器的矢量和开关组合。开关组合的选择步骤、原则如下:假设输出线电压矢量和输入相电流都位于第1扇区,则根据图3得到合成和的固定矢量U1,U6,I1,I6,并得到对应的矩阵变换器的8个矢量1P,3P,4P,6P,1N,3N,4N,6N,再按照获得最大电压传输比和单位功率因数的原则从上述8个矢量中选出4个矢量。要获得单位功率因数,则要使输入相电压和输入相电流相角差为0,注意到输入线电压矢量超前输入相电流30°,则输入线电压矢量可能位于第1扇区或第2扇区,所以,输入线电压的最大值为Uab和-Uca,则在上述8个矢量中需要选择4个矢量使输出线电压UOAB等于Uab或-Uca,选出的4个矢量为1P,3N,4N,6P,4个矢量按照开关次数最少的原则确定开关顺序为1P,3N,4N,6P,加上零矢量,5个矢量的占空比由式(6),(7),(8),(9),(10)确定。输出线电压矢量和输入相电流共有36种扇区组合,则对应矩阵变换的36种矢量调制开关组合。
电容 电流 电压 DSP 逆变器 PWM 电路 IGBT 滤波器 相关文章:
- 航天器DC/DC变换器的可靠性设计(02-12)
- 基于ARM核的AT75C220及其在指纹识别系统中的应用(05-24)
- 基于nRF2401智能小区无线抄表系统集中器设计(04-30)
- 卫星电源分系统可靠性设计与研究(02-12)
- 采用信号调理IC驱动应变片电桥传感器(05-26)
- 基于nRF2401智能无线火灾监控系统设计(04-01)
