数显电容高低调节器的原理与应用
时间:07-12
来源:互联网
点击:
2.4 阶梯比较译码显示电路
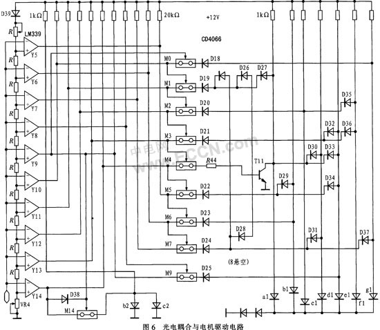
在火焰切割中,割炬与钢板的切割距离为5mm~8mm时,切割效果最佳。为了显示割炬与钢板的最佳距离,采用二极管译码电路。图6左边是阶梯比较电路,右边是一组模拟开关和二极管译码电路,其中,a1、b1、c1、d1、e1、f1、g1是个位数的七段发光数码管,b2、c2是十位数的发光二极管,只能显示1,整个电路可以对4~14个数字进行译码显示。采用共阴极七段发光数码管。
当电容探头下降时,电容传感器电路输出的电压信号很小,小于Y14比较器的负向电压,此时,Y14输出低电平,Y5~Y13比较器输出高电平,M14模拟开关选通,b2、c2发光数码管不亮。Y14输出低电平也使N4输出低电平,通过T11导相,输出为高电平,此时,a1、b1、c1、d1、el、f1、g1七段发光数码管全亮,第一次显示为竖立的“8”,表示割炬与钢板的距离大于14 mm。
当电容探头继续下降时,电容传感器电路输出的电压大于Y14比较器的负向电压,小于Y13比较器正向电压时,Y5~Y14输出高电平,M14、M0~M9模拟开关全部输出高电平,T11晶体管导通;T11晶体管的导通使二极管D30、D33二极管对地导通,从而使a1、d1、e1得不到导通电压,a1、d1、e1不发光,此时两位数码发光二极管显示为“14”。
当电容探头再下降时,电容传感器电路输出的电压大于Y13比较器正向电压,而小于Y12比较器正向电压,此时只有Y13输出低电平,Y14器输出高电平,b2、c2发光二极管点发亮;而Y13输出低电平时,同时M4封锁,M4不能选通,只有M3选通,Y13的低电平拉低D32、D36阴极电位,同时也拉低D32、D36阳极电位,使e1、f1达不到点亮电压,此时,b2、c2和a1、b1、e1、d1、gl发亮,两位数码发光二极管显示为“13”。
电容探头继续下降,电容传感器电路输出的电压大于Y12比较器正向电压,而小于Y11比较器正向电压时,Y12输出低电平,Y14输出高电平,b2、c2发光二极管发亮;Y12输出低电平的,同时M3封锁,M3不能选通,只有M2选通,Y12的低电平拉低D35阴极电位,同时也拉低D35阳极电位,使c1、f1达不到点亮电压,此时,b2、c2和a1、b1、d1、e1、g1发亮,两位数码发光二极管显示为“12”。
电容探头继续下降,电容传感器电路输出的电压大于Y11比较器正向电压,而小于Y10比较器正向电压时,Y11输出低电平,Y14输出高电平,b2、c2发光二极管点亮;Y11输出低电平时同时M2封锁,M2不能选通,只有M1选通,Y11的低电平拉低D26、D27、D31、D32、D36、D37阳极电位,使a1、d1、e1、f1、g1达不到点亮电压,此时,b2、c2和b1、c1发亮,两位数码发光二极管显示为“11”。
电容探头继续下降,电容传感器电路输出电压大于Y10比较器正向电压,而小于Y9比较器正向电压时,Y10输出低电平,Y14输出高电平,b2、c2发光二极管发亮;而Y10输出低电平时,同时M1封锁,M1不能选通,只有M0选通,Y10的低电平拉低D18阳极电位,使g1达不到点亮电压,此时,b2、c2、a1、b1、c1、d1、e1、f1发亮,两位数码发光二极管显示为“10”。
电容探头继续下降,电容传感器电路输出电压大于Y9比较器正向电压,而小于Y8比较器正向电压时,Y9输出低电平,Y8输出高电平,封锁M14,使b2、c2发光二极管不发光;Y9输出低电平时,M0封锁,Y9的低电平通过M9模拟开关拉低D25阳极电位,使e1达不到点亮电压,此时a1、b1、c1、d1、f1、g1发亮,个位数显示为“9”。
电容探头继续下降,电容传感器电路输出电压大于Y8比较器正向电压,而小于Y7比较器正向电压时,Y8输出低电平,Y7输出高电平,Y8输出低电平时,M9封锁,此时,译码二极管全部处于悬空状态,a1、bl、c1、d1、e1、f1、g1七段发光管全部点亮,个位数显示为“8”。
电容探头继续下降,电容传感器电路输出电压大于Y7比较器正向电压。小于Y6比较器正向电压时,Y7输出低电平,Y6输出高电平,而Y7输出低电平时,M8封锁,Y7的低电平通过M7模拟开关拉低D31、D32、D36、D37阳极电位,使d1、e1、f1、g1达不到点亮电压,此时a1、b1、c1发亮,个位显示为“7”。
电容探头继续下降,电容传感器电路输出电压大于Y6比较器正向电压,而小于Y5比较器正向电压时,Y6输出低电平,Y5输出高电平,Y6输出低电平时,M7封锁,Y6的低电平通过M6模拟开关拉低D23阳极电位,使b1达不到点亮电压,此时a1、c1、d1、e1、f1、g1发亮,个位数显示为“6”。
电容探头继续下降,电容传感器电路输出电压大于Y5比较器正向电压时,Y5输出低电平,N6封锁,Y5的低电平通过M5模拟开关拉低D29、D34阳极电位,使b1、e1达不到点亮电压,此时a1、c1、d1、f1、g1发亮,个位显示为“5”。
通过以上对阶梯比较和泽码显示电路的详细解剖分析,可以看出。随着割炬的下降,电容传感器电路输出的信号电压随之上升,每步进上升一步电压,比较器输出电压就为低电平,同时封锁下一级模拟开关,唯独Y14不同,因为其正端和负端与其他的比较器接法不同。为了使数码显示割炬与钢板保持5 mm~14 mm的距离,在现场调试时,VR2、VR4、VR5也应进行相应调整。
在火焰切割中,割炬与钢板的切割距离为5mm~8mm时,切割效果最佳。为了显示割炬与钢板的最佳距离,采用二极管译码电路。图6左边是阶梯比较电路,右边是一组模拟开关和二极管译码电路,其中,a1、b1、c1、d1、e1、f1、g1是个位数的七段发光数码管,b2、c2是十位数的发光二极管,只能显示1,整个电路可以对4~14个数字进行译码显示。采用共阴极七段发光数码管。
|
当电容探头下降时,电容传感器电路输出的电压信号很小,小于Y14比较器的负向电压,此时,Y14输出低电平,Y5~Y13比较器输出高电平,M14模拟开关选通,b2、c2发光数码管不亮。Y14输出低电平也使N4输出低电平,通过T11导相,输出为高电平,此时,a1、b1、c1、d1、el、f1、g1七段发光数码管全亮,第一次显示为竖立的“8”,表示割炬与钢板的距离大于14 mm。
当电容探头继续下降时,电容传感器电路输出的电压大于Y14比较器的负向电压,小于Y13比较器正向电压时,Y5~Y14输出高电平,M14、M0~M9模拟开关全部输出高电平,T11晶体管导通;T11晶体管的导通使二极管D30、D33二极管对地导通,从而使a1、d1、e1得不到导通电压,a1、d1、e1不发光,此时两位数码发光二极管显示为“14”。
当电容探头再下降时,电容传感器电路输出的电压大于Y13比较器正向电压,而小于Y12比较器正向电压,此时只有Y13输出低电平,Y14器输出高电平,b2、c2发光二极管点发亮;而Y13输出低电平时,同时M4封锁,M4不能选通,只有M3选通,Y13的低电平拉低D32、D36阴极电位,同时也拉低D32、D36阳极电位,使e1、f1达不到点亮电压,此时,b2、c2和a1、b1、e1、d1、gl发亮,两位数码发光二极管显示为“13”。
电容探头继续下降,电容传感器电路输出的电压大于Y12比较器正向电压,而小于Y11比较器正向电压时,Y12输出低电平,Y14输出高电平,b2、c2发光二极管发亮;Y12输出低电平的,同时M3封锁,M3不能选通,只有M2选通,Y12的低电平拉低D35阴极电位,同时也拉低D35阳极电位,使c1、f1达不到点亮电压,此时,b2、c2和a1、b1、d1、e1、g1发亮,两位数码发光二极管显示为“12”。
电容探头继续下降,电容传感器电路输出的电压大于Y11比较器正向电压,而小于Y10比较器正向电压时,Y11输出低电平,Y14输出高电平,b2、c2发光二极管点亮;Y11输出低电平时同时M2封锁,M2不能选通,只有M1选通,Y11的低电平拉低D26、D27、D31、D32、D36、D37阳极电位,使a1、d1、e1、f1、g1达不到点亮电压,此时,b2、c2和b1、c1发亮,两位数码发光二极管显示为“11”。
电容探头继续下降,电容传感器电路输出电压大于Y10比较器正向电压,而小于Y9比较器正向电压时,Y10输出低电平,Y14输出高电平,b2、c2发光二极管发亮;而Y10输出低电平时,同时M1封锁,M1不能选通,只有M0选通,Y10的低电平拉低D18阳极电位,使g1达不到点亮电压,此时,b2、c2、a1、b1、c1、d1、e1、f1发亮,两位数码发光二极管显示为“10”。
电容探头继续下降,电容传感器电路输出电压大于Y9比较器正向电压,而小于Y8比较器正向电压时,Y9输出低电平,Y8输出高电平,封锁M14,使b2、c2发光二极管不发光;Y9输出低电平时,M0封锁,Y9的低电平通过M9模拟开关拉低D25阳极电位,使e1达不到点亮电压,此时a1、b1、c1、d1、f1、g1发亮,个位数显示为“9”。
电容探头继续下降,电容传感器电路输出电压大于Y8比较器正向电压,而小于Y7比较器正向电压时,Y8输出低电平,Y7输出高电平,Y8输出低电平时,M9封锁,此时,译码二极管全部处于悬空状态,a1、bl、c1、d1、e1、f1、g1七段发光管全部点亮,个位数显示为“8”。
电容探头继续下降,电容传感器电路输出电压大于Y7比较器正向电压。小于Y6比较器正向电压时,Y7输出低电平,Y6输出高电平,而Y7输出低电平时,M8封锁,Y7的低电平通过M7模拟开关拉低D31、D32、D36、D37阳极电位,使d1、e1、f1、g1达不到点亮电压,此时a1、b1、c1发亮,个位显示为“7”。
电容探头继续下降,电容传感器电路输出电压大于Y6比较器正向电压,而小于Y5比较器正向电压时,Y6输出低电平,Y5输出高电平,Y6输出低电平时,M7封锁,Y6的低电平通过M6模拟开关拉低D23阳极电位,使b1达不到点亮电压,此时a1、c1、d1、e1、f1、g1发亮,个位数显示为“6”。
电容探头继续下降,电容传感器电路输出电压大于Y5比较器正向电压时,Y5输出低电平,N6封锁,Y5的低电平通过M5模拟开关拉低D29、D34阳极电位,使b1、e1达不到点亮电压,此时a1、c1、d1、f1、g1发亮,个位显示为“5”。
通过以上对阶梯比较和泽码显示电路的详细解剖分析,可以看出。随着割炬的下降,电容传感器电路输出的信号电压随之上升,每步进上升一步电压,比较器输出电压就为低电平,同时封锁下一级模拟开关,唯独Y14不同,因为其正端和负端与其他的比较器接法不同。为了使数码显示割炬与钢板保持5 mm~14 mm的距离,在现场调试时,VR2、VR4、VR5也应进行相应调整。
电容 传感器 电路 振荡器 放大器 电压 二极管 发光二极管 电阻 电流 比较器 自动化 相关文章:
- 航天器DC/DC变换器的可靠性设计(02-12)
- 基于ARM核的AT75C220及其在指纹识别系统中的应用(05-24)
- 基于nRF2401智能小区无线抄表系统集中器设计(04-30)
- 卫星电源分系统可靠性设计与研究(02-12)
- 采用信号调理IC驱动应变片电桥传感器(05-26)
- 基于nRF2401智能无线火灾监控系统设计(04-01)

