基于PIC单片机的智能IC卡燃气表电控系统设计
时间:06-24
来源:互联网
点击:
智能IC卡燃气表是一种根据用户IC卡购气量实现自动计量计费、自动控制用气的民用高技术产品,具有传统人工抄表收费式燃气表无可比拟的优越性。当前,随着国家"金卡工程"的深入开展和开发大西北"西气东输"计划的正式启动,智能IC卡燃气表已呈现出十分广阔的应用前景。本文介绍了该产品的核心技术--基于PIC单片机的智能IC卡燃气表电控系统设计,论述了智能IC卡燃气表的控制模式、电控系统的硬件电路构成、系统软件设计及其实际应用情况。
1 智能IC卡燃气表控制模式
智能IC卡燃气表是在常规家用模式燃气表体上安装智能测控系统而构成的,该测控系统主要由IC卡、计量电路、电控系统以及气路控制阀等组成,系统结构如图1所示。
当用户将含有购气量(以加密数值形式表示)的IC卡插入表内时,控制阀在电控系统控制下开通气路。用户每用一个计量单位,计量电路便发出一组等周期计量脉冲序列,该脉冲序列如经电控系统判定为有效,即可从已购气量中减去一个计量单位,并通过液晶模块显示表内剩余气量。当剩余气量为零时,控制阀自动关闭,气路即被切断,此时用户须重新持卡购气。在正常情况下控制阀处于接通态,只有当特殊事件发生时控制阀才从接通态变为关闭态。图2出了三种事件状态下控制阀的通断情况。

2 系统电路构成
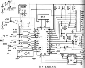
智能IC卡燃气表电控系统电路由低功耗单片机、EEPROM存储电路、电源电压监测电路、电池保护电路、液晶显示及声光报警电路、IC卡读写控制电路等组成,下面结合图3所示的电路原理图作进一步介绍。

2.1 PIC单片机及电路组成
PIC单片机是Microchip公司近年来推出的新型单片机系列。它采用先进的RISC技术,具有低价格、低功耗、高性能、全静态、易使用等特点,目前已在仪器仪表、工业自动化、计算机通讯以及民用产品等领域得到广泛应用。本设计中采用了PIC系列中的主流型号PIC16C57作为电路系统的控制核心。该单片机在静态时处于低功耗睡眠状态,功耗小于3μA。当接收到计量脉冲或有IC卡操作时,单片机由睡眠态转为工作状态。在本系统中,单片机通过C5、C6口以I2C 总线方式对IC卡进行读写操作,以模拟I2C 方式与存储器IC2进行数据通讯,并通过B2、B4口分别获取实时电池电压及电源保护信号,通过输出口B6、B7控制电控阀动作,通过输出口A0、A1驱动汉字液晶模块。
2.2 EEPROM存储电路
EEPROM存储器IC2采用24LC02B芯片,该芯片可以在无电源状态下长期可靠存储系统内重要数据,工作寿命可达106次。当用户卡插入系统时,卡内密码、卡号、购气量及用户用气记录等关键数据将以密文形式存储在24LC02B芯片中。
2.3 电压监测电路
系统采用S80751芯片进行电压实时监测,当系统电池电压在正常值时?S80751的输出1脚为高电平;当电池电压低于保护值时,该芯片的1脚变为低电平,单片机检测到该信号后,即控制液晶模块显示欠压,以提醒用户更换电池。
2.4 电源保护电路
为有效保护系统电源,本电路可对电池盒位置进行高灵敏检测。当电池盒被拉开时,保护电路输出低电平,单片机监测到该信号后,即控制阀门使其关断。直到电池安装好并将电池盒推入表内正常位置时,单片机才会再次控制阀门使其重新开阀供气。
2.5 液晶显示及声光报警电路
液晶显示电路采用PHILIP标准I2C通讯模块制作,可汉字显示欠压、购气、关阀、卡误和气量五种信息状态及其任意组合。声光报警电路采用高亮LED和高响蜂鸣器,由单片机控制发出声光报警。
2.6 IC卡及读写电路
IC卡由于具有存储容量大、数据保密性好、抗干扰能力强、操作速度快等突出优点,近年来在世界范围内得到广泛应用。本系统采用符合ISO7816国际标准的IC卡,用于可靠存储用户密钥、购气量、用气记录等关键数据。单片机通过IC卡读写电路完成对IC卡信息的读写,本读写电路在卡口保护、辅助伪卡识别、确保准确安全读写IC卡信息等方面都进行了精心而合理的设计。
3 系统软件设计
系统软件采用PIC16C5X精简指令集编写。软件设计紧密结合智能IC卡燃气表的控制模式,充分体现了对IC卡信息读写、卡类型判断、计量信号判断与数据处理、电压监测与电源保护等功能,并在IC卡信息安全性、软件运行可靠性及抗干扰等方面进行了精心设计。系统主程序框图如图4所示。

下面给出IC卡读、写的子程序:
R10BYTE MOVF 8?0
MOVWF FSR
MOVLW .10 ;读10个存储单元
MOVWF BCOUNT
CALL START
MOVLW CTRL_W
CALL TR1BYTE
CALL RACK
MOVLW 8 ;存于寄存器8中
CALL TR1BYTE
CALL RACK
CALL START
MOVLW CTRL_R
CALL TR1BYTE
CALL RACK
READ CALL RD1BYTE ;读字节子程序
1 智能IC卡燃气表控制模式
智能IC卡燃气表是在常规家用模式燃气表体上安装智能测控系统而构成的,该测控系统主要由IC卡、计量电路、电控系统以及气路控制阀等组成,系统结构如图1所示。
当用户将含有购气量(以加密数值形式表示)的IC卡插入表内时,控制阀在电控系统控制下开通气路。用户每用一个计量单位,计量电路便发出一组等周期计量脉冲序列,该脉冲序列如经电控系统判定为有效,即可从已购气量中减去一个计量单位,并通过液晶模块显示表内剩余气量。当剩余气量为零时,控制阀自动关闭,气路即被切断,此时用户须重新持卡购气。在正常情况下控制阀处于接通态,只有当特殊事件发生时控制阀才从接通态变为关闭态。图2出了三种事件状态下控制阀的通断情况。

2 系统电路构成
智能IC卡燃气表电控系统电路由低功耗单片机、EEPROM存储电路、电源电压监测电路、电池保护电路、液晶显示及声光报警电路、IC卡读写控制电路等组成,下面结合图3所示的电路原理图作进一步介绍。

2.1 PIC单片机及电路组成
PIC单片机是Microchip公司近年来推出的新型单片机系列。它采用先进的RISC技术,具有低价格、低功耗、高性能、全静态、易使用等特点,目前已在仪器仪表、工业自动化、计算机通讯以及民用产品等领域得到广泛应用。本设计中采用了PIC系列中的主流型号PIC16C57作为电路系统的控制核心。该单片机在静态时处于低功耗睡眠状态,功耗小于3μA。当接收到计量脉冲或有IC卡操作时,单片机由睡眠态转为工作状态。在本系统中,单片机通过C5、C6口以I2C 总线方式对IC卡进行读写操作,以模拟I2C 方式与存储器IC2进行数据通讯,并通过B2、B4口分别获取实时电池电压及电源保护信号,通过输出口B6、B7控制电控阀动作,通过输出口A0、A1驱动汉字液晶模块。
2.2 EEPROM存储电路
EEPROM存储器IC2采用24LC02B芯片,该芯片可以在无电源状态下长期可靠存储系统内重要数据,工作寿命可达106次。当用户卡插入系统时,卡内密码、卡号、购气量及用户用气记录等关键数据将以密文形式存储在24LC02B芯片中。
2.3 电压监测电路
系统采用S80751芯片进行电压实时监测,当系统电池电压在正常值时?S80751的输出1脚为高电平;当电池电压低于保护值时,该芯片的1脚变为低电平,单片机检测到该信号后,即控制液晶模块显示欠压,以提醒用户更换电池。
2.4 电源保护电路
为有效保护系统电源,本电路可对电池盒位置进行高灵敏检测。当电池盒被拉开时,保护电路输出低电平,单片机监测到该信号后,即控制阀门使其关断。直到电池安装好并将电池盒推入表内正常位置时,单片机才会再次控制阀门使其重新开阀供气。
2.5 液晶显示及声光报警电路
液晶显示电路采用PHILIP标准I2C通讯模块制作,可汉字显示欠压、购气、关阀、卡误和气量五种信息状态及其任意组合。声光报警电路采用高亮LED和高响蜂鸣器,由单片机控制发出声光报警。
2.6 IC卡及读写电路
IC卡由于具有存储容量大、数据保密性好、抗干扰能力强、操作速度快等突出优点,近年来在世界范围内得到广泛应用。本系统采用符合ISO7816国际标准的IC卡,用于可靠存储用户密钥、购气量、用气记录等关键数据。单片机通过IC卡读写电路完成对IC卡信息的读写,本读写电路在卡口保护、辅助伪卡识别、确保准确安全读写IC卡信息等方面都进行了精心而合理的设计。
3 系统软件设计
系统软件采用PIC16C5X精简指令集编写。软件设计紧密结合智能IC卡燃气表的控制模式,充分体现了对IC卡信息读写、卡类型判断、计量信号判断与数据处理、电压监测与电源保护等功能,并在IC卡信息安全性、软件运行可靠性及抗干扰等方面进行了精心设计。系统主程序框图如图4所示。

下面给出IC卡读、写的子程序:
R10BYTE MOVF 8?0
MOVWF FSR
MOVLW .10 ;读10个存储单元
MOVWF BCOUNT
CALL START
MOVLW CTRL_W
CALL TR1BYTE
CALL RACK
MOVLW 8 ;存于寄存器8中
CALL TR1BYTE
CALL RACK
CALL START
MOVLW CTRL_R
CALL TR1BYTE
CALL RACK
READ CALL RD1BYTE ;读字节子程序
PIC 单片机 电路 电压 Microchip 自动化 总线 LED 相关文章:
- 提高实时系统数据采集质量的研究(04-09)
- 数字语音驱鸟器阵列声场聚焦系统设计(11-23)
- 基于TMS320C6416T的CPCI信号处理板设计(12-01)
- 基于PIC32MX的液晶触摸屏人机界面设计(01-13)
- 高效的500W太阳能逆变器设计(12-22)
- dsPIC30F3013的CAN总线数据采集系统(01-17)
