MAX120在高速数据采集系统中的应用
时间:06-09
来源:互联网
点击:
MAX120是美国MAXIM公司近来新推出的产品,采用BICMOS工艺生产的带采样电路的12位模拟数字转换器,并且集跟踪/保持器(T/H)、精密电源于一体。它的转换时间是1.6μs,采样率是500Ksps,内外采样模式可选,连续转换模式可选,输入电压为±5V,极限值为±15V,功耗为210mW,全温度下无丢失码,能方便的与一般微处理器接口,适合于高速数据采集处理系统,满足高速、高精度数据处理的要求。
下面简要介绍芯片的主要引脚及功能。
● MODE为方式输入端。当MODE=VDD时,INT/BUSY用做一个中断信号;当MODE=OPEN或MODE=DGND时,INT/BUSY用作BUSY输出;
● CONVST是转换开始输入端,在波形的下降沿时转换开始;
● INT或BUSY的输出表示转换器的状态;
● CS是片选端,低电平有效,当为低电平时,允许三态数据输出;当CONVST和RD都是低电平时,在CS的下降沿启动一次转换。
● RD是读输入端,低电平有效,当为低电平时,允许三态数据输出;当CONVST和RD都是低电平时,在RD的下降沿启动一次转换。
工作模式
MAX120有5种工作模式。
● 全控制模式(模式1):为用户提供了最大的控制能力,以控制转换的开始和取数操作。全控制方式用于插入或不能插入等待状态的微处理器系统(μP),可与DSP的总线接口。
● 独立模式(模式2)和连续转换模式(模式5):是用于没有处理器的系统,或用于基于处理器的系统,即系统中ADC和处理器是通过先进先出(FIFO)缓冲器或直接存储器访问(DMA)来接口的,一般不直接与DSP发生联系。
● 慢存贮模式(模式3):主要用于在ADC转换期间处理器能被强制进入等待状态的系统,可以与DSP的总线接口。
● ROM方式(方式4):用于处理器不能被强制进入等待状态的系统,可以与DSP的总线接口。
在这5种工作方式下,转换器的启动由3个数字输入信号(CONVST、RD或CS)之一来控制。在任何一种方式下,要开始转换都必须使CONVST为低电平,一旦进入了转换,就不能再启动。读操作由RD和CS来控制,要读出输出数据,这个两数字输入信号都必须为低电平,INT/BUSY输出转换器的工作状态决定最近一次转换时间何时有效。
另外,方式输入端MODE对INT/BUSY的输出有如下规定:
如果MODE=VDD,INT/BUSY是一个中断信号,此时,INT/BUSY为低电平,转换数据读出后,INT/BUSY重新返回高电平。
如果MODE开路或与数字地相连,INT/BUSY就作BUSY输出,此时,转换启动时INT/BUSY变为低电平,转换后升为高电平,数据在D0~D11处有效。
MAX120接口实例
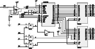
一般模拟信号在进行A/D转换之前必须经过缓冲放大,以减少对A/D转换器的冲击。此接口电路采用了LF353高速集成运放组成信号缓冲放大器,如图所示。

模拟信号由AIN端输入。CLKIN是A/D转换器的A/D转换脉冲输入端,此脉冲信号取自单片机ALE端,单片机可用80c32。CONVST接到单片机的P1.0口,在脉冲下降沿启动一次A/D转换。数据的输出由片选CS和RD控制;Y0、Y1、Y2取自与单片机相连的译码器的输出端。Y0和RD控制A/D转换器的数据输出,在Y0有效时,RD的下降沿输出数据,RD上升沿经反向器反向后作为锁存器74F373的输入锁存脉冲,将转换输出的12位数据锁存在2个锁存器中。Y1和RD用于控制读取锁存器中的低8位数据;Y2和RD用于控制读取锁存器中的高4位数据。
结束语
用于数据采集系统的A/D转换芯片有很多,其应用领域也比较广泛,MAX120作为A/D家族的新成员,即延续了目前已有产品的功能,在数据采集的速度和精度上也有了很大程度的提高,在语音、噪声等信号处理系统及动态性能要求较高的自动控制系统中,作为数据采集部件非常理想。
下面简要介绍芯片的主要引脚及功能。
● MODE为方式输入端。当MODE=VDD时,INT/BUSY用做一个中断信号;当MODE=OPEN或MODE=DGND时,INT/BUSY用作BUSY输出;
● CONVST是转换开始输入端,在波形的下降沿时转换开始;
● INT或BUSY的输出表示转换器的状态;
● CS是片选端,低电平有效,当为低电平时,允许三态数据输出;当CONVST和RD都是低电平时,在CS的下降沿启动一次转换。
● RD是读输入端,低电平有效,当为低电平时,允许三态数据输出;当CONVST和RD都是低电平时,在RD的下降沿启动一次转换。
工作模式
MAX120有5种工作模式。
● 全控制模式(模式1):为用户提供了最大的控制能力,以控制转换的开始和取数操作。全控制方式用于插入或不能插入等待状态的微处理器系统(μP),可与DSP的总线接口。
● 独立模式(模式2)和连续转换模式(模式5):是用于没有处理器的系统,或用于基于处理器的系统,即系统中ADC和处理器是通过先进先出(FIFO)缓冲器或直接存储器访问(DMA)来接口的,一般不直接与DSP发生联系。
● 慢存贮模式(模式3):主要用于在ADC转换期间处理器能被强制进入等待状态的系统,可以与DSP的总线接口。
● ROM方式(方式4):用于处理器不能被强制进入等待状态的系统,可以与DSP的总线接口。
在这5种工作方式下,转换器的启动由3个数字输入信号(CONVST、RD或CS)之一来控制。在任何一种方式下,要开始转换都必须使CONVST为低电平,一旦进入了转换,就不能再启动。读操作由RD和CS来控制,要读出输出数据,这个两数字输入信号都必须为低电平,INT/BUSY输出转换器的工作状态决定最近一次转换时间何时有效。
另外,方式输入端MODE对INT/BUSY的输出有如下规定:
如果MODE=VDD,INT/BUSY是一个中断信号,此时,INT/BUSY为低电平,转换数据读出后,INT/BUSY重新返回高电平。
如果MODE开路或与数字地相连,INT/BUSY就作BUSY输出,此时,转换启动时INT/BUSY变为低电平,转换后升为高电平,数据在D0~D11处有效。
MAX120接口实例
一般模拟信号在进行A/D转换之前必须经过缓冲放大,以减少对A/D转换器的冲击。此接口电路采用了LF353高速集成运放组成信号缓冲放大器,如图所示。

模拟信号由AIN端输入。CLKIN是A/D转换器的A/D转换脉冲输入端,此脉冲信号取自单片机ALE端,单片机可用80c32。CONVST接到单片机的P1.0口,在脉冲下降沿启动一次A/D转换。数据的输出由片选CS和RD控制;Y0、Y1、Y2取自与单片机相连的译码器的输出端。Y0和RD控制A/D转换器的数据输出,在Y0有效时,RD的下降沿输出数据,RD上升沿经反向器反向后作为锁存器74F373的输入锁存脉冲,将转换输出的12位数据锁存在2个锁存器中。Y1和RD用于控制读取锁存器中的低8位数据;Y2和RD用于控制读取锁存器中的高4位数据。
结束语
用于数据采集系统的A/D转换芯片有很多,其应用领域也比较广泛,MAX120作为A/D家族的新成员,即延续了目前已有产品的功能,在数据采集的速度和精度上也有了很大程度的提高,在语音、噪声等信号处理系统及动态性能要求较高的自动控制系统中,作为数据采集部件非常理想。
CMOS 电路 电压 DSP 总线 ADC 放大器 单片机 相关文章:
- 卫星电源分系统可靠性设计与研究(02-12)
- 新型锁相环芯片全面提升红外无线麦克风产品性能(05-04)
- 基于EPA与IEEE802.15.4两用手抄器的设计(06-01)
- 提高实时系统数据采集质量的研究(04-09)
- ARM在数字化远程视频监控系统的应用(05-20)
- 2009视频监控:网络化及其推动的几大趋势(06-03)
