ARM7与FPGA相结合的应用
时间:11-17
来源:互联网
点击:
ARM7与FPGA相结合在工业控制和故障检测中的应用
工业控制中往往需要完成多通道故障检测及多通道命令控制(这种多任务设置非常普遍),单独的CPU芯片由于其外部控制接口数量有限而难以直接完成多路检控任务,故利用ARM芯片与FPGA相结合来扩展检控通道是一个非常好的选择。这里介绍用Atmel公司ARM7处理器(AT91FR40162)和ALTERA公司的低成本FPGA芯片(cyclone2)结合使用完成多通道检控任务的一种实现方法。
各部分功能简介
图1为此系统的结构连接框图。如图所示,ARM芯片与FPGA芯片之间通过数据总线、地址总线及读写控制线相连,而与终端PC则通过串口通信;FPGA与目标设备通过命令控制总线和故障检测总线相连。

图1 系统结构框图
1 故障检测和命令控制部分
故障检测:检测通道的故障(正常)信号以高(低)电平方式指示,其一旦有故障产生就会保持高电平不变直到故障排除。针对这种特征,在ARM控制器端采用定时中断循环查询方式来判断故障通道的状态。定时中断程序通过对ARM 地址总线在FPGA中进行译码而顺序锁定被检测通道的电平值,然后再经数据总线传回ARM进行判断,最后将判断结果送至远程终端。采用主机查询方式而不采用故障中断方式出于两个原因:一方面是通常控制芯片外部中断源有限(多数为4个外部中断源),对于多目标中断信号检测显然是困难的;另一方面,由于检测通道或设备受到短时干扰而产生电平随机反转,造成故障中断触发,而中断触发后又无法在通道电平恢复正常时撤销故障信号,故而形成虚假报警。
命令控制:ARM芯片先判断主控端发来的控制命令,然后通过地址总线和数据总线将命令状态发送至经FPGA地址译码锁定的控制通道上。
2 ARM芯片与远程检测控制终端通信
由于只存在命令和故障状态信号的收发,所以利用ARM的串口实现与远程PC的通信,通信标准选为RS232标准。不过,在ARM芯片上要先将TTL电平通过MAX232芯片转换为RS232电平标准,对于距离超过15m的全双工通信,在发送接收两端还要各加一对RS232转RS422电平的转换模块,以增加通信距离。
3 FPGA内部功能模块说明
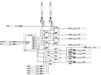
FPGA内部检测及控制电路结构关系如图2所示。

图2 FPGA内部逻辑结构
ARM芯片的ADDR2~0位地址线和片选使能信号一同进入译码器decode1进行地址译码后产生8路输出(FPGA内部可设置一个最大输出为256路的译码模块,所以在实际应用中可扩展为更多通道),低4路用于命令发送通道,高4路用于故障检测通道,读写使能信号控制数据总线。
ARM芯片接收到发送信号编码命令时,立即在串口接收中断服务子程序中并送相应地址(通道编号)和数据(命令状态)到FPGA中。译码器有效输出作为相应通道D触发器的锁存时钟,而数据状态则被触发器锁定后作为所选通道的输出完成相应控制。
ARM芯片在定时中断产生进入服务程序后对所有检测通道轮流查询,查询到有通道故障时,故障信号结合选中通路信号经与非运算送往数据端口被读取。
FPGA程序设计注意问题
1延时的配置
通过地址总线和数据总线进行命令传输和故障检测时,FPGA是作为ARM芯片的普通外设来使用的。而ARM芯片对外设访问的速度要远低于片内存储器,所以要在ARM中设置访问的正确等待周期。ARM中提供的延时周期为0~7个,通过调试即可找到外设合适的等待周期,此系统的等待周期根据实际测试设置为5个,具体的配置方法见ARM程序说明。
2 读写使能信号的连接
从图2中可以看出,写使能信号NWE及读使能信号NRD应作为数据线(DATA0~5)的三态控制信号连接,即使在ARM芯片无其他外设时也不能缺省。因为ARM的上电加载程序时间要长于同一系统上FPGA的程序配置时间,而FPGA的检测及控制通道与ARM芯片的数据总线相连,FPGA加载完成后数据总线会存有相应通道的逻辑电平值(不为三态),这就会导致ARM芯片在对片内Flash芯片烧写程序或上电加载程序时与FPGA冲突(数据被逻辑锁定),造成无法正确定位操作对象而使读写失败。
ARM配置及应用程序说明
1 处理器的资源分配
● 存储器
AT91FR40162内嵌一个256KB的SRAM,1024K个16位字组成的Flash存储器。SRAM通过内部32位数据总线与ARM核相连,单周期访问,Flash存储器则通过外部总线访问。
● 系统外围
EBI:外部总线控制接口,EBI可寻址64MB的空间,通过8个片选线(NCS0~NCS3独立)和24位地址线访问外设,地址线高4位与片选线(NCS4~7)复用,数据总线可配置成8/16位两种模式与外设接口。
PIO:并口控制器,PIO控制32根I/O线,多数为复用引脚,可通过编程选择为通用或专用。
AIC:先进中断控制器,实现片内外围中断及4个外部中断源中断的管理,其外部中断引脚与通用I/O复用。
● 用户外围
USART0~1:串口收发控制器,支持8个数据位的发送,可以进行异步/同步传输选择,其片外引脚与通用I/O复用。
TC:定时/计数器,可以产生定时中断和计数功能,其片外引脚与通用I/O复用。
工业控制中往往需要完成多通道故障检测及多通道命令控制(这种多任务设置非常普遍),单独的CPU芯片由于其外部控制接口数量有限而难以直接完成多路检控任务,故利用ARM芯片与FPGA相结合来扩展检控通道是一个非常好的选择。这里介绍用Atmel公司ARM7处理器(AT91FR40162)和ALTERA公司的低成本FPGA芯片(cyclone2)结合使用完成多通道检控任务的一种实现方法。
各部分功能简介
图1为此系统的结构连接框图。如图所示,ARM芯片与FPGA芯片之间通过数据总线、地址总线及读写控制线相连,而与终端PC则通过串口通信;FPGA与目标设备通过命令控制总线和故障检测总线相连。

图1 系统结构框图
1 故障检测和命令控制部分
故障检测:检测通道的故障(正常)信号以高(低)电平方式指示,其一旦有故障产生就会保持高电平不变直到故障排除。针对这种特征,在ARM控制器端采用定时中断循环查询方式来判断故障通道的状态。定时中断程序通过对ARM 地址总线在FPGA中进行译码而顺序锁定被检测通道的电平值,然后再经数据总线传回ARM进行判断,最后将判断结果送至远程终端。采用主机查询方式而不采用故障中断方式出于两个原因:一方面是通常控制芯片外部中断源有限(多数为4个外部中断源),对于多目标中断信号检测显然是困难的;另一方面,由于检测通道或设备受到短时干扰而产生电平随机反转,造成故障中断触发,而中断触发后又无法在通道电平恢复正常时撤销故障信号,故而形成虚假报警。
命令控制:ARM芯片先判断主控端发来的控制命令,然后通过地址总线和数据总线将命令状态发送至经FPGA地址译码锁定的控制通道上。
2 ARM芯片与远程检测控制终端通信
由于只存在命令和故障状态信号的收发,所以利用ARM的串口实现与远程PC的通信,通信标准选为RS232标准。不过,在ARM芯片上要先将TTL电平通过MAX232芯片转换为RS232电平标准,对于距离超过15m的全双工通信,在发送接收两端还要各加一对RS232转RS422电平的转换模块,以增加通信距离。
3 FPGA内部功能模块说明
FPGA内部检测及控制电路结构关系如图2所示。

图2 FPGA内部逻辑结构
ARM芯片的ADDR2~0位地址线和片选使能信号一同进入译码器decode1进行地址译码后产生8路输出(FPGA内部可设置一个最大输出为256路的译码模块,所以在实际应用中可扩展为更多通道),低4路用于命令发送通道,高4路用于故障检测通道,读写使能信号控制数据总线。
ARM芯片接收到发送信号编码命令时,立即在串口接收中断服务子程序中并送相应地址(通道编号)和数据(命令状态)到FPGA中。译码器有效输出作为相应通道D触发器的锁存时钟,而数据状态则被触发器锁定后作为所选通道的输出完成相应控制。
ARM芯片在定时中断产生进入服务程序后对所有检测通道轮流查询,查询到有通道故障时,故障信号结合选中通路信号经与非运算送往数据端口被读取。
FPGA程序设计注意问题
1延时的配置
通过地址总线和数据总线进行命令传输和故障检测时,FPGA是作为ARM芯片的普通外设来使用的。而ARM芯片对外设访问的速度要远低于片内存储器,所以要在ARM中设置访问的正确等待周期。ARM中提供的延时周期为0~7个,通过调试即可找到外设合适的等待周期,此系统的等待周期根据实际测试设置为5个,具体的配置方法见ARM程序说明。
2 读写使能信号的连接
从图2中可以看出,写使能信号NWE及读使能信号NRD应作为数据线(DATA0~5)的三态控制信号连接,即使在ARM芯片无其他外设时也不能缺省。因为ARM的上电加载程序时间要长于同一系统上FPGA的程序配置时间,而FPGA的检测及控制通道与ARM芯片的数据总线相连,FPGA加载完成后数据总线会存有相应通道的逻辑电平值(不为三态),这就会导致ARM芯片在对片内Flash芯片烧写程序或上电加载程序时与FPGA冲突(数据被逻辑锁定),造成无法正确定位操作对象而使读写失败。
ARM配置及应用程序说明
1 处理器的资源分配
● 存储器
AT91FR40162内嵌一个256KB的SRAM,1024K个16位字组成的Flash存储器。SRAM通过内部32位数据总线与ARM核相连,单周期访问,Flash存储器则通过外部总线访问。
● 系统外围
EBI:外部总线控制接口,EBI可寻址64MB的空间,通过8个片选线(NCS0~NCS3独立)和24位地址线访问外设,地址线高4位与片选线(NCS4~7)复用,数据总线可配置成8/16位两种模式与外设接口。
PIO:并口控制器,PIO控制32根I/O线,多数为复用引脚,可通过编程选择为通用或专用。
AIC:先进中断控制器,实现片内外围中断及4个外部中断源中断的管理,其外部中断引脚与通用I/O复用。
● 用户外围
USART0~1:串口收发控制器,支持8个数据位的发送,可以进行异步/同步传输选择,其片外引脚与通用I/O复用。
TC:定时/计数器,可以产生定时中断和计数功能,其片外引脚与通用I/O复用。
ARM FPGA Atmel LTE 总线 电路 CSR 相关文章:
- 基于ARM的除法运算优化策略(01-14)
- 基于ARM的CAN总线智能节点的设计(01-24)
- ARM基础知识教程五 (02-08)
- ARM基础知识教程六(02-08)
- ARM基础知识教程七(02-08)
- ARM基础知识教程八(02-08)
