基于ARM高速闪存MCU应对广泛嵌入式需求
时间:11-17
来源:互联网
点击:
由于采用了ARM7TDMI-S内核,LPC2000系列MCU工作频率达60MHz,与其他8-bit产品相比具有更强的功能延展性。同时它借助片上存储器加 模块实现了“零等待访问”高速闪存功能,提高了指令执行的效率。
此外,LPC2000的外设接口非常丰富,包括UART、SPI、I2C、CAN、ADC、 PWM、RTC等。LPC2000系列MCU应用领域非常广泛,从网络通信、 马达控制,到汽车和消费电子都适合于涉足。
嵌入式系统是面向用户、面向产品、面向应用的,它是将先进计算机技术、半导体技术和电子技术以及各行业的具体应用相结合的产物,因此它是一个高度密集、不断创新的知识集成系统。作为嵌入式系统,它必须能够根据应用的需求可以对软硬件进行裁剪,精简系统以满足应用系统在功能、可靠性、成本、体积等各种要求。
嵌入式处理器是嵌入式系统硬件最核心的部分,飞利浦推出十余款基于 ARM7 的高性能低功耗LPC2000系列微控制器,来满足不断增长的嵌入式市场需求。
这一系列新款微控制器LPC2114/2124/2
119/2129/2194、LPC2210/2212/2214、LPC2290 /2292/2294在高性能低功耗的基础上提供了增强的通信功能和片上代码保护机制。由于内置了宽范围的串行通信接口,它们也非常适用于通信网关、协议转换器、嵌入式软调制解调器等。6通道的PWM更能用于复杂的马达控制应用。总之飞利浦ARM嵌入式微控制器应用领域包括工业控制、通信、安防系统、医疗仪器、航空航天、汽车和消费电子等,覆盖了从低端到高端的嵌入式产品应用。
以ARM7微核心的体系架构
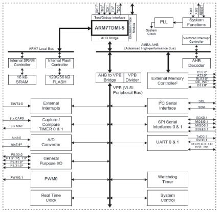
以LPC2214为例,其结构框图如下:

图1,LPC2214结构框图
LPC2214的CPU是一个支持实时仿真和跟踪的16/32 位ARM7TDMI-S 处理器,该款处理器主要用于对功耗和成本要求比较苛刻的应用。由于使用了三级流水线技术,实现了指令的高效执行。ARM7TDMI-S处理器除了支持标准32位 ARM指令集,也支持16位的THUMB指令集,THUMB 代码仅为ARM 代码规模的65%,但其性能却相当于连接到16位存储器系统的相同ARM处理器性能的160%。
片上系统时钟由外部振荡器经过锁相环倍频产生,最高工作频率高达60MHZ。片内存储器控制器是通过单独的局部总线与CPU接口,这样做的目的是为了避免总线仲裁的不确定性、总线获得的延迟和总线上的等待周期,从而获得更高的实时性能。
中断控制器和外部总线控制器是通过AMBA 高性能总线(AHB)实现与CPU接口的,外部总线控制器支持8/16/32位外部存储器。
LPC2214片内外设通过VPB总线,AHB 到VPB 的桥与AHB 总线相连。同时其具有多个串行接口,包括2 个16C550 工业标准UART、高速I2C 接口(400 kHz)和2 个SPI 接口。它还具有8路10 位A/D 转换器(0"3V测量范围),转换时间可低至2.44uS;2个32 位定时器(带4 路捕获和4 路比较通道);PWM 单元(6 路输出);实时时钟和看门狗,112个通用I/O 口(可承受5V 电压);2 个低功耗模式:空闲和掉电。
片上集成高速闪存
LPC2000系列的片上闪存专为嵌入式应用而设计。采用0.18微米的工艺,双晶体管单元和耐久的写/擦机制,可实现写/擦一万次,128位宽的优化阵列,零等待的访问,使程序可以全速运行。同时还提供对片上程序保护机制,防止代码被复制。

图2,存储器加速模块
LPC2000系列微控制器能够实现零等待访问的高速闪存,这主要归功于片上的存储器加速模块。图2为存储器加速模块的结构框图。128位宽度的闪存阵列通过单独的局部总线与处理器接口,每周期可为ARM内核提供四条32位指令。这使得MCU无需经过等待状态就可直接从闪存上执行指令,从而消除了一般闪存读取时的等待时间。为了解决指令序列的变化,指令和数据的不同处理带来的等待时间,模块内部实现了预取缓冲器、避免数据读/写打乱地址序列的数据旁路和跳转跟踪缓冲器三个功能块的联合工作,并用两组128位宽度的存储器来进行并行访问,消除延时。
存储器加速模块的作用取决于系统时钟的大小。LPC2000系列片上闪存的访问时间为50nS,对于系统时钟不高于20MHZ的应用,在1个周期内就可将闪存的内容读出,此时没必要使用存储器加速模块。时钟频率越高,当直接执行闪存中的代码时,系统性能受影响越大,此时使能存储器加速模块,可以得到接近4倍速度的加速,真正实现零等待高速闪存。由于LPC2000可直接从闪存执行指令,无需引导期间将代码传送到SRAM,这不仅省掉了耗时又耗能的系统启动步骤,还节省了昂贵的SRAM。
对片内闪存的编程可通过几种方法来实现:通过内置的串行JTAG 接口,通过串口进行在系统编程(ISP),或通过在应用编程(IAP)。
此外,LPC2000的外设接口非常丰富,包括UART、SPI、I2C、CAN、ADC、 PWM、RTC等。LPC2000系列MCU应用领域非常广泛,从网络通信、 马达控制,到汽车和消费电子都适合于涉足。
嵌入式系统是面向用户、面向产品、面向应用的,它是将先进计算机技术、半导体技术和电子技术以及各行业的具体应用相结合的产物,因此它是一个高度密集、不断创新的知识集成系统。作为嵌入式系统,它必须能够根据应用的需求可以对软硬件进行裁剪,精简系统以满足应用系统在功能、可靠性、成本、体积等各种要求。
嵌入式处理器是嵌入式系统硬件最核心的部分,飞利浦推出十余款基于 ARM7 的高性能低功耗LPC2000系列微控制器,来满足不断增长的嵌入式市场需求。
这一系列新款微控制器LPC2114/2124/2
119/2129/2194、LPC2210/2212/2214、LPC2290 /2292/2294在高性能低功耗的基础上提供了增强的通信功能和片上代码保护机制。由于内置了宽范围的串行通信接口,它们也非常适用于通信网关、协议转换器、嵌入式软调制解调器等。6通道的PWM更能用于复杂的马达控制应用。总之飞利浦ARM嵌入式微控制器应用领域包括工业控制、通信、安防系统、医疗仪器、航空航天、汽车和消费电子等,覆盖了从低端到高端的嵌入式产品应用。
以ARM7微核心的体系架构
以LPC2214为例,其结构框图如下:

图1,LPC2214结构框图
LPC2214的CPU是一个支持实时仿真和跟踪的16/32 位ARM7TDMI-S 处理器,该款处理器主要用于对功耗和成本要求比较苛刻的应用。由于使用了三级流水线技术,实现了指令的高效执行。ARM7TDMI-S处理器除了支持标准32位 ARM指令集,也支持16位的THUMB指令集,THUMB 代码仅为ARM 代码规模的65%,但其性能却相当于连接到16位存储器系统的相同ARM处理器性能的160%。
片上系统时钟由外部振荡器经过锁相环倍频产生,最高工作频率高达60MHZ。片内存储器控制器是通过单独的局部总线与CPU接口,这样做的目的是为了避免总线仲裁的不确定性、总线获得的延迟和总线上的等待周期,从而获得更高的实时性能。
中断控制器和外部总线控制器是通过AMBA 高性能总线(AHB)实现与CPU接口的,外部总线控制器支持8/16/32位外部存储器。
LPC2214片内外设通过VPB总线,AHB 到VPB 的桥与AHB 总线相连。同时其具有多个串行接口,包括2 个16C550 工业标准UART、高速I2C 接口(400 kHz)和2 个SPI 接口。它还具有8路10 位A/D 转换器(0"3V测量范围),转换时间可低至2.44uS;2个32 位定时器(带4 路捕获和4 路比较通道);PWM 单元(6 路输出);实时时钟和看门狗,112个通用I/O 口(可承受5V 电压);2 个低功耗模式:空闲和掉电。
片上集成高速闪存
LPC2000系列的片上闪存专为嵌入式应用而设计。采用0.18微米的工艺,双晶体管单元和耐久的写/擦机制,可实现写/擦一万次,128位宽的优化阵列,零等待的访问,使程序可以全速运行。同时还提供对片上程序保护机制,防止代码被复制。

图2,存储器加速模块
LPC2000系列微控制器能够实现零等待访问的高速闪存,这主要归功于片上的存储器加速模块。图2为存储器加速模块的结构框图。128位宽度的闪存阵列通过单独的局部总线与处理器接口,每周期可为ARM内核提供四条32位指令。这使得MCU无需经过等待状态就可直接从闪存上执行指令,从而消除了一般闪存读取时的等待时间。为了解决指令序列的变化,指令和数据的不同处理带来的等待时间,模块内部实现了预取缓冲器、避免数据读/写打乱地址序列的数据旁路和跳转跟踪缓冲器三个功能块的联合工作,并用两组128位宽度的存储器来进行并行访问,消除延时。
存储器加速模块的作用取决于系统时钟的大小。LPC2000系列片上闪存的访问时间为50nS,对于系统时钟不高于20MHZ的应用,在1个周期内就可将闪存的内容读出,此时没必要使用存储器加速模块。时钟频率越高,当直接执行闪存中的代码时,系统性能受影响越大,此时使能存储器加速模块,可以得到接近4倍速度的加速,真正实现零等待高速闪存。由于LPC2000可直接从闪存执行指令,无需引导期间将代码传送到SRAM,这不仅省掉了耗时又耗能的系统启动步骤,还节省了昂贵的SRAM。
对片内闪存的编程可通过几种方法来实现:通过内置的串行JTAG 接口,通过串口进行在系统编程(ISP),或通过在应用编程(IAP)。
ARM MCU ADC PWM 电子 嵌入式 半导体 仿真 振荡器 总线 看门狗 电压 电源模块 电路 相关文章:
- 基于ARM的除法运算优化策略(01-14)
- 基于ARM的CAN总线智能节点的设计(01-24)
- ARM基础知识教程五 (02-08)
- ARM基础知识教程六(02-08)
- ARM基础知识教程七(02-08)
- ARM基础知识教程八(02-08)
