基于单片机的嵌入式SNMP代理器设计与实现
时间:09-18
来源:互联网
点击:
1 引言
SNMP(简单网络管理协议)应用广泛,功能强大,只要管理软件驻留有MIB(管理信息库),并且拥有适当的权限,管理器就可以访问SNMP代理器。SNMP一般用于计算机网络和电信网络,本文提出了用SNMP进行控制。由于其传输媒介是Internet,所以传输距离不受限制,这相对于其他工业控制总线有不可比拟的优势,SNMP最大的优点是协议简洁,适合嵌入式应用。SNMP体系可扩展性强,只要将新的MIB装载在管理软件上就可以实现对新的终端的控制与访问,本文介绍了一种基于廉价的微控制器的实现嵌入式代理器的方案,以微处理器核心实现相关硬件及软件。
2 SNMP体系结构
SNMP的体系结构(见图1)以简单的查询/回答模型为基础,发送查询的用户为管理者,SNMP的服务器(代理器)回答查询。
SNMP在TCP/IP体系中属于应用层协议。为了实现SNMP体系,就必须实现从应用层到物理层的所有要用到的协议,管理器在PC机上,代理器处于监测现场,代理器驻留在被管理系统的MIB,我们以单片机为核心来实现嵌入式代理器,嵌入式代理器要对现场采集到的数据进行分析,如果有异常情况发生,通过发送Trap报文给管理器,告知网管有异常情况发生,在报文中还带有异常情况的相关信息,网管可以根据这一信息进行相应的处理,在一些情况下,代理器将数据保存起来,以备管理器的查询。
3 嵌入式代理器的硬件实现
我们设计的基于SNMP的控制系统原理见图2。
控制现场的信号采集由A/D转换模块输入单片机。单片机对信号进行处理,并且执行SNMP代理器的任务,硬件部分主要包括A/D、串口、以太网、小逻辑、单片机、监控信号采集、电源及监控等模块,本文着重介绍与嵌入式SNMP代理器密切相关的部分。
3.1 串口模块
单片机使用的是TTL电平,而RS-23协议所使用的电平不同,所以需要进行电平转换,通过MAX232实现电平转换。
3.2 A/D模块
A/D模块主要负责采集外部监控信号,采用AD0809可以采集8个通道的数据,信号变化的动态范围并不大,利用这一特点,合理设置参考电压,可以提高分辨率,从而用低廉的器件实现很好的性能,ADC0809的两个参考电压都可以通过电位器调节,为了保证系统的精度,参考电压必须稳定,为此采用MAXIM的MAX875作为参考电压源。另外需要注意的是:输入到A/D转换器的参考电压经过电位器的分压,为了使参考电压稳定,必须选用高精度、高稳定性的电位器。
3.3 以太网模块
以太网模块实现与以太网的通信,采用RealTek的RTL8019芯片实现。
RTL8919A(见图3)有3种工作方式:跳线方式,网卡的I/O和中断由跳线决定;即插即用方式,由软件进行自动配置plug and play;免跳线方式,网卡的I/O和中断由外接的93C46中的内容决定。
RTL8019AS的引脚65(JP)决定了网卡的工作方式,引脚65脚(JP)是输入引脚,当引脚65为低电平时,8019工作在即插即用方式或免跳线方式,具体由93C46中的内容决定,在嵌入式应用中如果可以不使用93C46,则可以降低成本,同时减少连线,我们把引脚65接高电平(VCC),使用跳线方式。那么,网卡的I/O和中断就不是由93C46的内容决定,这是不需要使用93C46。
引脚64(AUI)决定使用AUI还是BNC接口。BNC接口方式支持8线双绞线或同轴电缆。高电平时使用AUI接口;悬空为低电平,使用BNC接口。我们一般使用BNC,将该引脚悬空。网络接口类型由引脚74(PL0)、引脚77(PL1)决定。将PL0、PL1悬空,选择自动检测模式,芯片自动检测接口类型是用同轴电缆或双绞线,然后进行工作。
RTL89的IOCS16是16位I/O的选择引脚。当网卡上电复位时,该引脚为网卡的输入,如果该引脚为高电平,网卡将选择16位的模式,如果该引脚为低电平,网卡将选择8位模式,51单片机是8位数据,所以用电阻R10下拉,因此在复位时该引脚为低电平,网卡选择8位模式。
AD0-AD7是网卡的8位数据总线,接单片机的P0口,RESDRV(引脚33(RESET))接单片机的T0(P3.4),单片机用P3.4来复位网卡。IRQ9接单片机的INT0(P3.2),IRQ9是网卡的中断9,接到单片机的中断0上,IOR,IOW接到单片机的P3.6,P3.7(/WR,/R)。
3.4 小逻辑模块
小逻辑模块主要实现一些逻辑功能,A/D的时钟由单片机的ALE信号8分频,各个外部器件的片选功能都由小逻辑模块实现,虽然功能不复杂,如果用小逻辑器件实现,就需要较多的器件,器件利用率低,在电路板上占据较大的空间,与要求体积小的嵌入式应用相矛盾。采用可编程逻辑器件可以解决这些问题。
3.5 单片机模块
单片机模块由单片机以及复位和看门狗电路、外部扩展RAM、时钟电路等外围电路构成,看门狗电路可以提高现场恶劣条件的干扰,当系统受到外界干扰使得单片记的程序跑飞,看门狗没有喂狗信号,看门狗电路将单片机和RTL8019复位,重新开始运行。
SNMP(简单网络管理协议)应用广泛,功能强大,只要管理软件驻留有MIB(管理信息库),并且拥有适当的权限,管理器就可以访问SNMP代理器。SNMP一般用于计算机网络和电信网络,本文提出了用SNMP进行控制。由于其传输媒介是Internet,所以传输距离不受限制,这相对于其他工业控制总线有不可比拟的优势,SNMP最大的优点是协议简洁,适合嵌入式应用。SNMP体系可扩展性强,只要将新的MIB装载在管理软件上就可以实现对新的终端的控制与访问,本文介绍了一种基于廉价的微控制器的实现嵌入式代理器的方案,以微处理器核心实现相关硬件及软件。
2 SNMP体系结构
SNMP的体系结构(见图1)以简单的查询/回答模型为基础,发送查询的用户为管理者,SNMP的服务器(代理器)回答查询。

SNMP在TCP/IP体系中属于应用层协议。为了实现SNMP体系,就必须实现从应用层到物理层的所有要用到的协议,管理器在PC机上,代理器处于监测现场,代理器驻留在被管理系统的MIB,我们以单片机为核心来实现嵌入式代理器,嵌入式代理器要对现场采集到的数据进行分析,如果有异常情况发生,通过发送Trap报文给管理器,告知网管有异常情况发生,在报文中还带有异常情况的相关信息,网管可以根据这一信息进行相应的处理,在一些情况下,代理器将数据保存起来,以备管理器的查询。
3 嵌入式代理器的硬件实现
我们设计的基于SNMP的控制系统原理见图2。

控制现场的信号采集由A/D转换模块输入单片机。单片机对信号进行处理,并且执行SNMP代理器的任务,硬件部分主要包括A/D、串口、以太网、小逻辑、单片机、监控信号采集、电源及监控等模块,本文着重介绍与嵌入式SNMP代理器密切相关的部分。
3.1 串口模块
单片机使用的是TTL电平,而RS-23协议所使用的电平不同,所以需要进行电平转换,通过MAX232实现电平转换。
3.2 A/D模块
A/D模块主要负责采集外部监控信号,采用AD0809可以采集8个通道的数据,信号变化的动态范围并不大,利用这一特点,合理设置参考电压,可以提高分辨率,从而用低廉的器件实现很好的性能,ADC0809的两个参考电压都可以通过电位器调节,为了保证系统的精度,参考电压必须稳定,为此采用MAXIM的MAX875作为参考电压源。另外需要注意的是:输入到A/D转换器的参考电压经过电位器的分压,为了使参考电压稳定,必须选用高精度、高稳定性的电位器。
3.3 以太网模块
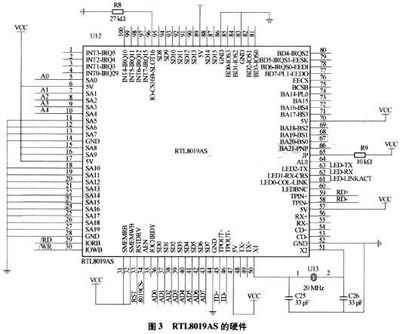
以太网模块实现与以太网的通信,采用RealTek的RTL8019芯片实现。
RTL8919A(见图3)有3种工作方式:跳线方式,网卡的I/O和中断由跳线决定;即插即用方式,由软件进行自动配置plug and play;免跳线方式,网卡的I/O和中断由外接的93C46中的内容决定。

RTL8019AS的引脚65(JP)决定了网卡的工作方式,引脚65脚(JP)是输入引脚,当引脚65为低电平时,8019工作在即插即用方式或免跳线方式,具体由93C46中的内容决定,在嵌入式应用中如果可以不使用93C46,则可以降低成本,同时减少连线,我们把引脚65接高电平(VCC),使用跳线方式。那么,网卡的I/O和中断就不是由93C46的内容决定,这是不需要使用93C46。
引脚64(AUI)决定使用AUI还是BNC接口。BNC接口方式支持8线双绞线或同轴电缆。高电平时使用AUI接口;悬空为低电平,使用BNC接口。我们一般使用BNC,将该引脚悬空。网络接口类型由引脚74(PL0)、引脚77(PL1)决定。将PL0、PL1悬空,选择自动检测模式,芯片自动检测接口类型是用同轴电缆或双绞线,然后进行工作。
RTL89的IOCS16是16位I/O的选择引脚。当网卡上电复位时,该引脚为网卡的输入,如果该引脚为高电平,网卡将选择16位的模式,如果该引脚为低电平,网卡将选择8位模式,51单片机是8位数据,所以用电阻R10下拉,因此在复位时该引脚为低电平,网卡选择8位模式。
AD0-AD7是网卡的8位数据总线,接单片机的P0口,RESDRV(引脚33(RESET))接单片机的T0(P3.4),单片机用P3.4来复位网卡。IRQ9接单片机的INT0(P3.2),IRQ9是网卡的中断9,接到单片机的中断0上,IOR,IOW接到单片机的P3.6,P3.7(/WR,/R)。
3.4 小逻辑模块
小逻辑模块主要实现一些逻辑功能,A/D的时钟由单片机的ALE信号8分频,各个外部器件的片选功能都由小逻辑模块实现,虽然功能不复杂,如果用小逻辑器件实现,就需要较多的器件,器件利用率低,在电路板上占据较大的空间,与要求体积小的嵌入式应用相矛盾。采用可编程逻辑器件可以解决这些问题。
3.5 单片机模块
单片机模块由单片机以及复位和看门狗电路、外部扩展RAM、时钟电路等外围电路构成,看门狗电路可以提高现场恶劣条件的干扰,当系统受到外界干扰使得单片记的程序跑飞,看门狗没有喂狗信号,看门狗电路将单片机和RTL8019复位,重新开始运行。
总线 嵌入式 单片机 电压 ADC 51单片机 电阻 电路 看门狗 相关文章:
- 基于MSP430系列单片机的CAN总线接口转换卡设计(01-17)
- 各种通讯总线介绍(01-18)
- I2C总线原理及应用实例 (01-18)
- I2C总线在多机通信中的应用(01-17)
- 基于SPI总线的电能计量芯片ATT7022及其在配电监测终端的应用(01-18)
- CAN总线—PROFIBUS-DP总线网关的实现方法(01-17)
