基于S3C44B0的布拉格光纤光栅传感信号处理系统的设计与实现
时间:09-14
来源:互联网
点击:
1 引言
布拉格光纤光栅是一种利用准分子激光等方法在光纤中加工的有序光栅,布拉格光纤光栅可以改变光在光纤中的传播性质,阻止特定波长光的传播,并将其反射回来。被布拉格光纤光栅反射回来的光的波长与布拉格光栅结构相关。由于光纤的变形直接影响其内部布拉格光栅的结构,所以布拉格光纤光栅可以用作一种敏感元件。布拉格光纤光栅传感器就是利用布拉格光纤光栅的这一性质设计的各种物理量传感器,如应变、压力、温度等,通过检测这些传感器反射光的波长变化,就可以得到所需的被测物理量。由于光和光纤的特有性质,布拉格光纤光栅传感器作为一类新型传感器 ,具有灵敏度高、性能稳定、抗电磁干扰和恶劣环境能力强、与电隔离安全级别高等系列优点,受到工程应用领域越来越多的关注,特别是如大型结构永久性变形和强度监测系统、油气等易燃易爆高危环境现场监测等,更是亟待具有这类特殊性质的传感器。
布拉格光纤光栅传感器的输出是光信号,分析识别这些光信号的波长,才能得到被测信号的物理量。工程上通过光纤法-柏分析器,将布拉格光纤光栅传感器输出的光信号解调为电信号,再由电路系统进行处理。因此,如何控制光纤法-柏分析器工作、准确分析解调信号是布拉格光纤光栅传感信号处理系统的基本问题。同时,常常作为特殊和重大应用领域的监测设备,对系统的智能化、网络化等功能,也是系统设计时必须考虑的问题。
本文以基于ARM7的32位嵌入式微控器S3C44B0为硬件核心,uC/OS-II 嵌入式实时操作系统为软件平台,设计并实现了一套嵌入式的具有图形化人机界面、Internet网络接口、文件服务与数据记录、多种通信接口等功能的布拉格光纤光栅传感信号处理系统。
2 系统工作原理与硬件设计
布拉格光纤光栅传感器常常用在特殊和重要领域,作为布拉格光纤光栅传感器信号处理系统,不仅要求能够准确可靠、高性能地完成传感信号的解调工作,工程上还常常要求系统具有高标准的附加功能,如:Internet连接、USB接口、标准串行口、非易失性数据记录、图示化人机界面、便携等,要达到这些要求,采用嵌入式微控器作为系统的控制核心是一种最佳选择。
系统的控制核心还须控制布拉格光纤光栅传感信号的解调和对解调后信号的处理。用于布拉格光纤光栅传感信号解调的光纤法-柏分析器事实上是一个压控的光带通滤波元件,如果给布拉格光纤光栅传感器注入宽带光信号,将布拉格光纤光栅反射的窄带光加到光纤法-柏分析器的输入端,通过给光纤法-柏分析器的压控端加上一个三角形的扫描电压,则在光纤法-柏分析器的输出端即可得到一个与输入窄带光光谱相对应的时间域电信号。这个时域信号经过放大、整形,处理为一个系列脉冲信号,这个系列脉冲信号中的各个脉冲在时间域上的相对位置就包含了布拉格光纤光栅传感器反射的窄带光光谱信息。图1指示了这个解调过程。由于布拉格光纤光栅仅反射特定波长的光波,通过合理设计各传感器反射的中心频率,布拉格光纤光栅传感器可以串连使用。工程中一般设计成将多个传感器串连使用,这样,每个信号解调器就可以同时完成对多个传感器的解调工作。这也是布拉格光纤光栅传感器的另一个优点。

图1 布拉格光纤光栅传感信号解调过程
识别脉冲信号中各个脉冲所出现的相对时刻是对这个信号进行处理的主要任务,对它的识别精度直接关系到系统测量精度和性能。按照工程上要求和现有光纤法-柏分析器性能指标,要求系统测量速度不小于50次/秒,测量分辨率大于1/30000。这就要求脉冲时间识别的分辨率达到1/1500000秒,约为0.67uS。考虑到光纤法-柏分析器要求的回扫时间损失,脉冲时间识别的实际分辨率必须小于0.50uS。
S3C44B0微控器的定时器是按每2个系统时钟周期为单位计时。因此,若采用S3C44B0微控器,系统时钟频率设定64MHz,用定时器计时,则计时分辨率为Δt1=2/64 us。在一个单一的中断系统中,S3C44B0的中断响应时间为5"29个时钟周期。执行指令所需的固定时间和中断响应最短时间可以通过软件予以消除,而可能产生不可预计的最大计时误差Δt2为24个时钟周期,即Δt2=24/64 us。设:
ΔT=|Δt1|+|Δt2| = 0.4 us (1)
则通过软件设计,可以使系统总的计时误差在±ΔT/2,即±0.2 uS 之内,可以满足系统要求。直接利用 S3C44B0微控器的定时器和外部中断来处理脉冲时间识别问题,这给系统设计带来较大简化。
针对上述各项要求,我们以S3C44B0微控器为核心,设计了一套布拉格光纤光栅传感信号处理系统。整个系统的硬件原理如图2所示。

图2 系统的硬件原理图
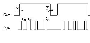
系统对布拉格光纤光栅传感信号解调时,先给出光纤法-柏分析器扫描的门控信号,再测量经过处理的各个信号脉冲在门控时限内所出现的相对时刻。设Trise为门控信号开始, tb1、tb2、tm1、tm2……tmn分别为各脉冲相对于Trise的时间,其中,tb1、tb2为光纤法-柏分析器解调参考基准,tm1、tm2……tmn是n个不同波长传感器所产生脉冲的时间,如图3:

图3 解调信号波形
则各传感器所产生脉冲在门控时限内所出现的相对时刻,可由下列计算公式决定:

设

是已知的三组数据,则对任意的输入有:

图4 标定关系
布拉格光纤光栅是一种利用准分子激光等方法在光纤中加工的有序光栅,布拉格光纤光栅可以改变光在光纤中的传播性质,阻止特定波长光的传播,并将其反射回来。被布拉格光纤光栅反射回来的光的波长与布拉格光栅结构相关。由于光纤的变形直接影响其内部布拉格光栅的结构,所以布拉格光纤光栅可以用作一种敏感元件。布拉格光纤光栅传感器就是利用布拉格光纤光栅的这一性质设计的各种物理量传感器,如应变、压力、温度等,通过检测这些传感器反射光的波长变化,就可以得到所需的被测物理量。由于光和光纤的特有性质,布拉格光纤光栅传感器作为一类新型传感器 ,具有灵敏度高、性能稳定、抗电磁干扰和恶劣环境能力强、与电隔离安全级别高等系列优点,受到工程应用领域越来越多的关注,特别是如大型结构永久性变形和强度监测系统、油气等易燃易爆高危环境现场监测等,更是亟待具有这类特殊性质的传感器。
布拉格光纤光栅传感器的输出是光信号,分析识别这些光信号的波长,才能得到被测信号的物理量。工程上通过光纤法-柏分析器,将布拉格光纤光栅传感器输出的光信号解调为电信号,再由电路系统进行处理。因此,如何控制光纤法-柏分析器工作、准确分析解调信号是布拉格光纤光栅传感信号处理系统的基本问题。同时,常常作为特殊和重大应用领域的监测设备,对系统的智能化、网络化等功能,也是系统设计时必须考虑的问题。
本文以基于ARM7的32位嵌入式微控器S3C44B0为硬件核心,uC/OS-II 嵌入式实时操作系统为软件平台,设计并实现了一套嵌入式的具有图形化人机界面、Internet网络接口、文件服务与数据记录、多种通信接口等功能的布拉格光纤光栅传感信号处理系统。
2 系统工作原理与硬件设计
布拉格光纤光栅传感器常常用在特殊和重要领域,作为布拉格光纤光栅传感器信号处理系统,不仅要求能够准确可靠、高性能地完成传感信号的解调工作,工程上还常常要求系统具有高标准的附加功能,如:Internet连接、USB接口、标准串行口、非易失性数据记录、图示化人机界面、便携等,要达到这些要求,采用嵌入式微控器作为系统的控制核心是一种最佳选择。
系统的控制核心还须控制布拉格光纤光栅传感信号的解调和对解调后信号的处理。用于布拉格光纤光栅传感信号解调的光纤法-柏分析器事实上是一个压控的光带通滤波元件,如果给布拉格光纤光栅传感器注入宽带光信号,将布拉格光纤光栅反射的窄带光加到光纤法-柏分析器的输入端,通过给光纤法-柏分析器的压控端加上一个三角形的扫描电压,则在光纤法-柏分析器的输出端即可得到一个与输入窄带光光谱相对应的时间域电信号。这个时域信号经过放大、整形,处理为一个系列脉冲信号,这个系列脉冲信号中的各个脉冲在时间域上的相对位置就包含了布拉格光纤光栅传感器反射的窄带光光谱信息。图1指示了这个解调过程。由于布拉格光纤光栅仅反射特定波长的光波,通过合理设计各传感器反射的中心频率,布拉格光纤光栅传感器可以串连使用。工程中一般设计成将多个传感器串连使用,这样,每个信号解调器就可以同时完成对多个传感器的解调工作。这也是布拉格光纤光栅传感器的另一个优点。

图1 布拉格光纤光栅传感信号解调过程
识别脉冲信号中各个脉冲所出现的相对时刻是对这个信号进行处理的主要任务,对它的识别精度直接关系到系统测量精度和性能。按照工程上要求和现有光纤法-柏分析器性能指标,要求系统测量速度不小于50次/秒,测量分辨率大于1/30000。这就要求脉冲时间识别的分辨率达到1/1500000秒,约为0.67uS。考虑到光纤法-柏分析器要求的回扫时间损失,脉冲时间识别的实际分辨率必须小于0.50uS。
S3C44B0微控器的定时器是按每2个系统时钟周期为单位计时。因此,若采用S3C44B0微控器,系统时钟频率设定64MHz,用定时器计时,则计时分辨率为Δt1=2/64 us。在一个单一的中断系统中,S3C44B0的中断响应时间为5"29个时钟周期。执行指令所需的固定时间和中断响应最短时间可以通过软件予以消除,而可能产生不可预计的最大计时误差Δt2为24个时钟周期,即Δt2=24/64 us。设:
ΔT=|Δt1|+|Δt2| = 0.4 us (1)
则通过软件设计,可以使系统总的计时误差在±ΔT/2,即±0.2 uS 之内,可以满足系统要求。直接利用 S3C44B0微控器的定时器和外部中断来处理脉冲时间识别问题,这给系统设计带来较大简化。
针对上述各项要求,我们以S3C44B0微控器为核心,设计了一套布拉格光纤光栅传感信号处理系统。整个系统的硬件原理如图2所示。

图2 系统的硬件原理图
系统对布拉格光纤光栅传感信号解调时,先给出光纤法-柏分析器扫描的门控信号,再测量经过处理的各个信号脉冲在门控时限内所出现的相对时刻。设Trise为门控信号开始, tb1、tb2、tm1、tm2……tmn分别为各脉冲相对于Trise的时间,其中,tb1、tb2为光纤法-柏分析器解调参考基准,tm1、tm2……tmn是n个不同波长传感器所产生脉冲的时间,如图3:

图3 解调信号波形
则各传感器所产生脉冲在门控时限内所出现的相对时刻,可由下列计算公式决定:

设

是已知的三组数据,则对任意的输入有:

图4 标定关系
传感器 电路 ARM 嵌入式 USB 电压 LCD 单片机 相关文章:
- 基于单片机的倾角测量系统设计 (06-27)
- 由MSP430和CC1100构成的无线传感器网络(08-01)
- 无线传感器网络自组网协议的实现方法(08-01)
- 基于SOC/IP的智能传感器设计研究(09-08)
- 单开关实现小型微处理器系统的双功能(08-10)
- 六大特点助CMOS图像传感器席卷医疗电子应用(11-13)
