如何打造一款灵敏的漏电保护器测试系统
据不完全统计,我国每年因漏电而引起的触电事故、火灾造成数千人死亡和数十亿的经济损失,因此对防止漏电火灾及人身触电保护的漏电保护器的性能提出了更高的要求。本文介绍的漏电保护器动作特性自动测试系统,可测量漏电保护器的漏电动作电流值、分断时间和漏电不动作电流值,对提高漏电保护器工作的可靠性提供了主要技术参数,检测过程具有较高的自动化水平,可对在线运行与非在线运行的漏电保护器进行检测。
系统硬件设计
表征漏电保护器的参数较多,其中与用电者人身安全关系最为密切的是漏电动作性能,描述漏电动作性能的主要参数为额定漏电动作电流(I△n)和漏电动作时间。额定漏电动作电流是由制造厂规定的漏电保护器在规定条件下必须动作的漏电动作电流值,它反映了漏电保护器的漏电动作灵敏度。漏电动作时间指从突然施加漏电动作电流时起,到保护电路切断为止的时间。为了防止漏电保护器误动作,国家标准规定了漏电不动作电流(I△n0),它是指漏电保护器在规定条件下必须不动作的漏电电流值(优先值为0.5I△n),是在电网上投入运行所必须的技术参数。

图1 漏电保护器测试系统框图
系统以LPC2132为核心,具有扩展测试电流的产生和调节模块、动作执行单元、电流检测电路以及键盘等外围设备。LPC2132是一个支持实时仿真和跟踪 32位ARM7TDMI-S核的微控制器,1个10位8路A/D转换器,2个32位定时器/计数器,6路PWM单元输出,2个硬件I2C接口和47个 GPIO,2个16C550工业标准UART,以及多达9个边沿或电平触发的外部中断。16kB的片内静态RAM和64kB的片内Flash程序存储器避免了LPC2132外扩存储器,简化了电路,提高了运行速度。漏电保护器的动作特性自动测试系统结构框图如图1所示。
1 测试电流产生及调节模块

图2 测试电流产生及调节模块
测试电流产生和调节模块如图2所示。测试电流的产生是将50Hz、220V的正弦交流电经过220:12的降压变压器和电动调压器,输出0~12V的正弦交流电,再通过回路电阻,产生需要的测试电流。测试电流的产生分为3档,以满足不同的测量范围。继电器J1吸合,可产生0~1000mA的测试电流;继电器 J2吸合,可产生0~500mA的测试电流;继电器J1、J2都不吸合,可产生0~100mA的测试电流。每一档测试电流的调节通过LPC2132控制电动调压器实现。为了使测试电流能均匀地变化,电动调压器采用了交流伺服控制。在测试过程中,LPC2132对采集到的实时回路中的测试电流值与设定值比较,并计算得到控制量,控制伺服电动机转动,带动电动调压器的电刷在副边上稳定地滑动,使副边电压变化,从而改变回路中的电流。LPC2132的P0.2 脚输出脉冲信号控制伺服电动机的运动速度,P0.3脚输出高或低的电平信号,控制伺服电动机转动的方向。
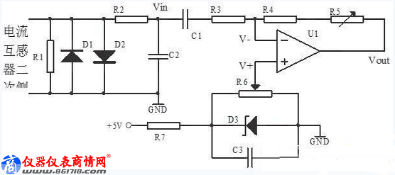
2 电流检测电路
电流检测电路如图3所示。通过电流互感器对测试电流进行采样,将电流互感器的二次侧输出信号经滤波、放大、电压提升等电路,变换为A/D模块可以采集的单极性电压信号(0~5V)后送入LPC2132。

图3 电流检测电路
在检测电流的大小时,根据测试电流的周期(工频)按照每个周期40个点进行采样,采样一个周期后,根据电流互感器的衰减倍数和提升电压的数值,通过软件算法计算出实际的电流有效值。电路应满足如下条件,当交流电流的瞬时值达到正向峰值时,放大器输出5V;当交流电流的瞬时值达到负向峰值时放大器输出0V。
3 A/D转换及控制电路
电流检测电路的输出信号VOUT送入LPC2132内置的8路10位高速A/D转换输入端,对漏电电流的大小进行检测。

图4 A/D转换及控制电路
由于A/D转换为10位,当输入电压为5V时,输出数据值为1024(4FFH),因此最大分辨率为0.0049V(5V/1024)。若产生测试电流的回路电阻为12Ω时,漏电电流的分辨率为0.4mA(0.0049V/12Ω),完全满足测试需要。漏电保护器的漏电电流产生的开始信号和动、静触头断开信号分别送入LPC2132的外部中断输入端,采用中断的方式对漏电保护器动、静触头的分断时间进行检测。P0.5与P0.6脚分别控制继电器J1、J2的闭合和分断,选择三种不同测量范围的测试电流。LPC2132与上位机之间采用串行通信,由于系统是3.3V系统,所以要使用SP3232E进行RS- 232电平转换。SP3232E是3V工作电源的RS-232转换芯片。A/D转换及控制电路如图4所示。
软件设计
LPC2132软件部分的设计基于嵌入式C语言,采用模块化程序结构。包括主程序、系统初始化子程序、人机接口控制功能子程序、电流采样子程序、漏电动作电流检测子程序、漏电动作时间子程序、与上位机通信子程序、上位机PC监控程序。
主程序是漏电动作特性检测试验的核心程序,
电流 自动化 电路 仿真 ARM PWM 变压器 电阻 继电器 电动机 电压 放大器 嵌入式 C语言 LabVIEW 电子 相关文章:
- 高可靠性系统中电流检测的实际考虑(03-12)
- 挑战毫微安电流测量技术(上)(08-02)
- 二极管泄漏电流以及MOSFET的亚阈区电流的测量(09-22)
- 瞬间变化电流检测仪的设计和应用(10-26)
- 雪崩光电二极管反向电流的测量(01-11)
- BJT参数测试仪中数控微电流源研究与实现(07-11)
