力科新型汽车总线SENT测试方案
时间:08-05
来源:互联网
点击:
作者:TeledyneLecroy Application Engineer 李发存
SENT 全称:Single Edge Nibble Transmission,是美国机动车工程师学会SAE推出的一种点对点的、单向传输的方案,被用来在汽车中的传感器和电子控制单元(ECU)之间传输高清传感器数据。传感器数据通过两个下降沿周期之间的一系列脉冲序列来传输。图1 是SENT 的帧结构定义,SENT 在信号开始时提供一个参考校准脉冲,在结尾提供一个检验位。报文的长度随着半字节的值而不同,SENT(SAE J2716) 为汽车传感器新型接口标准,较模拟输出和PWM 输出相比,具有很好的EMC 特性,节省线束,节省插针结头的低成本方案,并且能传输故障代码从而使传感器系统具有很强的故障诊断能力。SENT 将在局部系统中广泛取代CAN和LIN。
力科SENT 测试方案
力科推出了业内唯一的SENT 解码测试方案,可以对SENT 帧进行完整的物理层信号解码,支持SAE J2716 FEB2008 和 JAN2010 规范。灵活的参数设置,可以完全满足SENT 物理层的需要。这些可以设置的参数包括:
独有的工具包可以对SENT 波形进行解码,包括半字节或者字节格式的波形,快速通道或者慢速通道,以交互式表格的形式,显示解码的信息。
波形解码
力科的SENT 解码软件会直接在波形上显示解码出来的数值。使用不同的颜色显示帧的不同字段,这样可以一目了然的分辨出数据代表的意义。解码出的数据可以半字节、字节、十六进制、十进制格式显示。可以同时解码4 路数据。
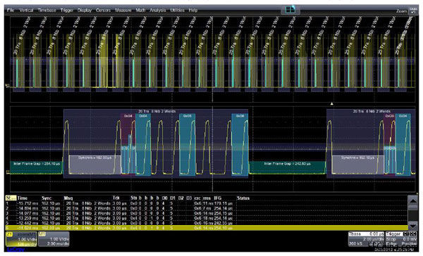
解码表格
解码表格以半字节或者字节格式显示帧的内容,以半字节格式显示时,如图2所示,表格中的内容包括:同步时间、tick time、半字节数据、帧之间的间隔时间、半字节状态的解释。以字节格式显示时,如图3 所示,将半字节解释为SENT协议结构,包括:半字节状态和它的每一位的具体值、CRC、rms、帧状态。针对表格中的数据,可以同掉点击将它放大显示,查看相应波形的细节。
快速通道有效载荷分析
力科的SENT 软件可以帮助分析快速通道的有效载荷,可以支持最多同时分析4路数据帧的有效载荷。
搜索
力科的SENT 软件可以快速的从很长的记录波形中,搜索到相应的数据内容,并且将它放大显示。搜索数据帧时可以以半字节或者协议结构格式进行。
低速通道解码
可以对每16 个或者18 个快速数据通道之间出现的低速通道数据进行解码,使用2 bit 来传输数据,如下图,D0 是ID,D1 是数据。
SENT 全称:Single Edge Nibble Transmission,是美国机动车工程师学会SAE推出的一种点对点的、单向传输的方案,被用来在汽车中的传感器和电子控制单元(ECU)之间传输高清传感器数据。传感器数据通过两个下降沿周期之间的一系列脉冲序列来传输。图1 是SENT 的帧结构定义,SENT 在信号开始时提供一个参考校准脉冲,在结尾提供一个检验位。报文的长度随着半字节的值而不同,SENT(SAE J2716) 为汽车传感器新型接口标准,较模拟输出和PWM 输出相比,具有很好的EMC 特性,节省线束,节省插针结头的低成本方案,并且能传输故障代码从而使传感器系统具有很强的故障诊断能力。SENT 将在局部系统中广泛取代CAN和LIN。
力科SENT 测试方案
力科推出了业内唯一的SENT 解码测试方案,可以对SENT 帧进行完整的物理层信号解码,支持SAE J2716 FEB2008 和 JAN2010 规范。灵活的参数设置,可以完全满足SENT 物理层的需要。这些可以设置的参数包括:
- TickTime ‐ 400 nsec to 3 msec.
- Idle ‐ High or Low
- Nibbles ‐ 5 or 8
- New CRC ‐ on/off
- Pause Pulse – on/off
独有的工具包可以对SENT 波形进行解码,包括半字节或者字节格式的波形,快速通道或者慢速通道,以交互式表格的形式,显示解码的信息。
波形解码
力科的SENT 解码软件会直接在波形上显示解码出来的数值。使用不同的颜色显示帧的不同字段,这样可以一目了然的分辨出数据代表的意义。解码出的数据可以半字节、字节、十六进制、十进制格式显示。可以同时解码4 路数据。
解码表格
解码表格以半字节或者字节格式显示帧的内容,以半字节格式显示时,如图2所示,表格中的内容包括:同步时间、tick time、半字节数据、帧之间的间隔时间、半字节状态的解释。以字节格式显示时,如图3 所示,将半字节解释为SENT协议结构,包括:半字节状态和它的每一位的具体值、CRC、rms、帧状态。针对表格中的数据,可以同掉点击将它放大显示,查看相应波形的细节。
快速通道有效载荷分析
力科的SENT 软件可以帮助分析快速通道的有效载荷,可以支持最多同时分析4路数据帧的有效载荷。
搜索
力科的SENT 软件可以快速的从很长的记录波形中,搜索到相应的数据内容,并且将它放大显示。搜索数据帧时可以以半字节或者协议结构格式进行。
低速通道解码
可以对每16 个或者18 个快速数据通道之间出现的低速通道数据进行解码,使用2 bit 来传输数据,如下图,D0 是ID,D1 是数据。
- 传感器技术中的阻抗测量方法(03-23)
- 电桥测量基础(06-10)
- 适用于微型仪器的精密电容传感器接口(09-06)
- 基于PIR的移动检测系统的实现(11-03)
- 基于霍尔传感器的直流电机转速测量系统设计(11-14)
- NPXI智能传感器的TPMS系统设计(11-29)
