零交越失真放大器改善DAC系统线性度
时间:05-30
来源:互联网
点击:
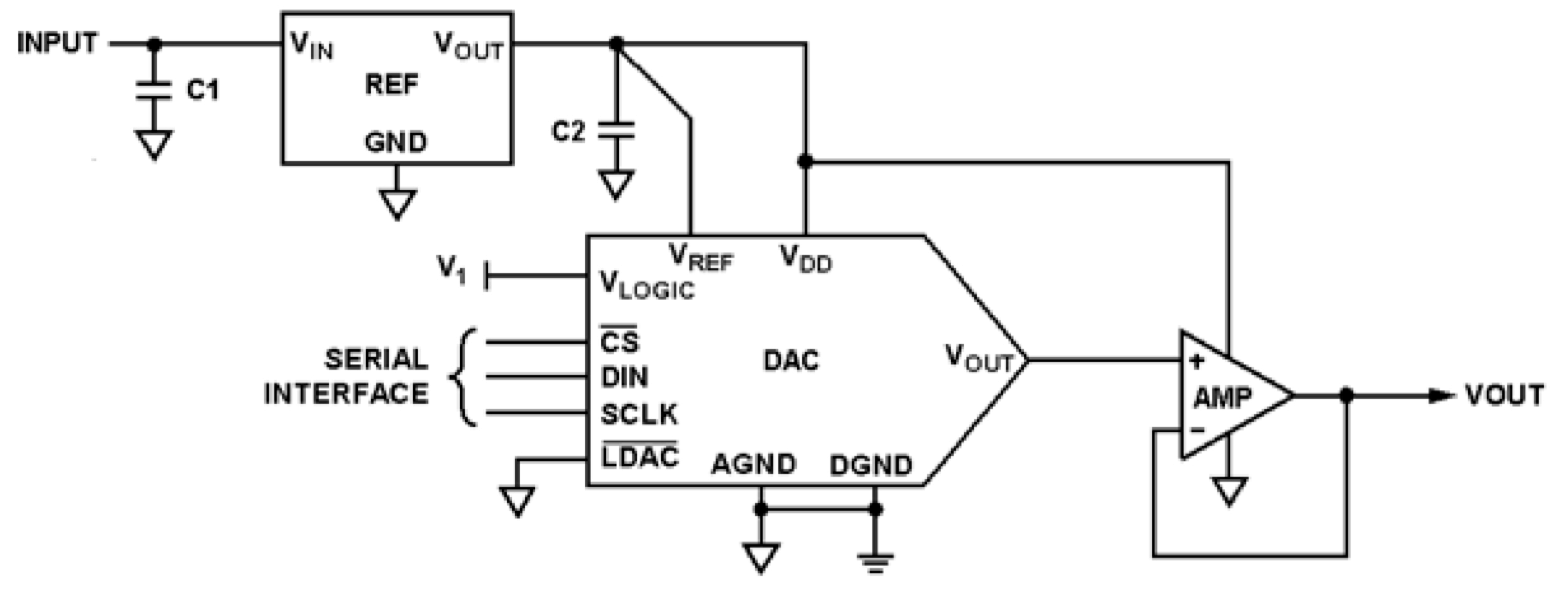
数模转换器广泛用于各种应用中,并常常搭配放大器使用,以便对输出信号进行调理。 放大器可以提升输出电流驱动能力、将差分信号转换为单端输出信号、隔离下游信号路径,或者提供互补双极性输出电压。 图1显示的是单电源供电的典型信号链,由基准电压源、数模转换器和缓冲器组成。 为了保持高动态输出范围和高信噪比性能,数模转换器(DAC)通常设计为可工作在全摆幅状态下,而基准电压(VREF)设为与电源电压(VDD)相等。 这样可以最大程度利用数字码。 采用单电源时,DAC和输出缓冲器电源通常连接到同一条电源线上。 在这种配置下,需要采用轨到轨输入和输出放大器。

图1: 单电源供电的典型信号链
经典非轨到轨输入放大器的输入级采用p型(或n型)差分对。 p型输入放大器允许输入共模电压到达并包含低供电轨。 这在接地检测应用中尤为有用。 另一方面,n型输入放大器允许输入电压范围从低供电轨以上几V,到高供电轨。 这类放大器适合需要包含高供电轨的应用,比如高端电流检测监控器。 为了使输入共模电压扩展到两条供电轨,轨到轨输入放大器同时集成n型和p型输入级。
轨到轨输入放大器的主体部分的设计采用两个并联输入差分对,分别是n型和互补p型。 输入共模电压确定哪个差分对开启并激活。 当输入电压接近并达到低供电轨时,p型差分对开启。 对于高供电轨及以下的输入电压,则激活n型差分对。 这种拓扑结构允许放大器保持宽动态输入电压范围,并使信号摆幅最大达到两个供电轨。 然而,这些放大器有一个缺点,通常称为“交越失真”, 输入差分对常常表现出不同的失调电压。 当由于输入共模电压改变而从一对切换到另一对时,会产生阶跃状特性,这可以从失调电压与输入共模电压的关系图中看出。 这种交越失真是所有采用双差分对拓扑结构的轨到轨输入放大器的固有特性。 图2给出了一个例子。 该例中,放大器电源为+5V和地,交越区域为3.4 V输入共模电压处。 这类放大器可用于具有轨到轨输入电压范围的应用中,但当输入共模电压处于过渡带时会产生问题。 举例而言,当放大器用作DAC输出缓冲器的时候,“交越失真”会造成非线性。

图2: 典型轨到轨输入放大器的输入失调电压与输入共模电压的关系
图3显示使用16位数模转换器和典型轨到轨输入/输出缓冲器时,电路的积分非线性(INL)误差。 INL误差是指实际转换器传递函数与理想传递函数的偏差,用LSB表示。 注意,数模转换器输入的扫描范围为代码200到代码216-200,这便将范围两端约15 mV(200个代码)排除在外,因为轨到轨输出放大器并非具有完全的轨到轨输出,并且需要留有部分输出裕量(通常在数据手册中指定)。 大致在45000输入数字码处可检测到交越失真,这相当于3.4 V输入共模电压。 显然,放大器交越失真会使INL性能下降,影响系统精度。 本例中,对于一个16位系统而言,交越非线性高达4至5 LSB。 很多系统都会执行校准以便消除初始失调电压,但无法通过校准消除这种非线性。

图3: 16位DAC搭配典型轨到轨输入缓冲器时的积分非线性(INL)
使用零交越失真放大器可解决交越非线性问题。 这种放大器片内集成电荷泵输入增强电路,从而实现了轨到轨输入摆幅。 电荷泵可提升数V内部电源,以便提供输入级所需的裕量,从而使放大器无需互补输入差分对即可实现轨到轨输入摆幅。 因此,它不存在交越失真。 ADI公司的ADA4500-2便是这样一款零交越失真放大器。图4显示该器件的失调电压与输入共模电压的关系。 可以看到,失调电压在整个输入共模电压范围内都十分稳定。

图4: 一款零交越失真放大器的失调电压与输入共模电压的关系
使用零交越失真放大器可消除数模转换器系统中的交越非线性。 图5显示的是使用同一款16位数模转换器搭配ADA4500-2的电路INL。零交越失真特性改善了INL性能,使其低于+/-1 LSB。
越失真放大器的替代方案,采用低于其电源电压(VDD)的基准电压(VREF)作为转换器电源也能避免产生交越非线性。 例如,使用5 V电源电压和2.5 V基准电压。 这样可以确保典型轨到轨输入放大器的交越区域不在输入数字码的范围内。 但这种方法的缺陷是输出范围减半。 如果信号电平过低,则可能还需要用一个外部放大器来放大输出信号。 如果系统有多个电源,那么另一种可行的方法是为放大器提供一个较高的电源电压,从而允许使用非轨到轨输入放大器。 增加电源电压将为输入级提供足够的裕量。 然而,这种方法的电源效率较低。
总之,应仔细选择适当的放大器作为DAC输出缓冲器,这点很重要。 您可以牺牲输出范围而降低DAC基准电压,或者牺牲低功耗性能而增加缓冲器电源电压。 或者,更好的方法是,您可以使用轨到轨输入/输出放大器来最大化输入和输出范围,但请考虑使用零交越失真放大器以避免交越非线性误差。

图1: 单电源供电的典型信号链
经典非轨到轨输入放大器的输入级采用p型(或n型)差分对。 p型输入放大器允许输入共模电压到达并包含低供电轨。 这在接地检测应用中尤为有用。 另一方面,n型输入放大器允许输入电压范围从低供电轨以上几V,到高供电轨。 这类放大器适合需要包含高供电轨的应用,比如高端电流检测监控器。 为了使输入共模电压扩展到两条供电轨,轨到轨输入放大器同时集成n型和p型输入级。
轨到轨输入放大器的主体部分的设计采用两个并联输入差分对,分别是n型和互补p型。 输入共模电压确定哪个差分对开启并激活。 当输入电压接近并达到低供电轨时,p型差分对开启。 对于高供电轨及以下的输入电压,则激活n型差分对。 这种拓扑结构允许放大器保持宽动态输入电压范围,并使信号摆幅最大达到两个供电轨。 然而,这些放大器有一个缺点,通常称为“交越失真”, 输入差分对常常表现出不同的失调电压。 当由于输入共模电压改变而从一对切换到另一对时,会产生阶跃状特性,这可以从失调电压与输入共模电压的关系图中看出。 这种交越失真是所有采用双差分对拓扑结构的轨到轨输入放大器的固有特性。 图2给出了一个例子。 该例中,放大器电源为+5V和地,交越区域为3.4 V输入共模电压处。 这类放大器可用于具有轨到轨输入电压范围的应用中,但当输入共模电压处于过渡带时会产生问题。 举例而言,当放大器用作DAC输出缓冲器的时候,“交越失真”会造成非线性。

图2: 典型轨到轨输入放大器的输入失调电压与输入共模电压的关系
图3显示使用16位数模转换器和典型轨到轨输入/输出缓冲器时,电路的积分非线性(INL)误差。 INL误差是指实际转换器传递函数与理想传递函数的偏差,用LSB表示。 注意,数模转换器输入的扫描范围为代码200到代码216-200,这便将范围两端约15 mV(200个代码)排除在外,因为轨到轨输出放大器并非具有完全的轨到轨输出,并且需要留有部分输出裕量(通常在数据手册中指定)。 大致在45000输入数字码处可检测到交越失真,这相当于3.4 V输入共模电压。 显然,放大器交越失真会使INL性能下降,影响系统精度。 本例中,对于一个16位系统而言,交越非线性高达4至5 LSB。 很多系统都会执行校准以便消除初始失调电压,但无法通过校准消除这种非线性。

图3: 16位DAC搭配典型轨到轨输入缓冲器时的积分非线性(INL)
使用零交越失真放大器可解决交越非线性问题。 这种放大器片内集成电荷泵输入增强电路,从而实现了轨到轨输入摆幅。 电荷泵可提升数V内部电源,以便提供输入级所需的裕量,从而使放大器无需互补输入差分对即可实现轨到轨输入摆幅。 因此,它不存在交越失真。 ADI公司的ADA4500-2便是这样一款零交越失真放大器。图4显示该器件的失调电压与输入共模电压的关系。 可以看到,失调电压在整个输入共模电压范围内都十分稳定。

图4: 一款零交越失真放大器的失调电压与输入共模电压的关系
使用零交越失真放大器可消除数模转换器系统中的交越非线性。 图5显示的是使用同一款16位数模转换器搭配ADA4500-2的电路INL。零交越失真特性改善了INL性能,使其低于+/-1 LSB。
越失真放大器的替代方案,采用低于其电源电压(VDD)的基准电压(VREF)作为转换器电源也能避免产生交越非线性。 例如,使用5 V电源电压和2.5 V基准电压。 这样可以确保典型轨到轨输入放大器的交越区域不在输入数字码的范围内。 但这种方法的缺陷是输出范围减半。 如果信号电平过低,则可能还需要用一个外部放大器来放大输出信号。 如果系统有多个电源,那么另一种可行的方法是为放大器提供一个较高的电源电压,从而允许使用非轨到轨输入放大器。 增加电源电压将为输入级提供足够的裕量。 然而,这种方法的电源效率较低。
总之,应仔细选择适当的放大器作为DAC输出缓冲器,这点很重要。 您可以牺牲输出范围而降低DAC基准电压,或者牺牲低功耗性能而增加缓冲器电源电压。 或者,更好的方法是,您可以使用轨到轨输入/输出放大器来最大化输入和输出范围,但请考虑使用零交越失真放大器以避免交越非线性误差。
- 使用简化电路的高压放大器(11-21)
- 无需调谐的“砖墙式”低通音频滤波器(11-20)
- 对数放大器的技术指标(11-26)
- 一种增大放大器增益的方法(11-28)
- 对数放大器的典型应用 (11-26)
- AGC中频放大器的设计 (11-29)
