如何避免LLC谐振转换器中的MOSFET出现故障
时间:04-26
来源:互联网
点击:
为了降低能源成本,设备设计人员正在不断寻找优化功率密度的新方法。通常情况下,电源设计人员通过增大开关频率来降低功耗和缩小系统尺寸。由于具有诸多优势如宽输出调节范围、窄开关频率范围以及甚至在空载情况下都能保证零电压开关,LLC 谐振转换器应用越来越普遍。但是,功率 MOSFET 出现故障一直是LLC 谐振转换器中存在的一个问题。在本文中,我们将阐述如何避免这些情况下出现MOSFET 故障。
初级 MOSFET 的不良体二极管性能可能导致一些意想不到的系统或器件故障,如在各种异常条件下发生严重的直通电流、体二极管 dv/dt、击穿 dv/dt,以及栅极氧化层击穿,异常条件诸如启动、负载瞬变,和输出短路。

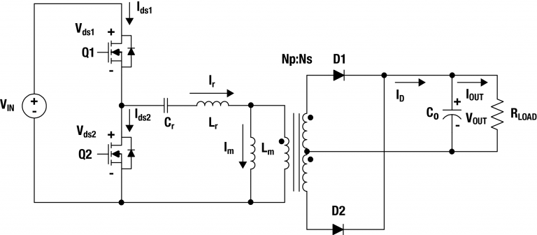
图1: LLC 谐振转换器
LLC 谐振转换器中的运行区域和模式
不同负载条件下LLC谐振转换器的直流增益特性如图2所示。根据不同的运行频率和负载条件可以分为三个区域。谐振频率fr1右侧(蓝色部分)为零电压开关区域, 空载情况下最小次级谐振频率 fr2的左侧(红色部分)是零电流开关区域。fr1与fr2之间的区域既可以是零电压开关区域,也可以是零电流开关区域,视负载条件而定。紫色区域标识感性负载区域, 粉色区域标识容性负载区域。对于开关频率 fs

图2:LLC 谐振转换器的直流增益特性
在导通MOSFET之前,电流流过其他MOSFET的体 二极管。当MOSFET开关导通时,其他MOSFET体二极管的反向恢复应力非常严重。高反向恢复电流尖峰流过其他MOSFET开关,原因是它无法流过谐振电路。它形成高体二极管dv/dt并且其电流和电压尖峰可能在体二极管反向恢复期间造成器件故障。因此,转换器应该避免在容性区域运行。对于 fs>fr1,谐振回路的输入阻抗是感性负载。如图 3 (b) 所示,MOSFET在零电压开关 (ZVS) 处导通。导通开关损耗被最小化,原因是存在米勒效应并且 MOSFET 输入电容不会因为米勒效应而增大。此外,体二极管反向恢复电流是一小部分正弦波,并在开关电流为正时变为开关电流的一部分。因此, 零电压开关通常优先于零电流开关,原因是因反向恢复电流及其结电容的放电,零电压开关能够避免较大的开关损耗和应力 。

图3:LLC 谐振转换器中的工作模式
LLC谐振转换器中的故障模式
1)启动
在启动期间,由于反向恢复dv/dt,零电压开关运行可能会丢失并且MOSFET可能发生故障。
在启动之前谐振电容和输出电容完全放电。这些空电容导致Q2体二极管进一步导通并且在Q1导通前不会完全恢复。反向恢复电流非常高并且在启动期间足以造成直通问题,如图4所示。

图4: 启动期间LLC 谐振转换器中的波形
启动期间,推荐用于故障模式的解决方案是:
采用快速恢复MOSFET
减少谐振电容器
控制高侧和低侧MOSFET的驱动信号,从而形成完整的体二极管恢复
2)输出短路
在输出短路期间MOSFET通过极高的电流。当发生输出短路时,Lm在谐振中被分流。LLC 谐振转换器可由 Cr 和 Lr简化为串联谐振回路,因为Cr仅与Lr共振。这种状况通常会导致零电流开关运行(电容模式)。零电流开关运行最严重的缺陷是导通时的硬式整流,可能导致二极管反向恢复应力(dv/dt) 和巨大的电流和电压应力,如图5所示。另外,由于体二极管反向恢复期间的高 di/dt 和 dv/dt,该器件还可能被栅极过压应力破坏。

图5:输出短路期间LLC 谐振转换器中的波形
启动期间,推荐用于故障模式的解决方案是:
采用快速恢复MOSFET
增大导通电阻以减小反向恢复di/dt和dv/dt、体二极管反向电流(Irm) 和峰值电压Vgs,如图6所示
增加最小开关频率以防止电容模式
在发生输出短路后尽快减少 Vgs关断延迟
减小过流保护电流

图6:反向恢复期间的导通栅极电阻效应
图 7.:FRFET (FCH072N60F)和 一般 MOSFET (FCH072N60) 之间的反向恢复特性比较
将一般MOSFET替换为快速恢复MOSFET (FRFET? MOSFET) 非常简单有效,原因是不需要额外电路或器件。图7显示与一般 MOSFET相比, FRFET MOSFET 在反向恢复特性方面的改进。与一般MOSFET (FCH072N60) 相比,FRFET MOSFET (FCH072N60F)的反向恢复电荷减少了90% 。FRFET MOSFET体二极管的耐用性比一般MOSFET好得多。此外,在反向恢复期间若高侧MOSFET从FRFET变为一般 MOSFET,低侧MOSFET的峰值栅源极电压从54V降为26 V。由于改进了这么多特性 ,FRFET MOSFET在LLC谐振半桥转换器中提供更高的可靠性 。
初级 MOSFET 的不良体二极管性能可能导致一些意想不到的系统或器件故障,如在各种异常条件下发生严重的直通电流、体二极管 dv/dt、击穿 dv/dt,以及栅极氧化层击穿,异常条件诸如启动、负载瞬变,和输出短路。

图1: LLC 谐振转换器
LLC 谐振转换器中的运行区域和模式
不同负载条件下LLC谐振转换器的直流增益特性如图2所示。根据不同的运行频率和负载条件可以分为三个区域。谐振频率fr1右侧(蓝色部分)为零电压开关区域, 空载情况下最小次级谐振频率 fr2的左侧(红色部分)是零电流开关区域。fr1与fr2之间的区域既可以是零电压开关区域,也可以是零电流开关区域,视负载条件而定。紫色区域标识感性负载区域, 粉色区域标识容性负载区域。对于开关频率 fs

图2:LLC 谐振转换器的直流增益特性
在导通MOSFET之前,电流流过其他MOSFET的体 二极管。当MOSFET开关导通时,其他MOSFET体二极管的反向恢复应力非常严重。高反向恢复电流尖峰流过其他MOSFET开关,原因是它无法流过谐振电路。它形成高体二极管dv/dt并且其电流和电压尖峰可能在体二极管反向恢复期间造成器件故障。因此,转换器应该避免在容性区域运行。对于 fs>fr1,谐振回路的输入阻抗是感性负载。如图 3 (b) 所示,MOSFET在零电压开关 (ZVS) 处导通。导通开关损耗被最小化,原因是存在米勒效应并且 MOSFET 输入电容不会因为米勒效应而增大。此外,体二极管反向恢复电流是一小部分正弦波,并在开关电流为正时变为开关电流的一部分。因此, 零电压开关通常优先于零电流开关,原因是因反向恢复电流及其结电容的放电,零电压开关能够避免较大的开关损耗和应力 。

图3:LLC 谐振转换器中的工作模式
LLC谐振转换器中的故障模式
1)启动
在启动期间,由于反向恢复dv/dt,零电压开关运行可能会丢失并且MOSFET可能发生故障。
在启动之前谐振电容和输出电容完全放电。这些空电容导致Q2体二极管进一步导通并且在Q1导通前不会完全恢复。反向恢复电流非常高并且在启动期间足以造成直通问题,如图4所示。

图4: 启动期间LLC 谐振转换器中的波形
启动期间,推荐用于故障模式的解决方案是:
采用快速恢复MOSFET
减少谐振电容器
控制高侧和低侧MOSFET的驱动信号,从而形成完整的体二极管恢复
2)输出短路
在输出短路期间MOSFET通过极高的电流。当发生输出短路时,Lm在谐振中被分流。LLC 谐振转换器可由 Cr 和 Lr简化为串联谐振回路,因为Cr仅与Lr共振。这种状况通常会导致零电流开关运行(电容模式)。零电流开关运行最严重的缺陷是导通时的硬式整流,可能导致二极管反向恢复应力(dv/dt) 和巨大的电流和电压应力,如图5所示。另外,由于体二极管反向恢复期间的高 di/dt 和 dv/dt,该器件还可能被栅极过压应力破坏。

图5:输出短路期间LLC 谐振转换器中的波形
启动期间,推荐用于故障模式的解决方案是:
采用快速恢复MOSFET
增大导通电阻以减小反向恢复di/dt和dv/dt、体二极管反向电流(Irm) 和峰值电压Vgs,如图6所示
增加最小开关频率以防止电容模式
在发生输出短路后尽快减少 Vgs关断延迟
减小过流保护电流

图6:反向恢复期间的导通栅极电阻效应
图 7.:FRFET (FCH072N60F)和 一般 MOSFET (FCH072N60) 之间的反向恢复特性比较
将一般MOSFET替换为快速恢复MOSFET (FRFET? MOSFET) 非常简单有效,原因是不需要额外电路或器件。图7显示与一般 MOSFET相比, FRFET MOSFET 在反向恢复特性方面的改进。与一般MOSFET (FCH072N60) 相比,FRFET MOSFET (FCH072N60F)的反向恢复电荷减少了90% 。FRFET MOSFET体二极管的耐用性比一般MOSFET好得多。此外,在反向恢复期间若高侧MOSFET从FRFET变为一般 MOSFET,低侧MOSFET的峰值栅源极电压从54V降为26 V。由于改进了这么多特性 ,FRFET MOSFET在LLC谐振半桥转换器中提供更高的可靠性 。
电压 MOSFET 二极管 电流 电路 电容 电容器 电阻 相关文章:
- 选择最佳的电压基准源(11-29)
- 对电压参考进行滤波以获得低噪声性能(01-16)
- 可编程快速充电管理芯片MAX712/ MAX713及其应用(01-23)
- 改进型全桥移相ZVS-PWMDC/DC变换器(01-23)
- 负输出罗氏变换器实用性剖析(01-09)
- 通信电源设备对杂音电压的控制要求(02-13)
