浅析运放补偿电容如何选?
时间:04-06
来源:互联网
点击:
为了让运放能够正常工作,电路中常在输入与输出之间加一相位补偿电容。本文浅析了运放补偿电容的作用及相关知识。
运放的相位补偿
为了让运放能够正常工作,电路中常在输入与输出之间加一相位补偿电容。
1, 关于补偿电容
理论计算有是有的,但是到了设计成熟阶段好象大部分人都是凭借以前的调试经验了,一般对于电容大小的取值要考虑到系统的频响(简单点说加的电容越大,带宽越窄),然后就是振荡问题;如果你非要计算,可以看看运放的输入端的分布电容是多大,举个例子,负反馈放大电路就是要保证输入端的那个电阻阻值和分布电容的乘积=反馈电阻的阻值和你要加的电容的乘积......
2, 两个作用
1. 改变反馈网络相移,补偿运放相位滞后
2. 补偿运放输入端电容的影响(其实最终还是补偿相位……)
因为我们所用的运放都不是理想的。
一般实际使用的运算放大器对一定频率的信号都有相应的相移作用,这样的信号反馈到输入端将使放大电路工作不稳定甚至发生振荡,为此必须加相应的电容予以一定的相位补偿。在运放内部一般内置有补偿电容,当然如果需要的话也可在电路中外加,至于其值取决于信号频率和电路特性
运放输入补偿电容
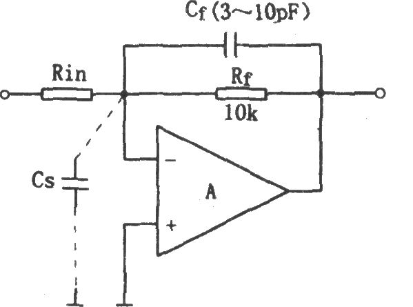
一般线性工作的放大器(即引入负反馈的放大电路)的输入寄生电容Cs会影响电路的稳定性,其补偿措施见图。放大器的输入端一般存在约几皮法的寄生电容Cs,这个电容包括运放的输入电容和布线分布电容,它与反馈电阻Rf组成一个滞后网络,引起输出电压相位滞后,当输入信号的频率很高时,Cs的旁路作用使放大器的高频响应变差,其频带的上限频率约为:
ωh=1/(2πRfCs)
若Rf的阻值较大,放大器的上限频率就将严重下降,同时Cs、Rf引入的附加滞后相位可能引起寄生振荡,因而会引起严重的稳定性问题。对此,一个简单的解决方法是减小Rf的阻值,使ωh高出实际应用的频率范围,但这种方法将使运算放大器的电压放大倍数下降(因Av=-Rf/Rin)。为了保持放大电路的电压放大倍数较高,更通用的方法是在Rf上并接一个补偿电容Cf,使RinCf网络与RfCs网络构成相位补偿。RinCf将引起输出电压相位超前,由于不能准确知道Cs的值,所以相位超前量与滞后量不可能得到完全补偿,一般是采用可变电容Cf,用实验和调整Cf的方法使附加相移最小。若Rf=10kΩ,Cf的典型值丝边3~10pF。对于电压跟随器而言,其Cf值可以稍大一些。
运放输出电容的补偿
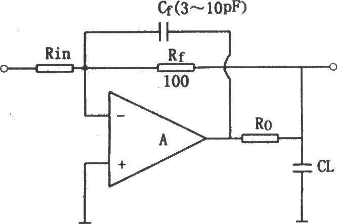
对于许多集成运算放大电路,若输出负载电容CL的值比100pF大很多,由于输出电容(包括寄生电容)与输出电阻将造成附加相移,这个附加相移的累加就可能产生寄生振荡,使放大器工作严重不稳定。解决这一问题的方法是在运放的输出端串联一个电阻Ro,使负载电容CL与放大电路相隔离,如图所示,在Ro的后面接反馈电阻Rf,这样可以补偿直流衰减,加反馈电容Cf会降低高频闭环电压放大倍数,Cf的选取方法是:使放大电路在单位增益频率fT时的容抗Xcf≤Rf/10,又Xf=l/(2πfTCf),一般情况下,Ro=50~200Ω,Cf约为3~10pF。
除了上述不稳定因素之外,还存在其他一些不稳定因素,有些是来自集成芯片自身。有些是源于系统电路(例如电源的内阻抗的耦合问题)。有时使用很多方法都难以解决不稳定问题,但采用适当的补偿方法后可使问题迎刃而解。例如。当放大器不需要太宽的频带和最佳转换速率时,对集成运放采用过补偿的方法会取得很好的效果,如将补偿电容增加9倍或为实现稳定性所需要的倍数,对μA301型运放而言,其效果一般都较好。
运放的相位补偿
为了让运放能够正常工作,电路中常在输入与输出之间加一相位补偿电容。
1, 关于补偿电容
理论计算有是有的,但是到了设计成熟阶段好象大部分人都是凭借以前的调试经验了,一般对于电容大小的取值要考虑到系统的频响(简单点说加的电容越大,带宽越窄),然后就是振荡问题;如果你非要计算,可以看看运放的输入端的分布电容是多大,举个例子,负反馈放大电路就是要保证输入端的那个电阻阻值和分布电容的乘积=反馈电阻的阻值和你要加的电容的乘积......
2, 两个作用
1. 改变反馈网络相移,补偿运放相位滞后
2. 补偿运放输入端电容的影响(其实最终还是补偿相位……)
因为我们所用的运放都不是理想的。
一般实际使用的运算放大器对一定频率的信号都有相应的相移作用,这样的信号反馈到输入端将使放大电路工作不稳定甚至发生振荡,为此必须加相应的电容予以一定的相位补偿。在运放内部一般内置有补偿电容,当然如果需要的话也可在电路中外加,至于其值取决于信号频率和电路特性
运放输入补偿电容
一般线性工作的放大器(即引入负反馈的放大电路)的输入寄生电容Cs会影响电路的稳定性,其补偿措施见图。放大器的输入端一般存在约几皮法的寄生电容Cs,这个电容包括运放的输入电容和布线分布电容,它与反馈电阻Rf组成一个滞后网络,引起输出电压相位滞后,当输入信号的频率很高时,Cs的旁路作用使放大器的高频响应变差,其频带的上限频率约为:
ωh=1/(2πRfCs)
若Rf的阻值较大,放大器的上限频率就将严重下降,同时Cs、Rf引入的附加滞后相位可能引起寄生振荡,因而会引起严重的稳定性问题。对此,一个简单的解决方法是减小Rf的阻值,使ωh高出实际应用的频率范围,但这种方法将使运算放大器的电压放大倍数下降(因Av=-Rf/Rin)。为了保持放大电路的电压放大倍数较高,更通用的方法是在Rf上并接一个补偿电容Cf,使RinCf网络与RfCs网络构成相位补偿。RinCf将引起输出电压相位超前,由于不能准确知道Cs的值,所以相位超前量与滞后量不可能得到完全补偿,一般是采用可变电容Cf,用实验和调整Cf的方法使附加相移最小。若Rf=10kΩ,Cf的典型值丝边3~10pF。对于电压跟随器而言,其Cf值可以稍大一些。
运放输出电容的补偿
对于许多集成运算放大电路,若输出负载电容CL的值比100pF大很多,由于输出电容(包括寄生电容)与输出电阻将造成附加相移,这个附加相移的累加就可能产生寄生振荡,使放大器工作严重不稳定。解决这一问题的方法是在运放的输出端串联一个电阻Ro,使负载电容CL与放大电路相隔离,如图所示,在Ro的后面接反馈电阻Rf,这样可以补偿直流衰减,加反馈电容Cf会降低高频闭环电压放大倍数,Cf的选取方法是:使放大电路在单位增益频率fT时的容抗Xcf≤Rf/10,又Xf=l/(2πfTCf),一般情况下,Ro=50~200Ω,Cf约为3~10pF。
除了上述不稳定因素之外,还存在其他一些不稳定因素,有些是来自集成芯片自身。有些是源于系统电路(例如电源的内阻抗的耦合问题)。有时使用很多方法都难以解决不稳定问题,但采用适当的补偿方法后可使问题迎刃而解。例如。当放大器不需要太宽的频带和最佳转换速率时,对集成运放采用过补偿的方法会取得很好的效果,如将补偿电容增加9倍或为实现稳定性所需要的倍数,对μA301型运放而言,其效果一般都较好。
- 整流电路(11-30)
- 单运放构成的单稳延时电路(11-29)
- 直流稳压电源电路(11-30)
- 基于ISP1581型接口电路的USB2.0接口设计(01-18)
- 单电源供电的IGBT驱动电路在铁路辅助电源系统中的应用(01-16)
- 为太阳能灯供电的低损耗电路的设计(01-22)
