如何选择外部电阻减少接地负载电流源误差
时间:02-26
来源:互联网
点击:
运算放大器通常用于在工业流程控制、科学仪器和医疗设备等各种应用中产生高性能电流源。《模拟对话》1967年第1卷第1期上发表的“单放大器电流源”介绍了几种电流源电路,它们可以提供通过浮动负载或接地负载的恒流。在压力变送器和气体探测器等工业应用中,这些电路广泛应用于提供4 mA至20 mA或0 mA至20 mA的电流。
图1所示的改进型Howland电流源非常受欢迎,因为它可以驱动接地负载。允许相对较高电流的晶体管可以用MOSFET取代,以便达到更高的电流。对于低成本、低电流应用,可以去除晶体管,如《模拟对话》2009年第43卷第3期“精密电流源的心脏:差动放大器”所述。
这种电流源的精度取决于放大器和电阻。本文介绍如何选择外部电阻以最大程度减少误差。

图1. 改进型Howland电流源驱动接地负载。
通过对改进型Howland电流源进行分析,可以得出传递函数:

提示1:设置R2 + R5 = R4
在公式1中,负载电阻影响输出电流,但如果我们设置R1 = R3和R2 + R5 = R4, 则方程简化为:

此处的输出电流只是R3、R4和R5的函数。如果有理想放大器,电阻容差将决定输出电流的精度。
提示2:设置RL = n × R5
为减少器件库中的总电阻数,请设置R1 = R2 = R3 = R4。现在,公式1简化为:

如果R5 = RL,则公式进一步简化为:

此处的输出电流仅取决于电阻R5。
某些情况下,输入信号可能需要衰减。例如,在处理10 V输入信号且R5 = 100 Ω的情况下,输出电流为100 mA。要获得20 mA的输出电流,请设置R1 = R3 = 5R2 = 5R4。现在,公式1简化为:

如果RL = 5R5 = 500 Ω,则:

提示3:R1/R2/R3/R4的值较大,可以改进电流精度
大多数情况下,R1 = R2 = R3 = R4,但RL ≠ R5,因此输出电流如公式3所示。例如,在R5 = 100 Ω且RL = 500 Ω的情况下,图2显示电阻R1与电流精度之间的关系。要达到0.5%的电流精度,R1必须至少为40 kΩ。

图2. R1与输出电流精度之间的关系。
提示4:电阻容差影响电流精度
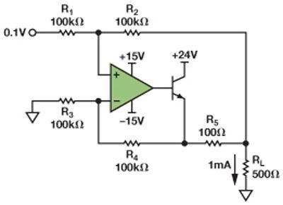
实际电阻从来都不是理想的,每个电阻都具有指定的容差。图3显示了示例电路,其中R1 = R2 = R3 = R4 = 100 kΩ,R5 = 100 Ω,而且RL = 500 Ω。在输入电压设置为0.1 V的情况下,输出电流应该为1 mA。表1显示由于不同电阻容差而导致的输出电流误差。为达到0.5%的电流精度,请为R1/R2/R3/R4选择0.01%的容差,为R5选择0.1%的容差,为RL选择5%的容差。0.01%容差的电阻成本昂贵,因此更好的选择是使用集成差动放大器(例如 AD8276,它具有更好的电阻匹配,而且更加经济高效。

图3.IOUT= 1 mA的示例电路。

表1. 最差情况输出电流误差(%)与电阻容差(%)
结论
在设计改进型Howland电流源时,需要选择外部电阻,使得输出电流不受负载电阻的影响。电阻容差会影响精度,必须在精度和成本之间权衡考虑。放大器的失调电压和失调电流也会影响精度。请查阅数据手册,确定放大器是否满足电路要求。可以使用Multisim进行仿真,了确这些规格对精度产生的影响。集成差动放大器具有较低的失调电压、失调电压漂移、增益误差和增益漂移,可以经济高效地 实现精确稳定的电流源。
图1所示的改进型Howland电流源非常受欢迎,因为它可以驱动接地负载。允许相对较高电流的晶体管可以用MOSFET取代,以便达到更高的电流。对于低成本、低电流应用,可以去除晶体管,如《模拟对话》2009年第43卷第3期“精密电流源的心脏:差动放大器”所述。
这种电流源的精度取决于放大器和电阻。本文介绍如何选择外部电阻以最大程度减少误差。

图1. 改进型Howland电流源驱动接地负载。
通过对改进型Howland电流源进行分析,可以得出传递函数:

提示1:设置R2 + R5 = R4
在公式1中,负载电阻影响输出电流,但如果我们设置R1 = R3和R2 + R5 = R4, 则方程简化为:

此处的输出电流只是R3、R4和R5的函数。如果有理想放大器,电阻容差将决定输出电流的精度。
提示2:设置RL = n × R5
为减少器件库中的总电阻数,请设置R1 = R2 = R3 = R4。现在,公式1简化为:

如果R5 = RL,则公式进一步简化为:

此处的输出电流仅取决于电阻R5。
某些情况下,输入信号可能需要衰减。例如,在处理10 V输入信号且R5 = 100 Ω的情况下,输出电流为100 mA。要获得20 mA的输出电流,请设置R1 = R3 = 5R2 = 5R4。现在,公式1简化为:

如果RL = 5R5 = 500 Ω,则:

提示3:R1/R2/R3/R4的值较大,可以改进电流精度
大多数情况下,R1 = R2 = R3 = R4,但RL ≠ R5,因此输出电流如公式3所示。例如,在R5 = 100 Ω且RL = 500 Ω的情况下,图2显示电阻R1与电流精度之间的关系。要达到0.5%的电流精度,R1必须至少为40 kΩ。

图2. R1与输出电流精度之间的关系。
提示4:电阻容差影响电流精度
实际电阻从来都不是理想的,每个电阻都具有指定的容差。图3显示了示例电路,其中R1 = R2 = R3 = R4 = 100 kΩ,R5 = 100 Ω,而且RL = 500 Ω。在输入电压设置为0.1 V的情况下,输出电流应该为1 mA。表1显示由于不同电阻容差而导致的输出电流误差。为达到0.5%的电流精度,请为R1/R2/R3/R4选择0.01%的容差,为R5选择0.1%的容差,为RL选择5%的容差。0.01%容差的电阻成本昂贵,因此更好的选择是使用集成差动放大器(例如 AD8276,它具有更好的电阻匹配,而且更加经济高效。

图3.IOUT= 1 mA的示例电路。

表1. 最差情况输出电流误差(%)与电阻容差(%)
结论
在设计改进型Howland电流源时,需要选择外部电阻,使得输出电流不受负载电阻的影响。电阻容差会影响精度,必须在精度和成本之间权衡考虑。放大器的失调电压和失调电流也会影响精度。请查阅数据手册,确定放大器是否满足电路要求。可以使用Multisim进行仿真,了确这些规格对精度产生的影响。集成差动放大器具有较低的失调电压、失调电压漂移、增益误差和增益漂移,可以经济高效地 实现精确稳定的电流源。
放大器 电流 电路 MOSFET 电阻 电压 Multisim 仿真 相关文章:
- 使用简化电路的高压放大器(11-21)
- 无需调谐的“砖墙式”低通音频滤波器(11-20)
- 对数放大器的技术指标(11-26)
- 一种增大放大器增益的方法(11-28)
- 对数放大器的典型应用 (11-26)
- AGC中频放大器的设计 (11-29)
