模拟信号的隔离方法有哪些
时间:12-21
来源:互联网
点击:
模拟信号的隔离是非常头疼的,有时候不得不需要隔离。大部分基于以下需要:
1.隔离干扰源;
2.分隔高电压。
隔离数字信号的办法很多,隔离模拟信号的办法却没有想象的那么多,关键是隔离的成本,比想象的都要高出许多。特别是要求精确测量的场合,模拟信号的隔离,成本高得更加是离谱的无法想象。我从事这种系统开发多年,对自己所知道的隔离方法做个小小的总结:
数字隔离方法:
1. 光耦;
2. ADI 的磁隔离芯片,ADuMXXXX(XXXX为数字代号,如 I2C的ADuM1250);
3.自己用变压器隔离。
数字隔离办法,一般实现的都是单向数字信号的隔离,对于双向数字信号,需要两个隔离单元来实现,体积非常的惊人;很难减小体积。相对于速度很成本,如果速度小于100KHz一下,个人推荐用Ps2501这样的常用光耦隔离数字信号,很好的性价比,隔离度也非常的高。一般Ps2501这样的光耦隔离度都在3000V/RMS以上。
但是如果隔离数字信号的频率在200KHz以上,用Ps2501这样的光耦就不行了,要换高速的数字光耦,价格成本也上去了,不划算了。所以可采用ADI的磁隔离芯片。最便宜的磁隔离芯片每通道的价格在$0.7,算下来人民币也才4~5块人民币,选在6N137、6N136这样的高速光耦,已经没有性价比可言,浪费大量的PCB空间用于隔离部分。成本在4块左右,甚至更高,主要看你的6N137的采购量。但ADuM系列的磁隔离芯片的尺寸小很多很多,价格相比也很有优势。唯一美中不足的是磁隔离芯片的隔离电压只能到1000V左右,这个是个很头疼的问题。如果只是隔离干扰源,自然没问题,如果是隔离高电压,那么要仔细考量一下设计了。
自己用隔离变压器来隔离的办法,一般人是用不到的,因为完全没有经济效益。它只有一点好处,就是隔离电压可做得非常高,一般只有变频器、逆变器等IGBT的驱动,需要隔离非常大的电压,超过5000V;才使用。因为一般的芯片和光耦都实现不了了。
模拟信号的隔离:
1.线性光耦;
2. 隔离放大器 ;
3.频压转换和压频转换+数字隔离;
4.飞电容;
5.采用DA/AD+数字隔离的办法实现模拟信号的采样复原,进而实现隔离的办法;
6.普通光耦实现的线性隔离。
线性光耦,做过隔离的朋友都知道。如以前的TIL300,不过好像已经不生产了。可以选择Vishy的IL300作为替代。作为一般模拟信号的线性隔离,是个不错的选择。一般来讲,线性光耦需要两个运放和一些高精度电阻组成合适的电路才能完成信号的隔离。也只是单向隔离。 IL300的价格在十几块钱人民币左右,如果想得到比较好的温度特性,需要两个比较好的运放,所以整个隔离下来的成本在每路:30RMB/Ch, 隔离的频率在200kHz左右。线性度其实并不理想,0.1%的精度都比较难保证;但手册上写着可以到0.01%的伺服精度。实际上,因为温度的影响,线性度在+/-0.5%,所以有更高隔离线性度的童鞋们就不能选择这种办法了。但对于大多数场合都是可以的;
隔离放大器,这个是个终极的宝贝啊,有很多厂家都有, 中国小厂一堆生产这种东西的。线性度都能达到0.1%,比较上档次的是TI 和ADI 的隔离放大器,这些东西的成本很高。TI 有一款号称是全球价格最低的隔离放大器,ISO124 。隔离放大器的话,性能稳定,线性度良好,大多数都能达到或远远超过0.1%,都能达到0.01%;但价格的话至少都在40RMB/Ch,ADI的就更加离谱了,大概能到40dollar/Ch,对于做一般工业产品的制造商来讲,实在是望而却步。
第三种方法和第五种方法大同小异,都是把模拟信号变为数字信号然后再隔离数字信号。数字信号再复原成模拟信号,所以,这也意味着这种电路复杂得很。但从隔离效果上讲,应该是一种比较合理的隔离方式。至少在成本和精度上,和隔离放大器最有一拼的。压频转换和频压转换都非常的贵,所以,这种器件不适合做低带宽信号的转换;压频和频压转换不需要单片机的参与,电路上更为简洁,可靠性也更高。如果使用AD/DA转换复原,需要单片机或者FPGA等控制电路的参与,从开发角度来说,需要比较多的精力。相对于频压转换的方法,比较罗嗦,复原的信号带宽和AD/DA的带宽有关。但选择合适的芯片和单片机,如cortex-M0的32位单片机,40MHz左右,几块钱人民币。配合合适的AD/DA,成本也能控制在30RMB/ch,但效果比IL300要好很多,主要是隔离的线性度可以有个非常好的保证。
飞电容,飞电容笔者没试过,但是飞电容也是个思路特殊的隔离方案。相对于其他的隔离方案,首先是不需要隔离电源;其次是电路简单。飞电容就是将模拟信号作为源,对一个合适的电容进行充电,充完电后,将飞电容切换到测量电路一边,与向飞电容充电的电路完全断开。电容对测量电路放电。测量电路测量出电容的电压。即实现了电压信号的隔离。这个电路的核心在于,切换电容,并控制切换时间。最好使用继电器,但普通的继电器寿命有限,这种玩法肯定就报废了。要使用湿簧继电器;湿簧继电器应该不是便宜的东西,这种方法我也没试过,但是理论上是完全可行的。只不过信号带宽是小得可怜。可能只有10Hz吧。
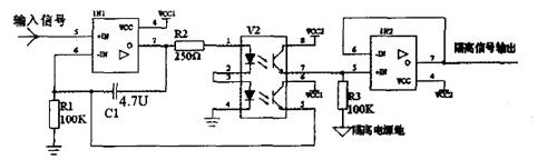
普通的光耦只是使用了特殊的思路,用另外一个光耦做第一个光耦的反馈和补偿,如下图。

这种方法呢,个人觉得隔离一般的信号还可以,因为没有Datasheet等保证,实际上大批量应用是很难保证一致性和稳定性的。只是应用于线性度要求非常不高的场合。成本在所有模拟信号隔离方案里应该是最低的,可以做到5块钱/ch以下。
1.隔离干扰源;
2.分隔高电压。
隔离数字信号的办法很多,隔离模拟信号的办法却没有想象的那么多,关键是隔离的成本,比想象的都要高出许多。特别是要求精确测量的场合,模拟信号的隔离,成本高得更加是离谱的无法想象。我从事这种系统开发多年,对自己所知道的隔离方法做个小小的总结:
数字隔离方法:
1. 光耦;
2. ADI 的磁隔离芯片,ADuMXXXX(XXXX为数字代号,如 I2C的ADuM1250);
3.自己用变压器隔离。
数字隔离办法,一般实现的都是单向数字信号的隔离,对于双向数字信号,需要两个隔离单元来实现,体积非常的惊人;很难减小体积。相对于速度很成本,如果速度小于100KHz一下,个人推荐用Ps2501这样的常用光耦隔离数字信号,很好的性价比,隔离度也非常的高。一般Ps2501这样的光耦隔离度都在3000V/RMS以上。
但是如果隔离数字信号的频率在200KHz以上,用Ps2501这样的光耦就不行了,要换高速的数字光耦,价格成本也上去了,不划算了。所以可采用ADI的磁隔离芯片。最便宜的磁隔离芯片每通道的价格在$0.7,算下来人民币也才4~5块人民币,选在6N137、6N136这样的高速光耦,已经没有性价比可言,浪费大量的PCB空间用于隔离部分。成本在4块左右,甚至更高,主要看你的6N137的采购量。但ADuM系列的磁隔离芯片的尺寸小很多很多,价格相比也很有优势。唯一美中不足的是磁隔离芯片的隔离电压只能到1000V左右,这个是个很头疼的问题。如果只是隔离干扰源,自然没问题,如果是隔离高电压,那么要仔细考量一下设计了。
自己用隔离变压器来隔离的办法,一般人是用不到的,因为完全没有经济效益。它只有一点好处,就是隔离电压可做得非常高,一般只有变频器、逆变器等IGBT的驱动,需要隔离非常大的电压,超过5000V;才使用。因为一般的芯片和光耦都实现不了了。
模拟信号的隔离:
1.线性光耦;
2. 隔离放大器 ;
3.频压转换和压频转换+数字隔离;
4.飞电容;
5.采用DA/AD+数字隔离的办法实现模拟信号的采样复原,进而实现隔离的办法;
6.普通光耦实现的线性隔离。
线性光耦,做过隔离的朋友都知道。如以前的TIL300,不过好像已经不生产了。可以选择Vishy的IL300作为替代。作为一般模拟信号的线性隔离,是个不错的选择。一般来讲,线性光耦需要两个运放和一些高精度电阻组成合适的电路才能完成信号的隔离。也只是单向隔离。 IL300的价格在十几块钱人民币左右,如果想得到比较好的温度特性,需要两个比较好的运放,所以整个隔离下来的成本在每路:30RMB/Ch, 隔离的频率在200kHz左右。线性度其实并不理想,0.1%的精度都比较难保证;但手册上写着可以到0.01%的伺服精度。实际上,因为温度的影响,线性度在+/-0.5%,所以有更高隔离线性度的童鞋们就不能选择这种办法了。但对于大多数场合都是可以的;
隔离放大器,这个是个终极的宝贝啊,有很多厂家都有, 中国小厂一堆生产这种东西的。线性度都能达到0.1%,比较上档次的是TI 和ADI 的隔离放大器,这些东西的成本很高。TI 有一款号称是全球价格最低的隔离放大器,ISO124 。隔离放大器的话,性能稳定,线性度良好,大多数都能达到或远远超过0.1%,都能达到0.01%;但价格的话至少都在40RMB/Ch,ADI的就更加离谱了,大概能到40dollar/Ch,对于做一般工业产品的制造商来讲,实在是望而却步。
第三种方法和第五种方法大同小异,都是把模拟信号变为数字信号然后再隔离数字信号。数字信号再复原成模拟信号,所以,这也意味着这种电路复杂得很。但从隔离效果上讲,应该是一种比较合理的隔离方式。至少在成本和精度上,和隔离放大器最有一拼的。压频转换和频压转换都非常的贵,所以,这种器件不适合做低带宽信号的转换;压频和频压转换不需要单片机的参与,电路上更为简洁,可靠性也更高。如果使用AD/DA转换复原,需要单片机或者FPGA等控制电路的参与,从开发角度来说,需要比较多的精力。相对于频压转换的方法,比较罗嗦,复原的信号带宽和AD/DA的带宽有关。但选择合适的芯片和单片机,如cortex-M0的32位单片机,40MHz左右,几块钱人民币。配合合适的AD/DA,成本也能控制在30RMB/ch,但效果比IL300要好很多,主要是隔离的线性度可以有个非常好的保证。
飞电容,飞电容笔者没试过,但是飞电容也是个思路特殊的隔离方案。相对于其他的隔离方案,首先是不需要隔离电源;其次是电路简单。飞电容就是将模拟信号作为源,对一个合适的电容进行充电,充完电后,将飞电容切换到测量电路一边,与向飞电容充电的电路完全断开。电容对测量电路放电。测量电路测量出电容的电压。即实现了电压信号的隔离。这个电路的核心在于,切换电容,并控制切换时间。最好使用继电器,但普通的继电器寿命有限,这种玩法肯定就报废了。要使用湿簧继电器;湿簧继电器应该不是便宜的东西,这种方法我也没试过,但是理论上是完全可行的。只不过信号带宽是小得可怜。可能只有10Hz吧。
普通的光耦只是使用了特殊的思路,用另外一个光耦做第一个光耦的反馈和补偿,如下图。

这种方法呢,个人觉得隔离一般的信号还可以,因为没有Datasheet等保证,实际上大批量应用是很难保证一致性和稳定性的。只是应用于线性度要求非常不高的场合。成本在所有模拟信号隔离方案里应该是最低的,可以做到5块钱/ch以下。
电压 ADI 变压器 PCB 逆变器 IGBT 放大器 电容 电阻 电路 单片机 FPGA 继电器 相关文章:
- 选择最佳的电压基准源(11-29)
- 对电压参考进行滤波以获得低噪声性能(01-16)
- 可编程快速充电管理芯片MAX712/ MAX713及其应用(01-23)
- 改进型全桥移相ZVS-PWMDC/DC变换器(01-23)
- 负输出罗氏变换器实用性剖析(01-09)
- 通信电源设备对杂音电压的控制要求(02-13)
