轻松几步让电子电路框图变成电子电路原理图
时间:12-14
来源:互联网
点击:
第一步:根据电子电路工作原理绘制电子电路原理框图,这个比较容易,而且比电子电路原理图更容易在网上得到。电子电路框图内容越具体,转化电子电路原理图越容易。下图是串联型稳压电源方框图:

第二步:将框图变为原理图:
先将每个方框的内容变为单元电路。
(1)变压器:

变压器的原理图比较简单,但实际设计中是整个电路最难的部分。
(2)整流桥

整流桥将正弦波整流为只有正半周期的电压,频率变为之前的2倍。
(3)滤波器

滤波电路一般使用电容和电感,用电容最简单。
(4)电压调整电路

利用三极管的Vce可变,来控制其分压的大小,保持输出电压不变。
采用反相放大电路,控制电压大于参考电压与 Vbe 之和,三极管工作在放大状态才能起控制作用,控制电压控制 Vout 的输出电压大小。
(5)比较放大电路

采用反相放大电路,控制电压大于参考电压与Vbe之和,三极管工作在放大状态才能起控制作用,控制电压控制Vout的输出电压大小。
(6)参考电压电路

Vref即反相放大器的参考电压,参考电压为稳压管的电压。
(7)电压取样电路

采样电路采用最简单的电阻分压电路。
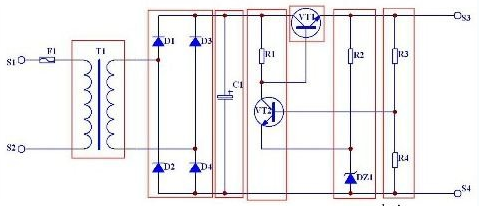
(8)最终组合电路

将电子电路框图中的各部分按照电子电路框图进行组合,即可以完成电子电路图的初步转化。
还要具体分析各个部分如何合理的结合在一起。这些基础分析属于电路分析的内容。
图中的各个电子电路框图内的电路都可视作二端口网络。

第二步:将框图变为原理图:
先将每个方框的内容变为单元电路。
(1)变压器:

变压器的原理图比较简单,但实际设计中是整个电路最难的部分。
(2)整流桥

整流桥将正弦波整流为只有正半周期的电压,频率变为之前的2倍。
(3)滤波器

滤波电路一般使用电容和电感,用电容最简单。
(4)电压调整电路

利用三极管的Vce可变,来控制其分压的大小,保持输出电压不变。
采用反相放大电路,控制电压大于参考电压与 Vbe 之和,三极管工作在放大状态才能起控制作用,控制电压控制 Vout 的输出电压大小。
(5)比较放大电路

采用反相放大电路,控制电压大于参考电压与Vbe之和,三极管工作在放大状态才能起控制作用,控制电压控制Vout的输出电压大小。
(6)参考电压电路

Vref即反相放大器的参考电压,参考电压为稳压管的电压。
(7)电压取样电路

采样电路采用最简单的电阻分压电路。
(8)最终组合电路

将电子电路框图中的各部分按照电子电路框图进行组合,即可以完成电子电路图的初步转化。
还要具体分析各个部分如何合理的结合在一起。这些基础分析属于电路分析的内容。
图中的各个电子电路框图内的电路都可视作二端口网络。
