一个诡异现象的背后——放大器不能忽视的直流通路
时间:11-27
来源:互联网
点击:
当表笔接触覆铜板的时候,一切正常。可是当表笔抬起来的时候,仪表放大器的输出端却输出一个诡异方波信号!并且当人的手靠近电路的时候,方波的幅值会发生变化。
暑假电赛培训的时候做过一道13年的国赛真题——手写绘图板。这是题目连接:http://wenku.baidu.com/link?url=QfH4Bz5dOJ9X_cO-25IVbCiPJdvfkUIGazV_-mQVP2uKStj6FfuiJcxiqaaZwkiAp_H24ixY1kHXLpI0NsqE65f5RID-gj7AnrAxAVCUCh_
当时我们组的方案是给覆铜板通上较大的电流,然后将仪表放大器的一个输入端连接手写笔另一端连接覆铜板上的坐标原点,测量接触点与坐标原点之间的电压差。可是做的过程中却发现了一个诡异的现象。。。
当表笔接触覆铜板的时候,一切正常。可是当表笔抬起来的时候,仪表放大器的输出端却输出一个诡异方波信号!并且当人的手靠近电路(对,只是靠近,连碰都没碰到)的时候,方波的幅值会发生变化。。。令人百思不得其解。
苦思冥想一上午没有结果,当天下午突然灵机一动,想到一个严重的问题——表笔抬起来的时候,仪放的一个输入端就变成悬空的,没有了直流通路!
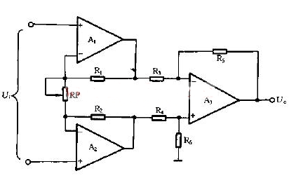
下面是仪表放大器的结构图

可见仪放的输入端是其中运放的同相端。虽然教科书上说运放是虚短虚断,输入端没有电流。但那是理想的运放,实际运放的输入端总会有电流,运放的输入偏置电流(Ib)就是描述这个电流的一个参数。在放大器的使用中一定要注意为这个电流提供低阻抗到地的路径。因为该电流变化非常的缓慢,可以视为直流,故这个路径也被称为输入端的直流通路。
如下面几个图

左图中由于电容的隔直作用,输入偏置电流没有到地的低阻抗通路,放大器不能正常工作。(若这个电容用的是铝电解电容,有可能正常工作,因为铝电解电容的漏电流比较大,输入偏置电流可以以漏电流的形式通过电容,然后经过信号源到地),正确的接法是右图,并联一个电阻到地,提供直流通路。此电阻的大小依情况而定,若Ib很小在pA级别,此电阻可以适当选大,兆欧级别是可以的。若Ib较大,如几百uA,则此电阻应适当选小,否则Ib流经此电阻产生的电压会作为输入电压的一部分使输出电压有较大的直流偏置。
常见的几种悬空情况有:隔直电容、变压器等,判断是否发生了输入端悬空的依据就是看Ib是否有到地的低阻抗路径。
注:前面说的“到地”不一定是直接并联一个电阻到电路的地网络,也可以是通过电阻连接到电源或放大器的输出端。只要细想一下就能明白,放大器是输出阻抗很小,电源的内阻也很小,输入端通过电阻连接到了这些地方就相当于又通过他们很小的内阻连到地上。
想到了这里,马上把仪放的悬空输入端通过一个20K的电阻连到电源上,然后诡异的现象就消失了。
想到通过自己的思考和学习解决了问题,心中满满的喜悦。
暑假电赛培训的时候做过一道13年的国赛真题——手写绘图板。这是题目连接:http://wenku.baidu.com/link?url=QfH4Bz5dOJ9X_cO-25IVbCiPJdvfkUIGazV_-mQVP2uKStj6FfuiJcxiqaaZwkiAp_H24ixY1kHXLpI0NsqE65f5RID-gj7AnrAxAVCUCh_
当时我们组的方案是给覆铜板通上较大的电流,然后将仪表放大器的一个输入端连接手写笔另一端连接覆铜板上的坐标原点,测量接触点与坐标原点之间的电压差。可是做的过程中却发现了一个诡异的现象。。。
当表笔接触覆铜板的时候,一切正常。可是当表笔抬起来的时候,仪表放大器的输出端却输出一个诡异方波信号!并且当人的手靠近电路(对,只是靠近,连碰都没碰到)的时候,方波的幅值会发生变化。。。令人百思不得其解。
苦思冥想一上午没有结果,当天下午突然灵机一动,想到一个严重的问题——表笔抬起来的时候,仪放的一个输入端就变成悬空的,没有了直流通路!
下面是仪表放大器的结构图

可见仪放的输入端是其中运放的同相端。虽然教科书上说运放是虚短虚断,输入端没有电流。但那是理想的运放,实际运放的输入端总会有电流,运放的输入偏置电流(Ib)就是描述这个电流的一个参数。在放大器的使用中一定要注意为这个电流提供低阻抗到地的路径。因为该电流变化非常的缓慢,可以视为直流,故这个路径也被称为输入端的直流通路。
如下面几个图

左图中由于电容的隔直作用,输入偏置电流没有到地的低阻抗通路,放大器不能正常工作。(若这个电容用的是铝电解电容,有可能正常工作,因为铝电解电容的漏电流比较大,输入偏置电流可以以漏电流的形式通过电容,然后经过信号源到地),正确的接法是右图,并联一个电阻到地,提供直流通路。此电阻的大小依情况而定,若Ib很小在pA级别,此电阻可以适当选大,兆欧级别是可以的。若Ib较大,如几百uA,则此电阻应适当选小,否则Ib流经此电阻产生的电压会作为输入电压的一部分使输出电压有较大的直流偏置。
常见的几种悬空情况有:隔直电容、变压器等,判断是否发生了输入端悬空的依据就是看Ib是否有到地的低阻抗路径。
注:前面说的“到地”不一定是直接并联一个电阻到电路的地网络,也可以是通过电阻连接到电源或放大器的输出端。只要细想一下就能明白,放大器是输出阻抗很小,电源的内阻也很小,输入端通过电阻连接到了这些地方就相当于又通过他们很小的内阻连到地上。
想到了这里,马上把仪放的悬空输入端通过一个20K的电阻连到电源上,然后诡异的现象就消失了。
想到通过自己的思考和学习解决了问题,心中满满的喜悦。
- 使用简化电路的高压放大器(11-21)
- 无需调谐的“砖墙式”低通音频滤波器(11-20)
- 对数放大器的技术指标(11-26)
- 一种增大放大器增益的方法(11-28)
- 对数放大器的典型应用 (11-26)
- AGC中频放大器的设计 (11-29)
