晶体振荡器的原理与操作:第2部分——振荡器:如何生成精确时钟源
时间:12-15
来源:互联网
点击:
我们在本系列文章的上一部分探讨了振荡的基本原理,同时概述了不同类型的振荡器。我们在本文章的第二部分准备详细介绍晶体振荡器的运行以及与其操作相关的不同参数。
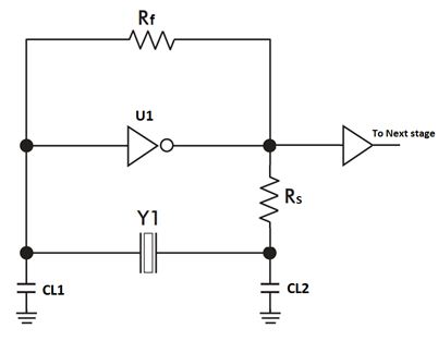
半导体行业中常用的晶体振荡器电路是一种皮尔斯晶体振荡器。由于便于在IC中实现、具有良好的稳定性、高Q因子(从10000到数十万)和低制造成本,因此它在设计人员当中最受欢迎。皮尔斯晶体振荡器主要由充当放大器(增益级)的逻辑门反相器、反相器输入输出之间的反馈电阻器以及外部晶振组件构成,如图1所示。这种布局称为并行谐振电路。
任何提供振荡的电路都必须满足巴克豪森的稳定性标准:也就是说,环路增益幅度应当等于振荡频率的整数,而围绕环路的相移应当为0或者是2π的整数倍。

图1:皮尔斯晶体振荡器
在详细介绍完整电路的操作之前,我们先仔细了解一下个别模块及其功能。
倒相放大器与反馈电阻器:反相器模块是一种可用作数字集成电路基本构件的简单CMOS逻辑非门。在传统模式中其传输特性为非线性,如图2所示。通常CMOS反相器的设计使反相器在接近电源电压的1/2处能够提供最大增益。在设计过程中通过调整P-MOS与N-MOS的大小可以实现上述目标。在上述最大增益范围内,逻辑非门开始充当放大器的作用。不过,离开外部组件的帮助其无法单独放大任何信号。反相器自身可以提供180°的相移。另外180°相移必须由外部组件提供,以符合巴克豪森标准的要求。

图2:(a)CMOS逻辑非门;(b)反相器的传输特性;(c)反相器的增益
当反相器输入与输出端子之间连接反馈电阻器(Rf)时,它把自身偏置到Vin=Vout的位置。振荡器电路中所用的反相器可以确保反相器偏置点及其最大增益接近一半的电源电压。因此,所使用的反馈电阻器可以克服反相器的非线性,同时可以把简单逻辑门转换成模拟放大器。此放大器可以帮助克服在电路中使用的晶振的损失。所使用的Rf值取决于电路设计用于的操作频率。一般情况下是在设计阶段确定振荡器电路的最低与最高振荡频率范围。操作频率较低时的Rf值比操作频率较高时要高。介于20MHz~40MHz之间的操作频率一般采用450KΩ的Rf。当反相器连接最佳的反馈电阻值,如果反相器输入弱信号,则倒相放大器可以在输出提供相当大的变换,从而提供大于1的环路增益并达到巴克豪森标准。
电阻Rs被称为驱动限流电阻器,因为它用于限制反相器的输出,以确保晶振不会被过度激励。但是,较大的Rs值会延长晶振的启动时间;Rs的值越小,则振荡器启动越快。因此,设计人员必须选择最佳值,以便在晶振不会被过度激励的同时提供足够的电流以启动振荡。另外它还有助于把输出驱动器与CL1、CL2及晶振产生的复杂阻抗进行隔离。在某些高频振荡器中,其取值也可以为0。晶振制造商通常会提供晶振的最高驱动电容。在把晶体用于皮尔斯振荡器之前应当慎之又慎,因为过度激励可能导致晶振加快老化。
至此,我们已经说明了如何在推荐的振荡器电路中实现必要的环路增益与180°的相移。在了解如何实现另外的180°相移之前,我们先探讨一下石英晶体的基本细节。
【分页导航】
第1页:皮尔斯晶体振荡器,倒相放大器与反馈电阻器
第2页:石英晶体的基本细节(1)
第3页:石英晶体的基本细节(2)
【系列文章】
振荡器– 生成精确时钟源
晶体振荡器的原理与操作:第3部分——晶体振荡器–技术规范解读(1)
晶体振荡器的原理与操作:第4部分——晶体振荡器–技术规范解读(2)
《电子技术设计》网站版权所有,谢绝转载
石英晶体:
虽然存在众多可满足振荡器基本要求的结晶物质,但是晶体的最常用材料是石英,因为它具有许多理想特性而且容易获取。石英晶体由压电材料组成,其在经受机械振动后、在物理晶体的机械共振作用下可以稳定振荡器的频率。压电效应是石英晶体操作的关键 – 通过此效应可以把电信号转换成机械振动,然后再重新连接到电气系统。石英晶体所著称的是其能够在按正确顺序连接正确组件情况下产生频率非常精确而又稳定的电信号。之所以这样是因为晶体在布局到放大器反馈网络之后可以起到调谐电路的作用。当其如图1所示连接到放大器电路时,有少量能量反馈到晶体中,导致它发生振动。这些机械振动可以稳定所产生的共振频率。这种电路则称为晶体振荡器。石英晶体可以建模成无源元件的组合。图3说明基本模式晶体的等效电路,其中:
R1:是晶体的动生电阻,代表晶体的机械损失。放大器与外部偏置网络必须补偿其损失,以便维持顺利振荡。这种基于放大器与偏置网络的损失补偿称为振荡器电路的‘负电阻’(在系列文章后面将会探讨)。
C1:是动生电容,代表在振动过程中获得的电荷。
L1:是动生电感,代表晶体物质的运动。
C0:是晶体电极之间的分流电容以及支架产生的杂散电容。请注意:此仅为等效电路中的物理值,而所有其它组件均为等效组件。

图3: 晶体等效电路
可以从等效阻抗方程式获得此电路的共振频率表达式。从图3可以看出电路并联两条支路;第一条支路包含等效动生参数(如:Z1),而第二条支路包含物理电容(如:Z2)。总阻抗计算如下:

我们在求解此方程式时省略几部。我们可以调整上述方程式,以便整理分子与分母中的实部与虚部。我们可以借助共轭乘法写出Rt+jXt形式的最终表达式。对于共振,应当只有一个电阻(实际)组件,即:Xt= 0。根据上述步骤以及所采用的条件,我们可以求得下述方程式:

求算此方程式可以得到下解:

对于实际的石英晶体,R1一般低于100Ω,L1的量级为mH,C1为fF,而C0的范围为几pF。基于上述假设,则下式通常适用于实际的晶体:

因此,我们可以忽略不重要的项,针对共振角频率将方程式调整为:

因此,我们可以获得两个共振频率 – 一个采用减号,其可称为串联共振频率Fs。

请注意:串联共振频率仅取决于动态支臂的当量,因此它被称为晶体动态支臂的自然频率。在此频率时,动态支臂的感抗可以抵消其容抗,而晶体仅显示电阻性且没有任何相移。串联共振频率时的阻抗达到最小值,其几乎等于动生电阻R1。在串联共振频率,电阻器R1与Z2(分流容抗)并联。不过,由于此频率时容抗极高,因此并联组合的等效电阻几乎与R1相同。因此,R1又被称为Fs时的等效串联电阻(ESR)。
采用上述式(4)中的加号可以获得另一个称为反共振频率FA的共振频率:

【分页导航】
第1页:皮尔斯晶体振荡器,倒相放大器与反馈电阻器
第2页:石英晶体的基本细节(1)
第3页:石英晶体的基本细节(2)
【系列文章】
振荡器– 生成精确时钟源
晶体振荡器的原理与操作:第3部分——晶体振荡器–技术规范解读(1)
晶体振荡器的原理与操作:第4部分——晶体振荡器–技术规范解读(2)
《电子技术设计》网站版权所有,谢绝转载
对于实际的晶体,我们可以再次合理假设

因此我们可以忽略不重要的项,以求得反共振频率的近似方程式:

调整各项后得到:

在反共振频率时,动态支臂的电抗与分流电容(C0)共振。此条件下阻抗达到最大值。
图4的晶体电抗曲线显示了这两个共振频率。仅通过式(1)的虚部即可绘出此曲线。从图中可以看出,晶体在Fs与FA之间时是在感抗区域内运行。此区域又被称为并联共振区。而在低于Fs和高于FA的区域时,晶体则在容抗区域运行。

图4:晶体电抗与频率
图1所示的布局在开始被称为并联共振电路,因为基于此电路的晶体是在并联共振区域(即:电感区)运行。倒相放大器提供第一次的180°相移,而共振晶体和在振荡器两侧添加的两个外部负载电容器组成的PI网络提供另外的180°相移。实际上放大器提供稍高于180°的相位滞后;因此,为了达到巴克豪森的稳定标准,晶体必须呈现些微电感性。对于并联共振晶体,制造商会提供与晶体一起在指定频率振荡的电容性负载。例如,额定值为25MHz与12pF的晶体只有检测到其终端存在12pF有效电容性负载情况下才会准确地以25MHz频率共振。实际共振频率取决于所探测到的电容性负载,其可从下式求出:

在并联共振运行过程中,晶体阻抗为电感性,其可充当一个高质量电感器。另外,此频率时的动生电阻R1被转换成更高的有效串联电阻,其可从下式求出:

对于串联共振电路或者必须以额定Fs振荡的晶体,通常由振荡器电路自身提供振荡所需要的所有必要相移和环路增益,而不需要任何外部电容器。在此情况下,晶体自身可以帮助把振荡频率稳定到其能够单纯显示电阻性的位置。添加任何外部电容都会降低操作频率。值得注意的是,除了额定频率之外,串联与并联共振晶体之间实际上并无差异。如果在皮尔斯振荡器电路中采用串联共振晶体(其就是额定频率为Fs的晶体),则振荡频率会比额定频率高大约200ppm。换句话说就是,并联共振晶体额定值比串联共振频率高大约200ppm。实际频率可从式(7)求出。
至此,我们已经通过认识不同的功能块讨论了振荡的基本原理以及如何在晶体振荡器中进行实现。另外,我们还通过各种方程式详细探讨了相关内部架构与不同类型的共振频率。本系列文章的下一部分将会研究与晶体振荡器相关的各种参数及其在最终系统设计中的重要性。
【分页导航】
第1页:皮尔斯晶体振荡器,倒相放大器与反馈电阻器
第2页:石英晶体的基本细节(1)
第3页:石英晶体的基本细节(2)
【系列文章】
振荡器– 生成精确时钟源
晶体振荡器的原理与操作:第3部分——晶体振荡器–技术规范解读(1)
晶体振荡器的原理与操作:第4部分——晶体振荡器–技术规范解读(2)
《电子技术设计》网站版权所有,谢绝转载
振荡器 半导体 电路 放大器 电阻 集成电路 CMOS 电压 电流 电容 电子 电感 电容器 相关文章:
- 精密幅度稳定的低失真正弦波振荡器(03-01)
- 温补晶振补偿电压自动测试系统(05-17)
- 一种基于真随机数发生器的扩展频谱CMOS振荡器的设计(05-23)
- 间歇振荡器工作原理(09-11)
- 谐振器和振荡器的差异及优缺点的分析(01-09)
- 使用更小元件获得更快速响应(08-13)
