运放稳定性连载18:电容负载稳定性:输出引脚补偿(2)
时间:08-13
来源:互联网
点击:
CMOS RRO:输出引脚补偿
我们的CMOS RRO输出引脚补偿实例如图9.20所示。这种实际电源应用采用OPA569功率运算放大器作为可编程电源。为了在负载上提供精确的电源电压,可以采用一种差动放大器INA152对负载电压实施差动监控。闭环系统可以补偿任何从可编程电源到负载的正/负连接中的线路压降造成的损耗。OPA569上的电流限值设定为2A。在我们的实际应用中,这种电源具有灵活的配置,因此可以在差动放大器INA152的输出上提供多大达10nF电容。这样是否能够实现可编程电源的稳定运行?
图 9.20:可编程电源应用
我们在图9.21中详细说明了在我们的可编程电源应用中使用的IC的主要规格。
图9.21:可编程电源IC主要规格
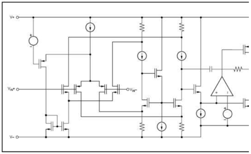
我们用于反馈的INA152差动放大器采用如图9.22所示的CMOS RRO拓扑。
图9.22:INA152差动放大器:CMOS RRO
我们采用图9.23中的TINA Spice电路检查可编程电源的稳定性。我们的DC输出由Vadjust设定到3.3V,同时应用一个较小的瞬态方形波检查过冲与振铃。
图9.23:瞬态稳定性测试:原始电路
图9.24中的瞬态稳定性测试结果显然不够理想。我们不希望在未经进一步稳定性补偿情况下投产这种电路。
图9.24:瞬态稳定性图:原始电路
图9.25中的TINA Spice电路用于检查原始电路中的不稳定性是否由INA152输出端的CX负载所引起。我们将采用瞬态稳定性测试进行快速检测。
图9.25:差动放大器反馈:原始电路
图9.26可以证明我们的推测,即:是CX造成了差动放大器INA152的不稳定性。
图9.26:瞬态图:差动放大器反馈,原始电路
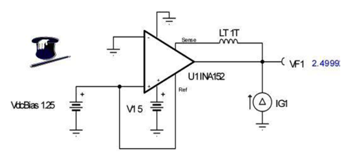
差动放大器由1个运算放大器以及4个精密比率匹配电阻器构成。这给我们的分析工作带来了挑战,因为我们无法直接接入内部运算放大器的 - 输入或 + 输入。在图9.27中我们可以看到差动放大器的等效示意图,同时可以看出测量Aol的明确方法。我们将采用LT断开任何相关AC频率的反馈,同时仍然保持准确的DC工作点(LT对于相关DC频率短路,对于相关AC频率开路)。通过把INA152的Ref引脚连接到VIN+引脚,我们可以创建一个非反相输入放大器。通过在Sense与VOA之间放置LT,我们可以理想地在任何相关AC频率驱动运算放大器进入开路状态。INA152运算放大器的内部节点VM可以在相关AC频率达到零点。VP只需作为VG1,然后我们可以轻松测出Aol = VOA/VG1。请注意:我们只要把VdcBias设定为1.25V以便在VOA产生2.5V DC,即可衡量DC工作点。
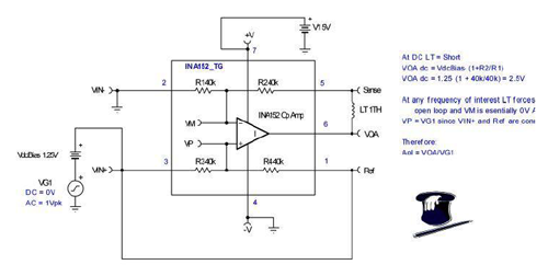
我们把图9.27的INA152 Aol测试电路概念转化成图9.28所示的TINA Spice 路。我们知道,用于INA152的TINA Spice宏模型是一种Bill Sands宏模型[参考:《模拟与RF模型》,( http://www.home.earthlink.net/%7Ewksands/ )],因此该宏模型可以精确匹配实际硅片。
图9.27:INA152 Aol测试电路概念
图9.28:TINA Spice INA152 Aol测试电路
图9.29说明了根据TINA Spice仿真获得的INA 152详细Aol曲线。请注意:Aol曲线中在1MHz时存在第二个极点,在基于Aol相位曲线的频率之外存在某些更高阶的极点,其在1MHz之外表现出比每十倍频程-45度更陡的斜率。
图 9.29:INA152 Aol TINA Spice结果
由于我们已知道INA152是一款CMOS RRO差动放大器,因此,除了Aol曲线,还需要Zo进行稳定性分析。在图9.30中建立一个Zo测试电路概念。与图9.28的Aol测试电路相似,我们可以利用所示的 LT 与电路连接强迫INA152的内部运算放大器在任何相关AC频率进入开路状态。我们现在将采用设为1Apk的AC电流电源驱动输出,同时直接根据VOA的电压测量Zo。
图 9.30:INA152 Zo测试电路概念
我们在图9.31中建立了TINA Spice INA152 Zo测试电路。快速DC分析表明我们可以得到INA152的正确DC工作点。最好在利用Spice进行AC分析之前先执行DC分析,以便确定电路在任何电源轨下都不饱和,电源轨可能会造成错误AC分析结果。
图 9.31:INA152 Zo TINA测试电路
图 9.32:INA152 TINA Zo曲线
图9.32的TINA Zo测试结果显示了Zo的典型CMOS RRO响应。我们可以看到在fz=76.17Hz时出现一个零点,在fp=4.05Hz时出现一个极点
图 9.33:INA152 Tina Ro测量
我们在图9.33中根据由TINA Spice创建的Zo曲线测量Ro。Ro = 1.45k欧姆。我们从测量的Zo图可以获得Ro、fz及fp。我们利用这些资料可以创建INA152的等效Zo模型,如图9.34所示。
图 9.34:INA152 Zo模型
我们可以利用TINA Spice仿真器快速检测等效Zo模型与实际INA152 Zo相比的准确性。等效Zo模型结果如图9.36所示,并与图9.35作了相关对比。由此可见,等效Zo模型非常接近,因此可以继续进行稳定性分析。
图 9.35:Zo等效模型与INA152 Zo对比
图 9.36:TINA图:INA152等效Zo模型
现在我们可利用Zo等效模型分析负载电容CL对INA152输出的影响。从Aol曲线中,我们可以看到在CL=10.98kHz 时造成的附加极点(如图9.37所示)。
图 9.37:计算Zo与CL造成的极点(fp2)
我们在图9.38中在INA152的等效Zo模型中添加CL(CL=10nF)。
图 9.38:用于分析fp2的TINA电路
从图9.39我们可以看出模拟结果中fp2位于11.01kHz,其非常接近我们预测的10.98kHz,因此可以继续分析。
图 9.39:Zo与CL=10nF时的fp2图
图 9.40:CL=10nF时,Aol修正曲线的TINA电路图
现在我们可以对CL=10nF的实际INA152进行TINA模拟,并使用图9.40的电路将其与预测响应进行对比。
我们的CMOS RRO输出引脚补偿实例如图9.20所示。这种实际电源应用采用OPA569功率运算放大器作为可编程电源。为了在负载上提供精确的电源电压,可以采用一种差动放大器INA152对负载电压实施差动监控。闭环系统可以补偿任何从可编程电源到负载的正/负连接中的线路压降造成的损耗。OPA569上的电流限值设定为2A。在我们的实际应用中,这种电源具有灵活的配置,因此可以在差动放大器INA152的输出上提供多大达10nF电容。这样是否能够实现可编程电源的稳定运行?
图 9.20:可编程电源应用
我们在图9.21中详细说明了在我们的可编程电源应用中使用的IC的主要规格。
图9.21:可编程电源IC主要规格
我们用于反馈的INA152差动放大器采用如图9.22所示的CMOS RRO拓扑。
图9.22:INA152差动放大器:CMOS RRO
我们采用图9.23中的TINA Spice电路检查可编程电源的稳定性。我们的DC输出由Vadjust设定到3.3V,同时应用一个较小的瞬态方形波检查过冲与振铃。
图9.23:瞬态稳定性测试:原始电路
图9.24中的瞬态稳定性测试结果显然不够理想。我们不希望在未经进一步稳定性补偿情况下投产这种电路。
图9.24:瞬态稳定性图:原始电路
图9.25中的TINA Spice电路用于检查原始电路中的不稳定性是否由INA152输出端的CX负载所引起。我们将采用瞬态稳定性测试进行快速检测。
图9.25:差动放大器反馈:原始电路
图9.26可以证明我们的推测,即:是CX造成了差动放大器INA152的不稳定性。
图9.26:瞬态图:差动放大器反馈,原始电路
差动放大器由1个运算放大器以及4个精密比率匹配电阻器构成。这给我们的分析工作带来了挑战,因为我们无法直接接入内部运算放大器的 - 输入或 + 输入。在图9.27中我们可以看到差动放大器的等效示意图,同时可以看出测量Aol的明确方法。我们将采用LT断开任何相关AC频率的反馈,同时仍然保持准确的DC工作点(LT对于相关DC频率短路,对于相关AC频率开路)。通过把INA152的Ref引脚连接到VIN+引脚,我们可以创建一个非反相输入放大器。通过在Sense与VOA之间放置LT,我们可以理想地在任何相关AC频率驱动运算放大器进入开路状态。INA152运算放大器的内部节点VM可以在相关AC频率达到零点。VP只需作为VG1,然后我们可以轻松测出Aol = VOA/VG1。请注意:我们只要把VdcBias设定为1.25V以便在VOA产生2.5V DC,即可衡量DC工作点。
我们把图9.27的INA152 Aol测试电路概念转化成图9.28所示的TINA Spice 路。我们知道,用于INA152的TINA Spice宏模型是一种Bill Sands宏模型[参考:《模拟与RF模型》,( http://www.home.earthlink.net/%7Ewksands/ )],因此该宏模型可以精确匹配实际硅片。
图9.27:INA152 Aol测试电路概念
图9.28:TINA Spice INA152 Aol测试电路
图9.29说明了根据TINA Spice仿真获得的INA 152详细Aol曲线。请注意:Aol曲线中在1MHz时存在第二个极点,在基于Aol相位曲线的频率之外存在某些更高阶的极点,其在1MHz之外表现出比每十倍频程-45度更陡的斜率。
图 9.29:INA152 Aol TINA Spice结果
由于我们已知道INA152是一款CMOS RRO差动放大器,因此,除了Aol曲线,还需要Zo进行稳定性分析。在图9.30中建立一个Zo测试电路概念。与图9.28的Aol测试电路相似,我们可以利用所示的 LT 与电路连接强迫INA152的内部运算放大器在任何相关AC频率进入开路状态。我们现在将采用设为1Apk的AC电流电源驱动输出,同时直接根据VOA的电压测量Zo。
图 9.30:INA152 Zo测试电路概念
我们在图9.31中建立了TINA Spice INA152 Zo测试电路。快速DC分析表明我们可以得到INA152的正确DC工作点。最好在利用Spice进行AC分析之前先执行DC分析,以便确定电路在任何电源轨下都不饱和,电源轨可能会造成错误AC分析结果。
图 9.31:INA152 Zo TINA测试电路
图 9.32:INA152 TINA Zo曲线
图9.32的TINA Zo测试结果显示了Zo的典型CMOS RRO响应。我们可以看到在fz=76.17Hz时出现一个零点,在fp=4.05Hz时出现一个极点
图 9.33:INA152 Tina Ro测量
我们在图9.33中根据由TINA Spice创建的Zo曲线测量Ro。Ro = 1.45k欧姆。我们从测量的Zo图可以获得Ro、fz及fp。我们利用这些资料可以创建INA152的等效Zo模型,如图9.34所示。
图 9.34:INA152 Zo模型
我们可以利用TINA Spice仿真器快速检测等效Zo模型与实际INA152 Zo相比的准确性。等效Zo模型结果如图9.36所示,并与图9.35作了相关对比。由此可见,等效Zo模型非常接近,因此可以继续进行稳定性分析。
图 9.35:Zo等效模型与INA152 Zo对比
图 9.36:TINA图:INA152等效Zo模型
现在我们可利用Zo等效模型分析负载电容CL对INA152输出的影响。从Aol曲线中,我们可以看到在CL=10.98kHz 时造成的附加极点(如图9.37所示)。
图 9.37:计算Zo与CL造成的极点(fp2)
我们在图9.38中在INA152的等效Zo模型中添加CL(CL=10nF)。
图 9.38:用于分析fp2的TINA电路
从图9.39我们可以看出模拟结果中fp2位于11.01kHz,其非常接近我们预测的10.98kHz,因此可以继续分析。
图 9.39:Zo与CL=10nF时的fp2图
图 9.40:CL=10nF时,Aol修正曲线的TINA电路图
现在我们可以对CL=10nF的实际INA152进行TINA模拟,并使用图9.40的电路将其与预测响应进行对比。
CMOS 放大器 电压 电流 电容 电路 运算放大器 电阻 仿真 电路图 相关文章:
- 德州仪器高性能模拟运放产品系列介绍集锦(11-13)
- CMOS求和比较器在PWM开关电源控制中的应用(11-27)
- 如何将CMOS LDO应用于便携式产品中(01-15)
- 2.5 Gb/s 0.35μmCMOS光接收机前置放大器设计(01-22)
- 用于下一代移动电话的电源管理划分(08-28)
- 不同电源供电的器件间的桥接(04-27)
