串行ADMAX1241及串行DAMAX539的应用
时间:10-28
来源:互联网
点击:
芯片介绍
MAX1241是低功耗,12位串行模数转换器,共有8个管脚,工作电压为+2.7~+5.5V,连续AD转换时间为7.5μs,跟踪时间为1.5μs,片上自备时钟及采样保持电路。在芯片以73ksps最大采样速率工作时,消耗功率仅为37mw(Vdd=3V)。关闭模式也可以降低功耗,但这时传输速率也会降低。
MAX1241需要一个外部参考电压,参考电压输入范围一般为0~2.5V,MAX1241能接收的电压范围为0~2.5V,输入电压过大会烧掉芯片,一般不应超过3V。
MAX1241具有一个3线连续接口,直接与微控制器的I/O口相连,并与SPI和MICROWIRE接口相兼容。SPI接口是一种三线制接口,这三线分别是片选线CS,数据线DOUT,时钟信号线SCLK。SCLK的下降沿输出数据,数据位为先高后低依次出现。MAX1241内部结构如图1所示。

当把MAX1241的模式控制端SHDN置低时,芯片处于关闭模式或称休眠模式,此时工作电流低于15μA,置高后,它能在4μs内从休眠状态转到工作状态。如不使用,可以接高电平或悬空。
转化过程
在开始加电20ms内不要有任何转换工作。将CS置低电平后,开始转化。在CS的下降沿,采样保持电路进入保持状态,而且转化正式开始,经过一段内部转化时间后,转化结束的标志是Dout信号置高。数据然后能在外部时钟的作用下依次送出。
操作过程
● 使用CPU上的一个通用I/O接口去拉低CS,保持SCLK低电平。
● 等待最大转换时间或查询DOUT是否为高电平来决定转换是否结束。
● 转换结束后,在SCLK的下降沿开始DOUT数据输出。
● 在第13个脉冲将CS置高,如果CS继续保持低电平,以下输出数据为0。
● 在开始一次新的转换之前,等待最小规定时间tcs,这期间CS应为高电平。如果在转换过程中通过拉高CS来放弃转换,在开始一段新的转换之前,也要等待一段时间(tacq)。CS必须在所有数据转换结束前一直保持低电平。
MAX1241的典型应用电路如图2所示。

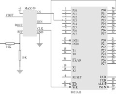
MAX539是12位串行DA转换芯片,其使用方法与MAX1241大致相同,接口标准也符合SPI总线标准,MAX539的内部增益为2,因此其输入与输出的关系如下表所示,应用电路如图3所示。

MAX1241是低功耗,12位串行模数转换器,共有8个管脚,工作电压为+2.7~+5.5V,连续AD转换时间为7.5μs,跟踪时间为1.5μs,片上自备时钟及采样保持电路。在芯片以73ksps最大采样速率工作时,消耗功率仅为37mw(Vdd=3V)。关闭模式也可以降低功耗,但这时传输速率也会降低。
MAX1241需要一个外部参考电压,参考电压输入范围一般为0~2.5V,MAX1241能接收的电压范围为0~2.5V,输入电压过大会烧掉芯片,一般不应超过3V。
MAX1241具有一个3线连续接口,直接与微控制器的I/O口相连,并与SPI和MICROWIRE接口相兼容。SPI接口是一种三线制接口,这三线分别是片选线CS,数据线DOUT,时钟信号线SCLK。SCLK的下降沿输出数据,数据位为先高后低依次出现。MAX1241内部结构如图1所示。

当把MAX1241的模式控制端SHDN置低时,芯片处于关闭模式或称休眠模式,此时工作电流低于15μA,置高后,它能在4μs内从休眠状态转到工作状态。如不使用,可以接高电平或悬空。
转化过程
在开始加电20ms内不要有任何转换工作。将CS置低电平后,开始转化。在CS的下降沿,采样保持电路进入保持状态,而且转化正式开始,经过一段内部转化时间后,转化结束的标志是Dout信号置高。数据然后能在外部时钟的作用下依次送出。
操作过程
● 使用CPU上的一个通用I/O接口去拉低CS,保持SCLK低电平。
● 等待最大转换时间或查询DOUT是否为高电平来决定转换是否结束。
● 转换结束后,在SCLK的下降沿开始DOUT数据输出。
● 在第13个脉冲将CS置高,如果CS继续保持低电平,以下输出数据为0。
● 在开始一次新的转换之前,等待最小规定时间tcs,这期间CS应为高电平。如果在转换过程中通过拉高CS来放弃转换,在开始一段新的转换之前,也要等待一段时间(tacq)。CS必须在所有数据转换结束前一直保持低电平。
MAX1241的典型应用电路如图2所示。

MAX539是12位串行DA转换芯片,其使用方法与MAX1241大致相同,接口标准也符合SPI总线标准,MAX539的内部增益为2,因此其输入与输出的关系如下表所示,应用电路如图3所示。

- 选择最佳的电压基准源(11-29)
- 对电压参考进行滤波以获得低噪声性能(01-16)
- 可编程快速充电管理芯片MAX712/ MAX713及其应用(01-23)
- 改进型全桥移相ZVS-PWMDC/DC变换器(01-23)
- 负输出罗氏变换器实用性剖析(01-09)
- 通信电源设备对杂音电压的控制要求(02-13)
