ADSL模拟前端中高速运算放大器的应用
时间:10-28
来源:互联网
点击:
随着上网的人数的迅速增长,传统调制解调器、ISDN提供的低速和易断线的窄带上网方式开始逐渐遭到用户的摈弃。在各种各样的宽带连网方案中,ADSL受到了广大网民的青睐。但是,如何选择理想的ADSL调制解调器解决方案,是设计工程师所面临的新挑战。
针对这种现状,本文介绍采用LMH6643满摆幅输出芯片、LMH6672线路驱动器及LMH6622低噪声运算放大器组合实现的方案,该方案具有能充分发挥ADSL基带数字信号处理器性能的优点。结构框图参见图1所示。

图中数字模拟转换器的输出端可采用在LMH6643芯片中的一对放大器作为差分缓冲放大器,提供LMH6643与LMH6672之间的低通滤波器的阻抗匹配、绝缘及驱动。图 2 的电路图显示所采用的SPICE模型。图中的反相缓冲放大器的电压增益定义为 -RB1+/RB2+和-RB1/RB2。

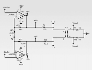
LMH6672用作上行线路驱动器
由于LMH6672芯片只需一个电源供电便可输出极高的驱动电流,而且失真率低,因此可以用作上行DSL线路驱动器。LMH6672芯片用作差分输出驱动器时,可以驱动50Ω负载,达到 16.8Vpp的摆幅,失真率只有-93dBc,可支持最高的上行功率,确保ADSL线路支持最高的传输率。图3是典型的线路驱动器电路图,图中的线路驱动器通过匝数比为1:2的变压器,可驱动100Ω的双绞线电缆。这个非反相驱动放大器的电压增益由公式(1)或(2)确定。
1 + 2×RF+/RG (1)
1 + 2×RF-/RG (2)
图中采用电容CG,将直流增益设定为1V/V。

LMH6622用作下行低噪声前置放大器
由于LMH6622的噪声及失真率较低,因此可用作下行链路的低噪声前置放大器。低噪声及低失真率这两个优点可确保接收通路具有很高的动态范围,以满足 ADSL标准有关线性度及噪声的严格规定。图4的LMH6622芯片可以实现反相加法放大器的功能,以便提供接收前置放大器通道增益,并消除驱动器的回波信号。为了消除接收通道上的驱动器回波信号的干扰,R1+必须设定为2×R2+,而 R1-也必须设定为 2×R2-。实际应用中,由于信号匹配并不理想,因此混合抑制约为12dB。在仿真时可以改变电阻值,以便测试出接收电路的真正性能。

在提供这些设计芯片的基础上,美国国家半导体公司还提供了一个可上网查阅的数据库。很显然,若从零开始设计运算放大器的SPICE模型以供仿真的过程不仅很困难而且费时,所以,该公司专门设立了OrCAD Capture数据库以及PSPICE模型数据库,储存有关采用先进 VIP10工艺技术制造的高速运算放大器的资料,其中包括 LMH 系列高速运算放大器的性能表现模型及运算放大器的电路图符号。
针对这种现状,本文介绍采用LMH6643满摆幅输出芯片、LMH6672线路驱动器及LMH6622低噪声运算放大器组合实现的方案,该方案具有能充分发挥ADSL基带数字信号处理器性能的优点。结构框图参见图1所示。

图中数字模拟转换器的输出端可采用在LMH6643芯片中的一对放大器作为差分缓冲放大器,提供LMH6643与LMH6672之间的低通滤波器的阻抗匹配、绝缘及驱动。图 2 的电路图显示所采用的SPICE模型。图中的反相缓冲放大器的电压增益定义为 -RB1+/RB2+和-RB1/RB2。

LMH6672用作上行线路驱动器
由于LMH6672芯片只需一个电源供电便可输出极高的驱动电流,而且失真率低,因此可以用作上行DSL线路驱动器。LMH6672芯片用作差分输出驱动器时,可以驱动50Ω负载,达到 16.8Vpp的摆幅,失真率只有-93dBc,可支持最高的上行功率,确保ADSL线路支持最高的传输率。图3是典型的线路驱动器电路图,图中的线路驱动器通过匝数比为1:2的变压器,可驱动100Ω的双绞线电缆。这个非反相驱动放大器的电压增益由公式(1)或(2)确定。
1 + 2×RF+/RG (1)
1 + 2×RF-/RG (2)
图中采用电容CG,将直流增益设定为1V/V。

LMH6622用作下行低噪声前置放大器
由于LMH6622的噪声及失真率较低,因此可用作下行链路的低噪声前置放大器。低噪声及低失真率这两个优点可确保接收通路具有很高的动态范围,以满足 ADSL标准有关线性度及噪声的严格规定。图4的LMH6622芯片可以实现反相加法放大器的功能,以便提供接收前置放大器通道增益,并消除驱动器的回波信号。为了消除接收通道上的驱动器回波信号的干扰,R1+必须设定为2×R2+,而 R1-也必须设定为 2×R2-。实际应用中,由于信号匹配并不理想,因此混合抑制约为12dB。在仿真时可以改变电阻值,以便测试出接收电路的真正性能。

在提供这些设计芯片的基础上,美国国家半导体公司还提供了一个可上网查阅的数据库。很显然,若从零开始设计运算放大器的SPICE模型以供仿真的过程不仅很困难而且费时,所以,该公司专门设立了OrCAD Capture数据库以及PSPICE模型数据库,储存有关采用先进 VIP10工艺技术制造的高速运算放大器的资料,其中包括 LMH 系列高速运算放大器的性能表现模型及运算放大器的电路图符号。
放大器 滤波器 电路图 PIC 电压 电流 电路 变压器 电容 仿真 电阻 半导体 运算放大器 相关文章:
- 使用简化电路的高压放大器(11-21)
- 无需调谐的“砖墙式”低通音频滤波器(11-20)
- 对数放大器的技术指标(11-26)
- 一种增大放大器增益的方法(11-28)
- 对数放大器的典型应用 (11-26)
- AGC中频放大器的设计 (11-29)
