精密差分输出仪表放大器解析
时间:10-26
来源:互联网
点击:
采用最先进技术的模数转换器(ADC)能够接受差分输入信号,从而允许将来自传感器的整个信号路径以差分信号的形式传送给ADC。这种方法提供了显著的性能优势,因为差分信号增加了动态范围,减小了交流声,并且消除了对地噪声。

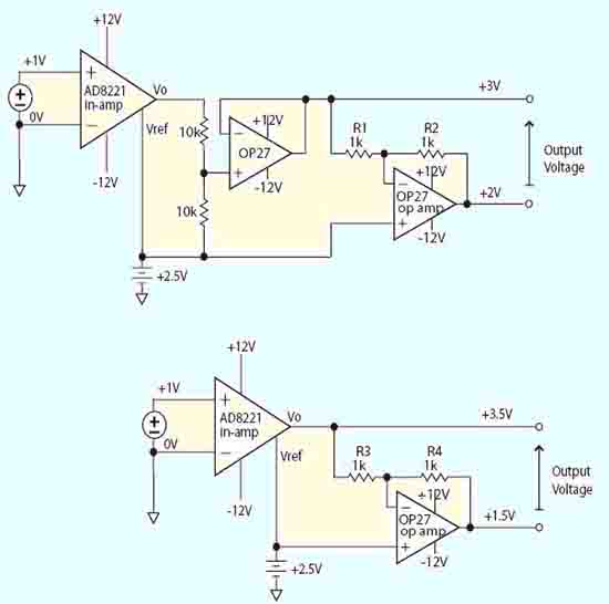
图1a和1b所示的是两种常见的差分输出仪表放大器电路。前者提供单位增益,后者提供了2倍增益。但是,与单端输出的仪表放大器相比,这两种电路都会受到增加噪声、失调误差、失调漂移、增益误差和增益漂移的影响。
图1a,1b:设计差分输出仪表放大器的通用方法。上部电路保持增益,下部电路将增益加倍。
In-amp=仪表放大器
Output Voltage=输出电压
op amp=运算放大器

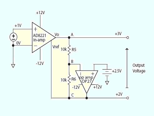
图2所示是一个没有上述缺陷的差分输出仪表放大器原理图。这种设计充分利用了这样的特性,仪表放大器的输出实际上是其输出引脚(Vo)与参考引脚(Vref)之间的差。这里的应用是在两个引脚之间加入了一个增益为-1的反相器。
图2:设计差分输出仪表放大器新的改进方法。保持了增益,且不会在输出信号中增加失调、漂移或噪声。
n-amp=仪表放大器
Output Voltage=输出电压
op amp=运算放大器
输入电压是V时,输出电压(Vo–Vref)也应该等于V。参考引脚的电压与输出引脚的电压极性相反。为了满足(Vo-Vref)=V,输出必须为Vo=Vin/2,Vref=-Vin/2。通过向运算放大器的同相端输入端施加+2.5V信号来设置其共模输出电平。运放在节点B产生+2.5V电压。从而,如果对输入端施加+1V电压,那么节点A产生+3V电压,并且节点C则为+2V,因此,输出为+1/2V以上和+2.5V以下。(Vo-Vref)的误差仅是由仪表放大器引起的。由反相放大器和电阻器引起的误差诸如失调电压、噪声和增益误差对两个输出端的影响同相,因此它们仅对共模输出有贡献,会被ADC抑制掉。

图3是一张性能波形图,上面的波形是一个2Vp-p 1kHz输入。下面是两个输出波形。输出共模电压为+2.5V。图4示出的是差分输出信号的谱密度性能图。
图3:2Vp-p, 1kHz输出信号(上部)。1Vp-p 1kHz差分输出信号(下部)。输出共模电压为+2.5V。

图4:差分输出信号谱分析。仪表放大器的输入信号为2Vp-p, 1kHz。

图1a和1b所示的是两种常见的差分输出仪表放大器电路。前者提供单位增益,后者提供了2倍增益。但是,与单端输出的仪表放大器相比,这两种电路都会受到增加噪声、失调误差、失调漂移、增益误差和增益漂移的影响。
图1a,1b:设计差分输出仪表放大器的通用方法。上部电路保持增益,下部电路将增益加倍。
In-amp=仪表放大器
Output Voltage=输出电压
op amp=运算放大器

图2所示是一个没有上述缺陷的差分输出仪表放大器原理图。这种设计充分利用了这样的特性,仪表放大器的输出实际上是其输出引脚(Vo)与参考引脚(Vref)之间的差。这里的应用是在两个引脚之间加入了一个增益为-1的反相器。
图2:设计差分输出仪表放大器新的改进方法。保持了增益,且不会在输出信号中增加失调、漂移或噪声。
n-amp=仪表放大器
Output Voltage=输出电压
op amp=运算放大器
输入电压是V时,输出电压(Vo–Vref)也应该等于V。参考引脚的电压与输出引脚的电压极性相反。为了满足(Vo-Vref)=V,输出必须为Vo=Vin/2,Vref=-Vin/2。通过向运算放大器的同相端输入端施加+2.5V信号来设置其共模输出电平。运放在节点B产生+2.5V电压。从而,如果对输入端施加+1V电压,那么节点A产生+3V电压,并且节点C则为+2V,因此,输出为+1/2V以上和+2.5V以下。(Vo-Vref)的误差仅是由仪表放大器引起的。由反相放大器和电阻器引起的误差诸如失调电压、噪声和增益误差对两个输出端的影响同相,因此它们仅对共模输出有贡献,会被ADC抑制掉。

图3是一张性能波形图,上面的波形是一个2Vp-p 1kHz输入。下面是两个输出波形。输出共模电压为+2.5V。图4示出的是差分输出信号的谱密度性能图。
图3:2Vp-p, 1kHz输出信号(上部)。1Vp-p 1kHz差分输出信号(下部)。输出共模电压为+2.5V。

图4:差分输出信号谱分析。仪表放大器的输入信号为2Vp-p, 1kHz。
ADC 传感器 放大器 电路 电压 运算放大器 电阻 相关文章:
- 12位串行A/D转换器MAX187的应用(10-06)
- 低功耗、3V工作电压、精度0.05% 的A/D变换器(10-09)
- 12位串行A/D转换器的原理及应用开发(10-09)
- 在射击探测器中增加口径确定功能的简单电路(11-13)
- 一种折叠共源共栅运算放大器的设计(11-20)
- 深入解析:模拟前端模/数转换器的三种类型 (11-26)
