可编程增益放大器MCP6S2X在多路信号采集中的应用
时间:10-24
来源:互联网
点击:
在实际的电路应用中,模拟信号的采集是一个重要环节。工业控制一般需要采集各种现场参数(如温度、压力、流量等),并对这些参数进行处理。往往比较难处理的是信号采集部分。随着微电子技术的发展,数字信号的处理无论从精度和速度上来说,都在不断提高。剩下的问题是如何方便地将模拟数据采集到微处理器中。

在许多嵌入式设计中,微控制器或者数字信号处理器需要处理若干个模拟信号才能完成一种控制功能或者一系列控制任务。这些模拟信号往往需要先经过某种处理(例如滤波、缓冲、或者放大),然后处理器才能精确地对它们进行转换,至少要把信号放大到系统能够使用的电平。因此,选择合适的元器件将会对电路的设计起到事半功倍的作用。
Microchip Technology公司推出的可编程增益放大器(Programmable Gain Amplifier, PGA)已将放大器、MUX和利用SPI总线选择的增益控制器整合在了一起,从而可以协助用户有效地提升系统的数码仿真控制效能。新器件专供各种工业和仪器市场以及信号和传感处理领域使用。新款MCP6S2x系列器件除可提供放大器功能外,还可为系统设计提供数码控制效能,用户可在SPI总线上对系统进行编程,并可通过有效控制增益和选择输入信道来得到更大的设计灵活性。此外,由于PGA不需要反馈和输入电阻,因此,还可大幅减低成本并节省机板空间。
1 MCP6S2X芯片的功能和参数

Microchip Technology公司的MCP6S21/2/6/8 是模拟增益可编程运放(PGA)芯片。该芯片的增益可设置为+1~+32V/V,而且具有输入通道选择功能, 可通过SPI总线选择增益水平和输入信道,以扩大微控制器的仿真输入范围,同时可减少对输入/输出管脚数量的需求,从而降低微控制器的成本。此外,单一信号路径的多重信道还可协助系统进行仿真信号路径的校准,以提高时间和温度的准确度。该器件宽广的频带特别适用于以较低电流运行的放大器,并可减少产品对电源功率的需求。
1.1 芯片引脚定义
新款MCP6S21和MCP6S22具有8脚PDIP、SOIC和MSOP封装,MCP6S26采用14管脚PDIP、SOIC和TSSOP封装,MCP6S28则采用16管脚PDIP、SOIC和TSSOP封装。它们的引脚排列如图1所示,表1所列是其引脚功能。
表1 MCP6S2X系列芯片引脚定义(MCP6S28为例)
管 脚 名
作 用
VOUT
模拟输出
CH0~CH7
模拟输入
VSS
电源负端
VDD
电源正端
SCK
SPI时钟输入
SI
SPI串行数据输入
SO
SPI串行数据输出
CS
SPI片选
VREF
外部参考电压
1.2 特性参数
●输入通道数: 1、2、6或8个通道可选;
●频宽:2MHz~12MHz;
●有8种增益选择,分别为:+1,+2,+4,+5,+8,+10,+16或+32V/V;
●TDH+N:0.0012%;
●带有串行外围设备接口(SPI);
●增益误差低:%26;#177;1%(最大);
●偏移低:%26;#177;275μV(最大);
●带宽:2~12MHz(典型);
●噪音低:10nV/rtHz(典型);
●电源电流低:1.0mA(典型);
●偏置电压低:275μV(典型);
●稳定时间:200ns;
●单电源供电电压:2.5V~5.5V;
●工作温度范围:-40~85℃。

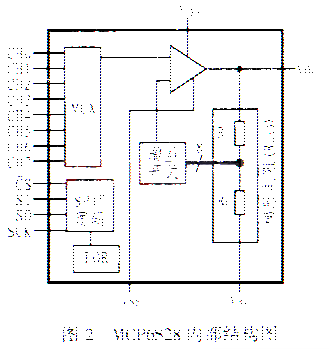
2 工作原理
MCP6S28芯片的内部结构图(其它类似)如图2所示。由图可见,MCP6S2X芯片内部由一些简单的功能模块构成,可共同完成多路选择、可变增益调节等功能。MCP6S2X具有多路选择输入(MUX)模块,共有八路输入,可由软件设置通道选择。不用的输入引脚应悬空,以使输入电流最小。当然,接VDD或VSS时,芯片也能正常工作?但输入电流会变大。
内部运放部分主要由运放、增益转换器、梯形电阻(RLAD=RF+RG)等组成,可完成信号的放大和带宽选择,提高输出电压的精确性。

SPI逻辑控制部分主要提供片选信号、同步时钟、串行输入输出、上电复位、控制指令和数据读写以完成通路选择和增益控制等功能。上电复位电路POR(Power-On Reset)的功能是:当电源电压低于POR的限定电压时?VDD<VPOR≈1.7V ,使内部POR电路复位所有的内部寄存器,并使芯片运行在关机模式下。当VDD大于VPOR时,POR又使芯片恢复正常。另外,用MCP6S26、MCP6S28还可以实现多个芯片的连接,其连接形式为串行接口方式。多片连接时,前一个芯片的SO引脚应连到后一个芯片的SI引脚,依此类推,它们可共用SCK和CS引脚。
3 几种多路采集电路的比较
在传统的电路设计中,每个模拟信号需用一个运算放大器进行电压调节和阻抗匹配,然后送到处理电路(参见图3)。这样,在处理4路模拟信号的传统设计中,最少需要4个运算放大器、8个电阻、并需占用处理器4个I/O引脚(片内含采样保持A/D转换)。
为了克服传统设计的缺点,可采用多路复用方式,这是目前最常用的方式。但应注意,很多信号并不需要连续不断地测量,所以可使用非同时进行采样的方案。在需要使用高性能运算放大器的设计中,如果采用非同时进行采样的方案,则可用一个运算放大器,然后在它前面接一个多路复用器(MUX),再通过它把几路模拟信号接到一个共用的放大器上。这样,多路复用器就会按照处理要求,把各路模拟信号接到运放上去。其实现方案如图4所示。
使用多路复用器可以减轻传统系统设计中存在的问题。它可将占用的处理器I/O减少到一个,所有需要放大的信号只需要用一只高性能的运算放大器即可。
该方案由于减少了元件的数量,因此所需要的电流以及在电路板上占用的空间也减少了。但同时,该方案也需要增加某些元件的成本和数量。有些比较新的器件看起来较为经济有效,但是控制起来并不容易,所以并不适合现代嵌入式控制系统使用。为了控制增益或选择信号,这些器件在接到处理器上时,同样需要使用较多的I/O引脚。因此,这种系统所用器件比较多,不利于进一步提高集成度,而且易受干扰。

对于上述情况,若使用一只MCP6S2X增益可编程放大器,那么前面讲到的处理多路模拟信号的系统所存在的问题便迎刃而解了。处理器上的SPI端口可用来把命令送到MCP6S28增益可编程放大器上,以便选择把哪一路信号接到处理器,同时也可以改变放大器的增益。这样,就有可能改变每一路信号的增益,而且可以在处理信号的同时改变增益。如果系统发现信号太弱,处理器就可以增大这个信号的增益。当信号达到较高的电平时,处理器则可以降低增益。图5是采用MCP6S2x系列器件进行设计的方案示意图。
4 应用电路
图6为MCP6S2X系列芯片的应用硬件连接图?笔者在设计“工艺对象仿真装置”数据采集板时?项目要求对加热炉对象进行仿真?该对象为多输入多输出对象,它不仅需要输入温度、压力等参数,也要有扰动信号(随机干扰和确定性干扰)。该对象的多个输入参数被采集到单片机中后,单片机将根据该对象的传递函数进行处理或通过串口将数据传到计算机中进行处理?并最后输出仿真结果。
本设计采用6通道的MCP6S26来进行,因为AT89C52单片机没有三线制串行总线接口,所以,在它与MCP6S26通过三线制串行总线连接时,应使用软件模拟三线制串行总线来操作,包括串行时钟、数据输入和数据输出。因此,可用P1.7来模拟片选端CS,P1.4模拟时钟输入端SCK,P1.6模拟数据输入端SI,P1.5模拟数据输出端SO。为节约单片机的I/O口,设计中还选用了串行总线(I2C总线)A/D转换芯片TLC0832。

对MCP6S26进行操作的控制字节和数据字节均从SI引脚输入,并在写入数据的串行时钟(SCK)上升沿被锁存。从芯片读取的数据则从SO引脚串行移出,并在串行时钟的下降沿输出。整个数据交换期间,CS必须保持低电平。
5 结论
MCP6S2X增益可编程放大器特别适用于多路信号采集电路的设计,因而可广泛应用于A/D转换驱动控制、数据采集、测试设备、多路传输模拟应用、工业以及医疗仪器等方面。由于处理器是通过软件对模拟信号电路进行控制,所以其适应性和灵活性很高。采用MCP6S2X增益可编程放大器时,原来需要较多元件的设计现在仅需一个元件即可,因此可以大大简化以前复杂的电路设计,提高工作效率。

在许多嵌入式设计中,微控制器或者数字信号处理器需要处理若干个模拟信号才能完成一种控制功能或者一系列控制任务。这些模拟信号往往需要先经过某种处理(例如滤波、缓冲、或者放大),然后处理器才能精确地对它们进行转换,至少要把信号放大到系统能够使用的电平。因此,选择合适的元器件将会对电路的设计起到事半功倍的作用。
Microchip Technology公司推出的可编程增益放大器(Programmable Gain Amplifier, PGA)已将放大器、MUX和利用SPI总线选择的增益控制器整合在了一起,从而可以协助用户有效地提升系统的数码仿真控制效能。新器件专供各种工业和仪器市场以及信号和传感处理领域使用。新款MCP6S2x系列器件除可提供放大器功能外,还可为系统设计提供数码控制效能,用户可在SPI总线上对系统进行编程,并可通过有效控制增益和选择输入信道来得到更大的设计灵活性。此外,由于PGA不需要反馈和输入电阻,因此,还可大幅减低成本并节省机板空间。
1 MCP6S2X芯片的功能和参数

Microchip Technology公司的MCP6S21/2/6/8 是模拟增益可编程运放(PGA)芯片。该芯片的增益可设置为+1~+32V/V,而且具有输入通道选择功能, 可通过SPI总线选择增益水平和输入信道,以扩大微控制器的仿真输入范围,同时可减少对输入/输出管脚数量的需求,从而降低微控制器的成本。此外,单一信号路径的多重信道还可协助系统进行仿真信号路径的校准,以提高时间和温度的准确度。该器件宽广的频带特别适用于以较低电流运行的放大器,并可减少产品对电源功率的需求。
1.1 芯片引脚定义
新款MCP6S21和MCP6S22具有8脚PDIP、SOIC和MSOP封装,MCP6S26采用14管脚PDIP、SOIC和TSSOP封装,MCP6S28则采用16管脚PDIP、SOIC和TSSOP封装。它们的引脚排列如图1所示,表1所列是其引脚功能。
表1 MCP6S2X系列芯片引脚定义(MCP6S28为例)
管 脚 名
作 用
VOUT
模拟输出
CH0~CH7
模拟输入
VSS
电源负端
VDD
电源正端
SCK
SPI时钟输入
SI
SPI串行数据输入
SO
SPI串行数据输出
CS
SPI片选
VREF
外部参考电压
1.2 特性参数
●输入通道数: 1、2、6或8个通道可选;
●频宽:2MHz~12MHz;
●有8种增益选择,分别为:+1,+2,+4,+5,+8,+10,+16或+32V/V;
●TDH+N:0.0012%;
●带有串行外围设备接口(SPI);
●增益误差低:%26;#177;1%(最大);
●偏移低:%26;#177;275μV(最大);
●带宽:2~12MHz(典型);
●噪音低:10nV/rtHz(典型);
●电源电流低:1.0mA(典型);
●偏置电压低:275μV(典型);
●稳定时间:200ns;
●单电源供电电压:2.5V~5.5V;
●工作温度范围:-40~85℃。

2 工作原理
MCP6S28芯片的内部结构图(其它类似)如图2所示。由图可见,MCP6S2X芯片内部由一些简单的功能模块构成,可共同完成多路选择、可变增益调节等功能。MCP6S2X具有多路选择输入(MUX)模块,共有八路输入,可由软件设置通道选择。不用的输入引脚应悬空,以使输入电流最小。当然,接VDD或VSS时,芯片也能正常工作?但输入电流会变大。
内部运放部分主要由运放、增益转换器、梯形电阻(RLAD=RF+RG)等组成,可完成信号的放大和带宽选择,提高输出电压的精确性。

SPI逻辑控制部分主要提供片选信号、同步时钟、串行输入输出、上电复位、控制指令和数据读写以完成通路选择和增益控制等功能。上电复位电路POR(Power-On Reset)的功能是:当电源电压低于POR的限定电压时?VDD<VPOR≈1.7V ,使内部POR电路复位所有的内部寄存器,并使芯片运行在关机模式下。当VDD大于VPOR时,POR又使芯片恢复正常。另外,用MCP6S26、MCP6S28还可以实现多个芯片的连接,其连接形式为串行接口方式。多片连接时,前一个芯片的SO引脚应连到后一个芯片的SI引脚,依此类推,它们可共用SCK和CS引脚。
3 几种多路采集电路的比较
在传统的电路设计中,每个模拟信号需用一个运算放大器进行电压调节和阻抗匹配,然后送到处理电路(参见图3)。这样,在处理4路模拟信号的传统设计中,最少需要4个运算放大器、8个电阻、并需占用处理器4个I/O引脚(片内含采样保持A/D转换)。
为了克服传统设计的缺点,可采用多路复用方式,这是目前最常用的方式。但应注意,很多信号并不需要连续不断地测量,所以可使用非同时进行采样的方案。在需要使用高性能运算放大器的设计中,如果采用非同时进行采样的方案,则可用一个运算放大器,然后在它前面接一个多路复用器(MUX),再通过它把几路模拟信号接到一个共用的放大器上。这样,多路复用器就会按照处理要求,把各路模拟信号接到运放上去。其实现方案如图4所示。
使用多路复用器可以减轻传统系统设计中存在的问题。它可将占用的处理器I/O减少到一个,所有需要放大的信号只需要用一只高性能的运算放大器即可。
该方案由于减少了元件的数量,因此所需要的电流以及在电路板上占用的空间也减少了。但同时,该方案也需要增加某些元件的成本和数量。有些比较新的器件看起来较为经济有效,但是控制起来并不容易,所以并不适合现代嵌入式控制系统使用。为了控制增益或选择信号,这些器件在接到处理器上时,同样需要使用较多的I/O引脚。因此,这种系统所用器件比较多,不利于进一步提高集成度,而且易受干扰。

对于上述情况,若使用一只MCP6S2X增益可编程放大器,那么前面讲到的处理多路模拟信号的系统所存在的问题便迎刃而解了。处理器上的SPI端口可用来把命令送到MCP6S28增益可编程放大器上,以便选择把哪一路信号接到处理器,同时也可以改变放大器的增益。这样,就有可能改变每一路信号的增益,而且可以在处理信号的同时改变增益。如果系统发现信号太弱,处理器就可以增大这个信号的增益。当信号达到较高的电平时,处理器则可以降低增益。图5是采用MCP6S2x系列器件进行设计的方案示意图。
4 应用电路
图6为MCP6S2X系列芯片的应用硬件连接图?笔者在设计“工艺对象仿真装置”数据采集板时?项目要求对加热炉对象进行仿真?该对象为多输入多输出对象,它不仅需要输入温度、压力等参数,也要有扰动信号(随机干扰和确定性干扰)。该对象的多个输入参数被采集到单片机中后,单片机将根据该对象的传递函数进行处理或通过串口将数据传到计算机中进行处理?并最后输出仿真结果。
本设计采用6通道的MCP6S26来进行,因为AT89C52单片机没有三线制串行总线接口,所以,在它与MCP6S26通过三线制串行总线连接时,应使用软件模拟三线制串行总线来操作,包括串行时钟、数据输入和数据输出。因此,可用P1.7来模拟片选端CS,P1.4模拟时钟输入端SCK,P1.6模拟数据输入端SI,P1.5模拟数据输出端SO。为节约单片机的I/O口,设计中还选用了串行总线(I2C总线)A/D转换芯片TLC0832。

对MCP6S26进行操作的控制字节和数据字节均从SI引脚输入,并在写入数据的串行时钟(SCK)上升沿被锁存。从芯片读取的数据则从SO引脚串行移出,并在串行时钟的下降沿输出。整个数据交换期间,CS必须保持低电平。
5 结论
MCP6S2X增益可编程放大器特别适用于多路信号采集电路的设计,因而可广泛应用于A/D转换驱动控制、数据采集、测试设备、多路传输模拟应用、工业以及医疗仪器等方面。由于处理器是通过软件对模拟信号电路进行控制,所以其适应性和灵活性很高。采用MCP6S2X增益可编程放大器时,原来需要较多元件的设计现在仅需一个元件即可,因此可以大大简化以前复杂的电路设计,提高工作效率。
电路 电子 嵌入式 Microchip 放大器 总线 仿真 电阻 电流 电压 运算放大器 单片机 相关文章:
- 整流电路(11-30)
- 单运放构成的单稳延时电路(11-29)
- 直流稳压电源电路(11-30)
- 基于ISP1581型接口电路的USB2.0接口设计(01-18)
- 单电源供电的IGBT驱动电路在铁路辅助电源系统中的应用(01-16)
- 为太阳能灯供电的低损耗电路的设计(01-22)
