如何保护断电放大器
时间:10-15
来源:互联网
点击:
关于作为一个应用工程师最好的事情是广泛的客户,应用,电路,并在我遇到的问题,所有这些都提供了机会,每天学习新东西我。每年我收到关于这种高性能的用户可能希望从我们的放大器,当他们几个问题电源 远的。我喜欢把这些放大器的呢?我的风格=“参议主任,比迪字体风格:正常”“关闭放大器。?
除静电放电(ESD)测试,放大器总是对电网的特点,因此,解决过放问题无法真正传达抰总是直截了当。回答过放的问题,需要对内部晶体管详细了解放大器的水平运作,如何把放大器没有权力,什么外部电路连接到外的放大器,以及如何外围电路没有权力的行为表现。
奇怪的是,在台上放我收到这样的问题涉及的电压梑超声没有电源电压。感兴趣的电压通常适用于任何一个输入或关闭放大器的输出电压。为了节省电力,用户将有选择地关闭了其系统的某些部分。在电压,这往往导致被用于联合国动力系统的部件。用户通常想知道如何把放大器将对此有何反应犯错误的电压,以及必须采取预防措施,以确保把放大器的安全。
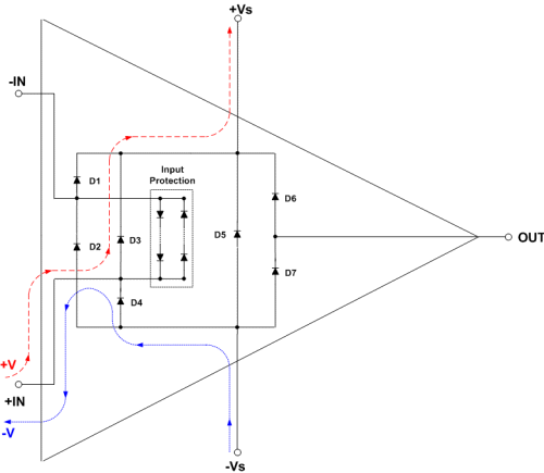
要了解如何保护场外放大器,我们必须先看看ESD保护二极管,这些放大器的国防抯第一线。该ESD保护二极管的高压持续时间短的放大器,但可能会损坏或长期接触低直流电压的破坏,如果目前通过他们不限。图1显示了一个典型的ESD保护二极管的运算放大器。

图1。过放电流路径从+ IN至用品
通过第7天D1的二极管组成放大器抯ESD保护网络。内盗?之间的虚线所示形成另一个保护网络,保护过压条件放大器输出级的二极管1。在一些反一系列二极管并联网络各不相同放大器放大器。为了估计之间的放大器,看看在绝对最大额定值表下的差分输入电压放大器的数据表中的投入二极管数目。
当放大器的电源是关闭,对盗?电压二极管D1上又通过个人财产。图1显示了从目前的路径+中通过保护二极管的供应,假设一个返回路径存在的理由。红色跟踪显示了积极的电压+队,蓝色的跟踪路径就显示了对负电压胧第路径类似的路径可以从输出通过二极管D6和D7,在电压的情况下,是在把放大器的输出目前的供应。最重要的安全预防措施,是限制电流进入小康放抯引脚。
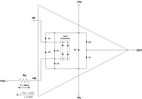
没有限流,二极管和放大器可以损坏或毁坏。我们通常建议限制目前进入任何放大器引脚5毫安或更低。通常,所有的需要添加,是一个串联电阻。图2显示了图1限流过放。卢比,几乎没有正常工作条件下对整体电路功能的影响。假设与盫仛引脚接地,计算如下式所示卢比的最坏情况下:


图2。目前有限的关闭放大器
在最近的另一把安培调查涉及FET输入放大器,一个用户想知道是否关闭放大器的增益配置仍会出席了同相输入端的高输入阻抗的直流电压。
像一个外交官,我回答,揧上课没有。呢?把放大器的输人介绍小于0.6 V的电压为高输入阻抗,因为ESD二极管至少需要0.6 V的进行。没有传导路径,输入仍然显示为高阻抗。如果输入电压大于0.6V的,但是,目前将开始流过的ESD二极管和其他搒尼亚克路径?关闭内放。为了限制在D3的电流,利用方程解决卢比。凭借五第4糟糕的情况适用于外的放大器输入,RS必须至少有680欧姆,不完全是高输入阻抗。
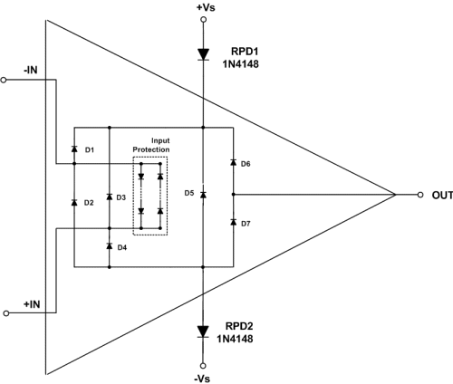
反向极性保护,能够帮助在这些应用中。作为国防电子原设计师,反极性保护的东西,我经常到我的设计中。反极性保护电路确保安全,即使是错误的极性电源连接到该系统的偏置引脚。纳入反向极性保护是一种简单,低成本的保险政策,所需要的是一对二极管。如果正确的电源极性适用,正向偏置二极管和电路按预期工作。如果电源极性相反的应用,该二极管反向偏置。没有电流通过的电路保护。图3显示了反向极性保护二极管放大器。

图3。运算放大器的反向极性保护
反极性保护二极管,也让高输入阻抗超过一个更大的输入范围达到,因为二极管添加一个额外的电压降之前,必须克服目前可以流动。通过预防维生素D3的+队引脚电流流典雅完成的外部二极管RPD1。为正电压,RPD1反向偏置,因此,防止通过D3的电流。当前没有通过ESD二极管D4类,这是反偏不从输入流向负铁路,但它旨在通过场效应管输入级PN结的另一条道路。二极管RPD2形成一个额外的电压屏障,必须在任何电流流克服。
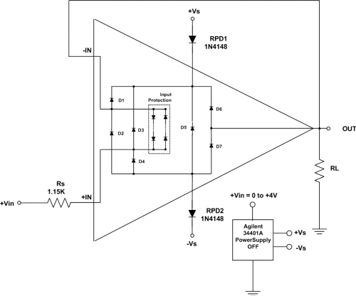
图4显示了测试电路测量外的放大器输入阻抗使用。请注意,卢比大于所需的公式。电阻越大电流限制,甚至更多,同样重要的,这是很容易在实验室中可用。

图4。关闭放大器输入阻抗测试电路
图5显示没有反向极性保护二极管FET的小康放大器的输入阻抗。作为日益减少偏见输入阻抗变成维生素D3的努力。

图5。关闭放大器的输入阻抗不反向极性保护二极管
图6显示了两个反向极性保护二极管有何不同负载条件下的输入阻抗。注意Y -图6轴在欧姆,而M是比K欧姆,如图5中使用。反向极性保护二极管提供3个数量级的提升。断点显示在场外放大器不同的路口被打开作为输入电压的增加。反向极性保护二极管有助于增加对破发点的阈值。负载的阻抗值是在此应用程序重要的考虑因素。低阻抗分流地负载将提供一个电流并联低阻抗路径,使这个方法没有用的。因此,用户必须了解过放行为,没有权力,以及如何邻近电路行为以及。

图6。关闭放大器的反向极性保护二极管的输入阻抗
前往底部关闭放大器问题都可以挑战性,必须考虑许多因素。该放大器类型,外围电路,以及输入和输出电压都是重要的。最好的方法来保护场外放大器,以确保权力的任何电路,触及过放大器以及关闭。如果抯不可能,那么一定要限制电流进入小康放大器。经常检查与应用工程师,如果你需要额外的帮助。
除静电放电(ESD)测试,放大器总是对电网的特点,因此,解决过放问题无法真正传达抰总是直截了当。回答过放的问题,需要对内部晶体管详细了解放大器的水平运作,如何把放大器没有权力,什么外部电路连接到外的放大器,以及如何外围电路没有权力的行为表现。
奇怪的是,在台上放我收到这样的问题涉及的电压梑超声没有电源电压。感兴趣的电压通常适用于任何一个输入或关闭放大器的输出电压。为了节省电力,用户将有选择地关闭了其系统的某些部分。在电压,这往往导致被用于联合国动力系统的部件。用户通常想知道如何把放大器将对此有何反应犯错误的电压,以及必须采取预防措施,以确保把放大器的安全。
要了解如何保护场外放大器,我们必须先看看ESD保护二极管,这些放大器的国防抯第一线。该ESD保护二极管的高压持续时间短的放大器,但可能会损坏或长期接触低直流电压的破坏,如果目前通过他们不限。图1显示了一个典型的ESD保护二极管的运算放大器。

图1。过放电流路径从+ IN至用品
通过第7天D1的二极管组成放大器抯ESD保护网络。内盗?之间的虚线所示形成另一个保护网络,保护过压条件放大器输出级的二极管1。在一些反一系列二极管并联网络各不相同放大器放大器。为了估计之间的放大器,看看在绝对最大额定值表下的差分输入电压放大器的数据表中的投入二极管数目。
当放大器的电源是关闭,对盗?电压二极管D1上又通过个人财产。图1显示了从目前的路径+中通过保护二极管的供应,假设一个返回路径存在的理由。红色跟踪显示了积极的电压+队,蓝色的跟踪路径就显示了对负电压胧第路径类似的路径可以从输出通过二极管D6和D7,在电压的情况下,是在把放大器的输出目前的供应。最重要的安全预防措施,是限制电流进入小康放抯引脚。
没有限流,二极管和放大器可以损坏或毁坏。我们通常建议限制目前进入任何放大器引脚5毫安或更低。通常,所有的需要添加,是一个串联电阻。图2显示了图1限流过放。卢比,几乎没有正常工作条件下对整体电路功能的影响。假设与盫仛引脚接地,计算如下式所示卢比的最坏情况下:


图2。目前有限的关闭放大器
在最近的另一把安培调查涉及FET输入放大器,一个用户想知道是否关闭放大器的增益配置仍会出席了同相输入端的高输入阻抗的直流电压。
像一个外交官,我回答,揧上课没有。呢?把放大器的输人介绍小于0.6 V的电压为高输入阻抗,因为ESD二极管至少需要0.6 V的进行。没有传导路径,输入仍然显示为高阻抗。如果输入电压大于0.6V的,但是,目前将开始流过的ESD二极管和其他搒尼亚克路径?关闭内放。为了限制在D3的电流,利用方程解决卢比。凭借五第4糟糕的情况适用于外的放大器输入,RS必须至少有680欧姆,不完全是高输入阻抗。
反向极性保护,能够帮助在这些应用中。作为国防电子原设计师,反极性保护的东西,我经常到我的设计中。反极性保护电路确保安全,即使是错误的极性电源连接到该系统的偏置引脚。纳入反向极性保护是一种简单,低成本的保险政策,所需要的是一对二极管。如果正确的电源极性适用,正向偏置二极管和电路按预期工作。如果电源极性相反的应用,该二极管反向偏置。没有电流通过的电路保护。图3显示了反向极性保护二极管放大器。

图3。运算放大器的反向极性保护
反极性保护二极管,也让高输入阻抗超过一个更大的输入范围达到,因为二极管添加一个额外的电压降之前,必须克服目前可以流动。通过预防维生素D3的+队引脚电流流典雅完成的外部二极管RPD1。为正电压,RPD1反向偏置,因此,防止通过D3的电流。当前没有通过ESD二极管D4类,这是反偏不从输入流向负铁路,但它旨在通过场效应管输入级PN结的另一条道路。二极管RPD2形成一个额外的电压屏障,必须在任何电流流克服。
图4显示了测试电路测量外的放大器输入阻抗使用。请注意,卢比大于所需的公式。电阻越大电流限制,甚至更多,同样重要的,这是很容易在实验室中可用。

图4。关闭放大器输入阻抗测试电路
图5显示没有反向极性保护二极管FET的小康放大器的输入阻抗。作为日益减少偏见输入阻抗变成维生素D3的努力。

图5。关闭放大器的输入阻抗不反向极性保护二极管
图6显示了两个反向极性保护二极管有何不同负载条件下的输入阻抗。注意Y -图6轴在欧姆,而M是比K欧姆,如图5中使用。反向极性保护二极管提供3个数量级的提升。断点显示在场外放大器不同的路口被打开作为输入电压的增加。反向极性保护二极管有助于增加对破发点的阈值。负载的阻抗值是在此应用程序重要的考虑因素。低阻抗分流地负载将提供一个电流并联低阻抗路径,使这个方法没有用的。因此,用户必须了解过放行为,没有权力,以及如何邻近电路行为以及。

图6。关闭放大器的反向极性保护二极管的输入阻抗
前往底部关闭放大器问题都可以挑战性,必须考虑许多因素。该放大器类型,外围电路,以及输入和输出电压都是重要的。最好的方法来保护场外放大器,以确保权力的任何电路,触及过放大器以及关闭。如果抯不可能,那么一定要限制电流进入小康放大器。经常检查与应用工程师,如果你需要额外的帮助。
电路 放大器 电压 二极管 运算放大器 电流 电阻 电子 场效应管 相关文章:
- 整流电路(11-30)
- 单运放构成的单稳延时电路(11-29)
- 直流稳压电源电路(11-30)
- 基于ISP1581型接口电路的USB2.0接口设计(01-18)
- 单电源供电的IGBT驱动电路在铁路辅助电源系统中的应用(01-16)
- 为太阳能灯供电的低损耗电路的设计(01-22)
