单片频率电压集成转换器LM2917及其应用
时间:07-30
来源:互联网
点击:
1. 概述
LM2917为单片集成频率-电压转换器,芯片中包含了一个高增益的运算放大器/比较器,当输入频率达到或超过某一给定值时,输出可用于驱动开关、指示灯或其它负载。内含的转速计使用充电泵技术,对低纹波具有频率倍增功能。另外LM2917还带有完全的输入保护电路。在零频率输入时,LM2917的输出逻辑摆幅为零。
1.1 主要特点
LM2917具有以下特点:
进行频率倍增时只需使用一个RC网络;
芯片上具有齐纳二极管调整电路,能够进行准确的频率-电压(电流)转换;
以地为参考的转速计输入可直接与可变磁阻拾音器接口;
运算放大器/比较器采用浮动晶体管输出;
50mA输出陷流或驱动能力,可驱动开关、螺线管、测量计、发光二极管等;
对低纹波有频率倍增功能;
转速计具有滞后、差分输入或以地为参考的单端输入;
线性度典型值为±0.3%;
以地为参考的转速计具有完全的保护电路,不会受高于VCC值或低于地参考输入的损伤。
1.2 应用领域
LM2917可应用于以下领域:
1.3 电性能参数
LM2917的主要电性能参数如表1所列。

2. 工作原理

图1所示为LM2917的原理框图,各引脚功能如下:
运算放大器/比较器完全与转速计兼容,以一个浮动的晶体管作为输出端,具有强的输出驱动能力,能够以50mA电流驱动以地为参考或以电源为参考的负载。输出晶体管的集电极电位可高于VCC,允许的最大电压VCE为28V。
电路中使用差分输入端,用户自己能够设定输入转换电平,而且滞后也在设定的电平左右,因而能够获得良好的噪声抑制。当然为了使输入在高于地电压时具有共模电压,没有使用输入保护电路,但输入端电压电平不能超出电源电压范围。特别值得注意的是,在输入端未接串联保护电阻的情况下,输入端的电平不能低于地电平。

在充电泵把从输入级来的频率转换为直流电压时,此变换需外接定时电容C1和输出电阻R1以及积分电容或滤波电容C2,当输入级的输出改变状态时(这种情况可能发生在由于输入端上有合适的过零电压或差分输入电压时),定时电容在电压差为VCC/2的两电压值之间被线性地充电或放电,在输入频率信号的半周期中,定时电容上的电荷变化量为C1VCC/2,泵入电容中的平均电流或流出电容中的平均电流为:
△Q/T=iC(AVG)=fINC1VCC
输出电路把这一电流准确地送到负载电阻(输出电阻)R1中,R1电阻的另一端接地,这样脉冲式的电流被滤波电容积分,得到输出电压:
VO=VCCfINC1R1K
其中K为增益常数。
而电容C2的值取决于纹波电压的大小和实际应用中需要的响应时间。
3. 典型应用电路
在应用中一个值得注意的问题是如何选择电阻R1和电容C1。

为了获得最佳性能,必须仔细选择合适的电阻R1和电容C1。定时电容还为充电泵提供内部补偿,为了使器件取得准确的转换结果,其值应大于500pF,太小的电容值会在R1上产生误差电流,特别是在低温应用时更是如此。器件的引脚3的输出电流是内部固定的,因此VO/R1值必须小于或等于此固定值。如果R1太大,它将会影响引脚3的输出阻抗,器件进行频率-电压转换的线性度将会变差.此外还要考虑输出纹波电压,以及R1对C2值的影响。引脚3的纹波VRIPPLE可用下式计算:
VRIPPLE=VCCC1[1-(VCCfINC1/I2)]/2C2
R1的选择与纹波无关。但是响应时间,即输出VOUT稳定在一个新值上需要的时间会随着C2值的增加而增加,因此必须在纹波、响应时间和线性度之间仔细地进行折衷选择。器件所允许的输入信号的最大频率由VCC、C1和I2决定。
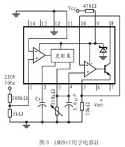
LM2917很适合那些要求输出电压或电流与电源电压变化无关的应用,因为它内部使用齐纳二极管调整的输出端。但需在电源端串接一电阻,电阻值必须合理选取,芯片内的转速计电流和运算放大电路的工作电流至少需要3mA。在低电压应用中,必须保证电阻中的电流大于3mA,以使得齐纳二极管电压调整能够正常。例如,当电源电压从9V变化到16V时,串接470Ω的电阻能够使齐纳二极管电压变化减小到160mV。
LM2917的典型应用电路如图2和图3所示,图2为具有最少外接元件的转速计电路,5脚输出与转速的对应关系为67Hz/V。图3为电容计电路,图中CX是被测电容。
LM2917为单片集成频率-电压转换器,芯片中包含了一个高增益的运算放大器/比较器,当输入频率达到或超过某一给定值时,输出可用于驱动开关、指示灯或其它负载。内含的转速计使用充电泵技术,对低纹波具有频率倍增功能。另外LM2917还带有完全的输入保护电路。在零频率输入时,LM2917的输出逻辑摆幅为零。
1.1 主要特点
LM2917具有以下特点:
进行频率倍增时只需使用一个RC网络;
芯片上具有齐纳二极管调整电路,能够进行准确的频率-电压(电流)转换;
以地为参考的转速计输入可直接与可变磁阻拾音器接口;
运算放大器/比较器采用浮动晶体管输出;
50mA输出陷流或驱动能力,可驱动开关、螺线管、测量计、发光二极管等;
对低纹波有频率倍增功能;
转速计具有滞后、差分输入或以地为参考的单端输入;
线性度典型值为±0.3%;
以地为参考的转速计具有完全的保护电路,不会受高于VCC值或低于地参考输入的损伤。
1.2 应用领域
LM2917可应用于以下领域:
- 超速/低速检测;
- 频率电压转换(转速计);
- 测速表;
- 手持式转速计;
- 速度监测器;
- 巡回控制;
- 车门锁定控制;
- 离合控制;
- 喇叭控制;
- 触摸或声音开关。
1.3 电性能参数
LM2917的主要电性能参数如表1所列。

2. 工作原理

图1所示为LM2917的原理框图,各引脚功能如下:
- 1脚和11脚为运算放大器/比较器的输入端;
- 2脚接充电泵的定时电容;
- 3脚连接充电泵的输出电阻和积分电容;
- 4脚和10脚为运算放大器的输入端;
- 5脚为输出,取自输出晶体管的发射极;
- 6,7,13,14脚未用; 8脚为输出晶体管的集电极,一般接电源;
- 9脚为正电源端;
- 12脚为负电源端,一般接地。
运算放大器/比较器完全与转速计兼容,以一个浮动的晶体管作为输出端,具有强的输出驱动能力,能够以50mA电流驱动以地为参考或以电源为参考的负载。输出晶体管的集电极电位可高于VCC,允许的最大电压VCE为28V。
电路中使用差分输入端,用户自己能够设定输入转换电平,而且滞后也在设定的电平左右,因而能够获得良好的噪声抑制。当然为了使输入在高于地电压时具有共模电压,没有使用输入保护电路,但输入端电压电平不能超出电源电压范围。特别值得注意的是,在输入端未接串联保护电阻的情况下,输入端的电平不能低于地电平。

在充电泵把从输入级来的频率转换为直流电压时,此变换需外接定时电容C1和输出电阻R1以及积分电容或滤波电容C2,当输入级的输出改变状态时(这种情况可能发生在由于输入端上有合适的过零电压或差分输入电压时),定时电容在电压差为VCC/2的两电压值之间被线性地充电或放电,在输入频率信号的半周期中,定时电容上的电荷变化量为C1VCC/2,泵入电容中的平均电流或流出电容中的平均电流为:
△Q/T=iC(AVG)=fINC1VCC
输出电路把这一电流准确地送到负载电阻(输出电阻)R1中,R1电阻的另一端接地,这样脉冲式的电流被滤波电容积分,得到输出电压:
VO=VCCfINC1R1K
其中K为增益常数。
而电容C2的值取决于纹波电压的大小和实际应用中需要的响应时间。
3. 典型应用电路
在应用中一个值得注意的问题是如何选择电阻R1和电容C1。

为了获得最佳性能,必须仔细选择合适的电阻R1和电容C1。定时电容还为充电泵提供内部补偿,为了使器件取得准确的转换结果,其值应大于500pF,太小的电容值会在R1上产生误差电流,特别是在低温应用时更是如此。器件的引脚3的输出电流是内部固定的,因此VO/R1值必须小于或等于此固定值。如果R1太大,它将会影响引脚3的输出阻抗,器件进行频率-电压转换的线性度将会变差.此外还要考虑输出纹波电压,以及R1对C2值的影响。引脚3的纹波VRIPPLE可用下式计算:
VRIPPLE=VCCC1[1-(VCCfINC1/I2)]/2C2
R1的选择与纹波无关。但是响应时间,即输出VOUT稳定在一个新值上需要的时间会随着C2值的增加而增加,因此必须在纹波、响应时间和线性度之间仔细地进行折衷选择。器件所允许的输入信号的最大频率由VCC、C1和I2决定。
LM2917很适合那些要求输出电压或电流与电源电压变化无关的应用,因为它内部使用齐纳二极管调整的输出端。但需在电源端串接一电阻,电阻值必须合理选取,芯片内的转速计电流和运算放大电路的工作电流至少需要3mA。在低电压应用中,必须保证电阻中的电流大于3mA,以使得齐纳二极管电压调整能够正常。例如,当电源电压从9V变化到16V时,串接470Ω的电阻能够使齐纳二极管电压变化减小到160mV。
LM2917的典型应用电路如图2和图3所示,图2为具有最少外接元件的转速计电路,5脚输出与转速的对应关系为67Hz/V。图3为电容计电路,图中CX是被测电容。
电压 放大器 比较器 电路 二极管 电流 运算放大器 发光二极管 电容 电阻 相关文章:
- 选择最佳的电压基准源(11-29)
- 对电压参考进行滤波以获得低噪声性能(01-16)
- 可编程快速充电管理芯片MAX712/ MAX713及其应用(01-23)
- 改进型全桥移相ZVS-PWMDC/DC变换器(01-23)
- 负输出罗氏变换器实用性剖析(01-09)
- 通信电源设备对杂音电压的控制要求(02-13)
