TI:认识RS-485收发器的临界总线电压
时间:11-30
来源:互联网
点击:
RS-485凭借其稳健耐用性和高可靠性,已经成为世界范围内嘈杂工业环境中最常用的应用接口技术。随着越发宽泛的工作范围以及与更高抑制性能组合在一起的趋势催生了现代性能已经超过最初的RS-485标准 (EIA/TIA485)的收发器设计。
全新的收发器技术规格在组件数据表中给出了这些性能方面的提升,然而,这些技术规格经常被终端用户,即系统设计人员,错误地解读。例如,在对绝对最大额定值(AMR)部分与建议运行条件(ROC)下分别对给出的收发器最大电压电平进行比较时经常会出现混淆。
用户经常会问到这样的问题:在绝对最大额定值条件下,收发器能够可靠地发送数据吗?为什么ROC下的输入电压远远小于AMR中的值?共模电压范围是如何定义的?
由于收发器数据表很少提供这些参数的详细解释,本篇文章将调整这一点。我们首先解释一下收发器的基本工作方式,然后是如何从中得出共模电压项。最后,我们将讲解最大限度的工作条件。
基本收发器工作方式
驱动器
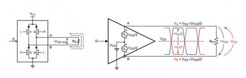
收发器的驱动器部分由一个H桥输出级组成。数据输入D上的一个逻辑高电平会接通晶体管Q2和Q3。这将使电流从A端子驱动到B端子。D上的逻辑低电平接通Q1和Q4,并以相反的方向驱动电流,即从B至A。
反向泄露保护二极管和晶体管导通电阻组成的内部电阻值形成一个具有外部差分负载电阻RD的分压器。这使得线路电压VA和VB明显小于电源电压VCC(图1)。
如此所获得的互补线路电压,VA和VB代表两个直流电压电平,这个电压在平均直流电平(为2条总线线路的共同电压)附近摆动。这个电压被称为驱动器共模输出,或者输出偏移电压,VOS。
这个共模电压是显而易见的,而差分输出电压为通过使两个等式相等后算出的线路电压生成量。因此,驱动器可以表示为一个具有共模分量VOS的信号源。共模分量VOS由互补差分分量重叠。

图1
接收器
一个收发器的接收器部分在每个输入上包含一个电阻分压器,R1/R2,之后是一个比较器。分压器以10:1的比率减弱输入信号,VA和VB。这个比率决定了A和B上的最大适用接收器输入电压。
由于分压器以接收器接地为基准,共模和差分电压分量的衰减率一样。然后,差分比较器移除共模信号,并且只对差分输入信号作出反应,VID=VA-VB。因此,标准RS-485收发器输出R,在VID>200mV时变为高电平,在VID

图2
最大接收器输入电压范围
RS-485标准规定了-7V至+12V的共模输入范围,以及驱动器与远程接收器之间±7V的最大接地电势差 (GPD)。图3显示了用于最大可能总线电压的数据链路示例。在这个情况下,此链路是一条未端接的点到点连接。单个接收器代表轻负载,从而使得线路电压在整个电源轨内摆动。

图3
一个极端情况就是当驱动器的输出相对于驱动器接地(GNDD)为5V时,此时的GPD=-7V。在这个情况下,相对于接收器接地(GNDR)的最大正接收器输入电压为+12V。另外一个极端情况就是驱动器输出电压相对于GNDD为0V,此时的GPD=+7V。这一情况下,相对于GNDR的最大负接收器输入为-7V。
为了确保可靠数据传输,最大接收器输入电压范围在+12V至-7V之间。需要注意的是,GPD是驱动器与接收器接地之间的电势差,并且代表添加至驱动器输出偏移的第二共模电压。一条数据链路的总体共模电压,VCM,为VCM=VOS+GPD。
对于RS-485的一个进一步要求就是驱动器必须能够在±7V的满GPD上驱动32个单位负载。一个单位负载代表一个共模负载,并且定义为在12V直流输入电压上的1mA直流输入电流。这将产生一个12kΩ的直流输入电阻。传统收发器通常具有1UL共模负载,而现代组件的单位负载往往为1/8UL,也就是说输入电流为传统输入电流的1/8,或者说对地的输入电阻要高8倍。为了测试最大共模负载,一般使用图4中的测试电路。

图4
在这里,60Ω的差分电阻代表分别位于总线两端的2个120Ω端接电阻器。375Ω电阻器类似于32个单位负载,可以是32x1UL收发器或者是258x1/8UL收发器。±7V的对称GPD被范围介于-7V至+12V的测试电压所取代,其目的是为了测试对称收发器输入性能。例如,如果驱动器能够在其输入上提供满电源范围,此时输出为5V并且VTEST = -7V,接收器相对于接收器接地的输入电压将为+12V。对于0V输出电压和VTEST=+12V的情况,接收器相对于接收器接地的输入电压将为-12V。
最小和最大收发器输入电压额定值分别为-12V和+12V。由于必须在这个电压范围内确保可靠数据传输,这些值为建议工作条件下(ROC)规定的额定值。
需要注意的是,这些建议最大值假定0V至5V的最大驱动器输出范围。而实际共模电压范围要小很多。对于一个5V收发器,VCM+计算为VCM=2.5V+7V=+9.5V,而VCM-=2.5–12V=-9.5V。
绝对最大额定值
在RS-485数据线路与24Vdc电力线并行的应用中,必须在收发器设计中实现安全性功能,以避免在发生诸如电力线和数据线的电缆绝缘层破损的短路故障时,比如等对器件造成损坏。
一个常见的解决方案就是在驱动器输出级内采用高压晶体管。这个输出级可以对短时高压瞬态以及长时间过压电势进行充分抑制。工业系统中的一个常见要求就是收发器必须能够耐受24V电源线的永久性短接。
然而能够防止收发器受到24V损坏的外部瞬态电压抑制器(TVS)是不能使用的。相反地,使用的任何24V组件必须首先保护24V电源。事实上24V只是标称值,很多电源系统能够表现出高达35V的变化范围。这就将所需的TVS击穿电压增加到36V。具有如此之高击穿电压的TVS二极管通常提供高达60V的钳位电压。为了能够耐受这些高瞬态电压,收发器必须提供65V至70V以上的抑制电压。
这些抑制电压电平是绝对最大额定值下规定的值。任何更高的电压电平将触发收发器的内部静电放电(ESD)保护电路。然而,这些ESD电路只设计用于极短瞬态过压,并且不能够保护器件免受长时间电气过应力的影响。
最最重要的一点就是千万不要超过绝对最大额定值中规定的电压电平。
结论
严格遵守建议工作条件部分中给出的电压电平确保了整个收发器电源和温度额定值范围内的可靠数据传输。
绝对最大额定值部分中规定的电压电平代表了最大值,超过这些最大值,器件就会损坏。在远远低于绝对最大额定值的情况下,就可以实现可靠数据传输。
参考文献
1.具有扩展共模范围的故障保护RS-485收发器数据表(SLLS872H),德州仪器(TI)
全新的收发器技术规格在组件数据表中给出了这些性能方面的提升,然而,这些技术规格经常被终端用户,即系统设计人员,错误地解读。例如,在对绝对最大额定值(AMR)部分与建议运行条件(ROC)下分别对给出的收发器最大电压电平进行比较时经常会出现混淆。
用户经常会问到这样的问题:在绝对最大额定值条件下,收发器能够可靠地发送数据吗?为什么ROC下的输入电压远远小于AMR中的值?共模电压范围是如何定义的?
由于收发器数据表很少提供这些参数的详细解释,本篇文章将调整这一点。我们首先解释一下收发器的基本工作方式,然后是如何从中得出共模电压项。最后,我们将讲解最大限度的工作条件。
基本收发器工作方式
驱动器
收发器的驱动器部分由一个H桥输出级组成。数据输入D上的一个逻辑高电平会接通晶体管Q2和Q3。这将使电流从A端子驱动到B端子。D上的逻辑低电平接通Q1和Q4,并以相反的方向驱动电流,即从B至A。
反向泄露保护二极管和晶体管导通电阻组成的内部电阻值形成一个具有外部差分负载电阻RD的分压器。这使得线路电压VA和VB明显小于电源电压VCC(图1)。
如此所获得的互补线路电压,VA和VB代表两个直流电压电平,这个电压在平均直流电平(为2条总线线路的共同电压)附近摆动。这个电压被称为驱动器共模输出,或者输出偏移电压,VOS。
这个共模电压是显而易见的,而差分输出电压为通过使两个等式相等后算出的线路电压生成量。因此,驱动器可以表示为一个具有共模分量VOS的信号源。共模分量VOS由互补差分分量重叠。

图1
接收器
一个收发器的接收器部分在每个输入上包含一个电阻分压器,R1/R2,之后是一个比较器。分压器以10:1的比率减弱输入信号,VA和VB。这个比率决定了A和B上的最大适用接收器输入电压。
由于分压器以接收器接地为基准,共模和差分电压分量的衰减率一样。然后,差分比较器移除共模信号,并且只对差分输入信号作出反应,VID=VA-VB。因此,标准RS-485收发器输出R,在VID>200mV时变为高电平,在VID

图2
最大接收器输入电压范围
RS-485标准规定了-7V至+12V的共模输入范围,以及驱动器与远程接收器之间±7V的最大接地电势差 (GPD)。图3显示了用于最大可能总线电压的数据链路示例。在这个情况下,此链路是一条未端接的点到点连接。单个接收器代表轻负载,从而使得线路电压在整个电源轨内摆动。

图3
一个极端情况就是当驱动器的输出相对于驱动器接地(GNDD)为5V时,此时的GPD=-7V。在这个情况下,相对于接收器接地(GNDR)的最大正接收器输入电压为+12V。另外一个极端情况就是驱动器输出电压相对于GNDD为0V,此时的GPD=+7V。这一情况下,相对于GNDR的最大负接收器输入为-7V。
为了确保可靠数据传输,最大接收器输入电压范围在+12V至-7V之间。需要注意的是,GPD是驱动器与接收器接地之间的电势差,并且代表添加至驱动器输出偏移的第二共模电压。一条数据链路的总体共模电压,VCM,为VCM=VOS+GPD。
对于RS-485的一个进一步要求就是驱动器必须能够在±7V的满GPD上驱动32个单位负载。一个单位负载代表一个共模负载,并且定义为在12V直流输入电压上的1mA直流输入电流。这将产生一个12kΩ的直流输入电阻。传统收发器通常具有1UL共模负载,而现代组件的单位负载往往为1/8UL,也就是说输入电流为传统输入电流的1/8,或者说对地的输入电阻要高8倍。为了测试最大共模负载,一般使用图4中的测试电路。

图4
在这里,60Ω的差分电阻代表分别位于总线两端的2个120Ω端接电阻器。375Ω电阻器类似于32个单位负载,可以是32x1UL收发器或者是258x1/8UL收发器。±7V的对称GPD被范围介于-7V至+12V的测试电压所取代,其目的是为了测试对称收发器输入性能。例如,如果驱动器能够在其输入上提供满电源范围,此时输出为5V并且VTEST = -7V,接收器相对于接收器接地的输入电压将为+12V。对于0V输出电压和VTEST=+12V的情况,接收器相对于接收器接地的输入电压将为-12V。
最小和最大收发器输入电压额定值分别为-12V和+12V。由于必须在这个电压范围内确保可靠数据传输,这些值为建议工作条件下(ROC)规定的额定值。
需要注意的是,这些建议最大值假定0V至5V的最大驱动器输出范围。而实际共模电压范围要小很多。对于一个5V收发器,VCM+计算为VCM=2.5V+7V=+9.5V,而VCM-=2.5–12V=-9.5V。
绝对最大额定值
在RS-485数据线路与24Vdc电力线并行的应用中,必须在收发器设计中实现安全性功能,以避免在发生诸如电力线和数据线的电缆绝缘层破损的短路故障时,比如等对器件造成损坏。
一个常见的解决方案就是在驱动器输出级内采用高压晶体管。这个输出级可以对短时高压瞬态以及长时间过压电势进行充分抑制。工业系统中的一个常见要求就是收发器必须能够耐受24V电源线的永久性短接。
然而能够防止收发器受到24V损坏的外部瞬态电压抑制器(TVS)是不能使用的。相反地,使用的任何24V组件必须首先保护24V电源。事实上24V只是标称值,很多电源系统能够表现出高达35V的变化范围。这就将所需的TVS击穿电压增加到36V。具有如此之高击穿电压的TVS二极管通常提供高达60V的钳位电压。为了能够耐受这些高瞬态电压,收发器必须提供65V至70V以上的抑制电压。
这些抑制电压电平是绝对最大额定值下规定的值。任何更高的电压电平将触发收发器的内部静电放电(ESD)保护电路。然而,这些ESD电路只设计用于极短瞬态过压,并且不能够保护器件免受长时间电气过应力的影响。
最最重要的一点就是千万不要超过绝对最大额定值中规定的电压电平。
结论
严格遵守建议工作条件部分中给出的电压电平确保了整个收发器电源和温度额定值范围内的可靠数据传输。
绝对最大额定值部分中规定的电压电平代表了最大值,超过这些最大值,器件就会损坏。在远远低于绝对最大额定值的情况下,就可以实现可靠数据传输。
参考文献
1.具有扩展共模范围的故障保护RS-485收发器数据表(SLLS872H),德州仪器(TI)
收发器 电压 电流 二极管 电阻 总线 比较器 电路 德州仪器 相关文章:
- 蓝牙无线电调制解调器Siw1701原理与应用(02-19)
- 光纤收发器基本连接方式(10-05)
- GPS Snitch实时目标追踪的奥秘(03-10)
- Broadcom推出业界首款全部基于DSP的10Gb以太网串行收发器(01-08)
- 英飞凌展出集移动WiMAX和无线LAN于一体的RF收发器LSI (03-04)
- 安华高推出单模SFP收发器AFCT-5745xZ系列(03-10)
