用SPI实现dsPlC与ISD语音芯片的通信
时间:12-03
来源:互联网
点击:
介绍dsPIc数字信号控制器以厦ISD4002语音芯片的功能特点;特别介绍dsPIC的SPl库函数的功能及使用,并给出一种简单的语音录放电路。具有低成本、易使用等特点,有较高的实用价值。
在很多应用场合中,需要用到语音录放功能,如复读机、电话自动应答装置等。本文介绍一种简单实用的dsPIc数字信号控制器,用来完成语音录放功能。由于dsPIC强大的数字信号处理功能,可以提供后续的复杂处理等,具有良好的易扩展性。
1 dsPlC系列的简单介绍
dsPIC系列是Microchip公司推出的新型16位高性能数字信号控制器。它结合了单片机的控制优点及数字信号处理器(DSP)的高速运算特性,为嵌入式系统提供了单一芯片解决方案。它继承了PlC单片机系列的哈佛总线结构和精简指令集(RISC)技术,以及寻址方式简单、运行速度快、功耗低、驱动能力强等优点,同时集成了主板级的DSP功能,能够提供强大的数字信号处理能力;此外,还提供了如UART、CAN、SPI等丰富的外围接口,可以方便地与其他设备进行通信互联。本文介绍使用dsPIC数字信号控制器的SPI接口与ISD语音芯片进行通信控制,使用的芯片型号为dsPIc30F6014。
2 ISD系列语音录放芯片
ISD系列语音芯片是美国ISD公司推出的产品。该系列芯片采用多电平直接模拟存储(Chip Corder)专利技术,声音不需要A/D转换和压缩,每个采样直接存储在片内的闪烁存储器中,避免了A/D转换的误差;能够真实、自然地还原语音、音乐及效果声;避免了一般固体录音电路量化和压缩造成的量化噪声和金属声。ISD4000系列采用CM0s技术,内含晶体振荡器、防混叠滤波器、平滑滤波器、自动静噪、音频功率放大器及高密度多电平闪烁存储阵列等,只需要很少的外围器件即可构成一个完整的语音录放系统。它的操作命令通过串行通信接口(SPI)或Microwire送入;采样频率可为4.O Hz、5.3 Hz、6.4 Hz、8.O Hz,频率越低,录放时间越长,但音质会有所下降;片内信息存于闪烁存储器中,可在断电情况下保存100年(典型值),反复录音10万次;器件工作电压3 v,工作电流25~30 mA,音质好,适用于移动电话及其他便携式电子产品。本设计使用的芯片型号为ISD4002,单片录放时间为120 s。
3 SPI接口介绍
SPI是由美国摩托罗拉公司推出的一种同步串行传输规范,常作为单片机外设芯片串行扩展接口。SPI有4个引脚:SS(从器件选择线)、SDO(串行数据输出线)、SDI(串行数据输入线)和SCK(同步串行时钟线)。SPI可以用全双工通信方式同时发送和接收8(16)位数据,过程如下:主机启动发送过程,送出时钟脉冲信号,主移位寄存器的数据通过SDO移入到从移位寄存器,同时从移位寄存器中的数据通过SDI移人到主移位寄存器中。8(16)个时钟脉冲过后,时钟停顿,主移位寄存器中的8(16)位数据全部移人到从移位寄存器中,随即又被自动装入从接收缓冲器中,从机接收缓冲器满标志位(BF)和中断标志位(SSPIF)置“1”。同理,从移位寄存器中的8位数据全部移入到主寄存器中,随即又被自动装入到主接收缓冲器中.主接收缓冲器满标志位(BF)和中断标志位(SSPIF)置“1”。主CPU检测到主接收缓冲器的满标志位或者中断标志位置1后,就可以读取接收缓冲器中的数据。同样,从CPU检测到从接收缓冲器满标志位或中断标志位置1后,就可以读取接收缓冲器中的数据,这样就完成了一次相互通信过程。这里设置dsPIC30F6014为主控制器,ISD4002为从器件,通过SPI口完成通信控制的过程。
4 dsPIC的SPI函数库
dsPIC30F6014提供了2个SPI接口模块,每个接口模块包括三个特殊功能寄存器和四个引脚。SPIxBUF是数据缓冲寄存器。需要注意的是,接收缓冲SPIxRBF和发送缓冲SPIxTBF共享同一个地址,即它们都是地址映射到SPIxBUF的。也就是说,当对接收或发送缓冲寄存器操作时,都只能对SPIxBUF进行操作,而不能直接对SPIxRBF或SPIxTBF进行操作。SPIxCON是控制寄存器,用来对sPI模块的操作模式等进行配置;SPIxSTAT是状态寄存器,用来标示SPI模块所处的状态。其模块框图如图1所示。

通过对控制寄存器的配置,可以将SPI模块设置为8位或16位模式、主模式或从模式、帧同步等多种操作模式,还可以对时钟边沿、时钟分频倍数等进行配置。这里使用了以dsPIC为主,ISD为从的主从模式。Microchip提供的外围接口库可以方便地完成这些配置工作。
dsPIC Language Tools Libraries是MictoChip公司提供给开发者的一套工具库,其中主要含3个子库.DSP库,提供常用的DSP函数;外围接口库,提供对dsPIC系列所有外围接口的驱动函数,包括SPI接口;标准C及数学函数库,可在Microchip的官方网站下载(www.microchip.com)。我们使用其中的外围接口库中的SPI库函数即可。SPI库中主要包括以下几个函数:
①configIntSPIx SPI中断配置函数。该函数可以对sPI接口的中断使能位以及中断优先级进行配置,返回值为空。
②CloseSPlx关闭SPI接口。
③DataRdySPlx SPl接口数据就绪。该函数用来判断SPI接收缓冲区中是否有数据等待读出。若返回值为1,表示缓冲区中数据已经就绪,等待读出;若返回值为0,则标示缓冲区为空。
④ReadSPIx读SPI接口缓冲区。
⑤WriteSPIx向SPI接口发送缓冲区写数据。
⑥OpenSPIx打开SPI接口。该函数包含2个参数:configl和config2。configl中包含对SPI接口操作模式的配置信息,将写入控制寄存器;config2中包含SPI的状态信息,将写入状态寄存器。该函数在打开SPI接口的同时完成对其的配置。
⑦puasSPIx函数将一个字符串数据写入到发送缓冲区中。
⑧getsSPIx函数将从接收缓冲区读人指定长度的字符串数据,并转存到指定的空间。
除了这8个函数以外,该库还提供了相应的宏指令完成同样的功能,可以在程序中方便地使用。
5 lSD4002
ISD4002工作于SPI串行接口。SPI协议是一个同步串行数据传输协议,协议假定微控制器的SPI移位寄存器在SCLK的下降沿动作。对ISD4002而言,在时钟上升沿锁存MOSI引脚数据.存下降沿将数据送至MISO引脚.协议具体内容如下:
①所有串行数据传输开始于SS下降沿;
②SS在传输期间必须保持为低电平,在两条指令之间保持为高电平;
③数据在时钟上升沿移入,在下降沿移出;
④SS变低,输入指令和地址之后,ISD才会开始录放动作;
⑤指令格式是10位地址码加6位控制码;
⑥ISD的任何操作(含快进)如果遇到EOM或OVF则产生一个中断,该中断状态在下一个SPI周期开始时被清除;
⑦使用读指令会使中断状态为移出ISD的MISO引脚时,控制及地址数据也同步从MOSI移入;
⑧所有操作在运行位(RUN)置1时开始,置0时结束;
⑨所有指令都在SS上升沿开始执行。
其时序如图2所示。

对于ISD4002,器件延时TPUD(8kHz采样时,约为25 ms)后才能开始操作;因此,用户发完上电指令后,必须等待TPUD.才能发出一条操作指令。下面是典型的操作。
从00处发音,应遵循如下时序:
发POWERUP命令;
等待TPUD(上电延时);
发地址值为00的SFTPLAY命令;
发PLAY命令。
器件会从00地址开始放音,当出现EOM时,立即中断,停止放音。
如果从00处录音,则按以下时序;
发POWER UP命令;
等待TPUD(上电延时);
发POWER UP命令
等待2倍TPUD;
发地址值为00的SETREC命令;
发REC命令。
器件便从00地址开始录音,一直到出现OVF(存储器末尾)时,录音停止。其工作时序如图3所示。

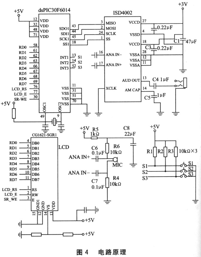
6 电路设计
本电路采用dsPICC30F6014数字信号控制器,通过3个按键开关控制ISD4002录放音芯片的动作。S1、S2、S3分别接到控制器外部中断INTl、INT2、INT3上。当按下S1时,开始录音,再次按下S1时停止录音。如此反复即可实现多段录音。同理,按下S2时开始放音,再次按下S2是停止放音。如此反复顺序播放多段录音。按下S3关机。
(1)硬件电路设计
电路原理如图4所示。整个电路由语音录放电路、话筒输入电路、按键开关电路及LCD显示电路构成。由于本设计输出直接驱动普通耳机,经实验不需外部功放电路,直接利用ISD4002内部功放输出即可。ISD4002作为从机,其SPI接口的MOSI接控制器的SDO;MISO接控制器的SDI;SCLK接SCK;SS接控制器的SS即可。LCD用于人机交互的界面显示。

(2)软件设计
程序包括主程序以及几个子程序。主程序中,在完成初始化的工作之后,进入一个while循环,等待响应按键触发的中断,若有按键按下,则进入相应的中断服务程序。在按键S1的中断服务程序中,设置一个标志变量,Sl每按下一次,标志变量取反,用来控制录音及停止录音。同理,S2的中断服务程序中也设置一个标志变量,控制开始放音及停止放音。S3的中断服务程序中则发送Power-Down指令关机。程序清单中给出了主程序以及中断服务程序,另外包括LCD驱动程序以及dsPIC的SPI函数库等。
7 总 结
该电路易于实现,功能简单实用,可扩展性较好;输出声音清晰、自然。如要增加录音时间,可选用ISD4000系列的其他芯片,程序基本相同。另外,在设计过程中有以下几点事项需要注意:
①在SPI的数据传输中,不同芯片所定义的传输顺序可能不同,因此要注意是先传高位还是先传低位。ISD4002要求先传高位数据,如果与主芯片所定义的顺序相反,则只要把指令码反过来传即可。
②由于ISD4002要求在时钟前半个周期把数据放在传输线上,因此,在使用dsPIC的SPI函数库时需要注意SPI初始化。在本设计中,使用的配置为SPl—CKE—ON%26;amp;CLK_P0L_ACTIVE_HIGH。
以上两点可能会帮助解决一些常见问题。
在很多应用场合中,需要用到语音录放功能,如复读机、电话自动应答装置等。本文介绍一种简单实用的dsPIc数字信号控制器,用来完成语音录放功能。由于dsPIC强大的数字信号处理功能,可以提供后续的复杂处理等,具有良好的易扩展性。
1 dsPlC系列的简单介绍
dsPIC系列是Microchip公司推出的新型16位高性能数字信号控制器。它结合了单片机的控制优点及数字信号处理器(DSP)的高速运算特性,为嵌入式系统提供了单一芯片解决方案。它继承了PlC单片机系列的哈佛总线结构和精简指令集(RISC)技术,以及寻址方式简单、运行速度快、功耗低、驱动能力强等优点,同时集成了主板级的DSP功能,能够提供强大的数字信号处理能力;此外,还提供了如UART、CAN、SPI等丰富的外围接口,可以方便地与其他设备进行通信互联。本文介绍使用dsPIC数字信号控制器的SPI接口与ISD语音芯片进行通信控制,使用的芯片型号为dsPIc30F6014。
2 ISD系列语音录放芯片
ISD系列语音芯片是美国ISD公司推出的产品。该系列芯片采用多电平直接模拟存储(Chip Corder)专利技术,声音不需要A/D转换和压缩,每个采样直接存储在片内的闪烁存储器中,避免了A/D转换的误差;能够真实、自然地还原语音、音乐及效果声;避免了一般固体录音电路量化和压缩造成的量化噪声和金属声。ISD4000系列采用CM0s技术,内含晶体振荡器、防混叠滤波器、平滑滤波器、自动静噪、音频功率放大器及高密度多电平闪烁存储阵列等,只需要很少的外围器件即可构成一个完整的语音录放系统。它的操作命令通过串行通信接口(SPI)或Microwire送入;采样频率可为4.O Hz、5.3 Hz、6.4 Hz、8.O Hz,频率越低,录放时间越长,但音质会有所下降;片内信息存于闪烁存储器中,可在断电情况下保存100年(典型值),反复录音10万次;器件工作电压3 v,工作电流25~30 mA,音质好,适用于移动电话及其他便携式电子产品。本设计使用的芯片型号为ISD4002,单片录放时间为120 s。
3 SPI接口介绍
SPI是由美国摩托罗拉公司推出的一种同步串行传输规范,常作为单片机外设芯片串行扩展接口。SPI有4个引脚:SS(从器件选择线)、SDO(串行数据输出线)、SDI(串行数据输入线)和SCK(同步串行时钟线)。SPI可以用全双工通信方式同时发送和接收8(16)位数据,过程如下:主机启动发送过程,送出时钟脉冲信号,主移位寄存器的数据通过SDO移入到从移位寄存器,同时从移位寄存器中的数据通过SDI移人到主移位寄存器中。8(16)个时钟脉冲过后,时钟停顿,主移位寄存器中的8(16)位数据全部移人到从移位寄存器中,随即又被自动装入从接收缓冲器中,从机接收缓冲器满标志位(BF)和中断标志位(SSPIF)置“1”。同理,从移位寄存器中的8位数据全部移入到主寄存器中,随即又被自动装入到主接收缓冲器中.主接收缓冲器满标志位(BF)和中断标志位(SSPIF)置“1”。主CPU检测到主接收缓冲器的满标志位或者中断标志位置1后,就可以读取接收缓冲器中的数据。同样,从CPU检测到从接收缓冲器满标志位或中断标志位置1后,就可以读取接收缓冲器中的数据,这样就完成了一次相互通信过程。这里设置dsPIC30F6014为主控制器,ISD4002为从器件,通过SPI口完成通信控制的过程。
4 dsPIC的SPI函数库
dsPIC30F6014提供了2个SPI接口模块,每个接口模块包括三个特殊功能寄存器和四个引脚。SPIxBUF是数据缓冲寄存器。需要注意的是,接收缓冲SPIxRBF和发送缓冲SPIxTBF共享同一个地址,即它们都是地址映射到SPIxBUF的。也就是说,当对接收或发送缓冲寄存器操作时,都只能对SPIxBUF进行操作,而不能直接对SPIxRBF或SPIxTBF进行操作。SPIxCON是控制寄存器,用来对sPI模块的操作模式等进行配置;SPIxSTAT是状态寄存器,用来标示SPI模块所处的状态。其模块框图如图1所示。

通过对控制寄存器的配置,可以将SPI模块设置为8位或16位模式、主模式或从模式、帧同步等多种操作模式,还可以对时钟边沿、时钟分频倍数等进行配置。这里使用了以dsPIC为主,ISD为从的主从模式。Microchip提供的外围接口库可以方便地完成这些配置工作。
dsPIC Language Tools Libraries是MictoChip公司提供给开发者的一套工具库,其中主要含3个子库.DSP库,提供常用的DSP函数;外围接口库,提供对dsPIC系列所有外围接口的驱动函数,包括SPI接口;标准C及数学函数库,可在Microchip的官方网站下载(www.microchip.com)。我们使用其中的外围接口库中的SPI库函数即可。SPI库中主要包括以下几个函数:
①configIntSPIx SPI中断配置函数。该函数可以对sPI接口的中断使能位以及中断优先级进行配置,返回值为空。
②CloseSPlx关闭SPI接口。
③DataRdySPlx SPl接口数据就绪。该函数用来判断SPI接收缓冲区中是否有数据等待读出。若返回值为1,表示缓冲区中数据已经就绪,等待读出;若返回值为0,则标示缓冲区为空。
④ReadSPIx读SPI接口缓冲区。
⑤WriteSPIx向SPI接口发送缓冲区写数据。
⑥OpenSPIx打开SPI接口。该函数包含2个参数:configl和config2。configl中包含对SPI接口操作模式的配置信息,将写入控制寄存器;config2中包含SPI的状态信息,将写入状态寄存器。该函数在打开SPI接口的同时完成对其的配置。
⑦puasSPIx函数将一个字符串数据写入到发送缓冲区中。
⑧getsSPIx函数将从接收缓冲区读人指定长度的字符串数据,并转存到指定的空间。
除了这8个函数以外,该库还提供了相应的宏指令完成同样的功能,可以在程序中方便地使用。
5 lSD4002
ISD4002工作于SPI串行接口。SPI协议是一个同步串行数据传输协议,协议假定微控制器的SPI移位寄存器在SCLK的下降沿动作。对ISD4002而言,在时钟上升沿锁存MOSI引脚数据.存下降沿将数据送至MISO引脚.协议具体内容如下:
①所有串行数据传输开始于SS下降沿;
②SS在传输期间必须保持为低电平,在两条指令之间保持为高电平;
③数据在时钟上升沿移入,在下降沿移出;
④SS变低,输入指令和地址之后,ISD才会开始录放动作;
⑤指令格式是10位地址码加6位控制码;
⑥ISD的任何操作(含快进)如果遇到EOM或OVF则产生一个中断,该中断状态在下一个SPI周期开始时被清除;
⑦使用读指令会使中断状态为移出ISD的MISO引脚时,控制及地址数据也同步从MOSI移入;
⑧所有操作在运行位(RUN)置1时开始,置0时结束;
⑨所有指令都在SS上升沿开始执行。
其时序如图2所示。

对于ISD4002,器件延时TPUD(8kHz采样时,约为25 ms)后才能开始操作;因此,用户发完上电指令后,必须等待TPUD.才能发出一条操作指令。下面是典型的操作。
从00处发音,应遵循如下时序:
发POWERUP命令;
等待TPUD(上电延时);
发地址值为00的SFTPLAY命令;
发PLAY命令。
器件会从00地址开始放音,当出现EOM时,立即中断,停止放音。
如果从00处录音,则按以下时序;
发POWER UP命令;
等待TPUD(上电延时);
发POWER UP命令
等待2倍TPUD;
发地址值为00的SETREC命令;
发REC命令。
器件便从00地址开始录音,一直到出现OVF(存储器末尾)时,录音停止。其工作时序如图3所示。

6 电路设计
本电路采用dsPICC30F6014数字信号控制器,通过3个按键开关控制ISD4002录放音芯片的动作。S1、S2、S3分别接到控制器外部中断INTl、INT2、INT3上。当按下S1时,开始录音,再次按下S1时停止录音。如此反复即可实现多段录音。同理,按下S2时开始放音,再次按下S2是停止放音。如此反复顺序播放多段录音。按下S3关机。
(1)硬件电路设计
电路原理如图4所示。整个电路由语音录放电路、话筒输入电路、按键开关电路及LCD显示电路构成。由于本设计输出直接驱动普通耳机,经实验不需外部功放电路,直接利用ISD4002内部功放输出即可。ISD4002作为从机,其SPI接口的MOSI接控制器的SDO;MISO接控制器的SDI;SCLK接SCK;SS接控制器的SS即可。LCD用于人机交互的界面显示。

(2)软件设计
程序包括主程序以及几个子程序。主程序中,在完成初始化的工作之后,进入一个while循环,等待响应按键触发的中断,若有按键按下,则进入相应的中断服务程序。在按键S1的中断服务程序中,设置一个标志变量,Sl每按下一次,标志变量取反,用来控制录音及停止录音。同理,S2的中断服务程序中也设置一个标志变量,控制开始放音及停止放音。S3的中断服务程序中则发送Power-Down指令关机。程序清单中给出了主程序以及中断服务程序,另外包括LCD驱动程序以及dsPIC的SPI函数库等。
7 总 结
该电路易于实现,功能简单实用,可扩展性较好;输出声音清晰、自然。如要增加录音时间,可选用ISD4000系列的其他芯片,程序基本相同。另外,在设计过程中有以下几点事项需要注意:
①在SPI的数据传输中,不同芯片所定义的传输顺序可能不同,因此要注意是先传高位还是先传低位。ISD4002要求先传高位数据,如果与主芯片所定义的顺序相反,则只要把指令码反过来传即可。
②由于ISD4002要求在时钟前半个周期把数据放在传输线上,因此,在使用dsPIC的SPI函数库时需要注意SPI初始化。在本设计中,使用的配置为SPl—CKE—ON%26;amp;CLK_P0L_ACTIVE_HIGH。
以上两点可能会帮助解决一些常见问题。
PIC 电路 Microchip 单片机 DSP 嵌入式 总线 振荡器 滤波器 放大器 电压 电流 电子 LCD 相关文章:
- USB闪存盘驱动器与PIC微控制器的接口设计(04-04)
- 连结USB闪存盘与PIC微控制器的简单方案(04-05)
- 赛灵思联袂Apical为大批量HDTV市场提供创新的低功耗增强图像处理解决方案(01-12)
- 不用软件工具能开展设计吗?(02-28)
- Microchip收发器缔造完整 ZigBee 协议平台(01-24)
- 豪威科技超高密度 4U 42bay存储系统震撼上市(11-23)
