步进电机接线图,8线步进电机接线图图解
步进电机是将电脉冲信号转变为角位移或线位移的开环控制元件。在非超载的情况下,电机的转速、停止的位置只取决于脉冲信号的频率和脉冲数,而不受负载变化的影响,即给电机加一个脉冲信号,电机则转过一个步距角。步进电机是将电脉冲信号转变为角位移或线位移的开环控制电机,是现代数字程序控制系统中的主要执行元件,应用极为广泛。
在非超载的情况下,电机的转速、停止的位置只取决于脉冲信号的频率和脉冲数,而不受负载变化的影响,当步进驱动器接收到一个脉冲信号,它就驱动步进电机按设定的方向转动一个固定的角度,称为"步距角",它的旋转是以固定的角度一步一步运行的。可以通过控制脉冲个数来控制角位移量,从而达到准确定位的目的;同时可以通过控制脉冲频率来控制电机转动的速度和加速度,从而达到调速的目的。

工作原理
通常电机的转子为永磁体,当电流流过定子绕组时,定子绕组产生一矢量磁场。该磁场会带动转子旋转一角度,使得转子的一对磁场方向与定子的磁场方向一致。当定子的矢量磁场旋转一个角度。转子也随着该磁场转一个角度。每输入一个电脉冲,电动机转动一个角度前进一步。它输出的角位移与输入的脉冲数成正比、转速与脉冲频率成正比。改变绕组通电的顺序,电机就会反转。所以可用控制脉冲数量、频率及电动机各相绕组的通电顺序来控制步进电机的转动。
发热原理
通常见到的各类电机,内部都是有铁芯和绕组线圈的。绕组有电阻,通电会产生损耗,损耗大小与电阻和电流的平方成正比,这就是我们常说的铜损,如果电流不是标准的直流或正弦波,还会产生谐波损耗;铁心有磁滞涡流效应,在交变磁场中也会产生损耗,其大小与材料,电流,频率,电压有关,这叫铁损。铜损和铁损都会以发热的形式表现出来,从而影响电机的效率。步进电机一般追求定位精度和力矩输出,效率比较低,电流一般比较大,且谐波成分高,电流交变的频率也随转速而变化,因而步进电机普遍存在发热情况,且情况比一般交流电机严重。
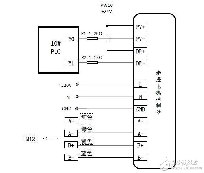
步进电机接线图






四相步进电机接线图

8线步进电机接线图图解
在没有电机说明书时,可以用万用表确认电机8引线的极性,具体步骤如下:

A.先用万用表测量8个引线之间的电阻,可判断出4组线圈引线;
B.由于只接1、6,2、8或1、6,7、4二个线圈电机也能正常转动,所以,在4个线圈中任选2个,接在驱动器上;
如果电机不转,说明这2组线圈是A相线圈;另外2个线圈是B相的2个线圈;
如果电机转动,说明这2个线圈一个是A相,一个是B相线圈;
C.接2组线圈让电机转动后,再从剩下的2个线圈中任选一个线圈,串联在A相线圈上,如果电机电机正常转动了,说明该线圈是A相的另一个线圈;
如果电机不转,将这个线圈的正负对调后再试一次,如果电机还不转,说明该线圈是B相的另一个线圈。
D.用上述同样方法,可以确定最后一个线圈的极性。
四相八线步进电机接法 :F1、F2接励磁电源,H1和C1用连线连起来,H2、C2接直流电源。如果需要反转只需改换一下连线这就是:将H1和C2连起来,H2、C1接直流电源就可以了。

四相八线和两相四线步进电机的区别:
两相步进电机在定子上只有两个绕组,有四根出线,整步为1.8°,半步为0.9°。在驱动器中,只要对两相绕组电流通断和电流方向进行控制就可以了。而四相步进电机在定子上有四个绕组,有八根出线,整步为0.9°,半步为0.45°,不过驱动器中需要对四个绕组进行控制,电路相对复杂了。

- 便携式数字化焊缝底片检测仪硬件结构设计(06-27)
- 汽车动力系统LIN步进电机驱动器解决方案(03-14)
- LED三维显示系统设计方案(02-06)
- 步进电机驱动器的关键技术分析(05-11)
- 安森美半导体用于办公自动化设备应用的高能效步进电机驱动器方案(10-01)
- 德州仪器步进电机控制方案(04-12)
