数控直流稳压电源电路设计
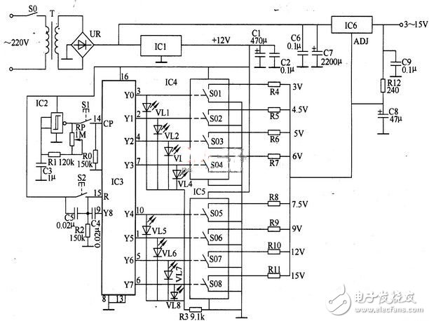
本例介绍的数控直流稳压电源电路 ,采用控制按钮和数字集成电路,采 用LED发光二极管来指示输出电压值,输出电压为 3-+15V共8档可调。最大输出电流为5A。该数控百流稳压电源电路由+l2V稳压电路、电压控制/显示电路和稳压输出电路组成。

电路原理:+l2V稳压电路山电源变压器T、整流桥堆uR、滤波电容器Cl、c2、c6、c7和三端稳压集成电路ICl组成。电压控制/显示电路由控制按钮Sl、复位按钮S2、电阻器RO-Rll、电位器RP、电容器C3-C5、施密特触发器集成电路IC2、十迸制计数/脉冲分配器集成电路IC3、电子开关集成电路IC4、1C5和发光二极管VLl-VL8组成。稳压输出电路由三端可调稳压集成电路IC6、电阻器Rl2和电容器C6-C9组成。接通SO,交流220V电压经T降压、UR整流及C6、C7滤波后,一路作为lC6的输人电压;另一路经ICl稳压为+l2V,作为IC2-IC5 的工作电源。lC3通电复位后,其YO端输出高电平 (YI-Y8端输出低电平),使IC4内部的电子开关SOl接通,使R4接人稳压电路,此时的输出电压为+3V,同时VLl点亮。按动一下S1后,由IC2和外围阻容元件组成的振荡器产生的脉冲信号经S1加至IC3的14脚 (CP端),作为IC3的计数脉冲,IC3的Yl端输拙高电平 (YO端变为低电平),S02接通,R5接人稳压电路中,此时的输出电压为+4·5V,同时VL1点亮。连续按动51时,IC3的YO-Y8端将依次轮流输出高电平,使S01-S08依次轮流接通,电阻器M-Rll被依次轮流接入稳压电路中,IC6依次输出从低至高 (+3V、+4·5V、+5V、+6V、+7·5V、+9V、+l2V、+l5V)的8种电压。VLl-VL8依次轮流点亮。在+3V以外的任一档,只要按一下S2,IC2即清零复位,回到+3V最低电压档。
元器件选择
Rl-Rl2选用1/4W金属膜电阻器或碳膜电阻器。RP选用有机实心可变电阻器。Cl和C8均选用耐压值为16V的铝电解电容器;C2-C6和C9均选用独石电容器;C7选用耐压值为25V的铝电解电容器。VLl-VL8均选用φ3mm的发光二极管。UR选用2A。5OV的整流桥堆。ICl选用LM7812或CW7812型三端稳压集成电路;IC2选用CD4093型施密特触发器集成电路;IC3选用CD4017或 MCl4107型十进制计数/n永冲分配器集成电路;IC4和1C5均选用CD4066型电子开关集成电路;IC6选用LM317型三端可调稳压集成电路。S0选用250V、触头电流负荷为5A的电源开关;S1和S2均选用微型动合按钮。
- 浅谈低功耗控制电路和程序设计思路(10-13)
- 基于Zigbee技术的LED灯光控制器的设计及应用(06-27)
- 基于FPGA的全光纤电流互感器控制电路设计(08-02)
- SAM L21微控制器:ARM架构,5种不同模式(03-29)
- T/R组件波束控制测试方案设计(02-18)
- LED大屏幕控制电路设计方案研究(04-23)
