看整车厂如何实现信号电压幅值的一致性
CAN总线设计规范对于CAN节点的输出电压有着严格的规定,单个节点的输出电压如果不符合规范,则在现场组网后容易出现信号电平不可靠的情况,导致错误帧的出现,各节点间无法进行通信。具体要求如表 1所示,为测试标准"ISO 11898-2输出电压标准"。

表 1 ISO 11898-2输出电压标准
测试参数测试值(V)条件
最小值典型值最大值
显性VCAN_H输出电压2.753.54.5总线负载电阻60Ω
显性VCAN_L输出电压0.51.52.25总线负载电阻60Ω
显性Vdiff输出电压1.52.03.0总线负载电阻60Ω
显性Vdiff输出电压
(高负载)1.41.93.0总线负载电阻45Ω
显性VCM输出电压2.12.52.9总线负载电阻60Ω
隐性VCAN_H输出电压2.02.53.0总线负载电阻60Ω
隐性VCAN_L输出电压2.02.53.0总线负载电阻60Ω
隐性Vdiff输出电压-0.500.05总线负载电阻60Ω
隐性VCM输出电压2.252.52.75总线负载电阻60Ω
所以每个厂家在产品投入使用前,都要测试CAN节点DUT(被测设备)的输出电压幅值。一般是使用ISO 11989-2输出电压标准的CAN测试方法,如下描述:
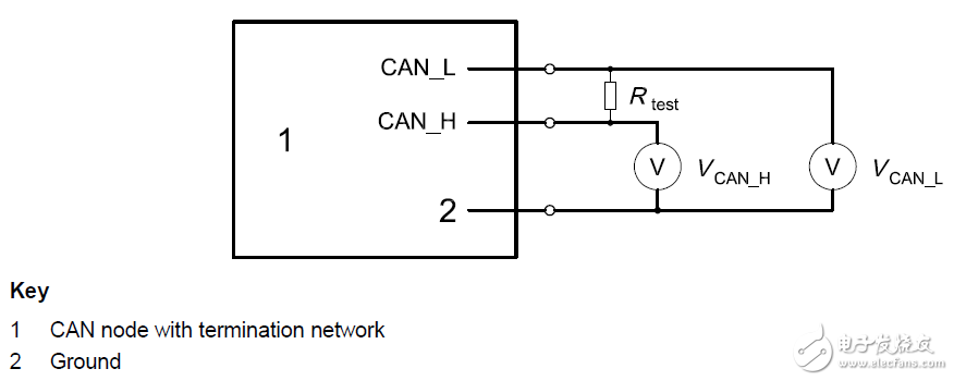
如表 1所示负载条件下,选择被测DUT的适应条件,如图 1所示,Rtest为网络负载电阻,正常为60Ω,高负载时为45Ω。测量绝对和差分电压等级和CANL CANH线电battery voltage of 14 V. In addition, measure the common mode bus voltage VCM.压: VCAN_H,VCAN_L,然后计算差分电压Vdiff和共模电压VCM。其中Vdiff和VCM的计算方法如下:
Vdiff = VCAN_H – VCAN_L
VCM = 0.5 * (VCAN_H + VCAN_L)
如果测试结果符合表 1所示,则通过测试。

图 1 输出电压测试原理
由此可见,该方法虽然可以测量计算出信号的输出电压,但测试系统搭建较为麻烦,且需要多次测量取平均值做计算,还有可能出现测量误差,浪费人力物力。
所以广州致远电子股份有限公司改进了测试方法,使用CANScope-Pro总线分析仪与CANScope-StressZ扩展板组合后,采用对称性测试的方法,避免了人工测量统计的误差,同时配合自动化测试的方式,减少了测试时间的浪费,且使大数据量统计测量得以实现,提高了测试的准确度,极大节约了人工成本。
测试方案如下:
1. 使DUT上电后,能一直发送CAN报文,CANScope不勾选总线应答,其黑色表笔(地)要和DUT的CAN收发器共地,如图 2所示,配置Stress板的模拟干扰参数,进行测试系统的测试连接。
按表 1所示,按照对应的测试条件,通过调整CANScope-StressZ模拟扩展板上的RHL值,进行模拟负载电阻的变化(正常测试时,RHL=60Ω,高负载测试时,RHL=45Ω),进行DUT输出差分驱动能力测试。

图 2 输出电压测试连接图
2. 启动CANScope-StressZ与CANScope,记录一段时间报文和波形后(至少10000帧以上),点击CANScope的停止,保存。然后点击"测试"中的 "对称性测试"进行共模电压VCM的自动测试,如图 3所示:

图 3 CANScope对称性测试
3. 进入"对称性测试"设置界面,如图 4所示。点击"自动设置"按钮,调整好电压范围与偏移,然后将误差电压设置为0.25,以同时符合显性与隐性电平时的VCM要求,然后可点击开始测试。

图 4 对称性测试共模电压
4. 等待进度条完成后,点击"生成报告"即可获得测试结果,如图 5所示。

图 5 软件眼图添加配置
5. 如图 6所示,点击"测试"中的 "CAN测试仪",进行CAN_H、CAN_L、CAN_DIFF参数的测试。

图 6 CAN测试仪自动测试
6. 保持DUT(被测试设备)处于发送数据状态,如图 7所示,进入"CAN测试仪"界面,勾选电压测试,将ISO11898-2中VCAN_H,VCAN_L,Vdiff的要求填入电压测试中,点击"开启"即可。等待测试结束后,可点击"测试报告"按钮,生成如图 8 的测试报告文件。
注意:由于CANScope测试Vdiff的隐性最大值无法设置到0.05V,只能设置为0.5V,所以这个测试选项应使用ZDS2024示波器配合差分探头进行准确测试。

图 7 CAN测试仪-电压测试

图 8 电压测试报告
CANScope分析仪周立功致远电子研发的一款综合性的CAN总线开发与测试的专业工具,集海量存储示波器、网络分析仪、误码率分析仪、协议分析仪及可靠性测试工具于一身,并把各种仪器有机的整合和关联;重新定义CAN总线的开发测试方法,可对CAN网络通信正确性、可靠性、合理性进行多角度全方位的评估;帮助用户快速定位故障节点,解决CAN总线应用的各种问题,是CAN总线开发测试的终极工具。

- 小米智能家庭套装究竟选择了什么ZigBee方案?(02-27)
- 家电行业低功耗测试解决方案(07-03)
- 2.4G与433M实战应用,谁更胜一筹?(05-04)
- 关于变电站,你知道多少?(06-09)
- 手持机仓储管理解决方案(06-02)
- 工业4.0与物联网,智能制造是关键(05-08)
